

Chương 4:
Hệ thống truyền động đảo chiều
4.1. Các sơ đồ truyền động đảo chiều dùng hệ thống T-Đ
4.1.1. Đảo chiều áp dòng trong mạch phần ứng động cơ
Trong hệ thống điều tốc đảo chiều, yêu cầu cơ bản đối với động cơ điện là
có thể thay đổi chiều quay của nó. Nhưng muốn thay đổi chiều quay thì bắt buộc
phải thay đổi chiều của mômen điện từ động cơ Mđt. Từ công thức mômen quay
động cơ điện một chiều M = K
I có thể thấy, chiều của M có thể được thay
động cơ điện một chiều M
đt
= K
m
I
d
có thể thấy, chiều của M
đt
có thể được thay
đổi bằng hai cách, một là đổi chiều dòng điện mạch phần ứng của động cơ, trên
thực tế là thay đổi cực tính điện áp của mạch điện phần ứng, hai là đổi chiều từ
thông kích từ động cơ, tức là thay đổi chiều dòng điện kích từ. Tương ứng với
chúng, mạch điện đảo chiều của hệ thống tiristor - động cơ cũng có hai phương
thức: đảo cách đấu đầu ra bộ biến đổi (BBĐ) với mạch phần ứng và đảo cách đấu
đầu ra BBĐ kích từ với cuộn dây kích từ động cơ.

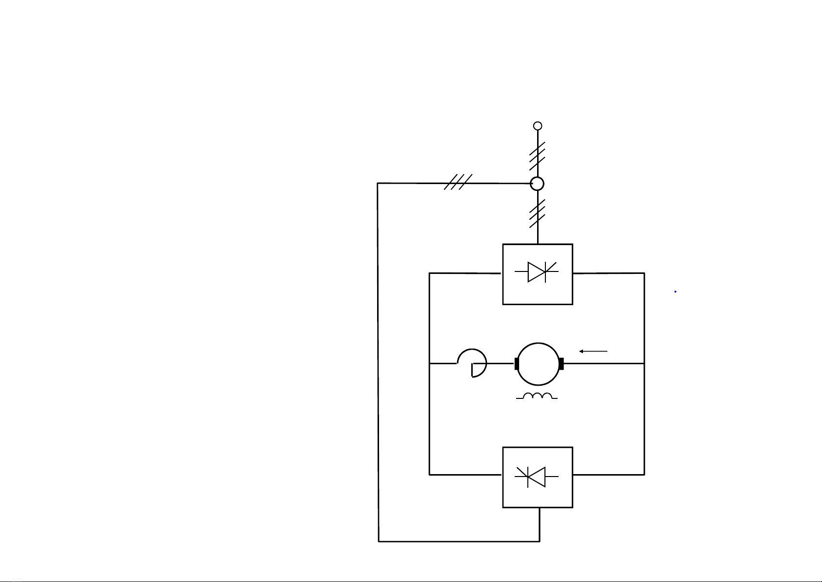
Chương 4:
4.1. Các sơ đồ truyền động đảo chiều dùng hệ thống T-Đ
4.1.1. Đảo chiều áp dòng trong mạch phần ứng động cơ
4.1.1.1. Mạch điện đảo chiều dòng phần ứng động cơ khi BBĐ sử dụng một
sơ đồ chỉnh lưu
CK
T N
+
CK
T1T3
Hình 4.1: Mạch điện đảo chiều dùng bộ
đóng cắt có tiếp điểm T và N
UdĐ
CKĐ
+-
BĐ
CK
T
-
UdĐ
CKĐ
+-
BĐ
CK
T4
T1
T2
T3
Hình 4.2: Mạch điện đảo chiều dùng bộ
đóng cắt không tiếp điểm bằng tiristor

4.1.1. Đảo chiều áp dòng trong mạch phần ứng động cơ
4.1.1.2. Mạch điện đảo chiều dòng phần ứng động cơ khi sử dụng BBĐ có
đảo dòng
Hình 4.3:
Hệ thống
truyền
động đảo
chiều
động cơ
một chiều
CL1
Ở NHỮNG MÁY CÔNG TÁC YÊU
CẦU ĐỔI CHIỀU QUAY
THƯỜNG XUYÊN, ĐẶC BIỆT LÀ
NHỮNG MÁY CÓ YÊU CẦU
THỜI GIAN QUÁ TRÌNH QUÁ
một chiều
dùng BBĐ
có đảo
dòng bằng
hai sơ đồ
chỉnh lưu
mắc song
song
ngược
Đ
CKĐ
CK
CL2
Id
THỜI GIAN QUÁ TRÌNH QUÁ
ĐỘ KHI ĐẢO NGẮN THÌ
THƯỜNG SỬ DỤNG HỆ
TRUYỀN ĐỘ T-Đ VỚI BỘ BIẾN
ĐỔI CÓ ĐẢO DÒNG. BBĐ CÓ
ĐẢO DÒNG ĐƯỢC XÂY DỰNG
TỪ HAI SƠ ĐỒ CHỈNH LƯU
ĐIỀU KHIỂN DÙNG TIRISTOR

4.1.2. Đảo chiều dòng kích từ động cơ
Do công suất kích từ chỉ chiếm khoảng 1
5% công suất định mức, rõ ràng
là công suất của của các thiết bị đóng cắt hoặc sơ đồ chỉnh tiristor dùng để đảo
chiều dòng và cung cấp cho cuộn dây kích từ nhỏ hơn rất nhiều khi thực hiện đảo
chiều dòng phần ứng, do vậy đối với động cơ công suất lớn thì dùng phương án
đảo chiều dòng kích từ là tương đối rẻ tiền. Tuy nhiên, quá trình đổi chiều dòng
kích từ xẩy ra chậm hơn rất nhiều so với đổi chiều dòng điện mạch phần ứng, ở
những động cơ có công suất trung bình, hằng số thời gian mạch kích từ chiếm
những động cơ có công suất trung bình, hằng số thời gian mạch kích từ chiếm
khoảng vài giây, nếu cứ cho dòng điện kích từ tăng giảm tự nhiên, thì việc đổi chiều
dòng điện có thể chiếm mất khoảng 10 giây.
Trong thực tế, việc đảo chiều quay động cơ bằng phương pháp đảo chiều
từ thông thường áp dụng cho các hệ thống truyền động điện công suất trung bình
và lớn và ít diễn ra quá trình đảo chiều như hệ thống truyền động trục cán của máy
cán liên tục.

