logo
Mạng xã hội chia sẻ tài liệu
Upload
Nâng cấp VIP
Trang chủ » Kỹ Thuật - Công Nghệ » Hóa – Môi trường – Thực phẩm
1 trang
201 lượt xem
24
0

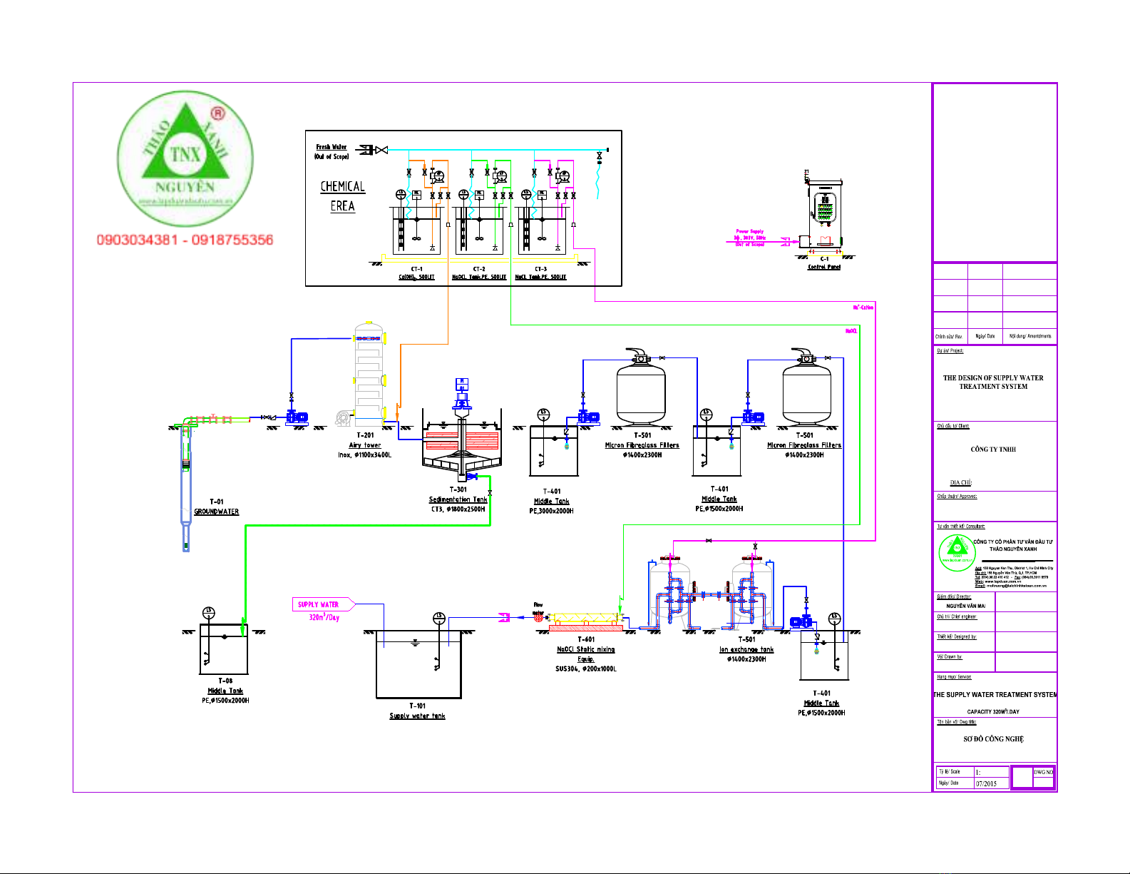
Bản vẽ Hệ thống xử lý nước cấp 230m3

Bản vẽ Hệ thống xử lý nước cấp 230m3 cung cấp cho người xem các thông tin chi tiết của một bản vẽ về hệ thống xử lý cấp nước để có thêm kiến thức về việc xây dựng hệ thống cấp nước. Mời các bạn cùng tham khảo chi tiết bản vẽ.

Chủ đề:

lapduandautu

Công nghệ xử lý nước cấp

Tài liệu Công nghệ xử lý nước cấp

Share
/
1

Tài liệu liên quan

Bản vẽ hệ thống xử lý nước cấp 12m3 model 02

Bản vẽ Hệ thống xử lý nước cấp 12m3 - model 02

1 trang
Bản vẽ hệ thống xử lý nước cấp 12m3 chi tiết

Bản vẽ Hệ thống xử lý nước cấp 12m3

1 trang
Dấu hiệu nhận biết nước nhiễm phèn chuẩn nhất

Dấu hiệu nhận biết nước nhiễm phèn

W 3 trang
Dây chuyền xử lý nước y tế tốt nhất: Tư vấn, lắp đặt trọn gói

Dây chuyền xử lý nước y tế

3 trang
Thiết kế hệ thống xử lý nước cấp sử dụng nước ngầm cho khu dân cư: Tư vấn và giải pháp

Thiết kế hệ thống xử lý nước cấp sử dụng nguồn nước ngầm cho khu dân cư

W 64 trang
Hạt nhựa trao đổi ION: Kinh nghiệm chọn lựa tốt nhất

Chọn lựa hạt nhựa trao đổi ION

W 2 trang
Tính toán bể lắng Lamella cho trạm xử lý nước thiên nhiên công suất 80.000 m3/ngđ

TÍNH TOÁN BỂ LẮNG LAMELLA CHO TRẠM XỬ LÝ NƯỚC THIÊN NHIÊN CÔNG SUẤT 80.000 M3/NGĐ

6 trang
Hệ thống xử lý nước sản xuất Sơn: Thuyết minh kỹ thuật chi tiết

Thuyết minh kỹ thuật hệ thống xử lý nước sản xuất Sơn

9 trang
Cách làm bể lọc nước tại nhà đơn giản, hiệu quả nhất

Cách làm bể lọc nước

W 5 trang
Tưới phun: Quá trình tưới phun part10

Quá trình tưới phun part10

9 trang

Tài liêu mới

Nội dung hướng dẫn ôn tập học phần: Môi trường và bảo vệ môi trường

Nội dung hướng dẫn ôn tập học phần: Môi trường và bảo vệ môi trường

4 trang
Giáo trình Thực hành Hoá học thực phẩm Trường Đại học Bà Rịa - Vũng Tàu

Giáo trình Thực hành Hoá học thực phẩm - Trường Đại học Bà Rịa - Vũng Tàu

38 trang
Giáo trình môn học An toàn lao động (Nghề: Kỹ thuật chế biến món ăn - Trình độ Trung cấp) - Trường Cao đẳng  Kỹ thuật Công nghệ Quy Nhơn

Giáo trình môn học An toàn lao động (Nghề: Kỹ thuật chế biến món ăn - Trình độ Trung cấp) - Trường Cao đẳng Kỹ thuật Công nghệ Quy Nhơn

18 trang
Giáo trình Thực hành kiểm tra chất lượng hoá mỹ phẩm chuẩn nhất

Giáo trình Thực hành kiểm tra chất lượng hoá mỹ phẩm

43 trang
Giáo trình Sử dụng Năng lượng, Tài nguyên và Quản lý Chất thải, Hóa chất Hiệu quả trong Cơ khí (Nghề Cắt gọt kim loại TC) - Trường TC nghề Kỹ thuật Công nghệ Hùng Vương

Giáo trình Sử dụng năng lượng, tài nguyên và quản lý chất thải, hoá chất hiệu quả trong cơ khí (Nghề: Cắt gọt kim loại - TC) - Trường TC nghề Kỹ thuật Công nghệ Hùng Vương

77 trang
Đề thi tuyển công chức tỉnh Quảng Bình - Môn thi viết: Nghiệp vụ chuyên ngành An toàn vệ sinh thực phẩm

Đề thi tuyển công chức tỉnh Quảng Bình - Môn thi viết: Nghiệp vụ chuyên ngành An toàn vệ sinh thực phẩm

7 trang
Giáo trình Kỹ thuật an toàn và môi trường - GVC. ThS Nguyễn Thanh Việt [Mới Nhất]

Giáo trình Kỹ thuật an toàn và môi trường - GVC. ThS Nguyễn Thanh Việt

132 trang
Đề cương bài giảng Nước và chất lượng nước - Trường Cao đẳng Cơ điện Hà Nội

Đề cương bài giảng Nước và chất lượng nước - Trường Cao đẳng Cơ điện Hà Nội

46 trang
Đề cương bài giảng An toàn lao động: Trường Cao đẳng Cơ điện Hà Nội

Đề cương bài giảng An toàn lao động - Trường Cao đẳng Cơ điện Hà Nội

42 trang
Giáo trình Tài nguyên năng lượng và bảo vệ môi trường - Trường Cao đẳng Cơ điện Hà Nội [Mới nhất]

Giáo trình Tài nguyên năng lượng và bảo vệ môi trường - Trường Cao đẳng Cơ điện Hà Nội

76 trang
Bài giảng An toàn trong kỹ thuật hóa học

Bài giảng An toàn trong kỹ thuật hóa học

54 trang
Bài giảng Công nghệ chế biến rau quả: Chương 7 (Bùi Thị Huỳnh Hoa)

Bài giảng Công nghệ chế biến rau, quả: Chương 7 - Bùi Thị Huỳnh Hoa

19 trang
Bài giảng Công nghệ chế biến rau, quả chương 6: Bùi Thị Huỳnh Hoa

Bài giảng Công nghệ chế biến rau, quả: Chương 6 - Bùi Thị Huỳnh Hoa

13 trang
Bài giảng Công nghệ chế biến rau quả: Chương 5 của Bùi Thị Huỳnh Hoa

Bài giảng Công nghệ chế biến rau, quả: Chương 5 - Bùi Thị Huỳnh Hoa

11 trang
Bài giảng Công nghệ chế biến rau, quả chương 4: Bùi Thị Huỳnh Hoa

Bài giảng Công nghệ chế biến rau, quả: Chương 4 - Bùi Thị Huỳnh Hoa

29 trang

AI tóm tắt

- Giúp bạn nắm bắt nội dung tài liệu nhanh chóng!

Giới thiệu tài liệu

Đối tượng sử dụng

Từ khoá chính

Nội dung tóm tắt

Giới thiệu

Về chúng tôi

Việc làm

Quảng cáo

Liên hệ

Chính sách

Thoả thuận sử dụng

Chính sách bảo mật

Chính sách hoàn tiền

DMCA

Hỗ trợ

Hướng dẫn sử dụng

Đăng ký tài khoản VIP

Zalo/Tel:

093 303 0098

Email:

support@tailieu.vn

Phương thức thanh toán

Theo dõi chúng tôi

Facebook

Youtube

TikTok

chứng nhận
Chịu trách nhiệm nội dung: Nguyễn Công Hà
Doanh nghiệp quản lý: Công ty TNHH Tài Liệu trực tuyến Vi Na - GCN ĐKDN: 0307893603
Địa chỉ: 54A Nơ Trang Long, P. Bình Thạnh, TP.HCM - Điện thoại: 0283 5102 888 - Email: info@tailieu.vn
Giấy phép Mạng Xã Hội số: 38/GP-BVHTTDL cấp ngày 09/3/2026