
-1-
Bài kiểm tra
· Xin vui lòng làm bài kiểm tra này sau khi kết thúc tất cả các chương trong
cuốn sách này.
· Kích chuột vào nút "Bắt đầu làm bài kiểm tra".
· Trả lời tất cả những câu Trả lời của bạn vào mẫu kiểm tra trên màn hình.
· Sau khi mọi câu hỏi đã kết thúc, nhắp vào nút "Ghi kết quả" ở cuối màn
hình này.
· Một cửa sổ mới sẽ xuất hiện. Sau khi nhập các thông tin cần thiết vào mẫu
trả lời này, hãy in ra và nộp cho giáo viên.

-2-
Q-1
Câu nào trong những câu sau đây về đường truyền (đường thông tin liên lạc) trong hệ thống thông tin
phức hợp là Đúng?
A.
Tất cả các ECU có thể hợp nhất thành một bộ phận.
B.
Một vài ECU được nối với một đường truyền, cho phép chia sẻ những tín hiệu (thông tin) khác nhau.
C.
Mỗi ECU có đường truyền riêng của nó cho phép tín hiệu (thông tin) được chia sẻ giữa các đường
truyền.
D.
Đường truyền có nghĩa là ECU trung tâm.
Q-2
Câu nào trong những câu sau đây về kết nối theo vòng tròn khép kín trong hệ thống thông tin phức hợp
là Đúng.
A.
Do kết nối theo vòng tròn khép kín được áp dụng cho đường truyền, nó vẫn hoạt động bình thường
thậm chí nếu dây bị ngắn mạch với mát thân xe.
B.
Do kết nối theo vòng tròn khép kín được áp dụng cho đường truyền, nó vẫn hoạt động bình thường thậ
m
chí nếu dây bị ngắn mạch với phía nguồn dương (+).
C.
Do kết nối theo vòng tròn khép kín được áp dụng cho đường truyền, nó vẫn hoạt động bình thường
thậm chí nếu dây bị đứt.
D.
Tất cả các ECU được nố
i theo vòng tròn khép kín.
Q-3
Câu nào trong những câu sau đây về kết BEAN là Sai?
A.
Tất cả các ECU có quyền như nhau để truyền dữ liệu của mình.
B.
Tất cả các ECU luôn truyền dữ liệu đến ECU được xác định trước.
C.
Nếu 2 ECU truyền dữ liệu cùng một lúc, dữ liệu có thứ tự ưu tiên cao hơn sẽ được truyền.
D.
Chiều dài của thông điệp (dữ liệu) có thể thay đổi tự
do.

-3-
Q-4
Câu nào trong những câu sau đây về kết chức năng của ECU trung tâm là Sai?
A.
Khi tiến hành chức năng chẩn đoán, ECU trung tâm được nối với DLC3 và phát ra tất cả
mã DTC liên
quan đến xe.
B.
Trong rất nhiều trường hợp, ECU trung tâm có IC nhớ không xóa được ở bên trong, lưu giữ những
thông tin về thông số kỹ thuật của xe và thiết bị.
C.
ECU trung tâm chuyển đổi dữ liệu giữa BEAN (hệ thống MPX) và các chuẩn khác (hệ thống mạ
ng như
AVC-LAN v.v.)
D.
ECU trung tâm chuyển hướng dữ liệu trong nhiều đường truyề
n.
Q-5
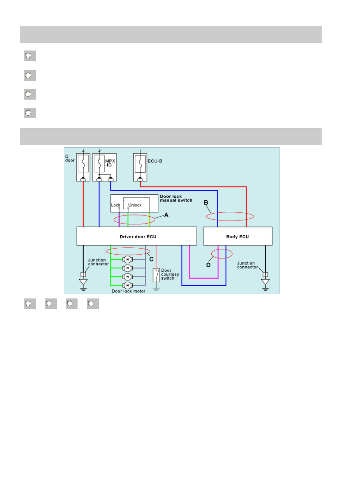
Hãy chọn đường thông tin liên lạc MPX từ những hình vẽ từ A đến D dưới đây.
A.
B.
C.
D.

-4-
Cơ sở của Kỹ thuật viên chẩn đoán
No.
Trả lời Đáp án
1
2
3
4
5
6
7
8
9
10
11
12
13
14
15
16
17
18
19
GỢI Ý:
Hãy điền tên kỹ thuật viên và tên viết tắt của đại lý vào mẫu phiếu trả lời
này.
Kích chuột lên nút "In ra" để in ra và gửi tới giảng viên của TMV bằng
FAX.
Đối với phiên bản chương trình duyệt internet thấp hơn 5.5, thì việc kích
chuột lên nút "In ra" có thể không in ra được.
Khi đó, bạn hãy in phiếu trả lời ra bằng cách dùng chức năng in của trình
duyệt.
Tham khảo:
Khi được yêu cầu, bạn có thể lưu phiếu trả lời này vào máy tính dưới dạ
ng
file dữ liệu.
Sau đó gửi cho Giảng viên TMV bằng e-mail.
HỌ VÀ TÊN :
TÊN ĐẠ
I LÝ :

