
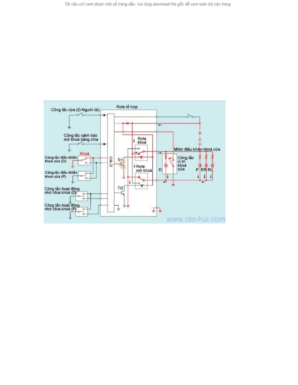
Hoạt động của hệ thống khoá cửa
Nguyên lý hoạt động của hệ thống khoá cửa trên ô tô
1. Chức năng điều khiển khoá/mở khoá bằng tay
Khi ấn công tắc điều khiển khoá cửa về phía khoá/mở , khoá, tín hiệu khoá/mở

khoá được truyền tới CPU trong rơ le tổ hợp.
Sau khi nhận được tín hiệu này, CPU sẽ bật Tr1 hoặc Tr2 khoảng 0.2 giây đồng
thời bật rơle khoá/mở khoá. ở trạng thái này rơle khoá/mở khoá tạo thành mạch
tiếp mát, dòng điện đi từ ắc qui tới mát qua mô tơ và tất cả các mô tơ điều khiển
khoá cửa quay theo hướng khoá/mở khoá để tắt/bật công tắc vị trí khoá cửa.
Nguyên lý hoạt động khi khoá cửa
Nguyên lý hoạt động khi mở khoá

CHÚ Ý:
Ở một số xe, các công tắc vị trí khoá được lắp đặt cho tất cả các cửa.
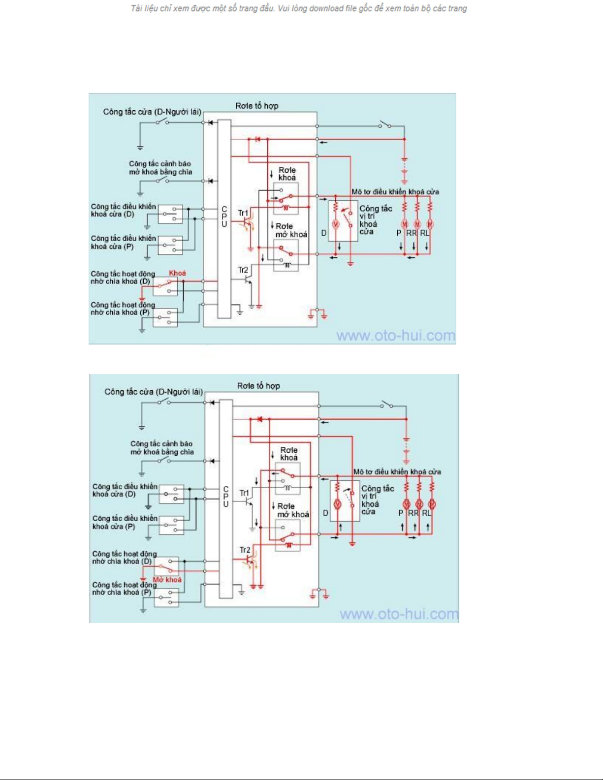
2. Chức năng khoá/mở khoá cửa bằng chìa
Khi cắm chìa khoá vào ổ khoá và xoay về phía khoá/mở khoá, thì công tắc hoạt
động nhờ chìa khoá được quay về vị trí khoá/mở khoá làm quay tất cả các mô tơ
điều khiển khoá cửa theo hướng như là công tắc khoá/mở khoá bằng tay.

Nguyên lý hoạt động khi khoá cửa
Nguyên lý hoạt động khi mở khoá
3. Chức năng mở khoá 2 bước (cửa của người lái)
Khi chìa khoá được xoay theo hướng mở thì chỉ có duy nhất cửa đang được mở
mới được mở khoá. ở giai đoạn này, cực UL3 của rơ le tổ hợp được tiếp đất thông

qua công tắc hoạt động nhờ chìa khoá, nhưng Tr2 thì không được bật. Nếu chìa
khoá được xoay theo hướng mở khoá 2 lần trong thời gian 3 giây thì cực UL3
được tiếp đất 2 lần và CPU trong rơ le tổ hợp sẽ bật Tr2.
Kết quả là rơle mở khoá được bật lên và tất cả các cửa được mở.
Khi thao tác mở khoá bằng chìa được thực hiện 1 lần

