
Thiết kế mạch tích hợp Translate page from 55 to 69
Lớp: CH. 19.KTĐT Translate by Lê Quý Viễn
MỤC LỤC
1. Giới thiệu ......................................................................................................... 2
2. Cấu tạo la bàn ................................................................................................. 3
3. Ngõ vào nam châm ........................................................................................ 3
3.1: Bản thiết kế IMC ....................................................................................... 4
3.2: Nguyên tắc hoạt động của IMC ................................................................ 5
3.3: Quy trình công nghệ của IMC .................................................................. 7
3.4: Loại bỏ thông tin không cần thiết ............................................................. 9
4. Đầu vào tín hiệu tương tự .................................................................................. 9
4.1: Hoạt động dòng điện xoay vòng ............................................................... 9
4.2: Chuỗi khuếch đại .................................................................................... 11
4.3: Chuyển đổi A/D ...................................................................................... 11
4.4: Chip vi điều khiển .................................................................................. 12
5. Thực hiện trong 0.35um CMOS ...................................................................... 13
6. Số đo ............................................................................................................... 15
7. Kết Luận .......................................................................................................... 17
8. Tài liệu tham khảo ........................................................................................... 17

Thiết kế mạch tích hợp Translate page from 55 to 69
Lớp: CH. 19.KTĐT Translate by Lê Quý Viễn
CMOS ĐƠN – CHIP LA BÀN ĐIỆN TỬ DÙNG VI ĐIỀU KHIỂN
Chúng tôi trình bày một CMOS đơn - Chip cảm biến la bàn điện tử bao gồm
cả xử lý tín hiệu kỷ thuật số cho chính xác tiêu đề tính toán mà tiếp nối trình bày
một tác phẩm. Tại hội nghị quốc tế về mạch điện ở trạng thái rắn (ISSCC) 2007 Tại
San Francisco Mỹ. Một phần những thiết bị tương tự bao gồm Hall dựa trên ba bộ
chuyển đổi với từ trường tích hợp. Từ trường tập trung nơi đó hoạt động bị ảnh
hưởng do bộ khuếch đại từ trường chuỗi bộ khuếch đại tương tự tính năng tăng lên
đến 20’000. Một cách chính xác 12 - bit mở rộng bao gồm bộ chuyển đổi khuếch
đại ADC các tín hiệu khuếch đại từ trường vào trong lĩnh vực kỹ thuật số nơi một vi
điều khiển 16 – bit tính toán các mục thông tin và kết quả đầu ra thông qua một
giao diện SPI các La Bàn cảm biến được thực hiện trong 0.35um công nghệ CMOS
điện áp thấp cộng với hàng Loạt bước xử lý đơn giản để lắng đọng một lớp kim loại
có kích thước như đinh ốc nhỏ gọn của 2,3 mm x 2,8 mm cho phép đóng gói theo
chuẩn 4 mm x 5mm x 1mm bề mặt đóng gói nhựa phải gắn kết. Độ phân giải là tốt
hơn so 0,5 độ và độ chính xác tốt hơn so với +/-2 độ.
1. Giới thiệu
CMOS tích hợp các thiết bị Hall cũng được biết đến như yếu tố bộ chuyển
đổi vị trí cảm biến của một nam châm từ trường là mục tiêu hoặc để đo dòng điện.
Họ CMOS hoàn toàn tương thích, kích thước nhỏ và kiểu cong đầu ra của điện áp.
Một vài mV khi một mật độ dòng vài 10mT được áp dụng . Cầu vốn có của họ bù
đắp là cũng khoảng vài mV và có thể có hiệu quả máy trệt bởi các phương pháp
quay dòng. trong đó tín hiệu và bù lại được tách ra trong lĩnh vực tần số đối với các
đo lương trực tiếp thì từ trường rất thấp mật độ trong phạm vi micro – tesla chỉ có
các thiết bị Hall rời rạc trong các chất bán dẫn hợp chất cao tính di động như InSb
đã được sử dụng cho đến nay . CMOS Hall chức năng độ nhạy của thiết bị tương
đối thấp thường từ 10uV/Gauss, mà đưa ra một biên độ tín hiệu chỉ 2uV trong lĩnh
vực đất từ 20uT. Trong trường hợp này , để có được một tỷ lệ tín hiệu nhiễu từ
40dB trong một thời gian tích hợp khoảng một vài phần nghìn giây , tín hiệu phải
được khuếch đại mà không có thêm tiếng ồn. Điều này có thể đạt được thông qua
một bộ khuếch đại từ tính thụ động được thực hiện chất Silicon mỏng lên bề mặt
lớp kim loại. Chúng ta vừa trình bày trang này một CMOS đơn – chip la bàn điện tử
mà bao gồm tất cả xử lý tín hiệu kỷ thuật số cần thiết cho loại tính toán chính xác
cảm biến được thực hiện trong một công nghệ 0,35um CMOS điện áp thấp với tập
trung nam châm tích hợp (IMC) từ quá trình [3, 4]. The IMC Quá trình gần đây
hoàn toàn đủ điều kiện máy móc tự động cho một sản phẩm khác, nơi đó được sử
dụng để sản xuất khối lượng.

Thiết kế mạch tích hợp Translate page from 55 to 69
Lớp: CH. 19.KTĐT Translate by Lê Quý Viễn
2. Cấu tạo La Bàn
Một phần của thiết bị tương tự bao gồm một bộ chuyển đổi ba trục từ tường
dựa trên các yếu tố cơ bản Hall và khuếch đại một chuỗi tương tự. A 13-bit ADC
chuyển đổi các tín hiệu khuếch đại vào trong lĩnh vực kỹ thuật số, một vi điều
khiển 16-Bit. Tính toán các mục thông tin và kết quả đầu ra thông qua một giao
diện nối tiếp sơ đồ khối trong hình 1chỉ cấu tạo và tín hiệu bên trong mạch.
Hình 1. Sơ đồ khối của La Bàn điện tử
3. Ngõ vào nam châm
Ba trục từ bộ chuyển đổi từ trường là cơ bản dựa trên sự kết hợp thiết bị
CMOS Hall và cấu trúc trên bề mặt lớp kim loại có chất silicon. Các yếu tố Hall
được thực hiện bó chặt n – cùng với hình học chữ thập, và có một khu vực hoạt
động khoảng 15 x 15 um. Nếu không có bất kỳ các yếu tố Hall dễ bị hỏng linh kiện
Bz với các thành phần từ từ trường bằng cách kết hợp tập trung từ ( IMC ) chất
silicon đưa lên trên cùng cảm biến CMOS Hall có thể được thiết kế để đo tất cả các
linh kiện trên ba trục chính Bz By và Bz một cách riêng biệt (hình. 2).

Thiết kế mạch tích hợp Translate page from 55 to 69
Lớp: CH. 19.KTĐT Translate by Lê Quý Viễn
Hình 2. Tích hợp một bộ tập trung từ ( IMC ) lên bề mặt silicon, một bộ cảm
biến Hall trục duy nhất có thể được tăng cường để đo tất cả các linh kiện từ trường
từ 3 trục Bx, By và Bz
phạm vi chuyển đổi 3 trục tạo ra 3 Hall điện áp Vx, Vy and Vz, tương ứng 3 thành
phần từ trường Bx, By và Bz. Ngay đầu đó cấu trúc IMC có thể được thiết kế một
cách cục bộ các dòng thông lượng vào các yếu tố Hall, nó hoạt động như một bộ
khuếch đại từ tính thụ động với mức tăng lên đến 10.
3.1 Bản thiết kế IMC
Trong ứng dụng la bàn điện tử chúng tôi cần đạt được độ lợi từ tính lớn nhất
và chúng tôi cũng cần giảm thiểu bất kỳ sự suy giảm từ từ ngẩu nhiên của lớp sắt từ
. Do đó chúng tôi quyết định bố trí năm vòng tám cạnh như hình 3. So với cách bố
trí cũ với vòng tròn được sử dụng trong vòng tám cạnh tốt hơn quá trình dung sai.
Khắc bề rộng không khí là một hằng số giữa hình tám cạnh là dễ dàng điều khiển
hơn khắc hình lõm, một khoảng cách giữa các vòng tròn, kết quả là không phù hợp
độ nhạy giữa các trục

Thiết kế mạch tích hợp Translate page from 55 to 69
Lớp: CH. 19.KTĐT Translate by Lê Quý Viễn
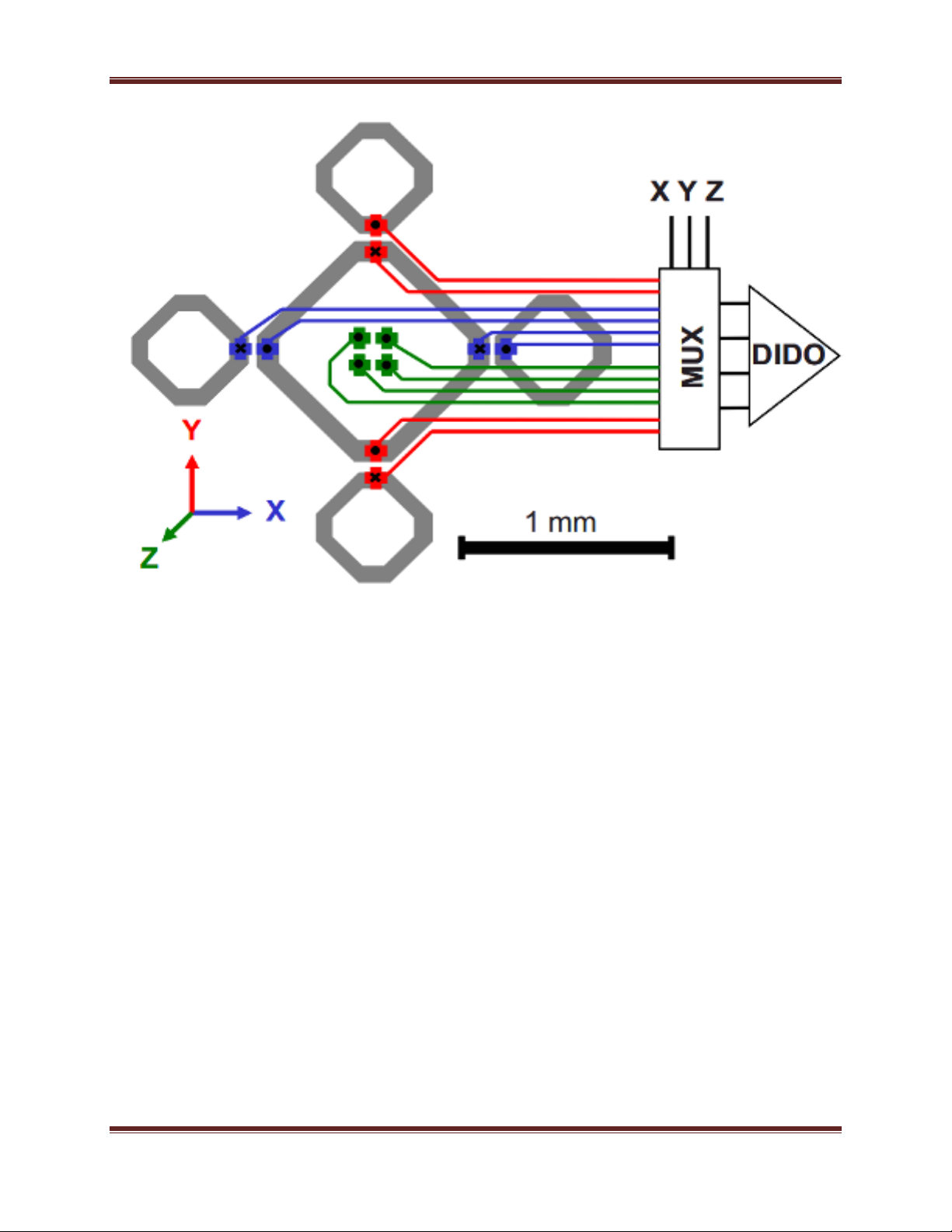
Hình 3. Toàn bộ cấu trúc IMC và các yếu Hall. Dấu chấm biểu thị rằng khu
vực trục trường ra khỏi máy bay và băng qua chứng tỏ rằng khu vực trường đi vào
máy bay cho trường ngoài được áp dụng theo hướng X hoặc Y hoặc Z.
bốn yếu tố Hall tạo ra các tín hiệu trường tỷ lệ cho ba trục tọa độ X, Y và Z. Đối với
2 trục X và Y là hai nhóm của hai yếu tố Hall được bố trí theo các IMC xung quanh
giữa các vòng tròn . Đối với trục Z, một nhóm bốn yếu tố Hall được đặt ở trung tâm
vòng tròn lớn. Những sản phẩm thông thường của Hall không lợi ích từ độ lợi từ .
3.2 Nguyên tắc hoạt động của IMC
Nguyên tắc hoạt động của trục X và Y được minh họa trong giao diện mặt
trên của hình 4 và xem mặt cắt ngang tương ứng của hình 5 với phạm vi được ứng
dụng bên ngoài ( ví dụ như lĩnh vực đất ) từ trái sang phải, Từ thông tập trung xung
quanh bên trong hình tám cạnh bên trái, sau đó xuyên qua độ hở và tiếp tục bên
trong hình tám cạnh bên phải. Các yếu tố Hall được vị trí theo hình tám cạnh gần độ
hở.
Phần chú ý của hoạt động này trở nên rõ ràng ràng trong giao diện mặt cắt
ngang của hình 5 khoảng cách hở, các dòng thông lượng không giới hạn với mặt
phẳng cắt kim loại. Nhưng nó cũng đang chạy qua ở dạng nữa vòng tròn ở trên và ở

