
Luaän Vaên Toát Nghieäp Thieát Keá Maùy Thu Phaùt Kyù Töï 8 Bit Trang:46
4.4.1.1. Giôùi thieäu vi maïch laäp trình 8255A.
Ñaây laø vi maïch vaøo ra theo chöông trình raát thoâng duïng thöôøng coù
trong caùc vi tính PC/XT, PC/AT vaø caùc thieát bò trao ñoåi thoâng tin khaùc (xem
phaàn phuï luïc 1).
4.4.1.2 Keát noái 8255A vôùi heä thoáng.
Vi maïch laäp trình 8255A coù 3 Port xuaát nhaäp trong ñoù:
Port A ñöôïc söû duïng ñeå cho vieäc nhaäp xuaát döõ lieäu 8 bit song song.
Port C ñöôïc söû duïng thöïc hieän trao ñoåi caùc tín hieäu baét tay.
Port B ñöôïc söû duïng ñeå xuaát caùc tín hieäu caáp cho caùc LED ñôn ñeå chæ thò
caùc cheá ñoä thi haønh nhö :Tx/Rx, STEP, CYCLE, PATTERN, BURST,
BREAK PIONT, HANDSHAKE.
Trong ñoù port A va port B ñöôïc keát noái ñeán ñaàu noái chuaån DB _25F ñeå
thöïc hieän vieäc trao ñoåi thoâng tin vôùi thieát bò khaùc.
4.4.1.3. Laäp trình cho 8255A
Ñeå thöïc hieän cheá ñoä treân, vieäc laäp trình cho vi maïch 8255A ñöôïc thöïc
hieän ôû Mode 0.
4.4.2. Thu phaùt döõ lieäu noái tieáp 8 bit ñoàng boä vaø baát ñoàng boä (dò boä).
Truyeàn döõ lieäu noái tieáp laø ôû ñaàu phaùt döõ lieäu döôùi daïng song song ñaàu
tieân ñöôïc chuyeån thaønh döõ lieäu noái tieáp. Tín hieäu tieáp noái sau ñoù ñöôïc truyeàn
ñi lieân tuïc töøng bit treân moät ñöôøng daây. Ôû ñaàu thu tín hieäu seõ ñöôïc bieán ñoåi
ngöôïc laïi ñeå taùi taïo tín hieäu daïng song song thích hôïp cho vieäc xöû lyù tieáp
theo.
Haõng Intel cho ra ñôøi vi maïch chuyeân duïng thöïc hieän ñöôïc caû hai kieåu
truyeàn thoâng tin treân laø 8251A hay coøn goïi laø maïch USART. Moät daïng vi
maïch thöù hai cuõng ñöôïc duøng roäng raõi trong caùc thieát bò thoâng tin noái tieáp laø
vi maïch USAT 8250A/16450, UART 6402, ACIA 6850…
Ñeå ñaùp öùng yeâu caàu ñaët ra neân löïa choïn vi maïch USART 8251A
(Intel).
4.4.2.1.Giôùi thieäu vi maïch USART 8251A.
Ñaây laø moät vi maïÏÏch thu phaùt ñoàng boä vaø khoâng ñoàng boä,coù theå söû
duïng ñeå trao ñoåi trao ñoåi thoâng tin noái tieáp vôùi baát kyø maùy vi tính naøo ,hay
baát kyø thieát bò ngoaïi vi naøo, (xem phaàn phuï luïc 1).

Luaän Vaên Toát Nghieäp Thieát Keá Maùy Thu Phaùt Kyù Töï 8 Bit Trang:47
4.1.2.2.Laäp trình cho USART 8251A.
Trong heä thoáng naøy, vi maïch 8251A ñöôïc khôûi taïo ñeå laøm vieäc ôû hai
mode cô baûn:
Mode noái tieáp baát ñoàng boä:
Mode noái tieáp ñoàng boä.
Coâng vieäc choïn taàn soá xung Clock ñöôïc thöïc hieän baèng phím UNIT ôû baøn
phím.
4.4.3.Caùc chuaån trong giao tieáp vaø vi maïch kích chuaån thu – phaùt döõ lieäu.
Töông töï nhö caùc thieát bò ngoaïi vi khaùc, (maùy vi tính, maùy in…) vieäc
trao ñoåi döõ lieäu ñieàu phaûi theo moät chuaån giao tieáp nhaát ñònh.
Coù nhieàu daïng chuaån khaùc nhau ñöôïc söû duïng ñeå phoái gheùp thöôøng
gaëp trong caùc thieát bò nhö: RS – 232C, RS – 449, RS – 423AS vaø RS –
422AS…
Ñeå thoáng nhaát cho vieäc giao tieáp ñöôïc töông thích giöõ thieát bò vôùi caùc
heä thoáng khaùc neân chuaån RS – 232C, ñöôïc söû duïng.
4.4.3.1.Giôùi thieäu chuaån RS – 232C.
i./ Chuaån noái daây DB – 25 F (25 chaân).
Chuaån naøy ñöôïc duøng cho vieäc trao ñoåi döõ lieäu 8 bit song song coù baét
tay.
ii./ Chuaån noái daây DB – 9F (9 chaân).
Chuaån naøy phuïc vuï cho vieäc thoâng tin noái tieáp ôû khoaûng caùch xa.
iii./ Vi maïch kích chuaån thu phaùt RS – 223C.
Thoâng tin giöõa thieát bò vôùi heä hoáng khaùc ñöôïc truyeàn taûi thoâng qua caùp
chuaån RS – 232C.
Tuy nhieân trôû khaùng vaø tín hieäu TTL cuûa vi maïch USART khoâng thích
hôïp ñeå phaùt leân ñöôøng daây xoaén ñoâi hoaëc caùp ñoàng truïc neân thöôøng ñoøi hoûi
caùc vi maïch kích phaùt vaø thu.
Haõng MOTOROLA ñaõ cho ra ñôøi hai loaïi vi maïch ñaùp öùng yeâu caàu
treân laø:
Vi maïch kích phaùt MC 1488.
Vi maïch kích thu MC 1489.

Luaän Vaên Toát Nghieäp Thieát Keá Maùy Thu Phaùt Kyù Töï 8 Bit Trang:48
Hình 4.17. Sô ñoà keát noái USART 8251A vôùi vi xöû lyù vaø RS -232C
4.4.4.Boä taïo xung Clock.
Trong heä thoáng naøy boä taïo xung Clock coù vai troø:
1. Cung caáp xung Clock chuaån cho khoái thu phaùt döõ lieäu noái tieáp maø cuï theå
laø caáp cho vi maïch USART 8251A (TxC vaø RxC). ñeå ñaït toác ñoä thu phaùt
chuaån (baud) ñuùng yeâu caàu.
2. Taïo xung ngaét cho vi xöû lyù 8085A ñeå kieåm soaùt toác ñoä truyeàn/nhaän.
3. Cung caáp xung clock cho caùc thieát bò khaùc beân ngoaøi.
Ñeå taïo ñöôïc xung Clock chuaån coù nhieàu caùch ñeå thöïc hieän.
a) Duøng phaàn meàm.
b) Duøng phaàn cöùng: söû duïng vi maïch chuyeân duïng ñeå taïo xung Clock nhö:
i. Caùc hoï vi maïch 555.
ii. Vi maïch ñeám/ñònh thôøi laäp trình ñöôïc 8253, 8254 (Intel)
Ñaëc bieät vi maïch 8253 ñöôïc duøng phoå bieán trong caùc boä ñònh thôøi, hôn
nöõa do yeâu caàu cuûa thieát bò laø caàn coù nguoàn xung Clock coù theå thay ñoåi ñöôïc
töø ñôn vò laø HZ ñeán MHZ, nhaèm ñaùp öùng cho toác ñoä chuaån.
Do ñoù 8253 ñöôïc choïn ñeå caáp xung Clock cho heä thoáng.
4.4.4.1.Giôùi thieäu vi maïch ñònh thôøi 8253.
8253 laø vi maïch ñònh thôøi ña naêng ñöôïc söû duïng laøm boä ñeám söï kieän,
taoï xung laäp trình 8253 coù chöùa 3 boä ñeám (0,1vaø 2)

Luaän Vaên Toát Nghieäp Thieát Keá Maùy Thu Phaùt Kyù Töï 8 Bit Trang:49
4.4.2.Laäp trình khôûi taïo cho 8253.
Vi maïch 8253 coù taát caû 3 boä ñeám (0,1 vaø 2) vaø 6 mode hoaït ñoäng,
(xem phaàn phuï luïc 1).
Trong boä taïo xung Clock naøy thì söû duïng caû 3 boä ñeám ñeå thöïc hieän
vieäc chia taàn soá .
Boä ñeám 0: chia taàn soá ôû ñôn vò MHZ.
Boä ñeám 1: chia taàn soá ôû ñôn vò KHZ.
Boä ñeám 2: chia taàn soá ôû ñôn vò HZ.
Muoán vi maïch 8251A thu/phaùt döõ lieäu ôû toác ñoä bao nhieâu (75, 110,
300, 1200, 2400, 4800 hay 9600 bit/s) chæ caàn laäp trình cho vi maïch 8253 phaùt
xung Clock coù taàn soá töông öùng.
Vieäc khôûi taïo caùc boä ñeám ñöôïc thöïc hieän caùc böôùc sau:
1. Ghi moät töø ñieàu khieån vaøo thanh ghi ñieàu khieån.
2. Naïp byte thaáp cuûa soá ñeám vaøo thanh ghi boä ñeám.
3. Naïp byte cao cuûa soá ñeám vaøo thanh ghi boä ñeám.
Trong heä thoáng naøy caùc boä ñeám ñöôïc khôûi taïo ñeå hoaït ñoäng ôû Mode 2.
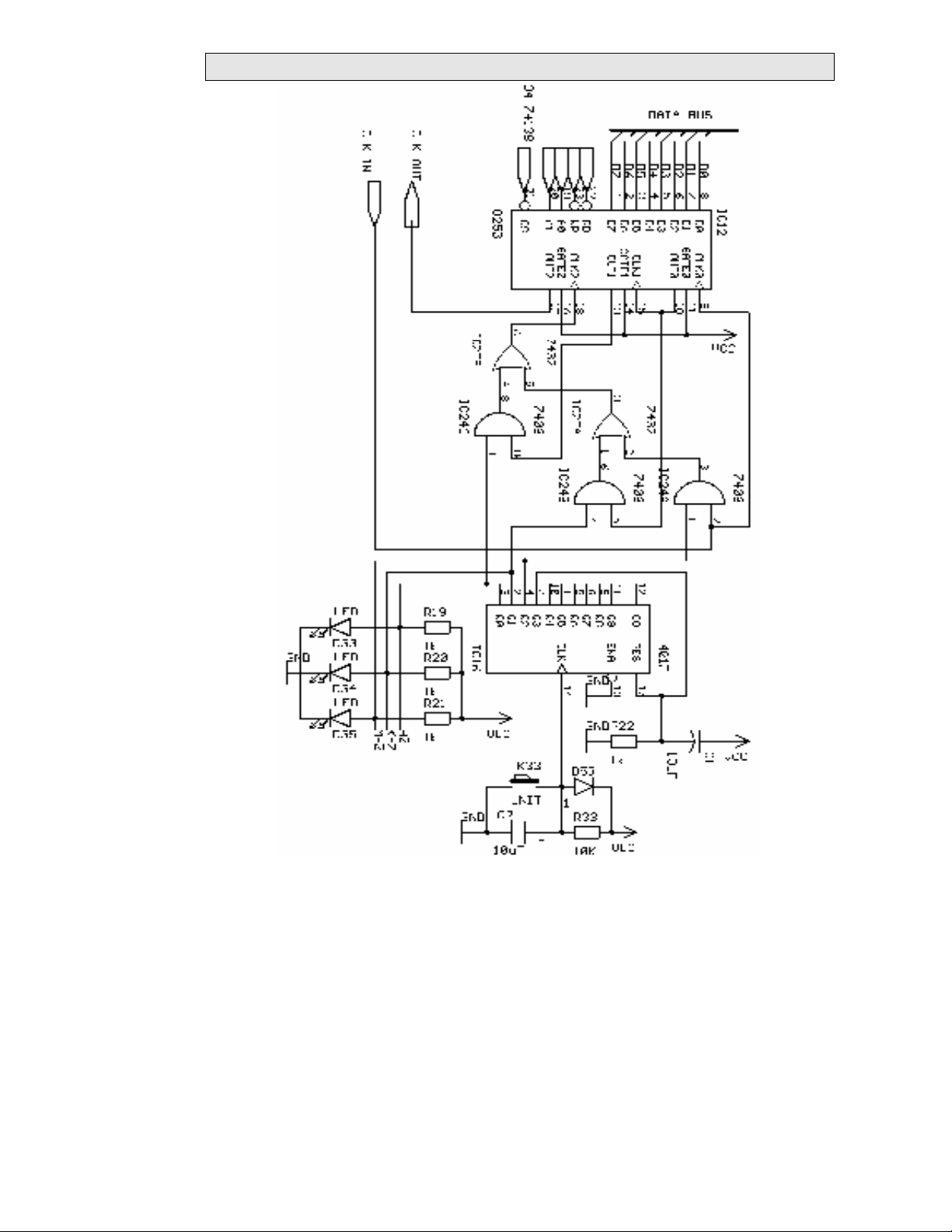
4.4.5.Maïch choïn ñôn vò xung Clock.
Ñeå thöïc hieän vieäc choïn ñôn vò xung Clock laø HZ, KHZ, hoaëc MHZ, ôû
ñaây trong maïch söû duïng vi maïch taïo xung clock ñôn oån 74LS221 vaø vi maïch
4017 ñeå thöïc hieän vieäc choïn treân.

Luaän Vaên Toát Nghieäp Thieát Keá Maùy Thu Phaùt Kyù Töï 8 Bit Trang:50
Hình 4.18. Sô ñoà nguyeân lyù maïch taïo xung clockï
Trong heä thoáng naøy ñeå kieåm tra traïng thaùi tröôùc ñoù cuûa maïch choïn
ñôn vò xung Clock, hoaëc ñang hieän haønh ôû ñôn vò Hz, KHz, hoaëc MHz, trong
maïch duøng vi maïch cho pheùp 74244 ñeå ñoïc traïng thaùi hieän haønh cuûa maïch
choïn xung Clock, ñoàng thôøi baùo leân maøn hình hieån thò ñôn vò taàn soá hieän
haønh ñang ñöôïc choïn.

