
Ch.3:Các phương pháp phân tích mạch.
3.1. Phương pháp dòng nhánh
3.2. Phương pháp điện áp nút. Supernodes.
3.3. Phương pháp dòng điện mắt lưới. Supermeshes
3.4.Mạch có ghép hổ cảm
3.5. Mạch khuếch đại thuật toán (Operational Amplifier)
3.6.Máy biến áp lý tưởng
3.7. Nguyên lý tỉ lệ
3.8. Nguyên lý xếp chồng
3.9. Biến đổi nguồn
3.10. Mạch tương đương Thévenin và Norton
3.11. Công suất truyền cực đại
CuuDuongThanCong.com https://fb.com/tailieudientucntt

3.1.Phương pháp dòng nhánh
Tìm n dòng điện nhánh bằng cách viết hệ n phương trình độc
lập đối với n dòng nhánh gồm:
(d -1) phương trình viết cho (d - 1) nút dùng KCL
(n-d+1) phương trình viết cho (n – d + 1) vòng hoặc mắt lưới.
Giải hệ n phương trình này ta tìm được dòng điện trong các
nhánh . Từ đó suy ra điện áp trên các phần tử…
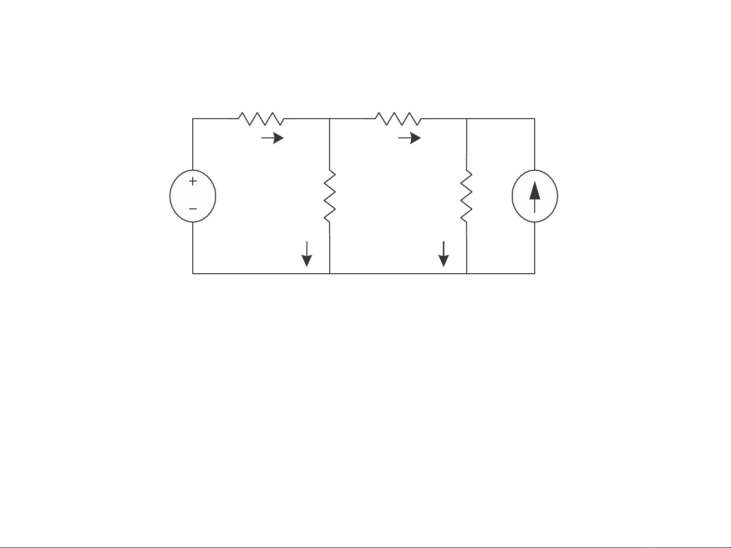
Ví dụ : Tính i1 ; i2 ; i3 ; i4 của mạch như hình trên?
10V 2 mA
1 kΩ2 kΩ
5 kΩ10 kΩ
i1
i2
i3
i4
CuuDuongThanCong.com https://fb.com/tailieudientucntt

3.2.Phương pháp điện áp nút
Gồm các bước như sau:
*Xác định các nút (thiết yếu) của mạch
*Chọn 1 nút trong mạch làm nút gốc (có điện áp bằng không), có
thể chọn 1 nút tùy ý làm nút gốc nhưng thường ta chọn nút có
nhiều nhánh nối tới nhất làm nút gốc (thường là nút ở đáy). Đánh
dấu nút gốc bằng ký hiệu nối mass.
*Đặt tên cho (d-1) nút còn lại . Điện áp tại 1 nút chính là điện áp
của nút đó so với nút gốc.
*Áp dụng KCL đối với (d-1) nút trừ nút gốc ta được (d-1) phương
trình tuyến tính có (d-1) ẩn số là điện áp tại các nút.
*Giải hệ phương trình tuyến tính ta tìm được các điện áp nút. Số
phương trình phải giải ít hơn phương pháp dòng nhánh ( d-1 < n)
*Suy ra các dòng điện trên các nhánh….
CuuDuongThanCong.com https://fb.com/tailieudientucntt

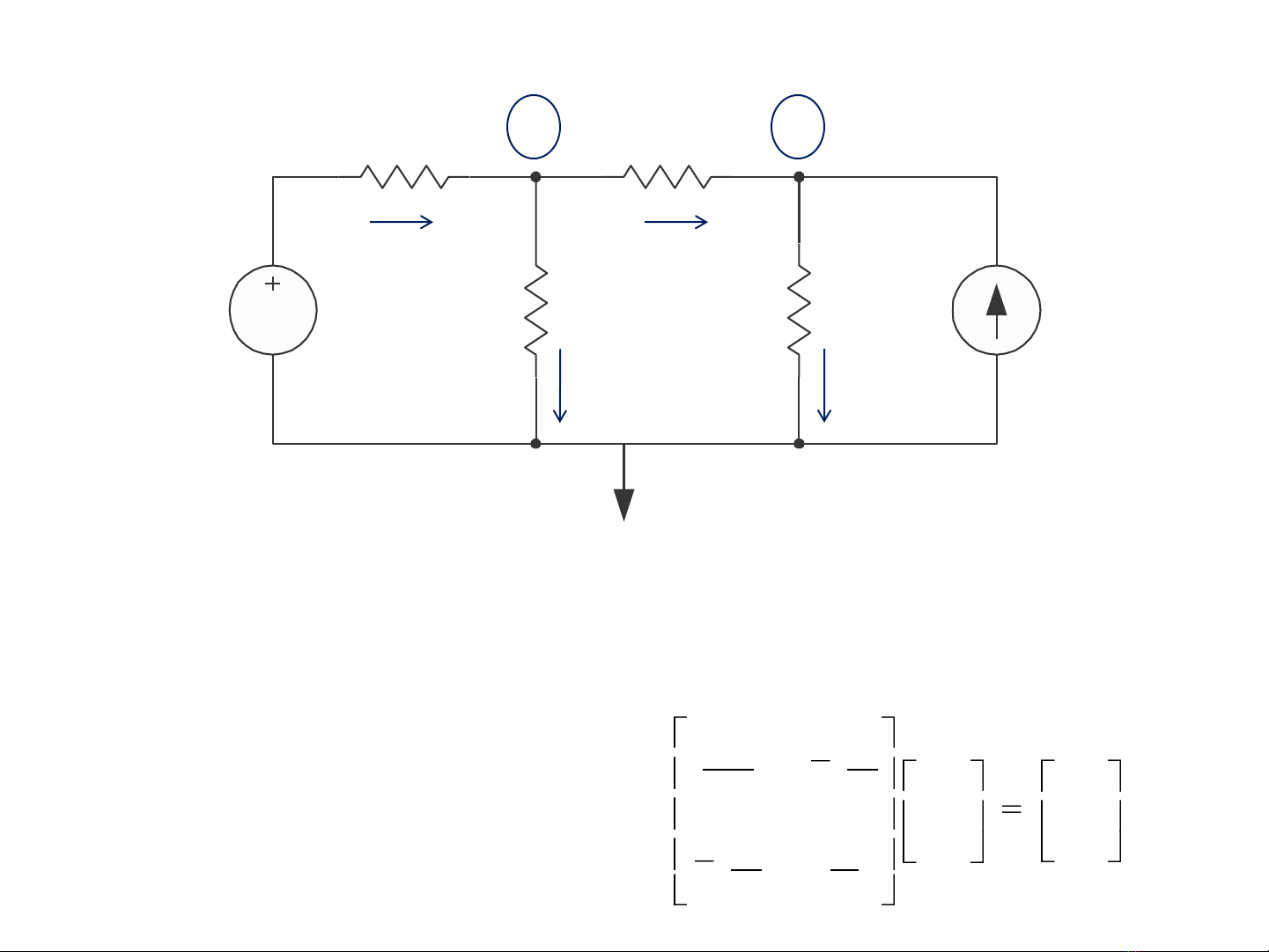
Ví dụ về phương pháp điện áp nút
Tại nút 1: (10 –V1 )/1 - V1 /5 - (V1 -V2)/2 = 0. Hay:
17V1 /10 - V2/2 = 10 . (1)
Tại nút 2: (V1 -V2)/2 –V2 /10 +2 = 0. Hay:
- V1 /2 +3V2 /5 = 2. (2). Hệ phương trình tuyến tính (1) và (2)
viết dưới dạng ma trận:
Từ (1) và (2)→ V1 = 9,09V;
V2 = 10,95V
10V2 mA
1 kΩ2 kΩ
5 kΩ10 kΩ
i1 i3
i2 i4
-
12
2
10
5
3
2
1
2
1
10
17
2
1
V
V
CuuDuongThanCong.com https://fb.com/tailieudientucntt


