
1
HỆTHỐNG THÔNG TIN
VỆTINH
Bmôn Thông tin vô tuyn
ðại học công nghệ - ðHQG HN
Giảng viên Thẩm ðức Phương
Tel. 0903 229 117
E- Mail: phuongthamduc@yahoo.com
1. Cấu hình trạm mặt ñất
2. Các yêu cầu: EIRP của thiết bịphát lên,
G/T của hệthống thu
3. Các thiết bịvô tuyến: Anten và thiết bị ñịnh
hướng búp sóng, bộkhuếch ñại công suất
lớn, ñổi tần lên và xuống
4. Thiết bịtrung tần và băng tần cơ sở: ðiều
chếvà giải ñiều chế, ghép kênh
Chương 9 – Thiết bịtrạm mặt ñất

2
•Trạm mặtñất theo nghĩa rộng ñược hiểu là toàn bộcác
thiết bịñặt trên:
mặtñất
mặt biển
thậm chí trên không (máy bay, khinh khi cầu ...)
có khảnăng liên lạc, trao ñổi thông tin trực tiếp với các vệ
tinh trên quỹñạo.
• Hệthống thông tin liên lạc thường ñược thiết lập giữa vệ
tinh trên quỹñạo với một hoặc nhiều trạm mặtñất trong một
sốtrường hợpñặc biệt có thểñược trung chuyển thông qua
vệtinh khác vềtrung tâm.
Thiết bịtrạm mặt ñất
Thiết bịtrạm mặt ñất

3
Toàn cảnh trung tâm ñiều khiển vệtinh tại Deajeon, Hàn Quốc
TTC (Telemetly; Tracking; Command) là ðo xa; bám và lệnh SOS (Satellite
Operation) là ñiều hành hoạtñộng của vệtinh MAPS (Mission Analysis & Planning)
phân tích yêu cầu nhiệm vụvà lập kếhoạch SIM (Satellite Simlator) hệmô phỏng
Cấu hình trạm mặt ñất
Trạm mặt ñất có thể ñược chia thành các phần sau: thiết bịvô
tuyến (bao gồm anten), thiết bị băng gốc và thiết bị ñiều khiển,
và giao diện người dùng. Ngoài ra các trạm mặt ñất còn có hệ
cung cấp nguồn, ñiều hòa nhiệt ñộ …
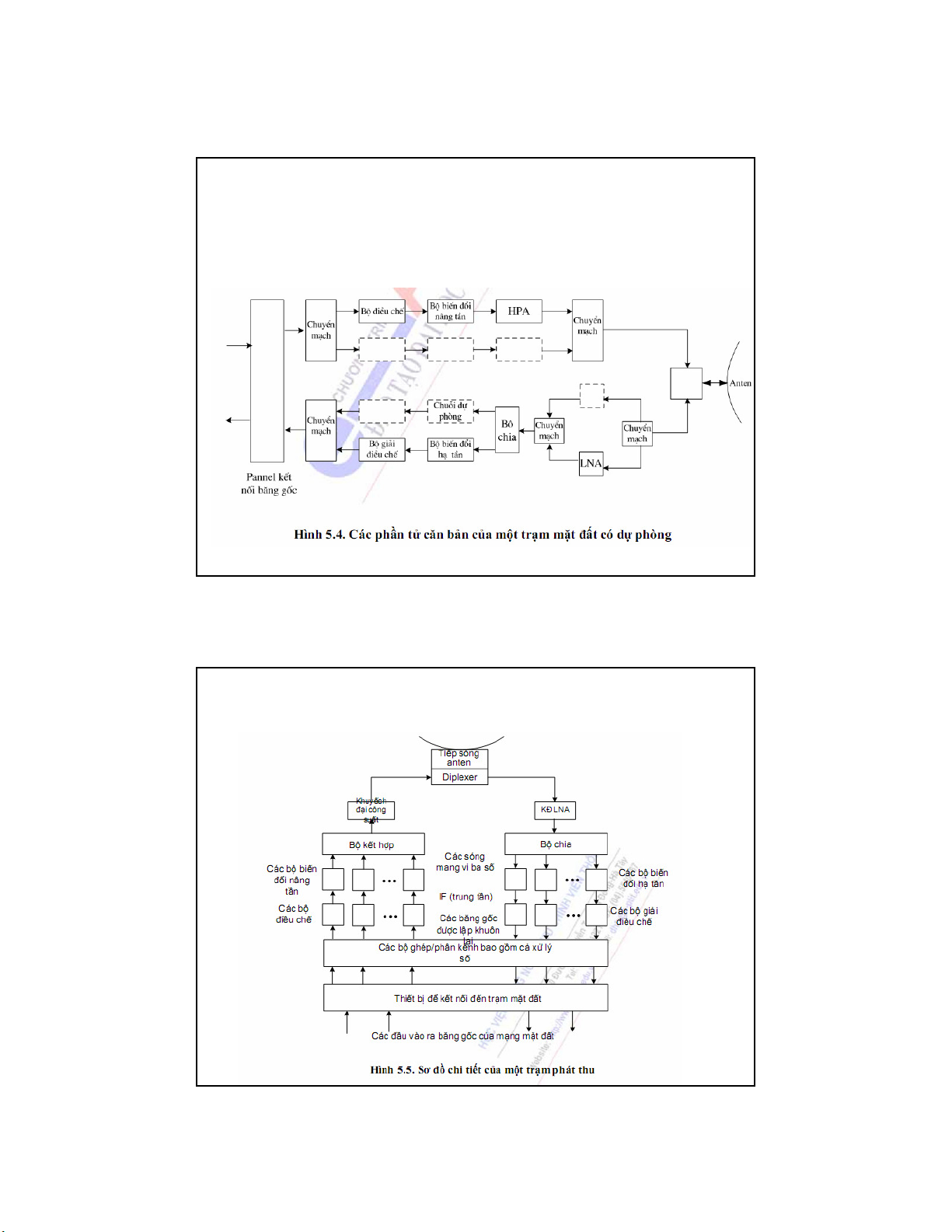
Các thành phần chính của trạm mặt ñất ñược mô tảtrong hình
sau Các thiết bịvô tuyến cung cấp khả năng ghép nối trung tần
IF cho thiết bị băng gốc ñể thực hiện chức năng ñiều chế, giải
ñiều chế, cùng với chức năng xử lý băng gốc và ghép nối với
mạng mặt ñất. Cấu hình cụthểcủa thiết bị băng gốc tùy thuộc
vào phương pháp ñiều chếvà ña truy cập sửdụng. Các phần
tử cơ bản của một trạm mặt ñất có dự phòng ñược cho trên
hình 5.4. Dựphòng có nghĩa một sốkhối ñược nhân ñôi. Một
khối ñược dựphòng kép này khi bịsựcốsẽtự ñộng chuyển
mạch ñến khối dựphòng. Các khối dự phòng ñược vẽtrên hình
5.4 ởdạng ñường ngắt quãng.

4
Cấu hình trạm mặt ñất
Cấu hình trạm mặt ñất

5
EIRP ca thit bphát
EIRP của trạm mặt ñất là giá trịsửdụng cho tuyến lên. Giống
như với EIRP của vệtinh (tuyến xuống), giá trịnày có ñược
bằng cách nhân tăng ích của anten với công suất phát ở ñầu
vào anten. Ngoài ra EIRP còn phải tính ñến tổn hao giữa HPA
và anten. Các trạm mặt ñất thường ñược thiết kế ñể hoạt
ñộng như là tuyến lên có ñộ tin cậy cao và tổn hao do mưa
thấp. Do ñó, ñường biên EIRP vềbản chất lớn hơn so với
tuyến xuống.
ðồng thời giá trịEIRP cũng dùng ñể xác ñịnh ảnh hưởng của
bức xạtới con nguời và các vật thểsống khác. Do ñó các
trạm mặt ñất lớn thường không ñặt ở nơi có mật ñộ dân cao,
và với ứng dụng cụthểthì bức xạcó thểphải ñược giữ ở một
mức thấp (như với ñiện thoại di ñộng)
•G/T ca thit bthu
Cấu hình trạm mặt ñất
Thiết bịkết nối trạm vệtinh mặt ñất với mạng viễn thông mặt ñất. ðể
giải thích ta sẽxét lưu lượng ñiện thoại. Lưu lượng này có thểgồm
nhiều kênh ñiện thoại ñược ghép với nhau theo tần số, hoặc thời
gian. Ghép kênh này có thểkhác với ghép kênh cần thiết ñể truyền
dẫn vệtinh, vì thếkhối tiếp theo là thiết bịghép kênh thực hiện lập
khuôn dạng lại cho lưu lượng. Sau ñó luồng ghép ñược ñiều chế ở
trung tần (IF), thường là 70 MHz. Nhiều tầng trung tần song song
ñược sửdụng cho từng sóng mang ñược phát. Sau khuyếch ñại IF
70 MHz, tín hiệu sau ñiều chế ñược biến ñổi nâng tần ñến tần số
sóng mang cần thiết. Nhiều sóng mang có thể ñược phát cùng một
lúc và mặc dù ñây là các tần sốkhác nhau, các sóng mang ñược ñặc
tảtheo tần số: các sóng mang 6GHz hay các sóng mang 14 GHz.
Cần lưu ý rằng mỗi sóng mang có thể ñược sửdụng cho nhiều ñiểm
nhận. Nghĩa là chúng mang lưu lượng ñến các trạm khác nhau.
Chẳng hạn một sóng mang vi ba có thể mang lưu lượng ñến Boston
và New York. Cùng một sóng mang ñược thu tại hai ñiểm, ñược lọc
ra bởi các bộlọc tại trạm mặt ñất thu.
Cấu hình trạm mặt ñất

