
1
HỆTHỐNG THÔNG TIN
VỆTINH
Bmôn Thông tin vô tuyn
ðại học công nghệ - ðHQG HN
Giảng viên Thẩm ðức Phương
Tel. 0903 229 117
E- Mail: phuongthamduc@yahoo.com
1. Tín hiệu analog
2. Tín hiệu số băng gốc
3. ðiều chếsố FSK, PSK, ñiều chếlai
4. Các phương pháp ña truy cập FDMA,
TDMA, CDMA
Chương 7 – ðiều chếvà ña truy cập

2
Tín hiệu Analog
Tín hiệu Analog

3
Tín hiệu Analog
Tín hiệu số băng gốc

4
Tín hiệu số băng gốc - Modulation
Tín hiệu số băng gốc - Demodulation

5
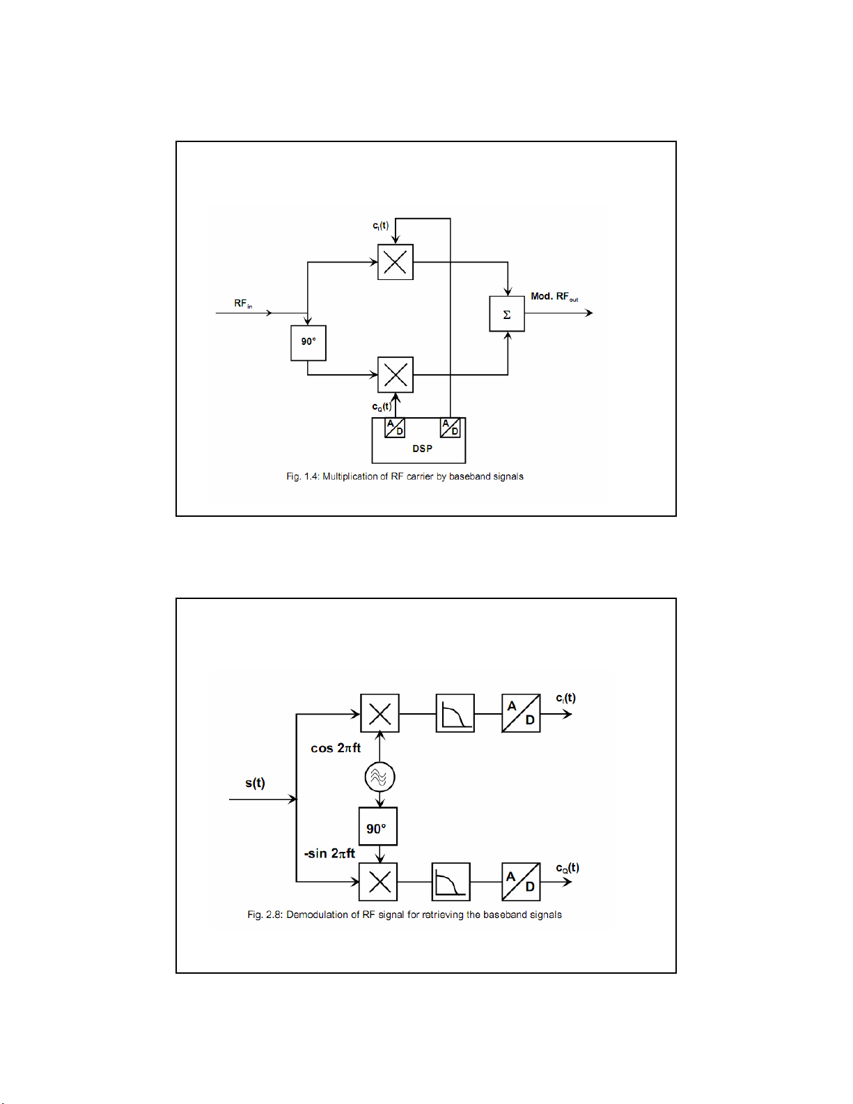
ðiều chếsố
Khái niệm: tín hiệu băng tần gốc ñược biến ñổi thành một tín
hiệu thích ứng với ñường truyền ñể có thểdễdàng ghép kênh
và phát truyền qua vệtinh. Quá trình xửlý biến ñổi tín hiệu bên
phát gọi là “ñiều chế”. Tại ñầu thu, bộbiến ñổi sẽbiến ñổi tín
hiệu thu thành tín hiệu ban ñầu (giải ñiều chế), và sau ñó
truyền ñến nơi nhận. Thông thường, tạp âm gây ra do ñường
truyền dẫn, máy phát, máy thu và bộbiến ñổi làm cho chất
lượng của tín hiệu thu ñược thấp hơn tín hiệu ñã truyền ñi.
Các dạng ñiều chế:
Chất lượng ñiều chế
Một hệthông tin liên lạc cần phảiñược thiết kế ñể ñạtñược
chất lượng yêu cầu với sựgiới hạn của công suất phát và ñộ
rộng băng tần công tác. Khi ñó hiệu suấtñiều chếlà quan
trọng.
Tiêu chuẩn quan trọng nhấtñánh giá chất lượng ñiều chếlà tỉ
sốtín hiệu/tạp âm (S/N ñối vớitín hiệu tương tựvà BER ñối với
tín hiệu số) trong kênh thông tin
S/N (hoặc BER) phụthuộc vào một só yếu tố, quan trọng hơn
cảlà:
– Tỉsốsóng mang/tạp âm C/N của kênh thông tin RF hoặc
của tín hiệu trung tần IF trong máy thu.
– Dạng ñiều chếtín hiệu

