
Bài gi ng môn K thu t s 2ả ỹ ậ ố
Gi ng viên: Nguy n H u Chân Thànhả ễ ữ 1
Ch ng 4ươ
THI T K H TH NG SẾ Ế Ệ Ố Ố

Bài gi ng môn K thu t s 2ả ỹ ậ ố
Gi ng viên: Nguy n H u Chân Thànhả ễ ữ 2
1. GI I THI UỚ Ệ
Trong caùc thiết keá heä thoáng soá, ngöôøi ta thöôøng chia heä
thoáng thaønh 2 phaàn:

Bài gi ng môn K thu t s 2ả ỹ ậ ố
Gi ng viên: Nguy n H u Chân Thànhả ễ ữ 3
1. GI I THI U (tt)Ớ Ệ
Khoái datapath: thöïc hieän caùc hoaït ñoäng xöû lyù döõ
lieäu → caùc maïch toå hôïp, tuaàn töï (thanh ghi).
Khoái control: xaùc ñònh trình töï cuûa caùc hoaït ñoäng →
FSM.
Caùc tín hieäu ñieàu khieån (control signals): kích hoaït caùc
hoaït ñoäng xöû lyù döõ lieäu khaùc nhau.
Caùc tín hieäu traïng thaùi (status signals): moâ taû caùc
traïng thaùi cuûa datapath.
Khoái datapath vaø control cuõng coù theå giao tieáp vôùi
caùc heä thoáng khaùc qua caùc ngoõ data inputs, data
outputs, control inputs vaø control outputs.

Bài gi ng môn K thu t s 2ả ỹ ậ ố
Gi ng viên: Nguy n H u Chân Thànhả ễ ữ 4
2. M T S VÍ D THI T KỘ Ố Ụ Ế Ế
Ví duï 1: Thieát keá heä thoáng ñeám soá bit 1
trong moät soá n-bit
B = 0 ;
while A ≠ 0 do
if a 0 = 1 then
B = B + 1 ;
End if;
Right-shift A ;
End while;
Pseudo-code for the bit counter
Done
B B 1 +
←
B 0
←
s
Load A
a
0
Reset
S3
0
1
0
1
0
1
s
S1
S2
1
0
A 0 = ?
Shift right A
ASM Chart for the pseudo-code

Bài gi ng môn K thu t s 2ả ỹ ậ ố
Gi ng viên: Nguy n H u Chân Thànhả ễ ữ 5
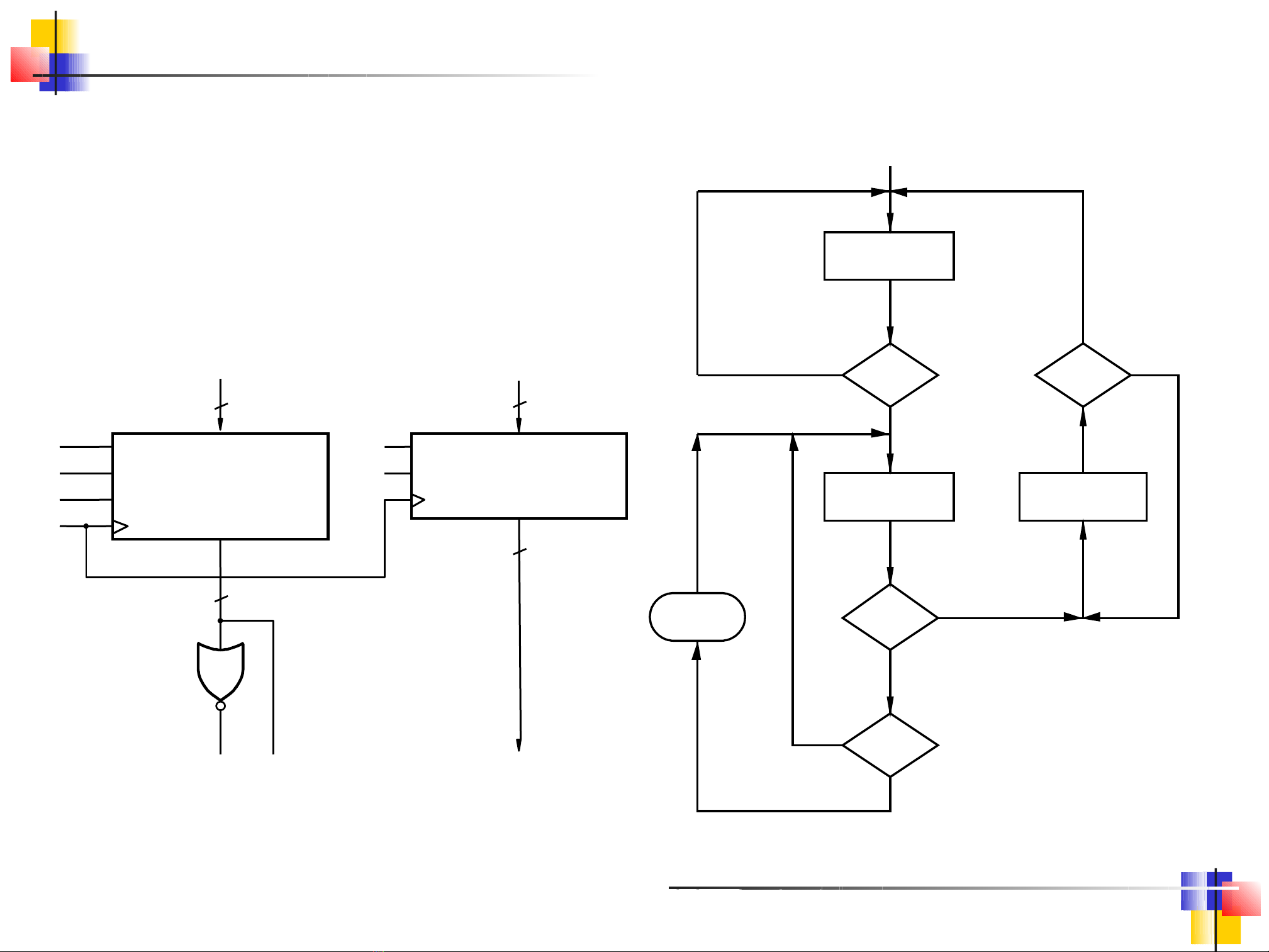
2. M T S VÍ D THI T KỘ Ố Ụ Ế Ế
Ví duï 1 (tt):
L
E Counter
si
L
E Shift
LB
EB
LA
EA
0
Clock
0
B z a
0
Data
n
A
n
log
2
n
log
2
n
Datapath for the ASM chart ASM chart for the bit counter control circuit
EA
EB z
LB
s
a
0
Reset
S3
0
1
0
1
0
1
s
S2
S1
0
1
Done

