Giới thiệu tài liệu
Trong kỷ nguyên công nghệ hiện đại, mạch điện đóng vai trò nền tảng trong mọi hệ thống điện và điện tử. Việc nắm vững những khái niệm cơ bản về mạch điện là cực kỳ thiết yếu cho bất kỳ ai hoạt động trong lĩnh vực kỹ thuật. Chương này nhằm mục đích giới thiệu một cách có hệ thống về các định nghĩa quan trọng, từ cấu trúc của mạch điện đến các đại lượng vật lý cơ bản như dòng điện, điện áp, công suất và năng lượng. Bằng cách thiết lập nền tảng vững chắc này, người học sẽ có đủ kiến thức để tiếp cận các phân tích mạch phức tạp hơn trong tương lai, từ đó đóng góp vào sự phát triển của công nghệ.
Đối tượng sử dụng
Sinh viên ngành Kỹ thuật Điện, Điện tử, Tự động hóa; kỹ sư và kỹ thuật viên cần ôn tập kiến thức nền tảng về mạch điện; và những người học muốn tìm hiểu cơ bản về điện.
Nội dung tóm tắt
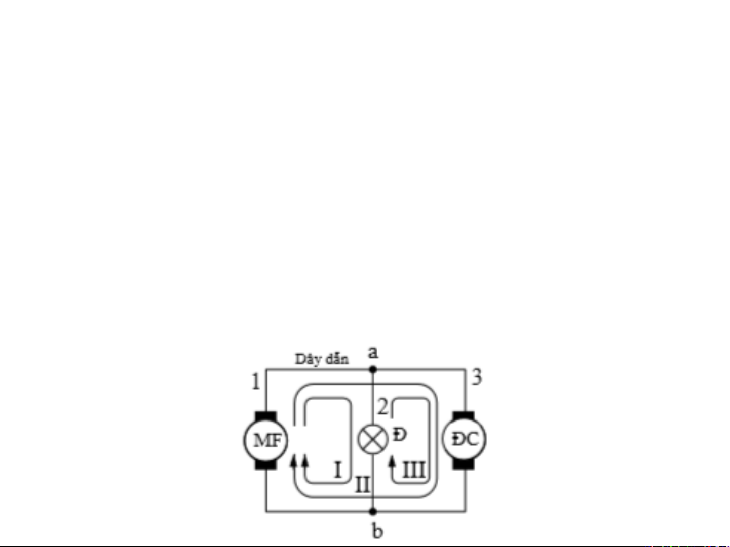
Chương này cung cấp một cái nhìn toàn diện về các khái niệm cơ bản của mạch điện, làm nền tảng cho việc phân tích và thiết kế hệ thống điện. Phần đầu tiên định nghĩa mạch điện như một hệ thống gồm các thiết bị điện và điện tử ghép nối, nơi diễn ra quá trình truyền tải và biến đổi năng lượng hoặc tín hiệu điện. Các phần tử cấu trúc của mạch như nhánh, nút và vòng, mắc lưới được giải thích chi tiết cùng với các ví dụ minh họa, giúp người đọc dễ dàng hình dung cấu tạo của một mạch điện. Tiếp theo, chương làm rõ các đại lượng vật lý cốt lõi là dòng điện và điện áp, trình bày định nghĩa, đơn vị đo, và phân biệt giữa dòng điện một chiều (DC) và xoay chiều (AC), cũng như quy ước về chiều. Khái niệm công suất và năng lượng được giới thiệu, bao gồm công suất tức thời và định luật bảo toàn năng lượng, làm nổi bật tầm quan trọng của sự cân bằng công suất trong mạch. Đặc biệt, chương đi sâu vào các phần tử của mạch điện, bao gồm các phần tử thụ động như điện trở, điện cảm (cuộn cảm) và điện dung (tụ điện), mô tả đặc tính, ký hiệu, đơn vị và mối quan hệ về công suất, năng lượng của chúng. Đồng thời, các loại nguồn điện được phân loại thành nguồn độc lập (áp và dòng) và nguồn phụ thuộc (VCVS, CCVS), vốn là yếu tố quan trọng trong mô hình hóa mạch. Cách tiếp cận này đảm bảo người học không chỉ hiểu rõ lý thuyết mà còn có thể áp dụng vào việc giải quyết các bài toán mạch cơ bản, từ đó tạo nền tảng vững chắc cho các môn học chuyên sâu hơn trong kỹ thuật điện và điện tử.