
Lớp Kỹ Thuật Hàng Không K55. 1
MỤC LỤC
MỤC LỤC .............................................................................................................. 1
DANH MỤC CÁC BẢNG, SƠ ĐỒ, HÌNH ........................................................... 2
Lời mở đầu. ............................................................................................................ 3
Chương 1: Cơ sở lý thuyết .................................................................................... 4
1.1 Bài toán cụ thể. ............................................................................................. 4
1.1.1 Thông số đầu vào. .................................................................................... 4
1.1.2 Thông số đầu ra. ....................................................................................... 4
1.1.3 Hình vẽ có tiêu đề và đánh số đầy đủ. ...................................................... 4
1.2 Cơ sở tính toán ............................................................................................. 5
1.2.1 Các giả thiết sử dụng : .............................................................................. 5
1.2.2 Các bước tính toán ................................................................................... 5
1.2.3 Các công thức sử dụng ............................................................................. 6
Chương 2: Xây dựng chương trình tính và kết quả ............................................. 9
2.1 Sơ đồ thuật toán ........................................................................................... 9
2.2 Kết quả của chương trình .......................................................................... 10
2.2.1. Áp dụng chương trình cho một bài toán cụ thể ...................................... 10
2.2.2 Các kết quả phương trình tính đưa ra ...................................................... 10
2.2.3. Đồ thị kết quả ........................................................................................ 11
2.3 Khảo sát ảnh hưởng của một vài thông số đầu vào đối với kết quả bài
toán ................................................................................................................... 11
2.3.1. Bài toán 1 .............................................................................................. 11
2.3.2 Bài toán 2 ............................................................................................... 12
2.3.3 Bài toán 3 ............................................................................................... 13
2.3.4 Nhận xét ảnh hưởng của các thông số..................................................... 14
KẾT LUẬN .......................................................................................................... 15
1. Các kết quả thu được ................................................................................... 15
2. Khó khăn và kiến nghị ................................................................................. 15
PHỤ LỤC : CODE CHƯƠNG TRÌNH TÍNH TOÁN ....................................... 16
TÀI LIỆU THAM KHẢO ................................................................................... 22

Lớp Kỹ Thuật Hàng Không K55. 2
DANH MỤC CÁC BẢNG, SƠ ĐỒ, HÌNH
BẢNG 1. 1 ỨNG SUẤT PHÁP TUYẾN σZ ................................................................................................ 6
BẢNG 1. 2 KẾT QUẢ TÍNH TOÁN ỨNG SUẤT CẮT .............................................................................. 8
……………………………………………………………………………………………………………………………………………………………………
BẢNG 2. 1 KẾT QUẢ TÍNH TOÁN BÀI TOÁN MẪU .............................................................................10
BẢNG 2. 2 KẾT QUẢ TÍNH TOÁN BÀI TOÁN MẪU .............................................................................10
BẢNG 2. 3 KẾT QUẢ TÍNH TOÁN BÀI TOÁN 1 ....................................................................................12
BẢNG 2. 4 KẾT QUẢ TÍNH TOÁN BÀI TOÁN 1 ....................................................................................12
BẢNG 2. 5 KẾT QUẢ TÍNH TOÁN BÀI TOÁN 2 ....................................................................................13
BẢNG 2. 6 KẾT QUẢ TÍNH TOÁN BÀI TOÁN 2 ....................................................................................13
BẢNG 2. 7 KẾT QUẢ TÍNH TOÁN BÀI TOÁN 3 ....................................................................................14
BẢNG 2. 8 KẾT QUẢ TÍNH TOÁN BÀI TOÁN 3 ....................................................................................14
……………………………………………………………………………………………………………………………………………………………………
SƠ ĐỒ 2. 1 SƠ ĐỒ THUẬT TOÁN............................................................................................................ 9
……………………………………………………………………………………………………………………………………………………………………
HÌNH 1. 1 THÂN MÁY BAY CHỊU LỰC CẮT VÀ UỐN .......................................................................... 5
HÌNH 1. 2 PHÂN CHIA DIÊN TÍCH THÂN .............................................................................................. 7
……………………………………………………………………………………………………………………………………………………………………
HÌNH 2. 1 ĐỒ THỊ PHÂN BỐ ỨNG SUẤT QS .........................................................................................11

Lớp Kỹ Thuật Hàng Không K55. 3
Lời mở đầu.
Mỗi khi hoa phượng nở đỏ khắp sân trường thì một mùa thi nữa lại về, mùa thi
cũng là lúc mà học sinh sinh viên luôn tấp nập để hoàn thành nốt công việc học tập
của mình. Với những kỹ sư hàng không tương lai cũng thế, đó cũng là lúc họ phải
hoàn thành những bài tập lớn, những báo cáo cho môn học của riêng mình. Đến với
môn kết cấu máy bay, đây môn học tối quan trong với bất kỳ kỹ sư hàng không nào.
Cảm ơn thầy giáo: TS. Vũ Quốc Huy đã hướng dẫn tận tình cho chúng em, để
chúng em có thể hoàn thành tốt nhất trong môn học này. Cũng như những kiến thức
mà môn học mang lại.

4
Chương 1: Cơ sở lý thuyết
1.1 Bài toán cụ thể.
1.1.1 Thông số đầu vào.
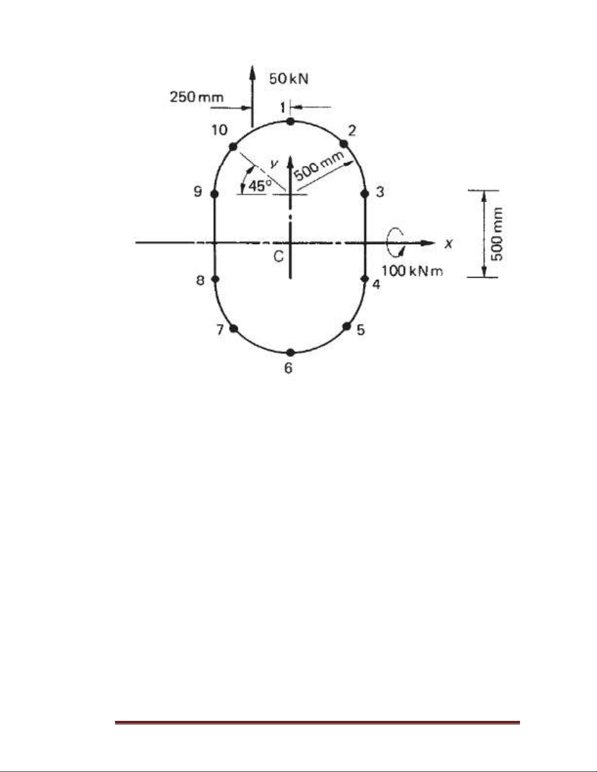
- Tiết diện đối xứng theo 2 trục
- Bán kính cung tròn : R1 = 500 (mm)
- Khoảng cách giữa 2 cung tròn : d1 = 500 (mm)
- Số lượng boom trên một cung tròn : 5 (7,9,11….)
- Tiết diện các gân tăng cứng ( các boom ) bằng nhau và bằng B1 = 150(mm2)
- Tiết diện chịu lực cắt theo phương y : Sy = 50 (kN)
Điểm đặt lực cách tâm C một khoảng r = 250 (mm)
- Moomen uốn quanh trục x : Mx = 100 (kNm)
1.1.2 Thông số đầu ra.
- Ứng suất pháp tuyến trên các gân tăng cứng σz
- Phân bố ứng suất cắt trên vỏ qs
1.1.3 Hình vẽ có tiêu đề và đánh số đầy đủ.

Chương 1 : Cơ sở lý thuyết
Lớp Kỹ Thuật Hàng Không K55. 5
Hình 1. 1 Thân máy bay chịu lực cắt và uốn
1.2 Cơ sở tính toán :
1.2.1 Các giả thiết sử dụng :
- Phương pháp lý tưởng hóa kết cấu được trình bày trong chương 20 tài liệu
kết cấu máy bay.
- Phương pháp tính chi tiết cho phần thân được trình bày trong chương 22 tài
liệu kết cấu máy bay.
1.2.2 Các bước tính toán
- Tính vị trí các gân tăng cứng
- Tính mô men quán tính Ixx
- Xác định giá trị ứng suất pháp tuyến σz
- Tính ứng suất qb
- Tính diện tích các phần thân

