
BÀI T P T H CẬ Ự Ọ ĐI U KHI N KHÍ NÉN & TH Y L CỀ Ể Ủ Ự
B GIÁO D C VÀ ĐÀO T OỘ Ụ Ạ
TR NG Đ I H C L C H NGƯỜ Ạ Ọ Ạ Ồ
KHOA C ĐI NƠ Ệ
BÀI T P T H CẬ Ự Ọ
TH C T P ĐI U KHI N KHÍ NÉNỰ Ậ Ề Ể
VÀ TH Y L CỦ Ự
GVHD: Th y LÊ PH NG LONGầ ƯƠ
SVTH: Đ NG XUÂN VINHẶ
Biên hòa tháng 5/2011
trang 1

BÀI T P T H CẬ Ự Ọ ĐI U KHI N KHÍ NÉN & TH Y L CỀ Ể Ủ Ự
BÀI 3
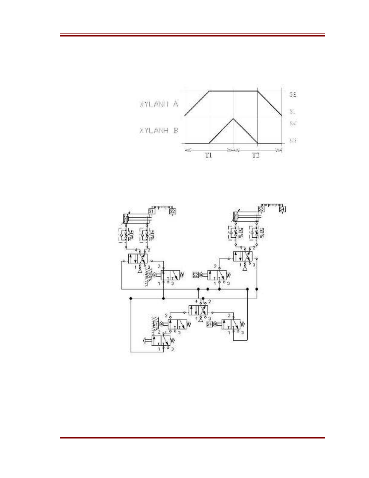
Thi t k m ch đi n b ng khí nén thu n túy ho t đ ng nh sau: A+, B+, A-, B-.ế ế ạ ệ ằ ầ ạ ộ ư
T1= S1 ^ T2 ^ START
T2=T1 ^ S4
A+=T1
B+=T1 ^ S2
B-=T2
A-=T3 ^ S2
Hình 1.1- Bi u đ tr ng thái 2 xylanh A, Bể ồ ạ
Hình 1.2- S đơ ồ m chạ
đi u khi n b ng khí nén thu n túyề ể ằ ầ
trang 2

BÀI T P T H CẬ Ự Ọ ĐI U KHI N KHÍ NÉN & TH Y L CỀ Ể Ủ Ự
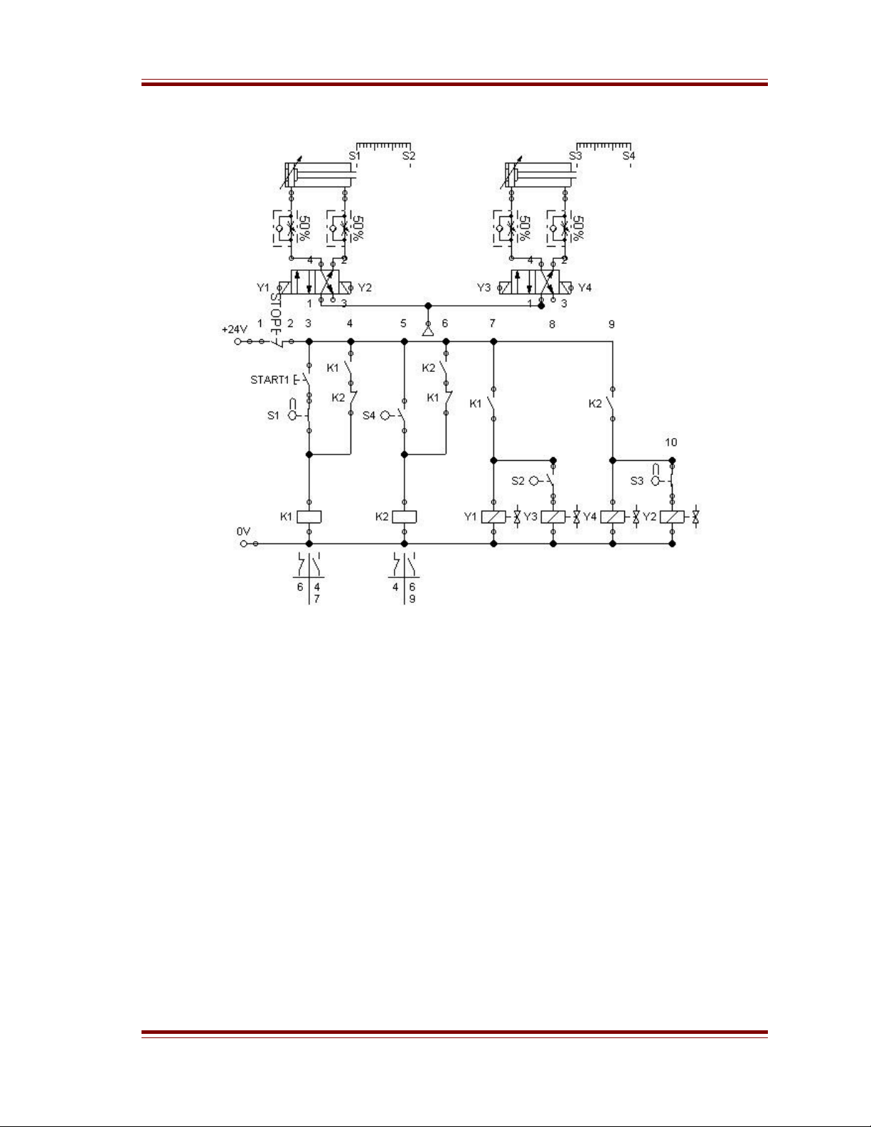
Hình 1.3- S đ m ch đi u khi n b ng van 1 coilơ ồ ạ ề ể ằ
Hình 1.4- S đ m ch đi u khi n b ng van 2 coil theo t ng chính t cơ ồ ạ ề ể ằ ầ ắ
trang 3

BÀI T P T H CẬ Ự Ọ ĐI U KHI N KHÍ NÉN & TH Y L CỀ Ể Ủ Ự
Hình 1.5- S đ m ch đi u khi n b ng van 2 coil theo t ng không chính t cơ ồ ạ ề ể ằ ầ ắ
trang 4

BÀI T P T H CẬ Ự Ọ ĐI U KHI N KHÍ NÉN & TH Y L CỀ Ể Ủ Ự
BÀI 4
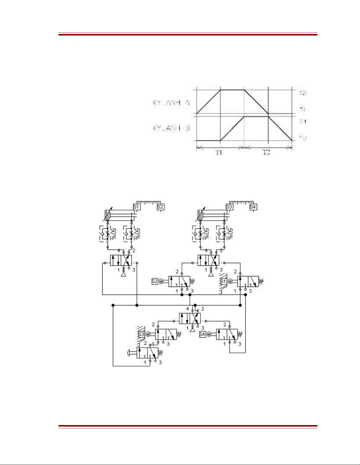
Thi t k m ch đi n ế ế ạ ệ b ng khí nén thu n túy ho t đ ng nh sau: A+, B+, A-, B-.ằ ầ ạ ộ ư
T1=S3 ^ START ^ T2
T2=T1 ^ S4
A+=T1
B+=T1 ^ S2
A-=T2
B-=S1 ^ T2
Hình 1.6- Bi u đ tr ng thái 2 xylanh A, Bể ồ ạ
Hình 1.7- S đ m ch đi u khi n b ng khí nén thu n túyơ ồ ạ ề ể ằ ầ
trang 5

