
B đi u khi n nhi t đ t đ ngộ ề ể ệ ộ ự ộ
Đ th c hi n vi c đi u khi n nhi t đ trong m t ph mể ự ệ ệ ề ể ệ ộ ộ ạ
vi nh t đ nh tôi đã thi t k ra m t m ch đi n t ng đ iấ ị ế ế ộ ạ ệ ươ ố
đ n gi n và th c d ng. Toàn b m ch đi n ch g m trênơ ả ự ụ ộ ạ ệ ỉ ồ
50 linh ki n, giá thành th p và thích h p v i vi c đi uệ ấ ợ ớ ệ ề
khi n nhi t đ c đ nh nh ng n i có nh ng yêu c uể ệ ộ ố ị ở ữ ơ ữ ầ
nh t đ nh trong phòng. Nó có th làm nhi t đ trongấ ị ể ệ ộ
phòng đ c đi u ch nh t đ ng trong m t ph m vi nh tượ ề ỉ ự ộ ộ ạ ấ
đ nh.ị
NGUYÊN LÝ LÀM VI CỆ
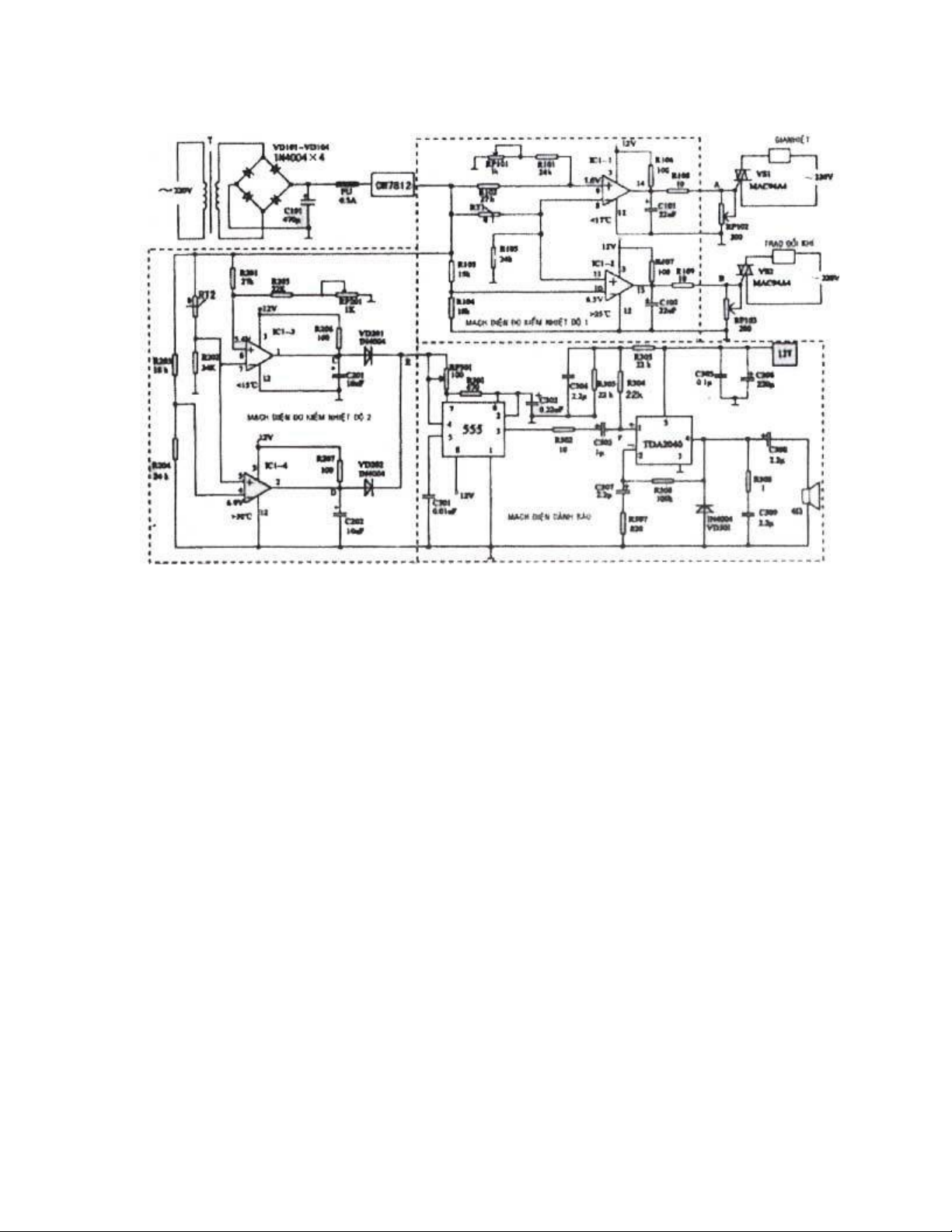
Toàn b m ch đi n có nguyên lý nh trình bày hình:ộ ạ ệ ư ở
M ch đi n ngu n đi nạ ệ ồ ệ
L i đi n 220V s qua bi n áp ch nh l u và nh n đ c m t đi n áp m t chi u 12V.ướ ệ ẽ ế ỉ ư ậ ượ ộ ệ ộ ề
Đi n áp này m t b ph n s đ a t i m ch đi n đo ki m nhi t đ , m t ph n s làệ ộ ộ ậ ẽ ư ớ ạ ệ ể ệ ộ ộ ầ ẽ
đi n áp c p đi n cho m ch đi n tích h p N555, LM339, TDA2040. ệ ấ ệ ạ ệ ợ
M ch đi n đo ki m nhi t đạ ệ ể ệ ộ
M ch đi n này l i d ng đi n tr nh y nhi t trong các môi tr ng nhi t đ khácạ ệ ợ ụ ệ ở ạ ệ ở ườ ệ ộ
nhau có đ c tính tr s đi n tr khác nhau. Khi đi n tr nh y nhi t đ t vài đi mặ ị ố ệ ở ệ ở ạ ệ ặ ở ể
quan tr ng trong phòng nh là 4 góc t ng, gi a, c nh c a. Khi nhi t đ bên ngoàiọ ư ườ ở ữ ạ ử ệ ộ ở
bi n đ i v t quá ph m vi quy đ nh, m ch đi n đ ng tác, th c hi n đi u khi n nhi tế ổ ượ ạ ị ạ ệ ộ ự ệ ề ể ệ
đ . ICI là b so sánh đi n áp ghép 3 có th làm vi c v i ngu n đi n đ n. RP1, RP2 đãộ ộ ệ ể ệ ớ ồ ệ ơ
s d ng hai đi n tr nh y nhi t n i n i ti p đ nh n đ c s bi n đ i tr s đi n trử ụ ệ ở ạ ệ ố ố ế ể ậ ượ ự ế ổ ị ố ệ ở
t ng đ i l n, th c hi n vi c sai l ch tr s đi n áp l n h n. trong m ch đi n đoươ ố ớ ự ệ ệ ệ ị ố ệ ớ ơ Ở ạ ệ
ki m nhi t đ 1, đi n áp l y t R105 l n l t đ a vào hai b so sánh và so sánh v iể ệ ộ ệ ấ ừ ầ ượ ư ộ ớ
đi n áp tiêu chu n. trong IC1-1 đi n áp chu n U+ ="5.6V," khi nhi t đ l n h n 17ệ ẩ Ở ệ ẩ ệ ộ ớ ơ
đ C, b so sánh ICộ ộ 1-1 đ a ra m c đi n th p. Khi nhi t đ gi m th p t i 17 đ C, U-ư ứ ệ ấ ệ ộ ả ấ ớ ộ

nh h n 5.6V ICỏ ơ 1-1 phát sinh ra s nh y bi n đ a ra m t m c đi n cao, th c hi n giaự ả ế ư ộ ứ ệ ự ệ
nhi t. Đi n áp g c chu n trong ICệ ệ ố ẩ 1-2 U- ="6.5V" khi nhi t đ th p h n 25 đ C lúc đóệ ộ ấ ơ ộ
U+ l n h n 6.5V, ICớ ơ 1-2 phát sinh vi c nh y bi n đ a ra m c đi n cao, m ch đi n traoệ ả ế ư ứ ệ ạ ệ
đ i không khí làm vi c. Đi n tr R106, R107 là đi n tr kéo lên, đi u ch nh tr s đi nổ ệ ệ ở ệ ở ề ỉ ị ố ệ
tr c a chúng có th thay đ i đ c tr s đi n áp c a hai đi m A, B. ở ủ ể ổ ượ ị ố ệ ủ ể
M ch đi n đo ki m nhi t đ 2 có nguyên lý làm vi c gi ng nh m ch đi n đo ki mạ ệ ể ệ ộ ệ ố ư ạ ệ ể
nhi t đ 1, tr s đi n áp tiêu chu n nh trình bày s đ . ệ ộ ị ố ệ ẩ ư ở ơ ồ
M ch đi n gia nhi t và thay đ i không khíạ ệ ệ ổ
Khi nhi t đ trong ph m vi t 17 đ C đ n 25 đ C, m ch đi n gia nhi t và trao đ iệ ộ ạ ừ ộ ế ộ ạ ệ ệ ổ
không khí làm vi c. Khi nhi t đ th p h n ho c cao h n tr s quy đ nh nh v y,ệ ệ ộ ấ ơ ặ ơ ị ố ị ư ậ
m ch đi n s đ ng tác. Đi u ch nh RP101 có th đi u ch nh thô nhi t đ nh y bi nạ ệ ẽ ộ ề ỉ ể ề ỉ ệ ộ ả ế
gia nhi t. Trang b gia nhi t có th dùng các th m nhi t ki u treo t ng ho c là b pệ ị ệ ể ả ệ ể ườ ặ ế
đi n, trang b trao đ i khí có th ch n dùng qu t th i khí. ệ ị ổ ể ọ ạ ổ
M ch đi n c nh báo nhi t đạ ệ ả ệ ộ
A B C D E F
(18oC)4.6V (30oC)4.4V 11.2V(14oC) 10.7V(33oC) 11V 6.5V
Ghi chú: 1. Dùng nhi t đ c a n c; 2. Tham s là do trên t m m ch ráp th (boardệ ộ ủ ướ ố ấ ạ ử
bánh mì), hàn thành hình cu i cùng.ố
M ch đi n c nh báo nhi t đ ch y u do m t m ch đi n c ng HO C, b phát sinhạ ệ ả ệ ộ ủ ế ộ ạ ệ ổ Ặ ộ
t n s 555, m ch đi n khu ch đ i công su t t o thành. Nguyên lý làm vi c c a nóầ ố ạ ệ ế ạ ấ ạ ệ ủ
nh sau: VD201, VD202 t o thành ra m t m ch đi n c ng HO C khi nhi t đ v tư ạ ộ ạ ệ ổ Ặ ệ ộ ượ
quá 30 đ C, ho c th p h n 15 đ C thì m ch đi n đo ki m nhi t đ s đ a ra m t tínộ ặ ấ ơ ộ ạ ệ ể ệ ộ ẽ ư ộ
hi u nh y bi n t i m ch đi n c ng HO C đi m E đ a ra m t đi n áp ch ng 11V.ệ ả ế ớ ạ ệ ổ Ặ ở ể ư ộ ệ ừ
Đi n áp này s qua RP301 s n p đi n đ i v i C302. Khi đi n th tăng lên t i ch ngệ ẽ ẽ ạ ệ ố ớ ệ ế ớ ừ
2/3VCC, IC ph c v . Chân 3 đ a ra m c đi n th p, đ ng th i bóng phóng đi n n mụ ị ư ứ ệ ấ ồ ờ ệ ằ
bên trong s n i thông v i chân 1, t đi n C302 thông qua R301 phóng đi n t i chân 7,ẽ ố ớ ụ ệ ệ ớ
đi n th Vệ ế C302 gi m xu ng, khi Vả ố C302 gi m xu ng t i 1/3VCC, chân 3 đ a ra m c đi nả ố ớ ư ứ ệ
cao, bóng phóng đi n ng t, k t thúc vi c phóng đi n. Sau đó l i b t đ u n p đi n,ệ ắ ế ệ ệ ạ ắ ầ ạ ệ
phóng đi n và hình thành dao đ ng. Th i gian c n thi t cho vi c phóng đi n (m cệ ộ ờ ầ ế ệ ệ ứ
đi n th p) là Tp1 = 0.7xR301xC302. Th i gian c n thi t cho vi c n p (đi n m c cao)ệ ấ ờ ầ ế ệ ạ ệ ứ
là Tp2 = 0.7(2R301+RP301)C302. T s chi m tr ng chân 3 đ a ra m c đi n caoỷ ố ế ố ư ứ ệ
quy t đ nh âm đi u c a loa, khi t n s 3~10KHz âm thanh ra t ng đ i m nh.ế ị ệ ủ ầ ố ươ ố ạ
TDA2040 là b khu ch đ i công su t b ng m ch tích h p. R306, R307 t o thành ph nộ ế ạ ấ ằ ạ ợ ạ ả
h i âm xoay chi u. C308 là t đi n đ a ra, dung l ng nói chung ch n t ng đ i l n. ồ ề ụ ệ ư ượ ọ ươ ố ớ

M ch đi n này k t c u đ n gi n, d đi u ch nh, tính th c d ng t ng đ i cao. ạ ệ ế ấ ơ ả ễ ề ỉ ự ụ ươ ố Ở
tr ng thái làm vi c, s li u các đi m làm vi c đo th c t nh sau: ạ ệ ố ệ ể ệ ự ế ư
L A CH N LINH KI NỰ Ọ Ệ
Chip n áp CW7812 12V đ u ra: 12V, đ u vào: 14~35V. ổ ầ ầ
SCR hai chi u MAC94A4, dòng đi n kích: 2~50mA, đi n áp kích: 3V, dòng đi n duyề ệ ệ ệ
trì 5mA.
LM339 (hình ph IC1) b so sánh đi n áp, ngu n đi n đ n 2~36V, dòng đi n thiên trụ ộ ệ ồ ệ ơ ệ ị
25mA.
Đi n tr nh y nhi t MFD-502-333, v b c thu tinh, B = 3380, Rệ ở ạ ệ ỏ ọ ỷ 25đ Cộ = 10kohm.
THI T B ĐI U KHI N T Đ NG NÀY R T D M R NG.Ế Ị Ề Ể Ự Ộ Ấ Ễ Ở Ộ
1. M ch đi n l u tr nhi t năngạ ệ ư ữ ệ
Có th dùng thi t b chuy n đ i năng l ng m t tr i chuy n hoá thành đi n năng l uể ế ị ể ổ ượ ặ ờ ể ệ ư
tr . Ban đêm khi nhi t đ quá th p, s th c hi n nh ch c năng gia nhi t nh nói trên.ữ ệ ộ ấ ẽ ự ệ ư ứ ệ ư
2. Ch c năng c nh báo c ly xaứ ả ự

Có th m r ng v i ch c năng c nh báo c ly xa. Thi t b c nh báo do m t máy phátể ở ộ ớ ứ ả ự ế ị ả ộ
và máy thu t o thành. Khi bình th ng máy thu có th làm r t nh đ ti n mang theoạ ườ ể ấ ỏ ể ệ
ng i. Trong ph m vi 1 Km có th ti p thu đ c tín hi u t máy phát đ ng th i máyườ ạ ể ế ượ ệ ừ ồ ớ
thu s phát ra âm thanh c nh báo. ẽ ả

