Mạng xã hội chia sẻ tài liệu
Upload
Đăng nhập
Nâng cấp VIP
Trang chủ
»
Kỹ Thuật - Công Nghệ
»
Kỹ thuật ô tô – Động lực
4 trang
268 lượt xem
43
0
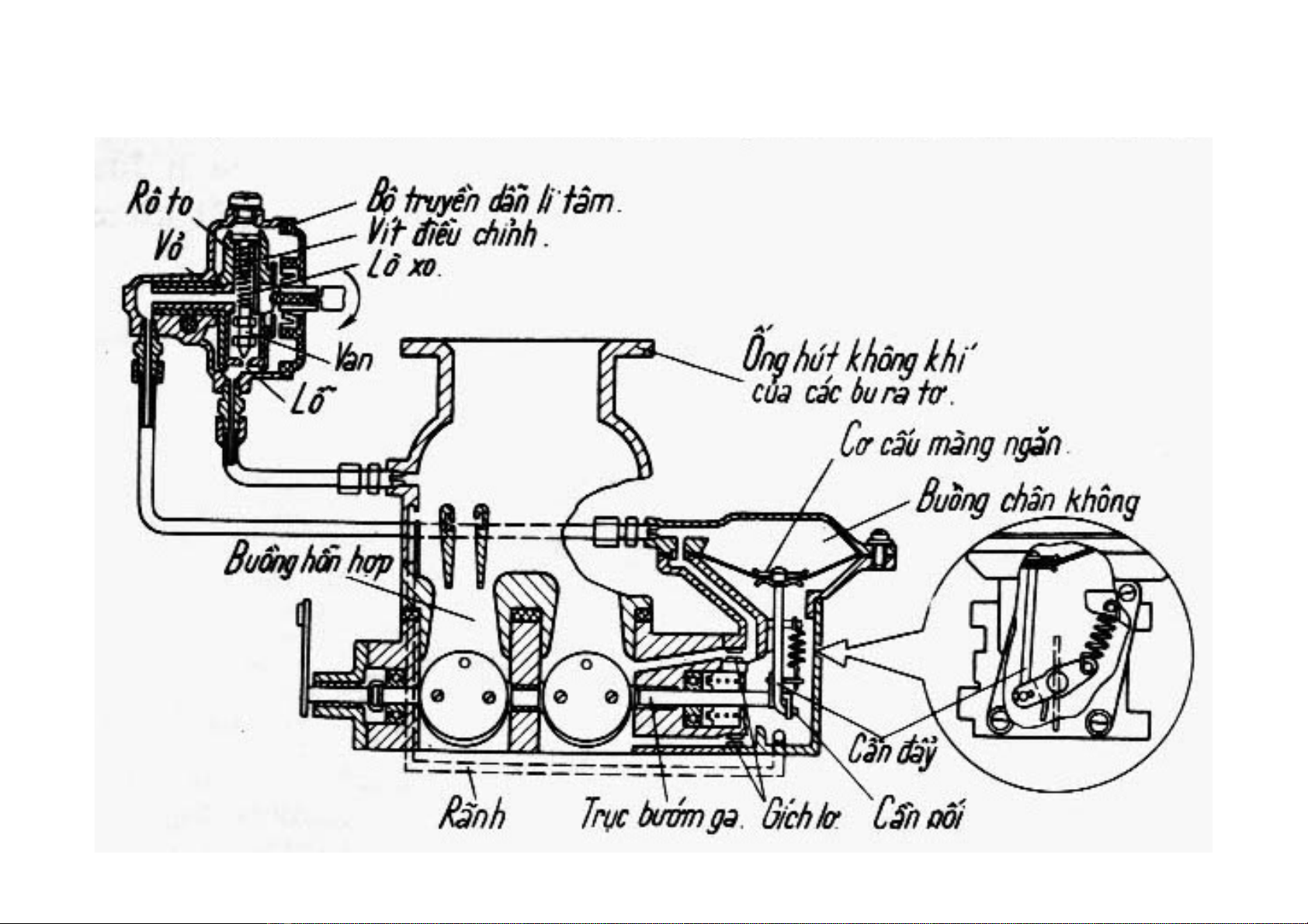
Cơ cấu hạn chế tốc độ tối đa
Tài liệu tham khảo chuyên đề hệ thống nhiên liệu xe ô tô về Cơ cấu hạn chế tốc độ tối đa
Chủ đề:
tranvanan2311
Chẩn đoán sửa chữa ô tô
Tài liệu Chẩn đoán sửa chữa ô tô
Save
Like
Share
Report
Download
AI tóm tắt
/
4
Bài 7: S
C-BD C
ơ
c
ấ
u h
ạ
n ch
ế
t
ố
c
ñộ
t
ố
i
ñ
a.
C
ơ
c
ấ
u h
ạ
n ch
ế
t
ố
c
ñộ
b
ằ
ng m
ặ
t
nghiêng trên b
ướ
m
ga
C
ơ
c
ấ
u h
ạ
n ch
ế
t
ố
c
ñộ
b
ằ
ng b
ằ
ng l
y
tâ
m k
ế
t h
ợ
p v
ớ
i
chân khôn
g
1
2
3
4
5
6
7
8
9
10
11
12
13
14
15
A
C
B
D
E
Kh
ớ
p n
ố
i tr
ụ
c b
ướ
m ga
Tài liệu liên quan
Báo cáo Giám sát môi trường định kỳ 6 tháng đầu năm 2015 - Xưởng bảo dưỡng sửa chữa ô tô
Tài liệu Sơn sửa chữa Ô tô
Tài liệu Thiết kế trạm bảo dưỡng sửa chữa Ô tô
Bài giảng Hệ thống nhiên liệu - Công nghiệp mô tô xe máy
GIÁO TRÌNH KỸ THUẬT SỮA CHỮA Ô TÔ
NGUYÊN NHÂN HƯ HỎNG VÀ CÁCH SỬA CHỮA Ô TÔ
Chương 2: Nguyên lý tính toán sự chuyển động của ô tô trên đường
Kỹ thuật sữa chữa ô tô
10 mẹo giúp tiết kiệm xăng ô tô
Hệ thống xả trên ô tô làm việc như thế nào?
Tài liêu mới
Giáo trình Tổ chức và quản lý sản xuất (Nghề: Công nghệ ô tô - Trình độ: Cao đẳng) - Trường Cao đẳng Bình Thuận
Bài giảng Thực tập hệ thống điện điện tử ô tô
Giáo trình mô đun Thực tập quản lý dịch vụ ô tô (Nghề: Công nghệ kỹ thuật ô tô - Trình độ Cao đẳng) - Trường Cao đẳng Kinh tế Kỹ thuật Tp. Hồ Chí Minh
Giáo trình Bảo dưỡng và sửa chữa hệ thống phun xăng điện tử (Nghề: Công nghệ ô tô) - Trường Cao Đẳng Hàng Hải II
Giáo trình Bảo dưỡng và sửa chữa hệ thống điều hòa không khí trên ô tô (Nghề: Công nghệ ô tô) - Trường Cao Đẳng Hàng Hải II
Giáo trình Bảo dưỡng và sửa chữa bơm cao áp điều khiển điện tử (Nghề: Công nghệ ô tô) - Trường Cao Đẳng Hàng Hải II
Giáo trình mô đun Bảo dưỡng – sửa chữa hệ thống điện ô tô 2 (Nghề: Công nghệ ô tô - Trình độ Cao đẳng 9+) - Trường Cao đẳng Kiên Giang
Giáo trình mô đun Bảo dưỡng – sửa chữa hệ thống điện ô tô (Nghề: Công nghệ ô tô - Trình độ Trung cấp) - Trường Cao đẳng Kiên Giang
Giáo trình mô đun Bảo dưỡng và sửa chữa hệ thống phanh (Nghề: Công nghệ ô tô - Trình độ Trung cấp) - Trường Cao Đẳng Cơ giới
Giáo trình môn học Bảo dưỡng - sửa chữa động cơ (Nghề: Sửa chữa thiết bị chế biến dầu khí - Trình độ Trung cấp) - Trường Cao Đẳng Dầu khí
Giáo trình Bảo dưỡng và sửa chữa mô tô xe máy (Nghề: Công nghệ ô tô) - Trường Cao Đẳng Hàng Hải II
Giáo trình mô đun Chẩn đoán trạng thái kỹ thuật và sửa chữa Pan ô tô (Nghề: Công nghệ ô tô - Trình độ Cao đẳng) - Trường Cao đẳng Cơ giới
Giáo trình môn đun Bảo dưỡng và sửa chữa hệ thống phun xăng điện tử (Nghề: Công nghệ kỹ thuật ô tô - Trình độ Cao đẳng) - Trường Cao đẳng nghề Cần Thơ
Giáo trình môn học Nguyên lý kết cấu động cơ đốt trong (Nghề: Công nghệ kỹ thuật ô tô - Trình độ Cao đẳng) - Trường Cao đẳng Kinh tế Kỹ thuật
Giáo trình mô đun Bảo dưỡng và sửa chữa hệ thống điều hòa không khí trên ô tô (Nghề: Công nghệ ô tô - Trình độ Cao đẳng) - Trường Cao đẳng Cơ giới
AI tóm tắt
- Giúp bạn nắm bắt nội dung tài liệu nhanh chóng!
Giới thiệu tài liệu
Đối tượng sử dụng
Từ khoá chính
Nội dung tóm tắt