
Đề thi kỹ thuật điện – điện tử. Học kỳ 1, 2017 - 2018 Trang 1/4 - Mã đề thi 4D
TRƯỜNG ĐH SƯ PHẠM KỸ THUẬT TP.HCM
KHOA CƠ KHÍ CHẾ TẠO MÁY
ĐỀ THI CUỐI KỲ
HỌC KỲ 1 NĂM HỌC 2017-2018
Môn: Kỹ Thuật điện - điện tử
Mã môn học: EEEN230129
Thời gian: 60 phút.
Được phép sử dụng tài liệu.
Cán bộ coi thi không giải thích gì thêm !
Chữ ký giám thị 1
Chữ ký giám thị 2
CB chấm thi thứ 1
CB chấm thi thứ 2
Số câu đúng:
Số câu đúng:
Điểm và chữ ký
Điểm và chữ ký
Họ và tên: ..............................................................
Mã số SV: .............................................................
Số TT: ..................... Phòng thi: ............................
Phần trả lời: (Sinh viên trả lời vào phần này mới được chấm điểm)
Hướng dẫn: a (chọn a, đánh dấu X) a (Bỏ chọn a, khoanh tròn) a (chọn lại a, tô đen)
Bài 1
Bài 2
Bài 3
Bài 4
Bài 5
Bài 6
Bài 7
Bài 8
Bài 9
a
a
a
a
a
a
a
a
a
b
b
b
b
b
b
b
b
b
c
c
c
c
c
c
c
c
c
d
d
d
d
d
d
d
d
d
e
e
e
e
e
e
e
e
e
f
f
f
f
f
f
f
f
f
Bài 1: Cho mạch điện 3 pha cân bằng như hình. Biết: Nguồn pha Van = 145sin100π.t [V].
Đường dây có điện trở Zd = 1Ω. Tải Zt ở các pha là điện trở 3Ω nối tiếp cuộn dây 30mH.
Tính dòng điện hiệu dụng qua tải 1 pha (IAB).
a. 11.4 A b. 10.6 A c. 55.1 A
d. 22.5 A e. 15.9 A f. Một đáp án khác.
Bài 2: Cho mạch điện như hình. Biết điện áp phân cực thuận qua Diode là 0.7V. V3=32.5V;
R5=330Ω ; R6=560Ω; Tính Công suất qua diode D1.
Mã đề:
4D

Đề thi kỹ thuật điện – điện tử. Học kỳ 1, 2017 - 2018 Trang 2/4 - Mã đề thi 4D
a. 38.9 mW b. 28.6 mW c. 67.5 mW
d. 107.2 mW e. 106.3 mW f. Một đáp án khác
Bài 3: Cho mạch điện như hình. Biết V1=5.3 V; V2=8.3 V. Tìm giá trị điện áp ra Vo ? (V)
a. 22.60 V b. -22.60 V c. -37.80 V
d. 4.60 V e. 37.80 V f. Một đáp án khác.
Bài 4: Chọn câu trả lời đúng nhất. Cho mạch điện như hình vẽ. Biết VCC = 15.7 [V];
Rb=15kΩ; RE=1kΩ. Q1 có thông số VCE(bão hòa) = 0.4V; VBE=1V; Hệ số khuếch đại β
(hFE) = 100. Điều kiện nào sau đây của VBB để Transistor Q1 bão hòa?
a. VBB > 18.572 V b. VBB > 17.572 V c. VBB < 17.572 V
d. VBB < 18.572 V e. VBB > 19.032 V f. Một đáp án khác.

Đề thi kỹ thuật điện – điện tử. Học kỳ 1, 2017 - 2018 Trang 3/4 - Mã đề thi 4D
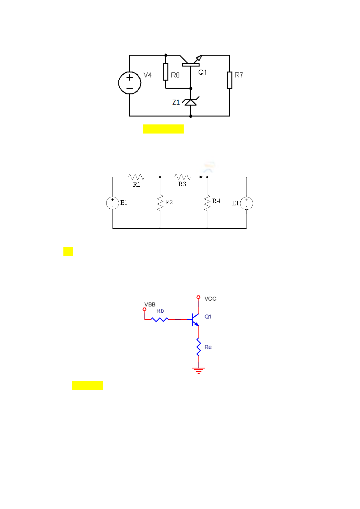
Bài 5: Cho mạch điện như hình. Biết R7=142Ω; R8=330Ω; V4=9.5 [V]; Điện áp Zener VZ
= 5.1V; Q1 có VCE(bão hòa) = 0.5V; VBE= 0.7V; hệ số khuếch đại hFE = 150; Tính công
suất qua R7?
a. 236.9 mW b. 136.3 mW c. 183.2 mW
d. 163.3 mW e. 96.4 mW f. Một đáp án khác.
Bài 6: Cho mạch điện như hình. Biết R1=5Ω; R2=2Ω; R3=2Ω; R4=10Ω; E1=31V. Tính dòng
điện qua R2 [A] ?
a. 11.4 [A] b. 7.9 [A] c. 2.6 [A]
d. 9.0 [A] e. 18.1 [A] f. Một đáp án khác.
Bài 7: Cho mạch điện như hình vẽ. Biết VCC = 12 [V]; VBB = 6 [V]; Rb=15kΩ; RE=1kΩ.
Q1 có thông số VCE(bão hòa) = 0.4V; VBE=1V; Hệ số khuếch đại β (hFE) = 100. Tính
dòng điện qua điện trở Re?
a. 4.353 mA b. 8.664 mA c. 32.792 mA
d. 5.224 mA e. 33.667 mA f. Một đáp án khác.
Bài 8: Trong mạch điện như hình. Biết V2 = 128.sin(100π.t) [V]; R3=2Ω; R4=5Ω; C2=
5mF; L2= 2mH; Tính dòng điện hiệu dụng qua L2? [A]

Đề thi kỹ thuật điện – điện tử. Học kỳ 1, 2017 - 2018 Trang 4/4 - Mã đề thi 4D
a. 85.9 [A] b. 87.5 [A] c. 59.67 [A]
d. 43.0 [A] e. 62.9 [A] f. 60.8 [A]
Bài 9. Cho mạch điện như hình. Biết R5 = 50 kΩ. Tìm biểu thức quan hệ giữa Vo, V1 và
V2 ?
a. Vo = 5.00xV1-10.00xV2 b. Vo = 5.00xV2-10.00xV1
c. Vo = 25.00xV1-50.00xV2 d. Vo = 1.00xV1-0.50xV2
e. Vo = 10.00xV1-5.00xV2 f. Một đáp án khác
----------- HẾT ----------
Ngày tháng năm 2018
Thông qua Bộ Môn

