
TRƯỜNG CĐ KT CAO THẮNG ĐỀ THI HỌC KỲ II 2020 - 2021
KHOA CƠ KHÍ ĐỘNG LỰC MÔN: CƠ ỨNG DỤNG A
BỘ MÔN KTCS HỆ: CAO ĐẲNG
ĐỀ THI SỐ: 01
Thời gian: 90 phút
(Sinh viên không được phép sử dụng tài liệu)
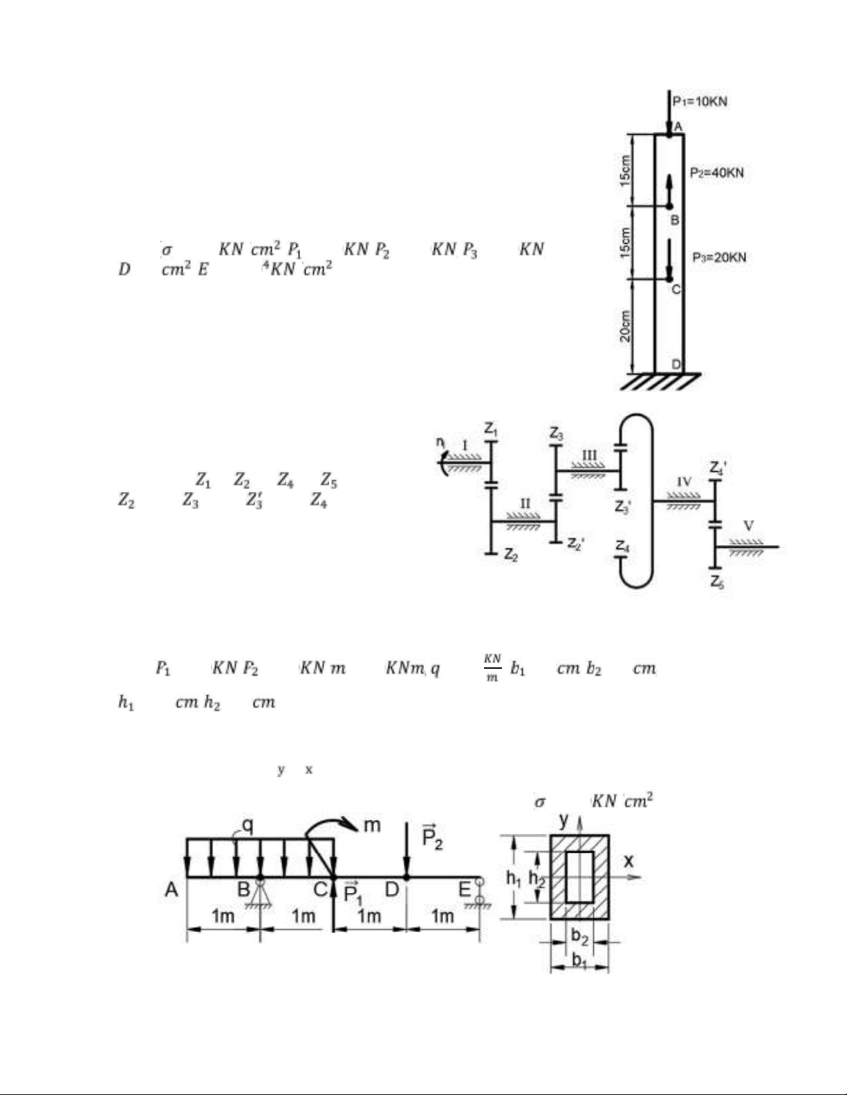
Câu 1. (3 điểm)
Cho trục thép AD có mặt cắt ngang hình tròn đặc chịu kéo nén đúng
tâm như hình vẽ (Hình 1).
Biết: [ ] = 12 / , = 10 , = 40 , = 20 ,
= 3 , = 2.10 / . Bỏ qua trọng lượng riêng của thanh.
a. Vẽ biểu đồ nội lực dọc trục Nz.(1điểm)
b. Kiểm tra bền cho trục AD.(1điểm)
c. Tính độ biến dạng dọc trục tuyệt đối cho trục thép AD.(1điểm)
Câu 2. (2 điểm)
Cho hệ bánh răng như hình vẽ (Hình 2).
Biết: tốc độ quay của trục I: nI=1200
vòng/phút, = ′ = ′ = = 20
= 40, = 30, = 10, = 80
Tính tốc độ quay của trục IV và trục V.
Câu 3. (5 điểm)
Dầm AE (trọng lượng không đáng kể) chịu lực có mặt cắt ngang như hình 3.
Biết: = 10 , = 20 , = 30 , = 20 , = 8 , = 6 ,
= 12 , = 9
a. Tính phản lực liên kết tại B, E. (1 điểm)
b. Vẽ biểu đồ nội lực Q , M của dầm AE. (3 điểm)
c. Bỏ qua ảnh hưởng của lực cắt, kiểm tra bền cho dầm AE, [ ] = 30 / . (1 điểm)
Khoa Cơ Khí Động Lực Giáo viên ra đề
Bộ môn KTCS
Nguyễn Thị Linh Phượng
Hình 1
Hình 3
Hình 2

TRƯỜNG CĐ KT CAO THẮNG ĐÁP ÁN HKII 2020 - 2021
KHOA CƠ KHÍ ĐỘNG LỰC MÔN: CƠ ỨNG DỤNG A
BỘ MÔN KTCS HỆ: CĐ
ĐỀ THI SỐ: 01
Thời gian: 90 phút
Câu 1. (3 điểm)
a. Vẽ biểu đồ nội lực Nz dọc trục.
b. Kiểm tra điều kiện bền:
=| |. 4
.= 4,2 /
Theo điều kiện bền ta có:
≤[ ] = 12 /
Vậy trục AD thỏa điều kiện bền.
c. Biến dạng dọc trục:
= 0,0035
Vậy trục bị giãn ra một đoạn = 0,0035
Câu 2. (2 điểm)
Tỉ số truyền động từ trục I đến trục IV: = 24
Tốc độ quay của trục IV: = 50 ò / ú , trục IV cùng chiều quay với trục I.
Tỉ số truyền động từ trục I đến trục V: = − 24
Tốc độ quay của trục IV: = 50 ò / ú , trục V ngược chiều quay với trục I.
Câu 3. (5 điểm)
a. Phản lực liên kết tại B, E. (1 điểm)
∑= 0
∑+ = 0
∑+ = 0
↔
= 0
= 30
= 20
Vậy và có chiều như hình vẽ .
b. Vẽ biểu đồ. (3 điểm)
c. Kiểm tra bền cho dầm AE. (1 điểm)
=.
12 −.
12 = 787,5 ,
= 6 .
= 8 , = 6 , = 12 , = 9
==20.100.6
787,5 = 15,24
Theo công thức điều kiện bề n, ta có:
≤[ ] ↔ 15,24 ≤ 30 /
Vậ y dầ m AE thỏ a điề u kiệ n bề n.
Khoa Cơ Khí Động Lực Giáo viên ra đề
Bộ môn KTCS
Nguyễn Thị Linh Phượng

Hình 1
TRƯỜNG CĐ KT CAO THẮNG ĐỀ THI HỌC KỲ II 2020 - 2021
KHOA CƠ KHÍ ĐỘNG LỰC MÔN: CƠ ỨNG DỤNG A
BỘ MÔN KTCS HỆ: CAO ĐẲNG
ĐỀ THI SỐ: 02
Thời gian: 90 phút
(Sinh viên không được phép sử dụng tài liệu)
Câu 1. (3 điểm)
Cho trục AD (trọng lượng không đáng kể) chịu xoắn như hình 1. Biết: = 20 . ,
= 70 . , = 130 . , [ ] =, = 5 , = 7 , = 8. 10 .
a. Vẽ biểu đồ nội lực M.(1điểm)
b. Kiểm tra bền cho trục AD.(1điểm)
c. Tính góc xoắn tại đầu tự do A cho
trục thép AD.(1điểm)
Câu 2. (2 điểm)
Cho hệ thống truyền động như hình 2 gồm:
Động cơ có số vồng quay đ= 1500 ò
ú.
Bộ truyền bánh răng trụ răng nghiêng có
= 12, = 36.
Bộ truyền xích ống con lăn có:
= 14 , = 28 .
a. Tính tỷ số truyền của bộ truyền bánh răng trụ
răng nghiêng, bộ truyền xích ống con lăn và tỷ
số truyền của cả cụm truyền động.
b. Tính tốc độ quay của trục I, trục II và trục III.
Câu 3. (5 điểm)
Dầm AE (trọng lượng không đáng kể) chịu lực có mặt cắt ngang như hình 3.
Biết: = 10 , = 20 , = 30 , = 20 , = 5 , = 10 .
a. Tính phản lực liên kết tại B, E. (1 điểm)
b. Vẽ biểu đồ nội lực Q , M của dầm AE. (3 điểm)
c. Bỏ qua ảnh hưởng của lực cắt, kiểm tra bền cho dầm AE, [ ] = 30 / . (1 điểm)
Khoa Cơ Khí Động Lực Giáo viên ra đề
Bộ môn KTCS
Nguyễn Thị Linh Phượng
Hình 2
Hình 3

TRƯỜNG CĐ KT CAO THẮNG ĐÁP ÁN HKII 2020 - 2021
KHOA CƠ KHÍ ĐỘNG LỰC MÔN: CƠ ỨNG DỤNG A
BỘ MÔN KTCS HỆ: CĐ
ĐỀ THI SỐ: 02
Thời gian: 90 phút
Câu 1. (3 điểm)
Xét trục AD cân bằng.
a. Biểu đồ nội lực M(1 điểm).
b. Kiểm tra bền: (1 điểm)
=| | =50
0,2. 5 = 2 /
Theo công thức điều kiện bền ta có:
≤[ ] 2 / ≤ 5 / .
Vậy trục AD thỏa điều kiện bền.
c. Góc xoắn tại A: = + + = 0.0002
Câu 2. (2 điểm)
a. Tỷ số truyền của bộ truyền bánh răng trụ răng nghiêng = 3.
Tỷ số truyền bộ truyền xích ống con lăn = 2
Tỷ số truyền của cả cụm truyền động: = 6
b. Tốc độ quay của trục I: = 1500 ò / ú
Tốc độ quay của trục II: = 500 ò / ú
Tốc độ quay của trục III: = 250 ò / ú
Câu 3. (5 điểm)
a. Phản lực liên kết tại B, E. (1 điểm)
∑= 0
∑+ = 0
∑+ = 0
↔
= 0
= 30
= 20
Vậy và có chiều như hình vẽ .
b. Vẽ biểu đồ. (3 điểm)
c. Kiểm tra bền cho dầm AE. (1 điểm)
= 93,75
== 21,33
Theo công thức điều kiện bền, ta có:
≤[ ] ↔ 21,33 ≤ 30 / .Vậy dầm AE thỏa điều kiện bền.
Khoa Cơ Khí Động Lực Giáo viên ra đề
Bộ môn KTCS
Nguyễn Thị Linh Phượng

