
Đ I H C ĐÀ N NGẠ Ọ Ẵ
TR NG Đ I H C BÁCH KHOAƯỜ Ạ Ọ
KHOA ĐI N T -VI N THÔNGỆ Ử Ễ
Đ ÁN Ồ
VI X LÝ VÀ MÁY TÍNHỬ
LAB 3 : MIPS Single-cycle CPU
SINH VIÊN TH C HI N: PHAN QU C TH NG 08DT3Ự Ệ Ố Ắ
HOÀNG THANH TÚ 08DT3
NGUY N TH TÙNG 08DT4Ễ Ị
1. M C ĐÍCH:Ụ
Thi t k m t chip MIPS single-cycle đ n gi n đ th c thi các l nh ế ế ộ ơ ả ể ự ệ LW, SW, J , JR,
BNE, XORI, SLT, ADD, SUB trong m t chu kỳ l nh.ộ ệ
2. T NG QUAN:Ố
2.1. Các b c th c thi l nh:ướ ự ệ G m có 3 b c chínhồ ướ
- Dùng b đ m ch ng trình PC l y đ a ch l nh trong b nh l nh ( Instructionộ ế ươ ấ ị ỉ ệ ộ ớ ệ
Memory), và c p nh t PC đ n giá tr ti p theo.ậ ậ ế ị ế
- Gi i mã l nh b ng cách g i cái OPCODE vào kh i CONTROL.(Đ c giá tr cácả ệ ằ ử ố ọ ị
thanh ghi t REGISTER FILE)ừ
- Th c thi l nh.ự ệ
2.2. Gi i thi u các l nh:ớ ệ ệ
Page 1

Trong MIPS có 3 khuôn d ng l nh R-Format, I-Format và J-Formatạ ệ
•R-Format:
op rs rt rd shamt funct
6 bits 5 bits 5 bits 5 bits 5 bits 6 bits
•I-Format:
op rs rt immediate
6 bits 5 bits 5 bits 16 bits
•J-Format:
op immediate
6 bits 26 bits
V i ớ op : 6 bits OPCODE
rs : 5 bits ch a mã đ a ch c a thanh ghi ngu nứ ị ỉ ủ ồ
rt : 5 bits ch a mã đ a ch c a thanh ghi ngu nứ ị ỉ ủ ồ
rd : 5 bits ch a mã đ a ch c a thanh ghi đíchứ ị ỉ ủ
shamt : 5 bits dùng trong các l nh d chệ ị
funct: 6 bits dùng đ phân lo i trong các l nh R-Formatể ạ ệ
immediate : 16 bits ch a toán h ng và đ a ch ofsetứ ạ ị ỉ
immediate : 26 bits ch a đ a ch đích trong l nh JUMPứ ị ỉ ệ
-Khuôn d ng c th c a m i l nh:ạ ụ ể ủ ỗ ệ
Instruction Meaning Format
add rd,
rs, rt
C ngộ0 rs rt rd 0x20
sub rd,
rs, rt
Trừ0 rs rt rd 0x22
slt rd,
rs, rt
So sánh 0 rs rt rd 0x2a
jr rs Nh y đ nả ế
[rs]
0 rs rt 0 0x08
xori rt,
im
Xor
immediate
0x0e rs rt im
lw rt,
im
Load word 0x23 rs rt im
sw rt,
im
Store word 0x2b rs rt im
bne rs,
rt, im
Nh y n uả ế
không
0x05 rs rt im
Page 2

b ngằ
j im Jump 0x02 im
2.3. Phân tích l nh:ệ
- Đ i v i các lênh x lý d li u khuôn d ng R-Format – ố ớ ử ữ ệ ạ ADD, SUB, SLT :
Fetch instruction: Instruction ← MEM[PC]
Fetch operands: data1 ← Reg(Rs), data2 ← Reg(Rt)
Execute operation: ALU_result ← funct(data1, data2)
Write ALU result: Reg(Rd) ← ALU_result
Next PC address: PC ← PC + 4
- Đ i v i các lênh x lý d li u (I_FORMAT – XORI) : ố ớ ử ữ ệ
Fetch instruction: Instruction ← MEM[PC]
Fetch operands: data1 ← Reg(Rs), data2 ← extend-sign (imm16)
Execute operation: ALU_result ← XOR(data1, data2)
Write ALU result: Reg(Rt) ← ALU_result
Next PC address: PC ← PC + 4
- Đ i v i lênh load d li u (I_FORMAT – LW) : ố ớ ữ ệ
Fetch instruction: Instruction ← MEM[PC]
Fetch base register: base ← Reg(Rs)
Calculate address: address ← base + extend-sign (imm16)
Read memory: data ← MEM[address]
Write register Rt:Reg(Rt) ← data
Next PC address: PC ← PC + 4
- Đ i v i lênh l u d li u (I_FORMAT – SW) : ố ớ ư ữ ệ
Fetch instruction: Instruction ← MEM[PC]
Fetch registers: base ← Reg(Rs), data ← Reg(Rt)
Calculate address: address ← base + extend-sign (imm16)
Write memory: MEM[address] ← data
Next PC address: PC ← PC + 4
- Đ i v i lênh r nhánh (I_FORMAT – BNE) : ố ớ ẻ
Fetch instruction: Instruction ← MEM[PC]
Fetch operands: data1 ← Reg(Rs), data2 ← Reg(Rt)
Execute operation: ALU_result ← SUB (data1, data2)
Branch: if (zero!=0) PC ← (PC + 4) + 4×extend-sign(imm16)
else PC ← PC + 4
Page 3

- Đ i v i lênh nh y (J_FORMAT – JUMP) : ố ớ ả
Fetch instruction: Instruction ← MEM[PC]
Target PC address: target ← PC[31:28] , Imm26 , ‘00’
Jump: PC ← target
- Đ i v i lênh nh y (R_FORMAT –JR) : ố ớ ả
Fetch instruction: Instruction ← MEM[PC]
Fetch operands: address ← Reg(Rs)
Jump: PC ← address
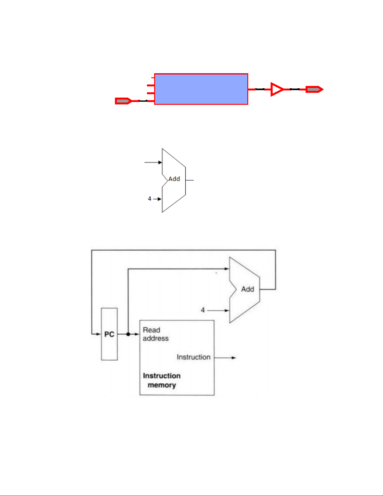
3. CÁC KH I C S C N THI T:Ố Ơ Ở Ầ Ế
- Sau khi phân tích cách ho t đ ng m i l nh, ta s xây d ng các kh i c b n đ th c thiạ ộ ỗ ệ ẽ ự ố ơ ả ể ự
các l nh đóệ
3.1 Kh i PC:ố
- Kh i b đ m ch ng trình, có tác d ng nh m t b đ m đ ch đ n đ a ch c aố ộ ế ươ ụ ư ộ ộ ệ ể ỉ ế ị ỉ ủ
câu l nh ti p theo.ệ ế
- Giá tr đ u vào đ c xác đ nh tùy theo câu l nh m i đ c th c hi n.ị ầ ượ ị ệ ớ ượ ự ệ
3.2 Kh i Instruction Memory:ố
- Là kh i l u các l nh c n th c thi, g m 1 đ u vào 32 bits address và đ u ra là 32ố ư ệ ầ ự ồ ầ ầ
bits instruction
- Đ a ch đ u vào đ c l y t PC và s tham chi u đ n file l u l nh d i tênị ỉ ầ ượ ấ ừ ẽ ế ế ư ệ ướ
instr.dat ( đây Instruction Memory đ c đánh đ a ch theo word nên ta ph i l y đ a chở ượ ị ỉ ả ấ ị ỉ
trong
PC / 4 và làm tròn.)
- File instr.dat là file ch a mã máy c a các câu l nh c n th c hi n. Đ u ra s là mãứ ủ ệ ầ ự ệ ầ ẽ
máy ng v i đ a ch c a instruction memory đ c tham chi u t i.ứ ớ ị ỉ ủ ượ ế ớ
Page 4

WE
DATAIN[31..0]
WADDR[9..0]
RADDR[9..0]
DATAOUT[31..0]
SYNC_RAM
BUF (SOFT)
0buf[31..0]
instruction[31..0]
instrmem
32' h00000000 --
10' h000 --
address[31..0]
3.3 Kh i ADD: ốC ng 2 tín hi u vào 32bit, kh i này đ c xây d ng t 32 kh i add_bitộ ệ ố ượ ự ừ ố
đã đ c làm rõ trong bài 2.ượ
3 kh i dùng đ ố ể Store/Fetch Instruction, và tăng thanh ghi PC lên.T 3 kh i trên ta xâyừ ố
d ng đ c datapath nh sau:ự ượ ư
3.4 Kh i register file:ố
Page 5

