
L
Lậ
ập
ptr
trì
ình
nh b
bộ
ộđ
đị
ịnh
nh th
thờ
ời
i
(TIMER)
(TIMER)

Gi
Giớ
ới
ithi
thiệ
ệu
ub
bộ
ộđ
đị
ịnh
nh th
thờ
ời
i
1. Các thanh ghi của bộ định thời
- Timer 0: TH0, TL0
- Timer 1: TH1, TL1
- Các thanh ghi trạng thái và cài đặt
chế độ hoạtđộng cho các bộ định thời:
+ TCON: Điều khiển
+ TMOD: Chọn chế độ

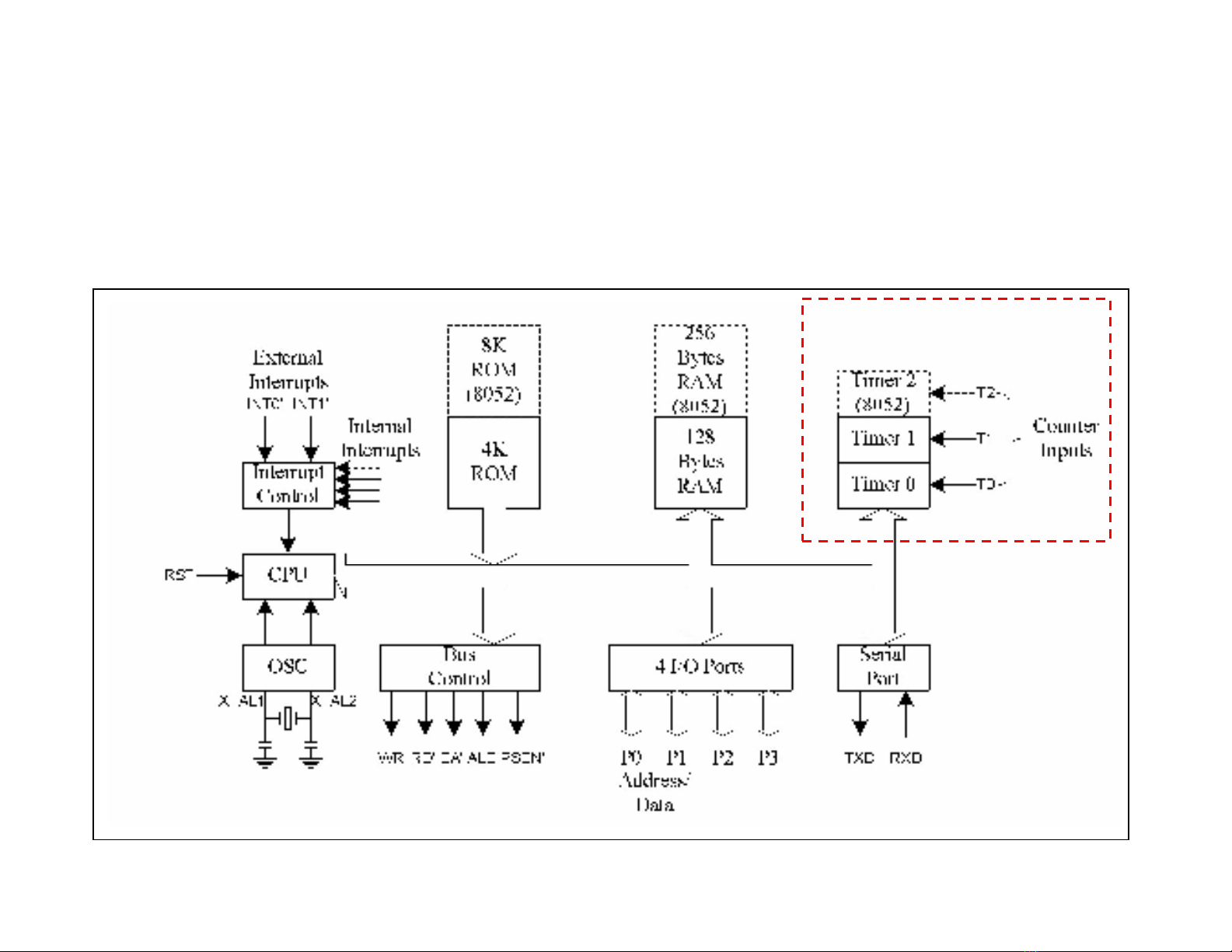
V
Vị
ịtr
trí
íc
củ
ủa
ac
cá
ác
cb
bộ
ộđ
đị
ịnh
nh th
thờ
ời
itrong
trong
sơ
sơđ
đồ
ồkh
khố
ối
ic
củ
ủa
achip 89X51/52
chip 89X51/52
Các bộ định thời

V
VỊ
ỊTR
TRÍ
ÍC
CÁ
ÁC THANH GHI C
C THANH GHI CỦ
ỦA B
A BỘ
Ộ Đ
ĐỊ
ỊNH TH
NH THỜ
ỜI
I
TRONG V
TRONG VÙ
ÙNG NH
NG NHỚ
Ớ Đ
ĐẶ
ẶC BI
C BIỆ
ỆT
T-
-SFR
SFR

Thanh
Thanh ghi
ghi TMOD
TMOD: Timer Mode
: Timer Mode
Ch
Chọ
ọn
nch
chế
ếđ
độ
ộho
hoạ
ạt
tđ
độ
ộng
ng
TMOD
TMOD
D0
D0
D1
D1
D2
D2
D3
D3
D4
D4
D5
D5
D6
D6
D7
D7
GATE
C/T
M1
M0
GATE
C/T
M1
M0
Chọn chế độhoạt động
cho TIMER1
Chọn chế độhoạt động
cho TIMER0

