Nguồn cung cấp
BÀI 7
NGUỒN CẤP ĐIỆN
I. MỤC ĐÍCH YÊU CẦU
- Các loại máy điện tử nói chung, mạch bên trong đều được cung cấp bởi
nguồn DC, Acqui hoặc là nguồn AC sẽ được biến đổi thành DC.
- Bộ nguồn, được xem là huyết mạch, rất thường xảy ra sự cố hư hỏng vì vậy
sửa chữa và thiết kế nguồn là công việc rất cần thiết.
II. NỘI DUNG
Sơ đồ khối bộ nguồn
1. Nguồn ổn áp tuyến tính.
*. Mạch ổn áp dùng BJT
R2
Vout
R1
Rv 1
.
R3
C1
220uF
.
AC
.
DC
Q1
+
-
~
~
D1 Q2
Dz
2 1
Phần nắn điện và lọc: D1, C1
Điện áp một chiều trên tụ C
VDC = VP -
fC
I
L
2
Trong đó VP là điện áp đỉnh của VDC. Vì vậy khi dòng tải tăng thì điện
áp gợn sóng trên tụ C tăng nên cần phải tăng giá trị tụ C.
Khi thiết kế ổn áp này người ta thường chọn.
-Dòng điện qua Rv rất nhỏ so với dòng tải, để coi như không đáng kể.
-Chọn dòng IEQ1 lớn hơn( 5-10) lần dòng định thiên cho Zener, Để dòng IZ
không ảnh hưởng theo điện áp Vi.
Thực tập Trang 46
Nắn
điện
Bộ lọc
nguồn
Mạch
ổn áp
AC DC
Nguồn cung cấp
-Tính độ khuếch dại của Q2 sao cho khi Vo tăng a% thì qua mạch hồi tiếp làm
cho Vo giảm khoản a%.
-Điện áp ngõ vào Vin = (1,5÷2) Vout
*. IC ổn áp.
Hiện nay người ta chế tạo ra IC ổn áp rất thuận tiện cho việc thiết kế bộ nguồn
công suất nhỏ.
IC họ 79xx là IC ổn áp âm. Xx là giá trị điện áp ổn định của IC.
IC họ 78xx là ổn áp dương.
Tuỳ theo khả năng cung cấp dòng điện của IC ổn áp người ta ngi thêm một
mẫu tự sau họ 78, 79 để chỉ dòng điện doanh định.
IC 78Lxx: có dòng điện doanh định là 100mA.
IC 78Mxx: có dòng điện doanh định là 500mA.
IC 78xx: có dòng điện doanh định là 1A.
IC 78Txx: có dòng điện doanh định là 3A
IC 78Hxx: có dòng điện doanh định là 5A
Sơ đồ mạch của bộ nguồn ổn áp âm và dương.
Các loại IC ổn áp khác tương ứng với họ 78 – 79 là:
LM340xx tương ứng với họ 78xx
LM320xx tương ứng với họ 79xx
IC có thể điều chỉnh điện áp ra bằng linh kiện bênh ngoài. Có khả năng
điều chỉ điện áp từ 1,2V đến 25V
1
21
0
25,1 R
RR
VV
+
=
Thực tập Trang 47
220V
VCC
- VCC
2200uF
LM79xx
2 3
1
IN OUT
GND
2200uF
0.1uF
0.1uF
.
470uF
470uF
LM78xx
1 3
2
IN OUT
GND
Nguồn cung cấp
R1 470uF
LM117
3
1
2
VIN
ADJ
VOUT
220V
.
Vo
R2
2
1
0.1uF
Vi
2200uF
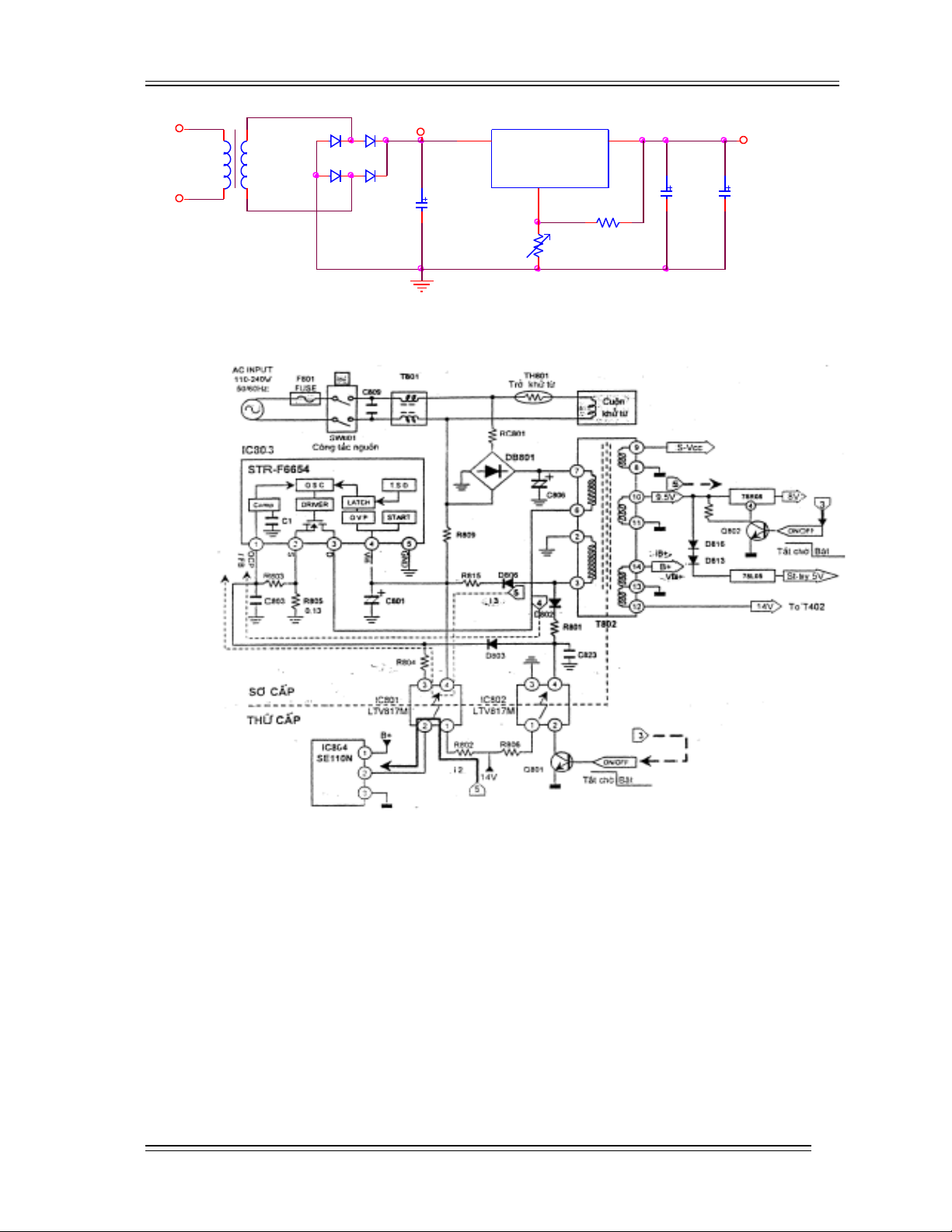
2. Nguồn switching
III. PHẦN THỰC TẬP CỤ THỂ
Thiết kế một mạch nguồn tạo điện áp +12V, -12V, 5V với điện áp vào 220V AC
dùng IC ổn áp.
-Vẽ sơ đồ nguyên lý mạch nguồn.
-Phân tích hoạt động của mạch.
-Hàn linh kiện vào mạch
-Kiểm tra điện áp ra có đúng với yêu cầu không.
Thực tập Trang 48