
5
PHҪ1Ĉ,ӊ17521*7%$KHÁI NIӊ0&+81*9ӄ+7Ĉ9ÀTBA
&+ѬѪ1*KHÁI NIӊ0&+81*Hӊ7+Ӕ1*Ĉ,ӊ19ÀTRҤ0%,ӂ1È3DÀN BÀI
I. ĈһFÿLӇPFӫDÿLӋQQăQJII. GiӟLWKLӋXYӅKӋWKӕQJÿLӋQ1. SҧQ[XҩWÿLӋQQăQJ2. MҥQJOѭӟLÿLӋQ3. TrҥPELӃQiS4. HӝWLêu thөIII. Các dҥQJWUҥPELӃQiSIV. Tóm tҳWYàôntұSMӨ&7,ÊU
`HiӇXUõÿһFÿLӇPFӫDÿLӋQQăQJÿӇFyWKӇÿLӅXkhiӇQPӝWFiFKWӕWQKҩW`NҳPYӳQJFiFWKành phҫQWURQJKӋWKӕQJÿLӋQcác loai hӋWKӕQJÿLӋQ`;iFÿӏQKUõÿѫQYӏTXҧQOêYjÿLӅXÿӝKӋWKӕQJÿLӋQViӋW1DP.
`NҳPYӳQJWUҥPELӃQiSOàmҳW[tFKTXDQWUӑQJÿӇOLên kӃWFiFOѭӟLÿLӋQWURQJKӋWKӕQJÿLӋQHình1–1:TrҥPELӃQiSWUXQJJLDQN9

6
PHҪ1Ĉ,ӊ17521*7%$KHÁI NIӊ0&+81*9ӄ+7Ĉ9ÀTBA
I. ĈҺ&Ĉ,ӆ0&Ӫ$4Ò$75ÌNH SҦ1;8Ҩ79À PHÂN PHӔ,Ĉ,ӊ11Ă1*ĈLӋQQăQJOàmӝWGҥQJQăQJOѭӧQJFyQKLӅXѭXÿLӇPQKѭGӉGàng chuyӇQWKành
các dҥQJQăQJOѭӧQJNKiFGӉWUX\ӅQWҧLKLӋXVXҩWFDR«7URQJTXitrình sҧQ[XҩWYà
phân phӕLÿLӋQQăQJFyPӝWVӕÿһFÿLӇPFҫQTXDQWkP`ĈLӋQQăQJVҧQ[XҩWUDOà không tích trӳÿѭӧFWҥLPӑLWKӡLÿLӇPFҫQSKҧLEҧRÿҧPcung–cҫXÿLӋQQăQJFyNӇÿӃQWәQWKҩWGRFKX\ên tҧL7K{QJVXӕWÿһFÿLӇPQày
là nhiӋPYөFӫDQJѭӡLOàm công tác quy hoҥFKWKLӃWNӃKӋWKӕQJÿLӋQYұQKành,
ÿLӅXÿӝKӋWKӕQJÿLӋQQăQJ«QKҵPJLӳYӳQJFKҩWOѭӧQJÿLӋQQăQJWKӇKLӋQӣKDLgiá trӏFөWKӇÿLӋQiSYàtҫQVӕ`Các qúa trình vӅÿLӋQ[ҧ\UDUҩWQKDQKĈһFÿLӇPQj\ÿòi hӓLSKҧLVӱGөQJUӝQJUãi
thiӃWbӏWӵÿӝQJWURQJFiFNKkXEҧRYӋÿLӅXFKӍQKÿLӅXNKLӇQ«ÿӇWiFÿӝQJnhanh chóng và chính xác trong trҥQJWKiLEình thѭӡQJFNJQJQKѭVӵFӕQKҵPEҧRÿҧPKӋWKӕQJÿLӋQFXQJFҩSÿLӋQWLQFұ\YàkinhtӃ`Công nghiӋSÿLӋQFyOLên quan chһWFKӁÿӃQQKLӅXQJànhkinhtӃTXӕFGkQOàmӝWtrong nhӳQJÿӝQJOӵFWK~Fÿҭ\SKiWWULӇQNLQKWӃWăQJQăQJVXҩWODRÿӝQJ««'RÿyFҫQFyQKӳQJTX\ӃWÿӏQKKӧSOêWURQJÿLӋQNKtKyDÿӕLYӟLFiFQJành kinh tӃcác vùng lãnh thәNKiFQKDXOѭӟLÿLӋQWUX\ӅQWҧL– phân phӕLQKҵPÿiSӭQJQKXcҫXVӵSKiWWULӇQNLQKWӃFkQÿӕLYàtránhnhӳQJWKLӋWKҥLNLQKWӃTXӕFGkQGRSKҧLhҥQFKӃQKXFҫXVӱGөQJÿLӋQFӫDFiFKӝWLêu thөII. GIӞ,7+,ӊ89ӄ+ӊ7+Ӕ1*Ĉ,ӊ1ĈLӋQQăQJOàdҥQJQăQJOѭӧQJÿѭӧFVӱGөQJUӝQJUãi nhҩWWURQJFiFOƭQKYӵFKRҥt
ÿӝQJNLQKWӃ[ãhӝLÿӡLVӕQJ«FӫDFRQQJѭӡLHӋWKӕQJÿLӋQOàmӝWKӋWKӕQJQăQJOѭӧQJEDRJӗPFiFQKjPi\ÿLӋQFiFOѭӟLÿLӋQWUX\ӅQWҧL– phân phӕL– cung cҩSYàcáchӝWLêu thөOàm nhiӋPYөVҧQ[XҩWtruyӅQWҧLYà phân phӕLÿLӋQQăQJII.1. 1KjPi\ÿiQCó nhiӋPYөELӃQÿәLFiFGҥQJQăQJOѭӧQJVѫFҩSQKѭWKDQÿiGҫXKӓDWKӫ\QăQJQJX\rQWӱQăQJ«WKjQKÿLӋQQăQJ&iFQKjPi\ÿLӋQOLên kӃWYӟLQKDXWKành hӋthӕQJFKXQJÿӇKӛWUӧOүQQKDXWURQJYLӋFVҧQ[XҩWYà cung cҩSÿLӋQQăQJ&yQKLӅXdҥQJQKjPi\ÿLӋQNKiFQKDXQKà máy nhiӋWÿLӋQQKàmáythuӹÿLӋQQKjPi\ÿLӋQnguyên tӱQKjPi\ÿLӋQGQJQăQJOѭӧQJPһWWUӡLQKjPi\ÿӏDQKLӋWÿLӋQ«`Nhà máy nhiӋWÿLӋQELӃQÿәLFiFGҥQJQăQJOѭӧQJVѫFҩSQKѭWKDQÿiGҫXKӓD«WKjQKÿLӋQQăQJ`Nhà máy thuӹÿLӋQELӃQÿәLQăQJOѭӧQJFiFGòng nѭӟFWKjQKÿLӋQQăQJ`1KjPi\ÿLӋQQJX\ên tӱELӃQÿәLQăQJOѭӧQJWӯSKҧQӭQJSKkQKҥFKFӫDFiFKҥWnhân nguyên tӱQһQJWKjQKÿLӋQQăQJ`1KjPi\ÿӏDQKLӋWÿLӋQELӃQÿәLQKLӋWQăQJWURQJOòng ÿҩWWKjQKÿLӋQQăQJ

7
PHҪ1Ĉ,ӊ17521*7%$KHÁI NIӊ0&+81*9ӄ+7Ĉ9ÀTBA
`Nhà mi\ÿLӋQGQJQăQJOѭӧQJPһWWUӡLWұSWUXQJQăQJOѭӧQJPһWWUӡLELӃQÿәLFK~QJWKjQKÿLӋQQăQJ`1KjPi\SKRQJÿLӋQELӃQÿәLQăQJOѭӧQJFӫDFiFOXӗQJJLyWKjQKÿLӋQQăQJ`………
HiӋQQD\FiFQKà máy nhiӋWÿLӋQQKjPi\ÿLӋQQJX\ên tӱFKLӃPWӹWUӑQJNKiFDRtrong khâu sҧQ[XҩWÿLӋQQăQJWUên thӃJLӟLHình 1 –6ѫÿӗKӋWKӕQJÿLӋQII.2. /ͳLÿLQ/ѭӟLÿLӋQEDRJӗPFiFWUҥPELӃQiSYjFiFÿѭӡQJGk\WҧLÿLӋQ7XǤWKHRQKLӋPYөcӫDOѭӟLÿLӋQQJѭӡLWDFyWKӇSKkQUDWKjQKOѭӟLÿLӋQWUX\ӅQWҧLOѭӟLÿLӋQSKkQSKӕLOѭӟLÿLӋQFXQJFҩS`/ѭӟLÿLӋQWUX\ӅQWҧLFyÿLӋQiSWӯN9WUӣOên, làm nhiӋPYөFKX\ên tҧLÿLӋQQăQJtӯQKjPi\ÿLӋQÿӃQFiFWUҥPELӃQiSJLҧPiS`/ѭӟLÿLӋQSKkQSKӕLWKXӝFSKҥPYLTXҧQOêFӫDFiFĈLӋQOӵFFyQKLӋPYөSKkQphӕLÿLӋQQăQJÿӃQFiFKӝWLêu thөYӟLFiFFҩSÿLӋQiSN9N9N915 kV, 10 kV, 380 V -9N97URQJÿyFҩSÿLӋQiS9- 220 V là
cҩSÿLӋQiSFKtQKÿӇFXQJFҩSÿLӋQQăQJFKRFiFWKLӃWEӏGQJÿLӋQ`/ѭӟLÿLӋQFXQJFҩSWKXӝFSKҥPYLTXҧQOêcӫDFiFKӝWLêu thөFyWKӇKLӇXOjOѭӟLÿLӋQSKtDVDXF{QJWѫWәQJKD\VDXF{QJWѫFӫDWӯQJKӝWLêu thөOàm nhiӋPYөFXQJFҩSÿLӋQQăQJFKRFiFSKөWҧLÿLӋQ-thiӃWEӏWLêu thөÿLӋQQăQJ1KjPi\ÿLӋQ/ѭӟLÿLӋQWUX\ӅQWҧL/ѭӟLÿLӋQSKkQSKӕL/ѭӟLÿLӋQcung cҩS13,8 kV 230 kV 220 kV 110 kV 110 kV 22 (15) kV 0,4 kV
F
F
F
MBATA MBAGA MBATG
MBAPP

8
PHҪ1Ĉ,ӊ17521*7%$KHÁI NIӊ0&+81*9ӄ+7Ĉ9ÀTBA
12 3 4 5
678 9
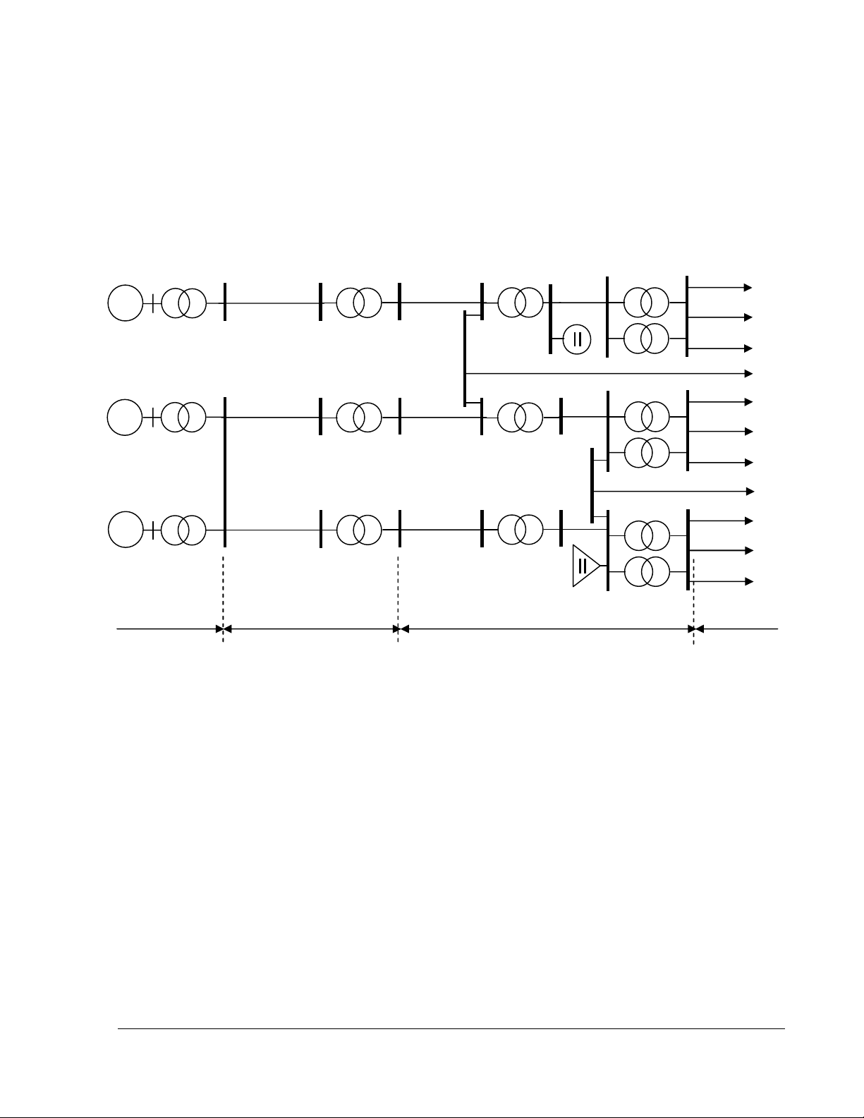
Hình1–4:MôhìnhhӋWKӕQJÿLӋQ1/ 1KjPi\ÿLӋQ2/ TrҥPELӃQiSWăQJiSÿӇWUX\ӅQWҧLÿLӋQQăQJÿL[D3/ /ѭӟLÿLӋQFDRiSFXQJFҩSÿLӋQQăQJFKRFiFWKành phӕ4/ /ѭӟLÿLӋQSKkQSKӕL5/ /ѭӟLÿLӋQ'&FXQJFҩSÿLӋQQăQJÿӃQFiFSKѭѫQJWLӋQJLDRWK{QJ6/ /ѭӟLÿLӋQSKkQSKӕLFXQJFҩSÿLӋQQăQJÿӃQWKӏ[ã, thӏWUҩQ«7/ /ѭӟLÿLӋQSKkQSKӕLFXQJFҩSÿLӋQQăQJÿӃQQ{QJWK{QPLӅQQ~L«8/ /ѭӟLÿLӋQSKkQSKӕLngҫPFXQJFҩSÿLӋQQăQJÿӃQNKXF{QJQJKLӋS9/ /ѭӟLFXQJFҩSÿLӋQWURQJNKXF{QJQJKLӋS«II.3. TrPELQiS`TrҥPELӃQiSOàmӝWF{QJWUình ÿӇFKX\ӇQÿәLÿLӋQiSWӯFҩSQày sang cҩSNKiFÿk\là mӝWNKkXTXDQWUӑQJWURQJYLӋFOLên kӃWFiFOѭӟLÿLӋQ3KtDFDRvà hҥiSFӫDWUҥPbiӃQiSFyFiFWKLӃWEӏSKkQSKӕLWѭѫQJӭQJFyQKLӋPYөQKұQÿLӋQQăQJWӯPӝWVӕnguӗQFXQJFҩSYàphânphӕLÿLӋQQăQJÿLQѫLNKiFTXDFiFÿѭӡQJGk\ÿLӋQ7UҥPbiӃQiSWăQJiSOàm nhiӋPYөWăQJÿLӋQiSWӯÿLӋQiSPi\SKiWOrQÿLӋQiSFDRKѫQÿӇWҧLÿLӋQQăQJÿL[D7UҥPELӃQiSSKkQSKӕLOàm nhiӋPYөJLҧPÿLӋQiSFDR[XӕQJ

9
PHҪ1Ĉ,ӊ17521*7%$KHÁI NIӊ0&+81*9ӄ+7Ĉ9ÀTBA
ÿLӋQiSWKҩSKѫQWKtFKKӧSFKRKӝWLêu thө7UҥPELӃQiSJLҧPiSYà trung gian làm
nhiӋPYөOLên lҥFJLӳDKDLOѭӟLÿLӋQFyFҩSÿLӋQiSNKiFQKDX`Ngoài ra trong hӋWKӕQJÿLӋQFyPӝWVӕWUҥPOàm viӋFWKHRFKӭFQăQJTX\ÿӏQKQKѭtrҥPQӕLOàm nhiӋPYөOLên lҥFJLӳDKDLKӋWKӕQJFyWҫQVӕNKiFQKDXWUҥPÿyQJFҳWÿLӋQWUҥPNK{QJFyPi\ELӃQiSWUҥPFKӍQKOѭXELӃQGòng ÿLӋQ[RD\FKLӅXWKành
mӝWFKLӅXWUҥPQJKӏFKOѭXELӃQGòng ÿLӋQPӝWFKLӅXWKành xoay chiӅXWUҥPEù;
…
II.4. HͱWLêu thͽHӝWLêu thөOjQѫLWLrXWKөÿLӋQQăQJWùy theo tҫPTXDQWUӑQJWURQJQӅQNLQKWӃYà
xã hӝLPàhӝWLêu thөÿѭӧFFXQJFҩSÿLӋQYѫLPӭFÿӝWLQFұ\NKiFQKDX`HͱORL:lànhӳQJKӝNKibӏQJѭQJFXQJFҩSÿLӋQVӁJk\WKLӋWKҥLOӟQYӅNLQKWӃÿHdӑDWtQKPҥQJFRQQJѭӡLKRһFҧQKKѭӣQJOӟQYӅFKtQKWUӏ««9ìvұ\KӝORҥLSKҧLÿѭӧFFXQJFҩSÿLӋQYӟLÿӝWLQFұ\FDRQKѭGQJKDLQJXӗQÿѭӡQJGk\KDLOӝFynguӗQGӵSKòng, …
`HͱORL:lànhӳQJKӝNKLEӏQJѭQJFXQJFҩSÿLӋQGүQÿӃQQKӳQJWKLӋWKҥLYӅNLQKWӃGRQJѭQJWUӋVҧQ[XҩWKѭKӓQJVҧQSKҭPOãng phí lao ÿӝQJ««3KѭѫQJiQFXQJcҩSÿLӋQFKRORҥLKӝQày sӁGӵDWUên kӃWTӫDVRViQKJLӳDYӕQÿҫXWѭ[k\GӵQJWKêm
và giá trӏWKLӋWKҥLNLQhtӃGRQJѭQJFXQJFҩSÿLӋQ`HͱORL:lànhӳQJKӝFKRSKpSQJѭQJFXQJFҩSÿLӋQWURQJWKӡLJLDQVӱDFKӳDWKD\thӃWKLӃWEӏVӵFӕQKѭQJWKѭӡQJNK{QJT~DPӝWQJj\ÿrP3KѭѫQJiQFXQJFҩSÿLӋQcho hӝORҥLFyWKӇGùng mӝWQJXӗQÿѭӡQJGk\PӝWOӝKhái niӋmvӅSKkQORҥLKӝWLêu thөFKӍÿ~QJYӟLQӅQVҧQ[XҩWQKӓ.KiLQLӋPÿycҫQSKҧLELӃQPҩWNKLF{QJQJKLӋSKyD–hiӋQÿҥLKyDÿҩWQѭӟFQJKƭDOàcҫQSKҧLÿҫXWѭUҩWQKLӅXYào hӋWKӕQJÿLӋQÿӇEҧRÿҧPFXQJFҩSÿLӋQFKRWҩWFҧFiFKӝWLêu thөÿLӋQTrong quá trình phân phӕLYjNLQKGRDQKÿLӋQQăQJFҫQSKҧLW{QWUӑQJFiFÿһFÿLӉPWLrXGQJÿLӋQQăQJYàcácyêucҫXYӅWLêu thөKjQJKRiÿLӋQQăQJFӫDKӝWLêu
thөIII. CÁC TRҤ0%,ӂ1È3TrҥPELӃQiSOàmӝWSKҫQWӱTXDQWUӑQJWURQJKӋWKӕQJÿLӋQGXQJOѭӧQJFiFWUҥPbiӃQiSWURQJWRàn hӋWKӕQJÿLӋQOӟQKѫQJҩSQKLӅXOҫQGXQJOѭӧQJFiFQKjPi\ÿLӋQCác chӍWLêu vӅNLQKWӃ–kӻWKXұWFӫDKӋWKӕQJÿLӋQSKөWKXӝFQKLӅXYjRGXQJOѭӧQJ;vӏWUtVӕOѭӧQJSKѭѫQJWKӭFYұQKành ; …… cӫDFiFWUҥPELӃQiSTheo cҩSÿLӋQiptacócáctrҥPELӃQiSQKѭVDX`CҩSFDRiS500 kV – dùng cho hӋWKӕQJÿLӋQTXӕFJLDQӕLOLӅQEDPLӅQ220 kV –GQJFKROѭӟLÿLӋQWUX\ӅQWҧLOѭӟLÿLӋQNKXYӵF

