
L p: TĐH – K06 - 3ơTông h p đi u khi n hê điên ơ ề ể
cơ
Muc luc
1.Chon s bô may biên ap nguôn: ơ ........................................................................ 4
1.1.Cac thông sô cua may biên ap: .................................................................. 4
1.2.Tinh thiêt kê may biên ap: .......................................................................... 5
2.Tinh chon mach l c: ư ........................................................................................ 11
2.1.Tinh chon Thyristor cho bô chinh l u đi u khi n: ư ề ể .................................. 11
2.2.Tinh chon bô bao vê cho Thyristor: .......................................................... 12
2.3.Đô thi điên ap va dong điên trên tai cua bô chinh l u đi u khi n: ư ề ể ......... 13
3.Xây d ng ho đăc tinh c :ư ơ ................................................................................ 15
4.Tông h p mach vong dong điên: ơ ..................................................................... 18
4.1.Mô hinh toan hoc cua bô chinh l u: ư ......................................................... 18
4.2.Mô hinh toan hoc cua đông c môt chiêu kich t đôc lâp: ơ ư ...................... 18
4.3.S đô câu truc mach vong dong điên: ơ ...................................................... 20
5.Tông h p mach vong tôc đô: ơ ........................................................................... 22
6.Mô phong hê thông: ......................................................................................... 25
6.1.Mach vong dong điên: .............................................................................. 25
6.2.Mach vong tôc đô: .................................................................................... 27
Đăng Văn Long1

L p: TĐH – K06 - 3ơTông h p đi u khi n hê điên ơ ề ể
cơ
Đ bài:ề
+ Ch nh l u đo chi u đi u khi n riêngỉ ư ả ề ề ể
+ Cho đ th răng c aồ ị ư
+ Cho đng c m t chi u kich t đôc lâp: ộ ơ ộ ề ư
Pđm = 2,8 [kW]
Uđm = 220 [V]
Iđm = 17 [A]
nđm = 1500 [v/ph]
Rư = 1,2 [ ]Ω
Lư = 0,025 [H]
J = 0,12 [kg.m2]
Đăng Văn Long2
Uđk [V]
4,5
- 4,5
0 /2π π 2π3π
ω
e.t
α
1α
2
FX 1 FX 2

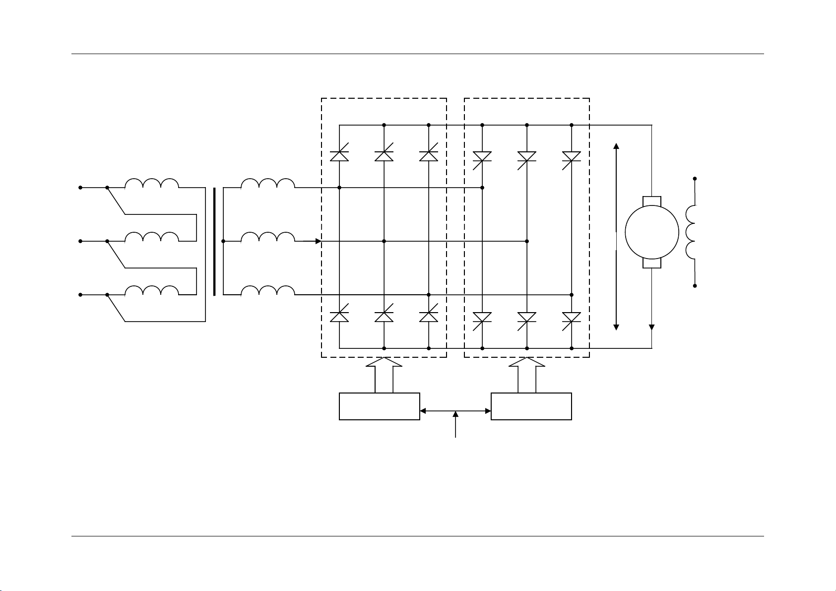
L p: TĐH – K06 - 3ơTông h p đi u khi n hê điên c ơ ề ể ơ
Đăng Văn Long3
Đ
Ch nh l u 1ỉ ư
BAN
I2
Id
U2
Ud
Ch nh l u 2ỉ ư
+
-
U1
Phát xung 1 Phát xung 2
Uđk

L p: TĐH – K06 - 3ơTông h p đi u khi n hê điên ơ ề ể
cơ
1. Chon s bô may biên ap nguôn: ơ
1.1. Cac thông sô cua may biên ap:
+Điên ap trên cuôn dây s câp: ơ
U1đm = 380 [V]
+ Ph ng trinh cân băng điên ap: ươ
Ed = Ud + ΔUv + ΔUBA
V i:ơUd: điên ap đinh m c cua đông c (U ư ơ d = Uđm = 220 V)
ΔUv: đô sut ap trung binh trên cac Thyristor
Chon ΔUv = 2.2 = 4 [V] {sut ap trên môt van la: 2V}
ΔUBA: đô sut ap trên may biên ap (chon ΔU BA = 5%.Ud)
ΔUBA = 5%.220 = 11 [V]
Do vây:
Ed = 220 + 4 + 11 = 235 [V]
+Công suât cua tai:
Pd = Ed.Id
Trong đo:
Id = Iđm = 17 [A]
Do đo:
Pd = 235.17
4000 [W]
+Công suât cua may biên ap nguôn:
SBA = 1,05.Pd = 1,05. 4000
=> SBA = 4200 [VA] = 4,2 [kVA]
+Điên ap cuôn dây th câp: ơ ư
][43,100
34,2
235
2
V
k
E
U
u
d
đm
ku: hê sô điên ap cua mach chinh l u đi u khi n câu 3 pha (k ư ề ể u = 2,34)
Đăng Văn Long4

L p: TĐH – K06 - 3ơTông h p đi u khi n hê điên ơ ề ể
cơ
T đo: ta co hê sô may biên ap K ư BA
78,3
43,100
380
2
1
đm
đm
BA
U
U
K
+ Dong điên cuôn dây th câp: ơ ư
I2đm = ksđ.Id = 0,816.Iđm = 0,816.17 => I2đm = 13.87 [A]
ksđ: hê sô dong điên cua s đô câu 3 pha (k ơ sđ = 0,816)
+ Dong điên cuôn dây s câp: ơ ơ
][67,3
78,3
87,13
2
1
A
K
I
I
BA
đm
đm
Vây ta cân dung may biên ap co cac thông sô:
Công suât cua may biên ap: SBA = 4,2 [kVA]
Hê sô may biên ap: KBA = 3,78
Điên ap đinh m c s câp: ư ơ ơ U1đm = 380 [V]
Điên ap đinh m c th câp: ư ơ ư U2đm = 100,43 [V]
Dong điên đinh m c s câp: ư ơ ơ I1đm = 3,67 [A]
Dong điên đinh m c th câp: ư ơ ư I2đm = 13,87 [A]
1.2. Tinh thiêt kê may biên ap:
Chon may biên ap ba pha ba tru
6.1. Thiêt diên cua tru:
fm
S
KQ
BA
QFe
.
.
V i: ơQFe: thiêt diên cua tru may biên ap
KQ: hê sô (KQ = 5,6
6,4). Chon KQ = 6
m: sô pha cua may biên ap (m = 3)
f: tân sô l i điên (f = 50 Hz) ươ
SBA: công suât biêu kiên may biên ap (S BA = 4,2 kVA = 4200 VA)
T đo, ta đc: ư ươ
Đăng Văn Long5

