
&+ѬѪ1*6:Ĉ,ӄU
KHIӆN CÁC THIӂT Bӎ
Bài 1: HiӇn thӏLED 7 thanh 1
Bài 1: HiӇnthӏLED 7 thanh
7-segment display
CHѬѪNG 6:
ĈiӅu khiӇn các thiӃtbӏ
&+ѬѪ1*6:Ĉ,ӄU
KHIӆN CÁC THIӂT Bӎ
Bài 1: HiӇn thӏLED 7 thanh 2
Cҩutҥo LED 7 thanh

&+ѬѪ1*6:Ĉ,ӄU
KHIӆN CÁC THIӂT Bӎ
Bài 1: HiӇn thӏLED 7 thanh 3
Cҩutҥo LED 7 thanh
•Mӛi hiӇn thӏgӗm 7 nét: a, b, c, d, e, f, g
•CóthӇcó nét chҩm pts (point)
•Gӗm 2 loҥi: katot chung vàDQRWFKXQJ
•7Kѭӡng dùQJÿӇ hiӇn thӏgiá trӏsӕ
•CóthӇhiӇn thӏchӳA,b, C, d, E, F, g, h, I, L, n, o, P, q, S,
t, u, V
•ĈӇ hiӇn thӏký tӵphӭc tҥSKѫQFóthҿdùng LED 14 thanh
&+ѬѪ1*6:Ĉ,ӄU
KHIӆN CÁC THIӂT Bӎ
Bài 1: HiӇn thӏLED 7 thanh 4
ĈiӅu khiӇnbҵng vi mҥch giҧimã
•ĈLӅu khiӇn loҥi anot chung, dùng TTL 74*46/47
($93
;
;
5(6(7
5'
:5
,17
,17
7
7
3
3
3
3
3
3
3
3
3
3
3
3
3
3
3
3
3
3
3
3
3
3
3
3
36(1
$/(3
7;'
5;'
8
/D/E/F/G/H/I/J/SW
DEFGHIJSW
$
%
&
'
%
/7
5%
D
E
F
G
H
I
J
8
61
5J 5I 5H 5G 5F 5E 5D

&+ѬѪ1*6:Ĉ,ӄU
KHIӆN CÁC THIӂT Bӎ
Bài 1: HiӇn thӏLED 7 thanh 5
ĈiӅu khiӇnbҵng vi mҥch giҧimã
Cҩu trúc TTL 74*46/47
&+ѬѪ1*6:Ĉ,ӄU
KHIӆN CÁC THIӂT Bӎ
Bài 1: HiӇn thӏLED 7 thanh 6
ĈiӅu khiӇnbҵng vi mҥch giҧimã
•ĈLӅu khiӇn loҥi kanot chung, dùng TTL 74*48/49

&+ѬѪ1*6:Ĉ,ӄU
KHIӆN CÁC THIӂT Bӎ
Bài 1: HiӇn thӏLED 7 thanh 7
ĈiӅu khiӇnbҵng vi mҥch giҧimã
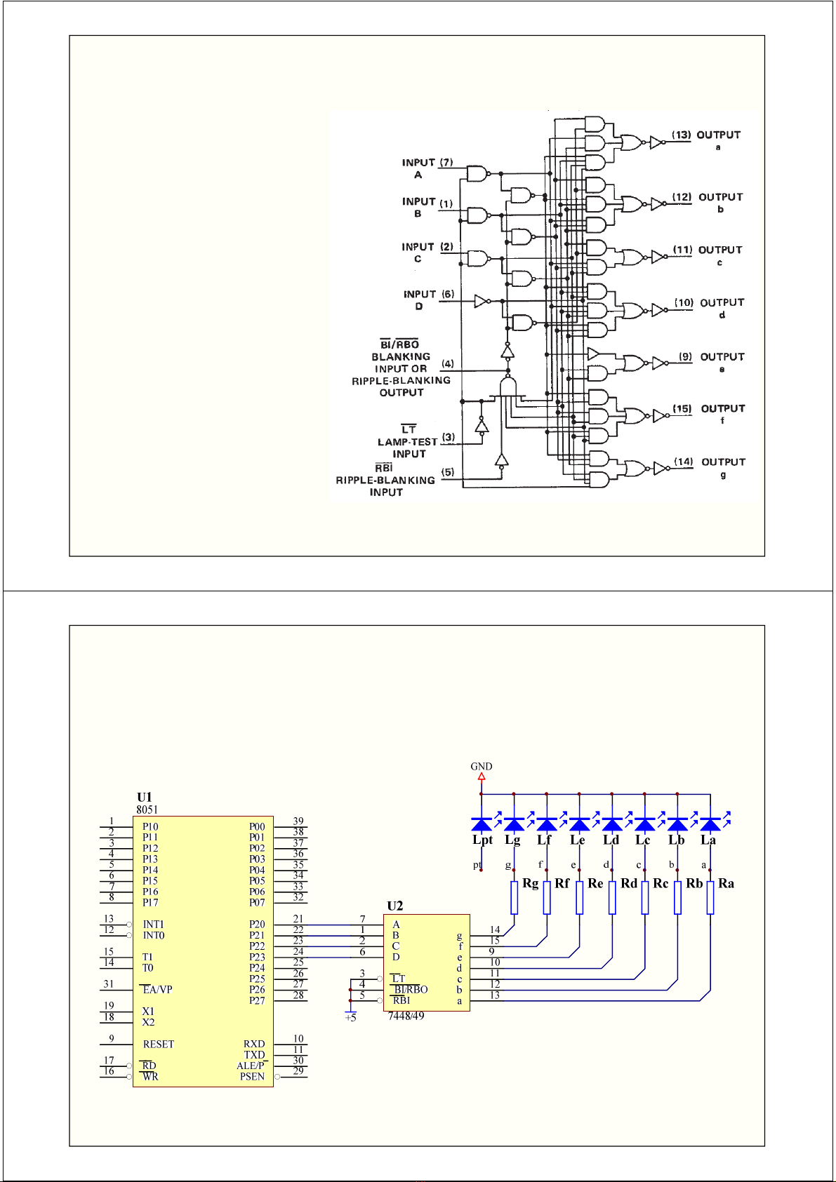
Cҩu trúc TTL 74*48/49
&+ѬѪ1*6:Ĉ,ӄU
KHIӆN CÁC THIӂT Bӎ
Bài 1: HiӇn thӏLED 7 thanh 8
Cҩutҥo LED 7 thanh nhiӅuchӳsӕ
/D/E/F/G/H/I
/J
/SW
DEFGHIJSW
/D/E/F/G/H/I/J/SW
&20 &20

&+ѬѪ1*6:Ĉ,ӄU
KHIӆN CÁC THIӂT Bӎ
Bài 1: HiӇn thӏLED 7 thanh 9
ĈiӅu khiӇn LED 7 thanh nhiӅuchӳsӕ
&+ѬѪ1*6:Ĉ,ӄU
KHIӆN CÁC THIӂT Bӎ
Bài 1: HiӇn thӏLED 7 thanh 10
Ví dө: Ghép trӵctiӃp 8051 vӟi
modul 4 LED 7 thanh

