
GI I THI U M T SỚ Ệ Ộ Ố
PH NG PHÁP ƯƠ
PHÂN TÍCH S C KÝẮ
(2)

20.7 S C KÝ KHÍ GC (Gas Chromatography)Ắ
– Nguyên tắc
– Hệ sắc ký khí
– Kỹ thuật thực nghiệm & ứng dụng
CH NG ƯƠ
20
M T S PH NG PHÁP PHÂN Ộ Ố ƯƠ
TÍCH S C KÝẮ

NGUYÊN T CẮ
S c ký khí (GC): PP s c ký mà ắ ắ φm là ch t khí ho c ấ ặ
d ng h iở ạ ơ
S c ký khí h p phắ ấ ụ φS là ch t h p ph r nấ ấ ụ ắ
φS là màng m ng ch t ỏ ấ
l ng trên b m t ch t ỏ ề ặ ấ
h p ph r nấ ụ ắ
S c ký khí phân bắ ố
(SK khí – l ng)ỏ
Các đi l ng đc tr ng cho quá trình GC bao ạ ượ ặ ư
g m th i gian l u, h s phân b , h s ch a, h ồ ờ ư ệ ố ố ệ ố ứ ệ
s ch n l c, đ phân gi i, chi u cao đĩa lý thuy t … ố ọ ọ ộ ả ề ế
Nhìn chung, các m u đc bay h i cho đn 450ẫ ượ ơ ế 0C
mà không b phân h y đu có th đc nghiên c u ị ủ ề ể ượ ứ
trên GC

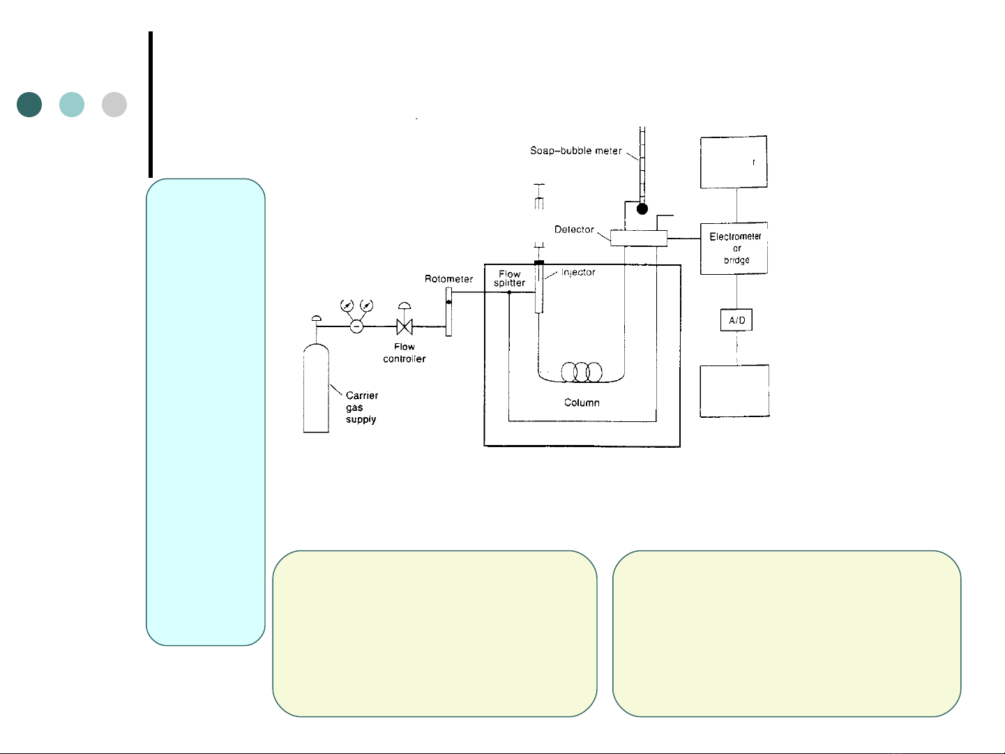
K THU T TH C NGHI MỸ Ậ Ự Ệ
S đ máy s c ký khíơ ồ ắ
3
4
1
2
5
6
THI TẾ
BỊ
S CẮ
KÝ
KHÍ
1. H th ng bình khíệ ố
2. B n p m uộ ạ ẫ
3. H th ng c t táchệ ố ộ
4. Detector
5. B ghiộ
6. B ph n in k t quộ ậ ế ả

Lò c tộ
C tộ
AIR
H2
N2(He)
INJECTOR DETECTOR Máy tính
Maùy in
Tiêm m u t đngẫ ự ộ
Chia
dòng
Làm s ch Septumạ
Khí b tr cho c t mao qu nổ ợ ộ ả
L c mọ ẩ
L c HYDROCARBONọ
L c OXYGENọ
Máy s c ký khíắ

