
BÀI T P L N MÔN H C PLCẬ Ớ Ọ
Sinh viên: Tr n Ng c Ánh . L p : ĐH Đi n A-K3ầ ọ ớ ệ
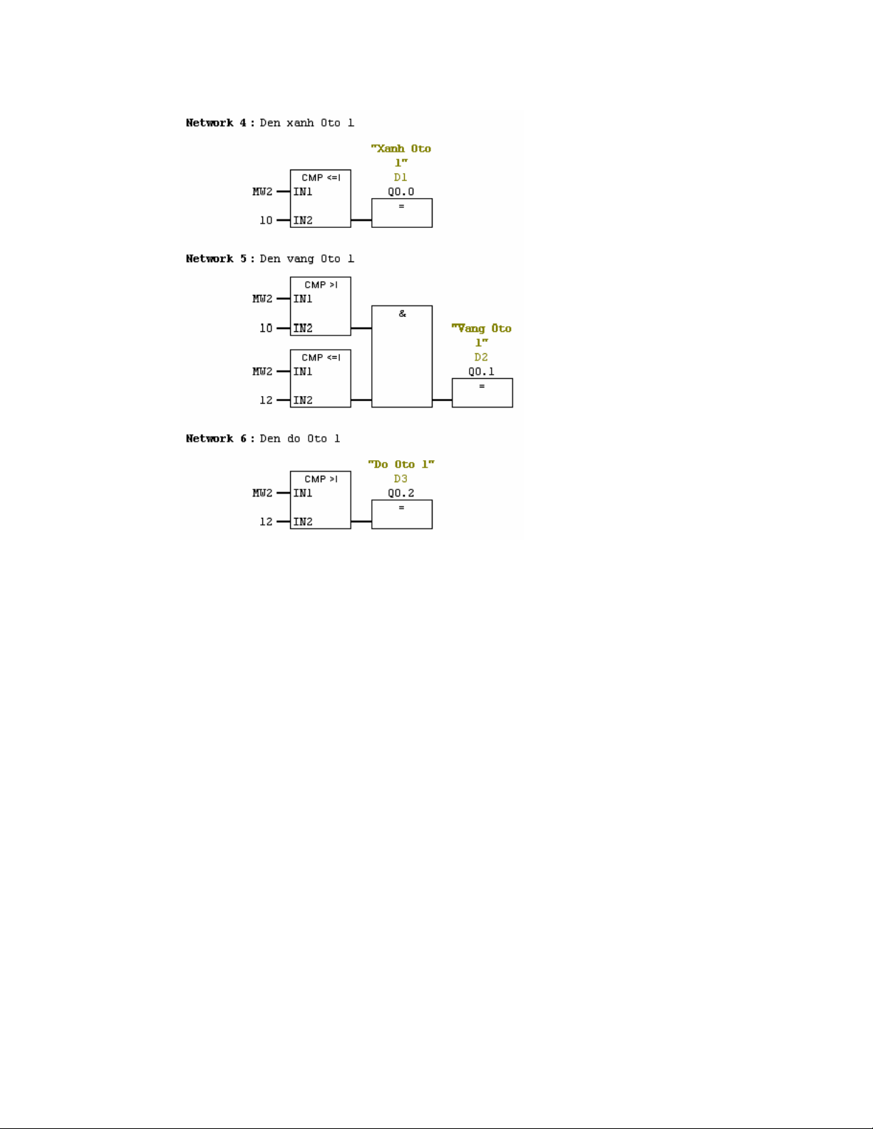
Bài t p ậ: Thi t k đi u khi n đèn giao thông ngã t dùngế ế ề ể ở ư
S7_200
Yêu c u công ngh : ầ ệ vi t ch ng trình đi u khi n đèn giao thôngế ươ ề ể
Xanh → vàng → đ → xanh → vàng → đ → xanh …ỏ ỏ
Đi u khi n đèn giao thông ho t đ ng bình th ng nh trênề ể ạ ộ ườ ư
Thêm 1 nút chuy n ch đ Mể ế ộ
-Đ u tiên n S1 h th ng làm vi c bình th ng nh trênầ ấ ệ ố ệ ườ ư
-N u n M h th ng chuy n sang ch đ nháy(ch đèn vàng nháy) v i chuế ấ ệ ố ể ế ộ ỉ ớ
kỳ 1s
-N u n S1 thì tr v ch đ ho t đ ng bình th ng ế ấ ở ề ế ộ ạ ộ ườ





