
http://www.ebook.edu.vn
Bài giảng Hệ Thống Điều Khiển Số (ĐCKĐB) T©B
Chöông 8: Bộ điều khiển động cơ không đồng bộ ba pha VIII.1
Chương 8: HỆ THỐNG ĐIỀU KHIỂN SỐ
I. Cấu trúc một hệ thống điều khiển động cơ
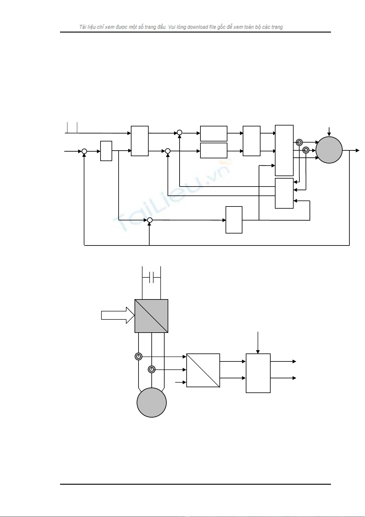
I.1. Sơ đồ khối một hệ thống điều khiển động cơ KĐB 3 pha
Bộ điều khiển
Bộ xử lý
PWM
Q
EP ADC
SCI
I/O
ADC
L3
L2
L1
N
L
TL
a
i
MTu
BBĐ
ω
–
*
sd
i+ PI
PI
MTi
–
+
*
r
ψ
CTĐ
ω
*
sl
ω
r
ω
r
θ
*
sq
i
sd
i
sq
i
sd
i
Δ
sq
i
Δ
'
sd
u
'
sq
u
sd
u
sq
u
∫
PI
–
+
*
ωωΔ
ω
+
+
*
sl
ω
b
i
a
u
b
u
c
u
r
θ
r
θ
Motor
~3

http://www.ebook.edu.vn
Bài giảng Hệ Thống Điều Khiển Số (ĐCKĐB) T©B
Chöông 8: Bộ điều khiển động cơ không đồng bộ ba pha VIII.2
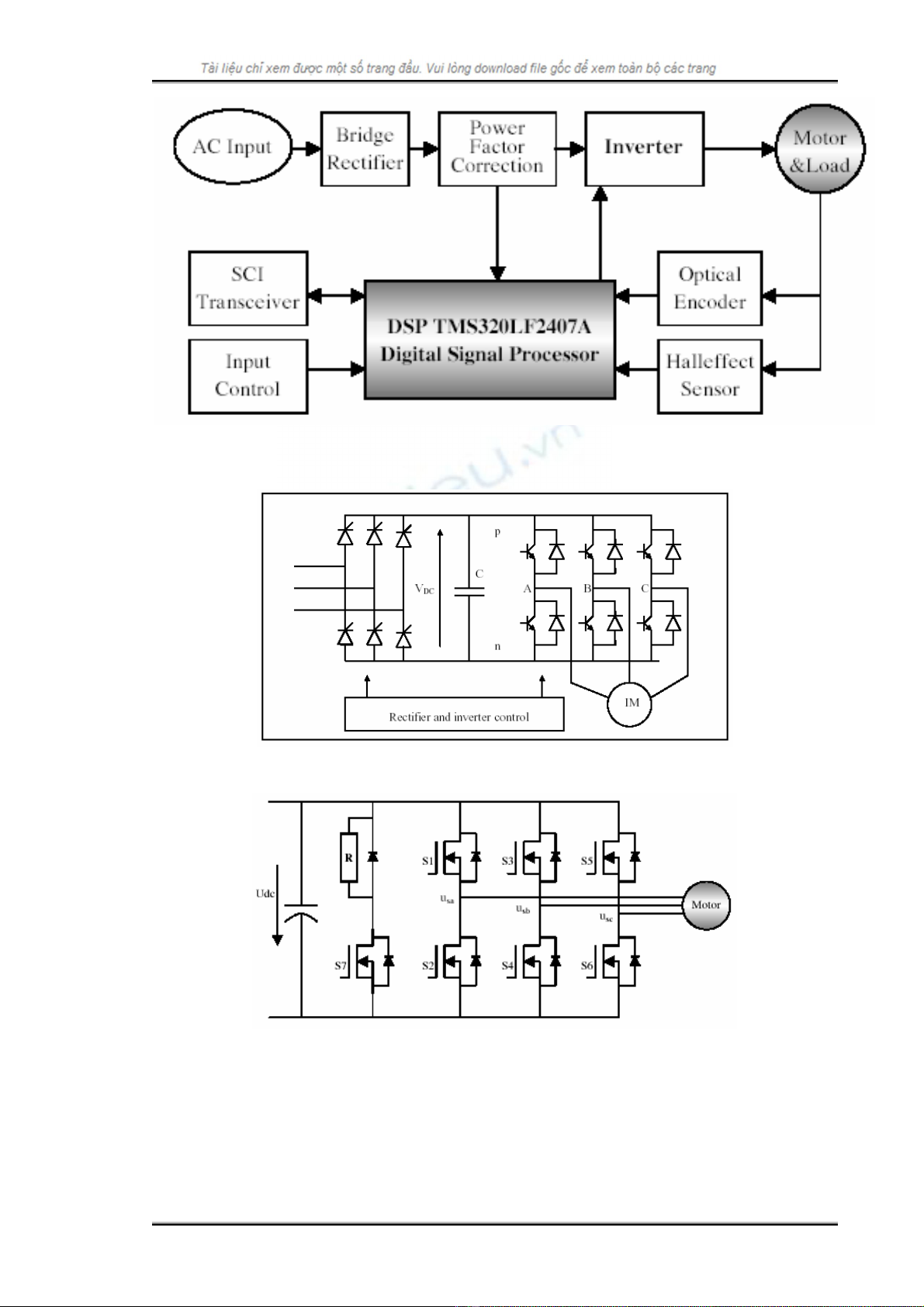
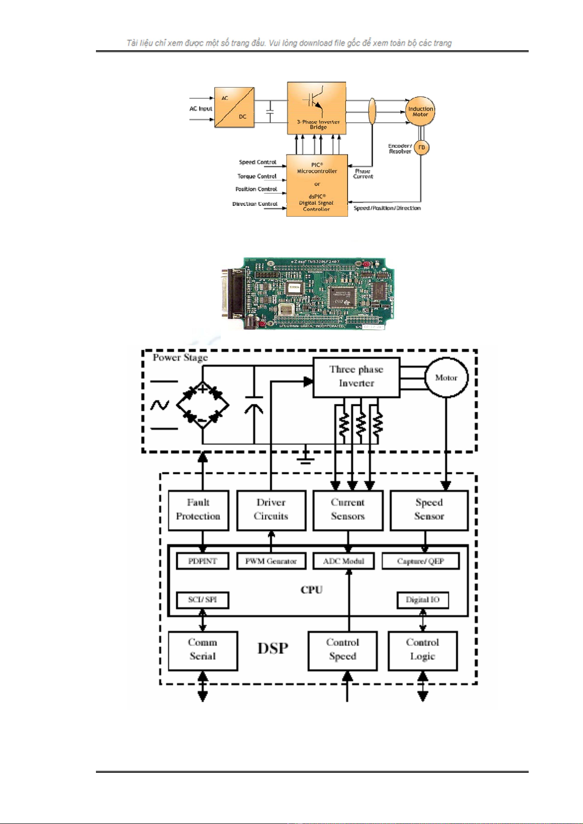
I.2. Các khối chức năng
¾ Bộ chỉnh lưu
¾ Bộ nghịch lưu 3 pha và mạch kích (FPGA, DSP)
¾ Hãm
¾ Bộ xử lý

http://www.ebook.edu.vn
Bài giảng Hệ Thống Điều Khiển Số (ĐCKĐB) T©B
Chöông 8: Bộ điều khiển động cơ không đồng bộ ba pha VIII.3
dsPIC
DSP
¾ Cảm biến đo lường
¾ Mạch giao tiếp, nối mạng

http://www.ebook.edu.vn
Bài giảng Hệ Thống Điều Khiển Số (ĐCKĐB) T©B
Chöông 8: Bộ điều khiển động cơ không đồng bộ ba pha VIII.4
II. Cảm biến đo lường
II.1. Đo điện áp DC
Sử dụng bộ chuyển đổi ADC của bộ điều khiển thông qua mạch chia áp...
II.2. Cảm biến đo dòng điện
Đo điện áp trên điện trở Shunt
Biến dòng
Ñ.cô KÑB
==
3~
Vdc
Ñieàu
khieån
M
3~
a b c
Bieán
taàn
2=
3
isa
isb
isα
isβ
r
j
e
θ
−
isd
isq
θr
TL
a
i
MTu
BBĐ
ω
–
*
sd
i+ PI
PI
MTi
–
+
*
r
ψ
CTĐ
ω
*
sl
ω
r
ω
r
θ
*
sq
i
sd
i
sq
i
sd
i
Δ
sq
i
Δ
'
sd
u
'
sq
u
sd
u
sq
u
∫
PI
–
+
*
ωωΔ
ω
+
+
*
sl
ω
Động
cơ
b
i
a
u
b
u
c
u
r
θ
r
θ

http://www.ebook.edu.vn
Bài giảng Hệ Thống Điều Khiển Số (ĐCKĐB) T©B
Chöông 8: Bộ điều khiển động cơ không đồng bộ ba pha VIII.5
Cảm biến Hall
II.3. Cảm biến đo tốc độ
Tachometter
Incremental Encoder

