
ĐÈN GIAO THÔNG CHO GIAO L GI A Đ NG S TỘ Ữ ƯỜ Ắ
VÀ Đ NG BƯỜ Ộ
I. HI N TR NG:Ệ Ạ
Hàng năm, d c theo tuy n đ ng s t B c –<st1:country-regionọ ế ườ ắ ắ
w:st="on">Nam</st1:country-region>có nhi u v tai n n giao thông x y raề ụ ạ ả
ch y u nh ng khu v c đ ng b c t ngang đ ng s t . H u h tủ ế ở ữ ự ườ ộ ắ ườ ắ ầ ế
nh ng n i x y ra tai n n đ u không có nhân viên h a xa trong coi, khôngữ ơ ả ạ ề ỏ
có rào ch n. Do đó ng i đi đ ng th ng không tôn tr ng quy t c anắ ườ ườ ườ ọ ắ
toàn d n đ n nhi u v tai n n th ng tâm đáng ti c x y ra.ẫ ế ề ụ ạ ươ ế ả
II. KH C PH CẮ Ụ
Đ kh c ph c tinh tr ng đó,chúng ta có th s d ng m tể ắ ụ ạ ể ử ụ ộ h th ngệ ố t đ ngự ộ
c nh báo có rào ch n đ thay th nhân viên h a xa nh m giam chi phí vàả ắ ể ế ỏ ằ
gi m tai n n giao thông đ ng s t. ng d ng s d ng c p phát và thuả ạ ườ ắ Ứ ụ ử ụ ặ
h ng ngo i thu nh n d li u. D li u đ c x lí b i vi đi u khi n 89C51ồ ạ ậ ữ ệ ữ ệ ượ ử ở ề ể
đ đi u khi n vi c đóng m rào ch n, c nh báo b ng đèn hi n th vàể ề ể ệ ở ắ ả ằ ể ị
loa.M i m t c p phát thu h ng ngo i đ c l p đ t m i đ u giao l .ỗ ộ ặ ồ ạ ượ ắ ặ ở ỗ ầ ộ
Kho ng cách t c m bi n đ n giao l là 1km v i t c đ tàu ch y kho ngả ừ ả ế ế ộ ớ ố ộ ạ ả
40km/h. Chi u cao v trí l p c m bi n ph i th p h n chi u cao c a toa xeề ị ắ ả ế ả ấ ơ ề ủ
đ h th ng ho t đ ng đúngể ệ ố ạ ộ
III. HO T Đ NG:Ạ Ộ
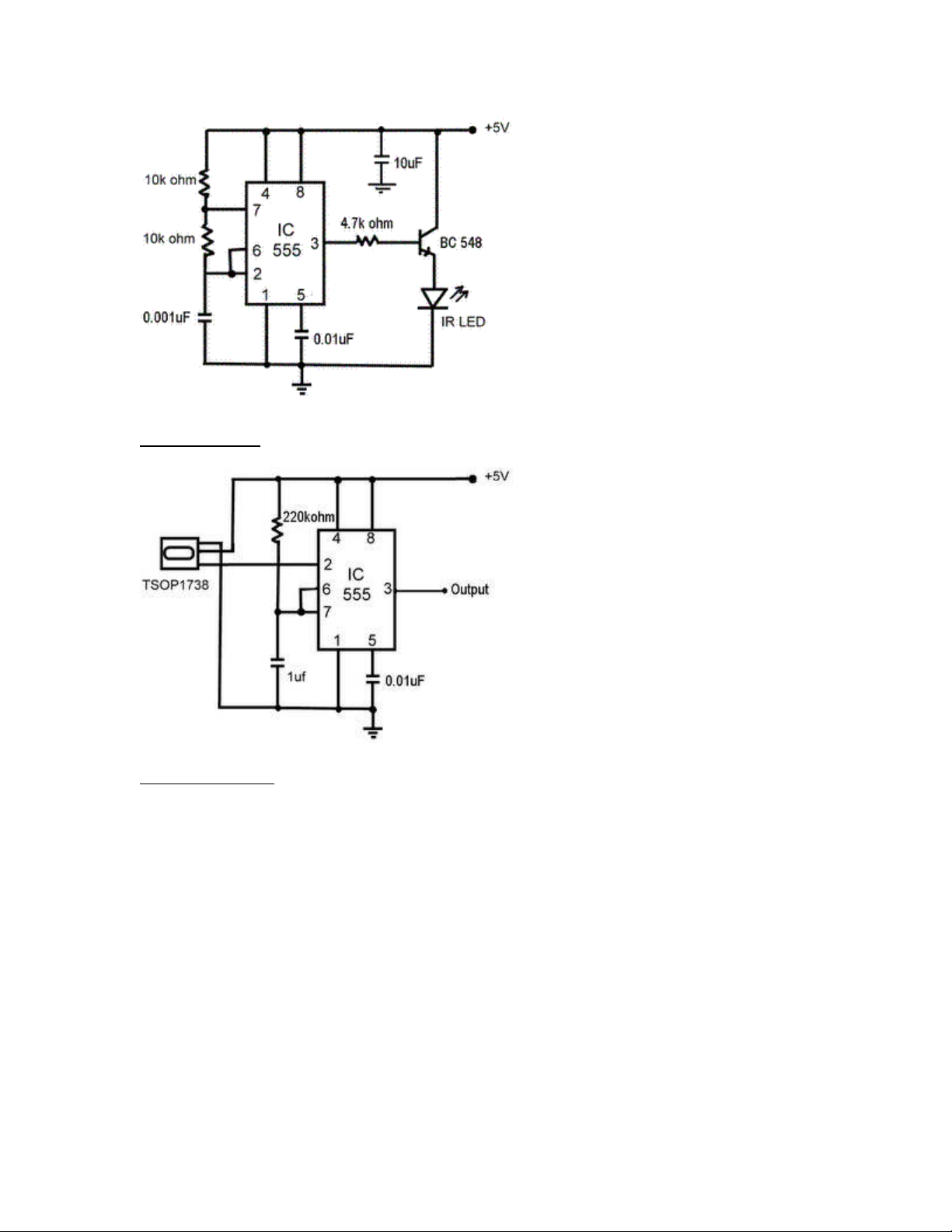
H TH NG C M BI N PHÁT THU H NG NGO I:Ệ Ố Ả Ế Ồ Ạ
B ph n phátộ ậ : dùng IC 555 t o xung ngõ ra 3 v i ngu in c p 5V. Tínạ ở ớ ồ ấ
hi u xung đ c chuy n thành tín hi u h ng ngo i nh Led h ng ngo i vàệ ượ ể ệ ồ ạ ờ ồ ạ
transistor lái BC 548.

B ph n thuộ ậ : S d ng TSOP1738 đ thu tín hi u h ng ngo i.ử ụ ể ệ ồ ạ
HO T Đ NG:Ạ Ộ
Tr ng thái bình th ng không có tàu h a băng qua c p phát thu, ngõ ra 3ạ ườ ỏ ặ
c a IC 555 b ph n thu m c cao. Khi có tàu h a di chuy n qua c pủ ở ộ ậ ở ứ ỏ ể ặ
h ng ngo i, ngõ ra 3 c a IC 555 b ph n thuồ ạ ủ ở ộ ậ chy n sang m c th p. Ngõể ứ ấ
ra 3 c a IC 555 b ph n thu đ c n i v i vi đi u khi n. Vi đi u khi nủ ở ộ ậ ượ ố ớ ề ể ề ể
nh n đ c s thay đ i và đi u khi n vi c đóng m c ng ch n cũng nhậ ượ ự ổ ề ể ệ ở ổ ắ ư
phát tín hi u báo cho ng i đi đ ng b ng còi h và đèn.ệ ườ ườ ằ ụ
Gi s tín hi u c a c m bi n 1 chuy n v m c th p tr c thì có tácả ử ệ ủ ả ế ể ề ứ ấ ướ
d ng đóng c ng ch n, b t còi h , t t đèn xanh , b t đèn đ . Kho ng cáchụ ổ ắ ậ ụ ắ ậ ỏ ả
1km nh m t o đ th i gian cho tàu qua giao l khi đ n g p c m bi n 2.ằ ạ ủ ờ ộ ế ặ ả ế
Sau khi tín hi u c a c m bi n 2 chuy n v m c th p thì h th ng tr vệ ủ ả ế ể ề ứ ấ ệ ố ở ề
tr ng thái ch a có tàu qua: m c a, t t còi và đèn đ , b t đèn xanh.ạ ư ở ử ắ ỏ ậ

Tr ng h p ng c l i hoàn toàn t ng t . bên c nh đó chúng ta cũng cóườ ợ ượ ạ ươ ự ạ
th thay đèn xanh b ng đèn vàng ch p nháy liên t c đ ti n cho vi c c nhể ằ ớ ụ ể ệ ệ ả
báo.
đây, đ vi c mô ph ng đ c tr c quan, tín hi u vào vi đi u khi n c aỞ ể ệ ỏ ượ ự ệ ề ể ủ
c m bi n đ c thay b ng các m c logic. Còi h đ c thay b ng m t ledả ế ượ ằ ứ ụ ượ ằ ộ
đ n màu đ .ơ ỏ
IV. GI I THU T CH NG TRÌNH:Ả Ậ ƯƠ
1. CH NG TRÌNH CHÍNH:ƯƠ
2. T O TRÌ HOÃN 2 PHÚTẠ

3. ĐI U KHI N MOTOR BUOC ĐÓNG M C NGỀ Ể Ở Ổ
QUAY THU N : ĐÓNGẬ

QUAY NG C: MƯỢ Ở

