
56
Bài 4. CHƢNG CẤT DẦU THÔ Ở ÁP SUẤT CHÂN KHÔNG
Mã bài: HD B4
1. GIẢNG GIẢI VÀ ĐƢA RA CÁC VÍ DỤ MINH HỌA CÁC NỘI DUNG
1.1. Đặc điểm của quá trình chƣng cất chân không
1.1.1. Chƣng cất dầu thô ở áp suất chân không
- Giải thích vì sao phải tiến hành chƣng cất cặn mazut trong chân
không.
- Sản phẩm của chƣng cất mazut trong chân không.
- Các phƣơng pháp tăng hiệu quả chƣng cất chân không.
1.1.2. Đặc điểm chƣng cất trong tháp chân không
- Giảng đặc điểm chế độ hoạt động của tháp chân không, giải thích tại
sao lại có đặc điểm đó, so sánh với tháp chƣng cất khí quyển.
- Giảng đặc điểm kích thƣớc và cấu tạo của tháp chân không
- Phân tích đặc điểm của các sơ đồ trích distilat từ tháp chân không
(hình 4.1).
Hình 4.1. Sơ đồ trích distilat từ tháp chân không.
a- Lấy chất lỏng từ ống rót của mâm; b- qua tháp bay hơi; c- qua bể chứa.
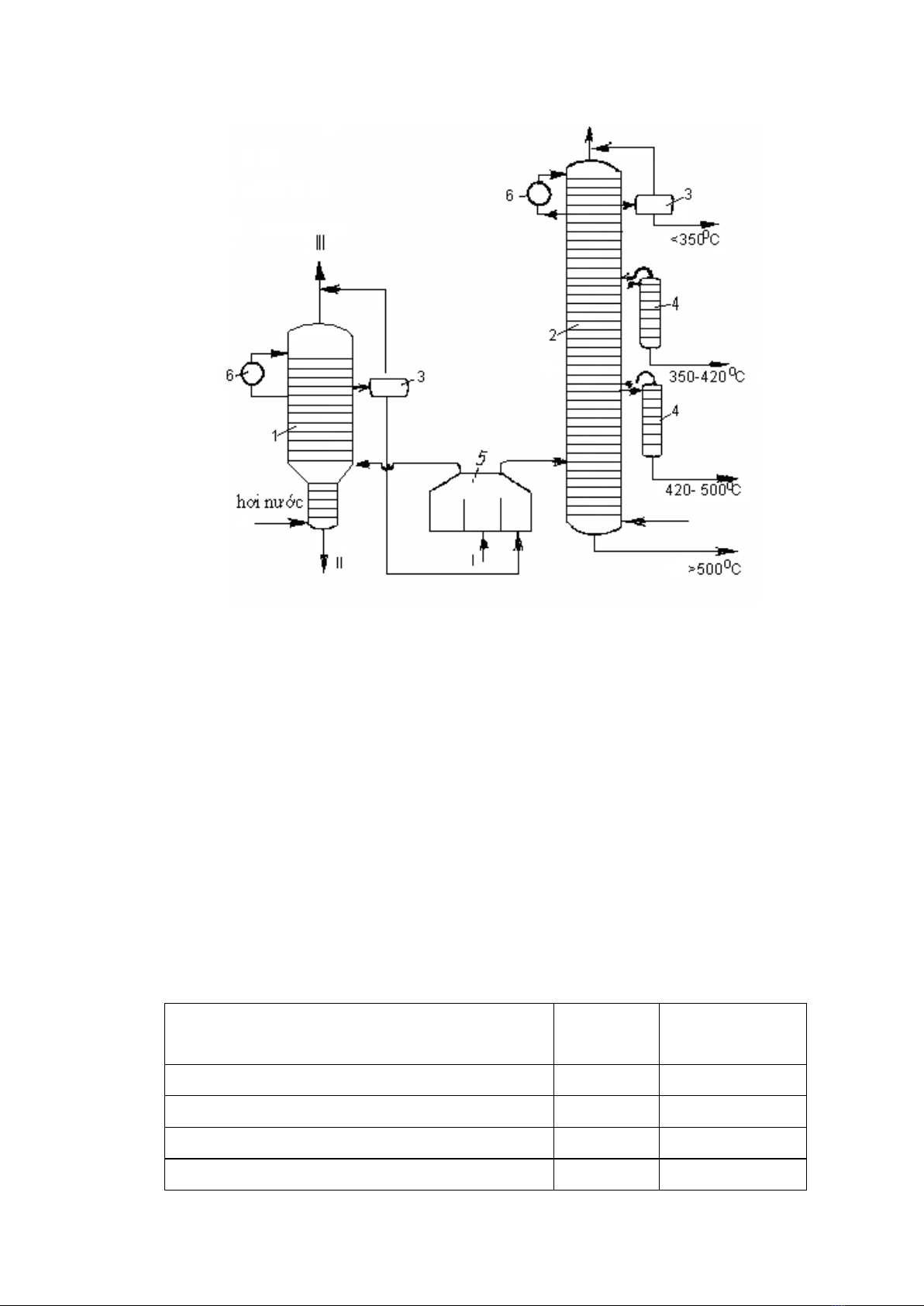
- Giảng sơ đồ chƣng cất mazut trong hai tháp chƣng cất (hình 4.2):
phƣơng cách hoạt động, ƣu và nhƣợc điểm của sơ đồ.

57
Hình 4.2. Sơ đồ chƣng cất mazut trong hai
tháp chân không nối tiếp.
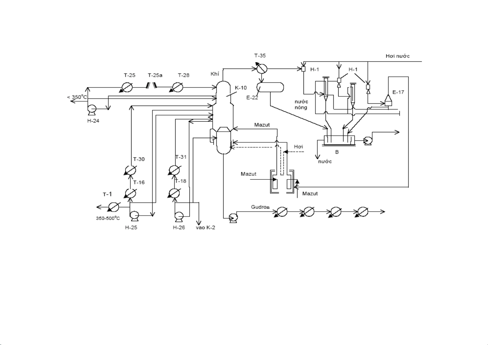
1.1.3. Sơ đồ công nghệ cụm chƣng cất chân không
- Vẽ sơ đồ nguyên tắc cụm chƣng cất chân không (hình 4.3)
- Giảng sơ đồ vận hành của sơ đồ, lƣu ý hoạt động của các cụm
chính (tháp chƣng cất chân không K-10, thiết bị tạo chân không, lò
nung).
- Giảng cách tạo chân không trong tháp chƣng cất thông qua cụm tạo
chân không.
- Giải thích chế độ công nghệ, tại sao phải chọn chế độ nhƣ trong
bảng sau.
Bảng 4.1. Chế độ công nghệ
Chế độ
tối ƣu
Ngƣỡng cho
phép
Nhiệt độ, oC:
- Mazut tại cửa ra lò L-3
400
≤ 420
- Vách ngăn lò L-3
700
≤ 750
- Đỉnh tháp K-10
90
≤ 100

58
- Đáy tháp
345
≤ 350
- Hơi quá nhiệt
420
≤ 440
Áp suất dƣ trong tháp K-10, mm cột Hg
60
≥ 50
Áp suất hơi vào máy phun chân không,
atm
11,0
≥ 10,0
1.2. Thiết bị chƣng cất chân không
1.2.1. Thiết bị tạo chân không
- Liệt kê các thiết bị tạo chân không sử dụng trong công nghiệp chế
biến dầu.
- Giải thích các thiết bị cụ thể nhƣ sau:

59
Hình 4.3. Sơ đồ nguyên tắc cụm chƣng cất chân không
K-10- Tháp chân không; T-35- thiết bị ngƣng tụ; T-1, T-3, T-4, T-16, T-18, T-25, T-34- thiết bị trao đổi nhiệt; T-25a- thiết bị
ngƣng tụ bằng không khí; T-24, T-28, T-30, T-31- máy lạnh; H-1-bơm chân không phun hơi; H- máy bơm; E- bể chứa; L-
3- lò nung dạng ống, B- bể chứa nƣớc.

60
1. Thiết bị ngƣng tụ bề mặt
- Vẽ thiết bị ngƣng tụ bề mặt và bơm phun (ejector) với thiết bị ngƣng
tụ bề mặt trung gian (hình 4.4), giảng về nguyên lý hoạt động và tạo
chân không.
Hình 4.4. Thiết bị ngƣng tụ bề mặt dạng cố định
2. Máy bơm chân không.
- Các loại máy bơm chân không
- Vẽ sơ đồ bơm phun hơi (hình 4.5), giảng hoạt động của nó
Hình 4.5. Sơ đồ bơm tia hơi
3. Thiết bị ngƣng tụ khí áp
- Vẽ thiết bị ngƣng tụ khí áp 4.6), giảng về cấu tạo và hoạt động của
nó.
- Vẽ và giảng cấu tạo của bơm tia hơi hai bậc (hình 4.7).

