
1
Chương 3
ĐiỀU KHIỂN VÒNG KÍN ĐỘNG CƠ DC

2
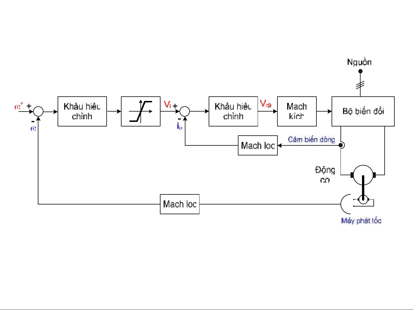
Hệ thống điều khiển vòng kín động cơ một chiều
+
-

3
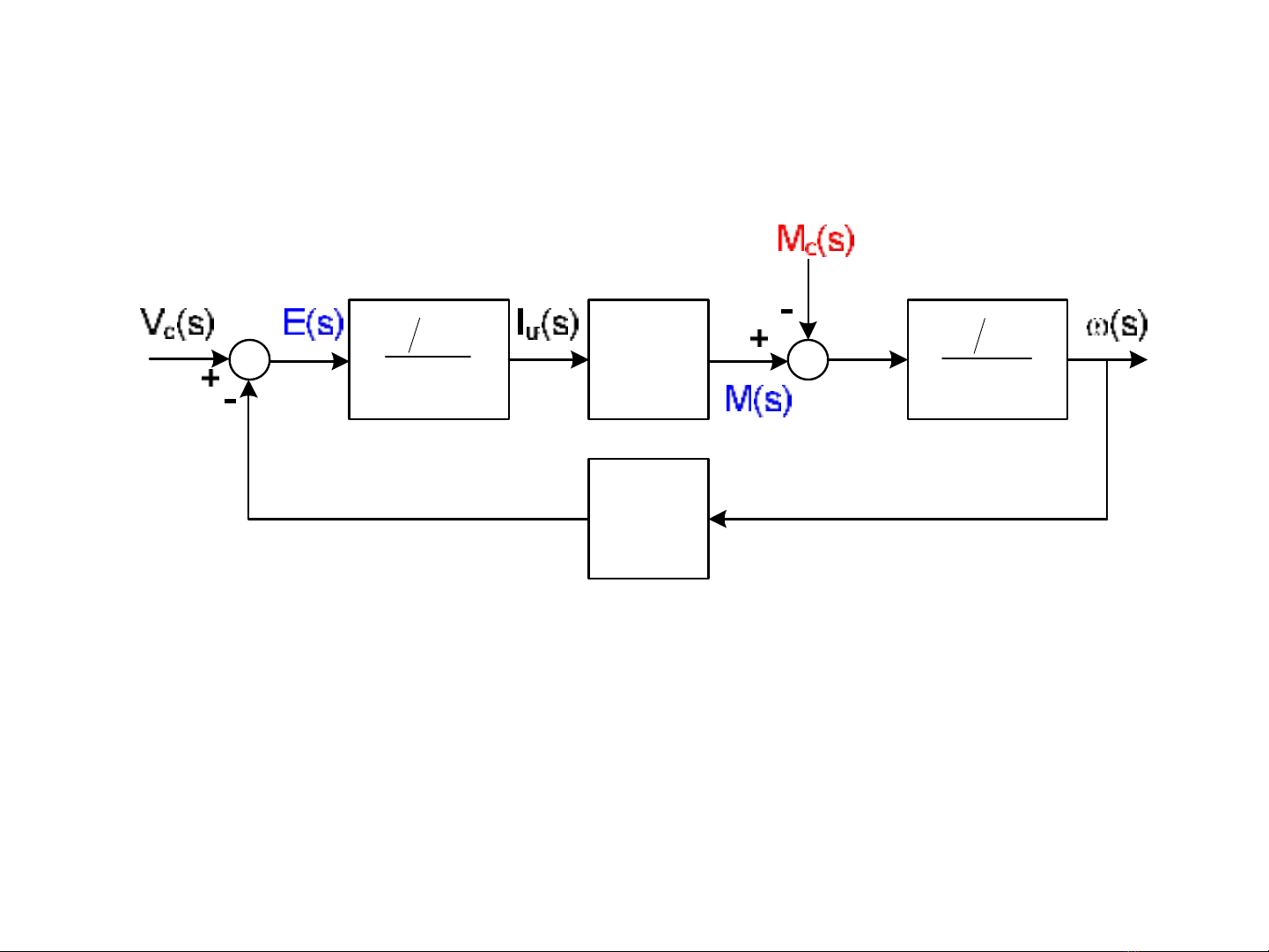
Hàm truyền động cơ DC kích từ độc lập
K
u
1
1
u
R
s
1
1
m
B
s
K

4
Hàm truyền động cơ DC kích từ độc lập
Xét với Mc= 0:
K
u
1
1
u
R
s
1
1
m
B
s
K
m
J
B
: thời hằng cơ của động cơ
u
u
u
R
L
: thời hằng điện từ của động cơ

5
Hàm truyền động cơ DC kích từ độc lập
1
1
( 1)
( 1)
m m
m
k s
s
2
1
m
m
k
s
Hệ thống trên có thể rút gọn thành:
Xét với Mc= 0:
12
u
m
u
R B
K R B
2
m
u
K
k
K R B
12
m
u
B
k
K R B
2m
K
k
B

