
ỨNG DỤNG TIN HỌC THIẾT KẾ-ĐIỀU KHIỂN
Th.S Nguyễn Tấn Phúc.
Email:phucnt@hcmuaf.edu.vn
Tel: 0126.7102772.

MỘT SỐ VÍ DỤ MÔ PHỎNG VỚI MATLAB
SIMULINK

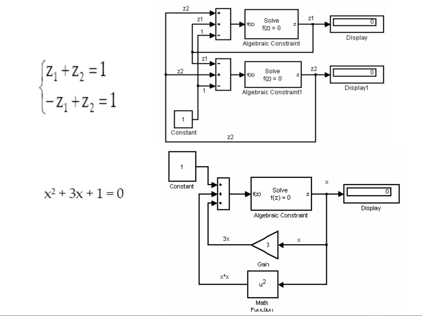
Giải pt bậc thấp
Giải pt bậc cao

Mô phỏng Hệ thống liên tục đơn giản
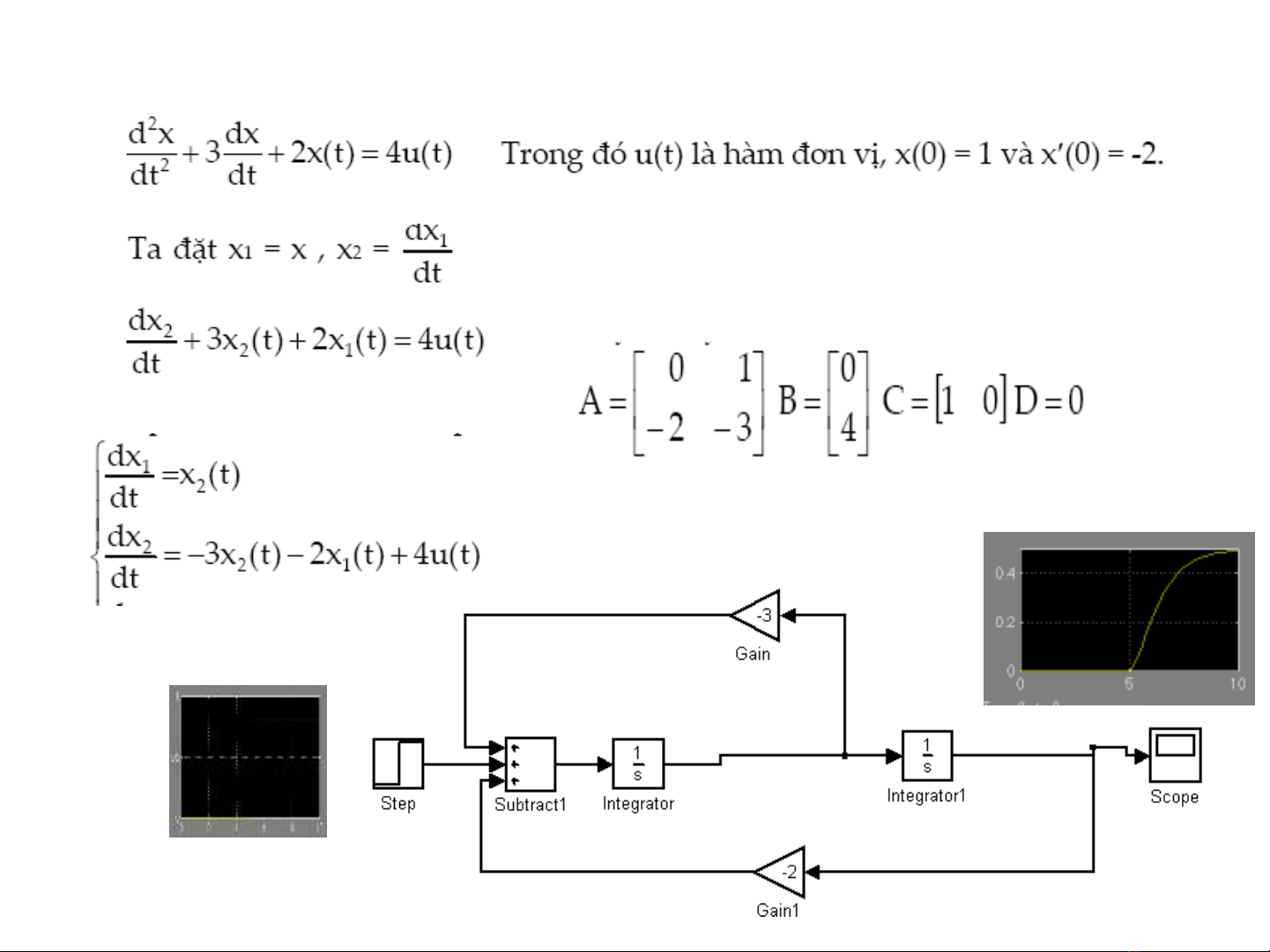
Mô phỏng hệ ptrình vi phân bậc cao

Phương trình vi phân cấp cao- hệ tuyến tính

