
C đi n t 2. K5. Nhóm 5ơ ệ ử
I) Phân tích ch n m ch ch nh l u:ọ ạ ỉ ư
Đ ng c đi n m t chi u kích t đ c l p v i công su t nh (P=4,2kW), vì v y sộ ơ ệ ộ ề ừ ộ ậ ớ ấ ỏ ậ ơ
đ câu 3 pha đ i x ng là phù h p h n c . b i l tránh đ c l ch t i bi n áp,ồ ố ứ ợ ơ ả ở ẽ ượ ệ ả ế
không th thi t k theo s đ m t pha , s đ 3 tia ba pha s làm m t đ i x ngể ế ế ơ ồ ộ ơ ồ ẽ ấ ố ứ
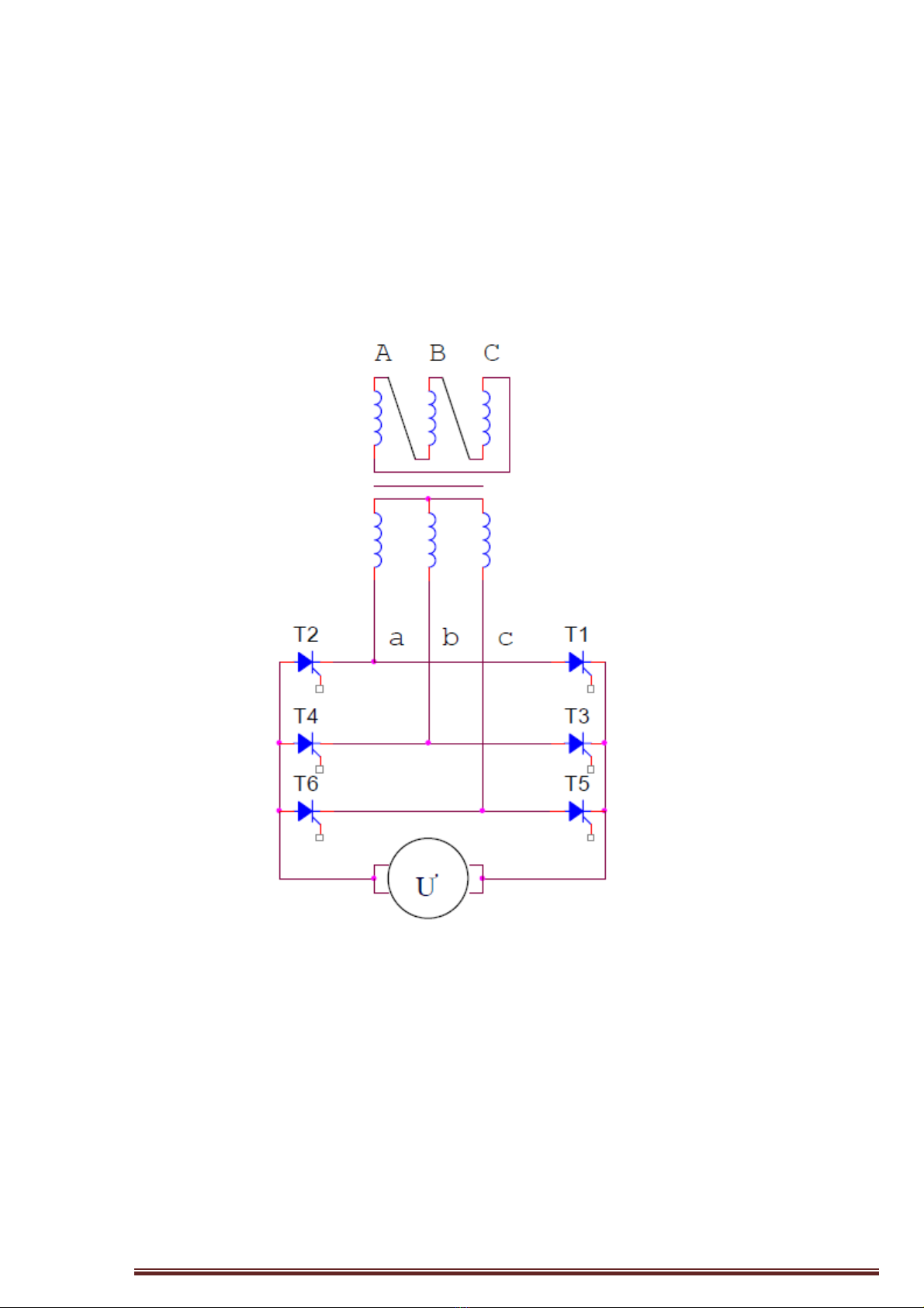
đi n áp ngu n. nên s đ thi t k ta ch n là s đ c u 3 pha có đi u khi n đ iệ ồ ơ ồ ế ế ọ ơ ồ ầ ề ể ố
x ng.ứ
S đ bi u di n:ơ ồ ể ễ
Các thông s c b n còn l i c a đ ng c :ố ơ ả ạ ủ ộ ơ
Đi n tr m ch ph n ng đ ng c :ệ ở ạ ầ ứ ộ ơ
Đi n c m m ch ph n ng đ ng c :ệ ả ạ ầ ứ ộ ơ
II) Tính ch n thyristor:ọ
_Đi n áp ng c l n nh t mà thyristor ph i ch u:ệ ượ ớ ấ ả ị
Bài t p l n đi n t công su tậ ớ ệ ử ấ 1

C đi n t 2. K5. Nhóm 5ơ ệ ử
Trong đó:
+ Đi n áp ng c c a van c n ch n:ệ ượ ủ ầ ọ
Ch n h s d tr đi n áp Kọ ệ ố ự ữ ệ dtU=1,8
+ Dòng làm vi c c a van đ c tính theo dòng hi u d ng:ệ ủ ượ ệ ụ
+ S đ c u 3 pha, h s dòng hi u d ng ơ ồ ầ ệ ố ệ ụ
+Ch n đi u ki n làm vi c c a van có cánh t a nhi t, đ y đ di n tích t aọ ề ệ ệ ủ ỏ ệ ầ ủ ệ ỏ
nhi t,không có qu t đ i l u không khí:ệ ạ ố ư
+Dòng đ nh m c c a van c n ch n:ị ứ ủ ầ ọ
Ch n h s d tr dòng đi n Kọ ệ ố ự ữ ệ i=3,2
T các thông s trên ta ch n 6 thyristor lo i ừ ố ọ ạ HT40/08OJ4 có thông s nh sau:ố ư
+ Đi n áp ng c c c đ i c a van ệ ượ ự ạ ủ :Un=800V
+ Dòng đi n đ nh m c c a vanệ ị ứ ủ :Iđmv=40A
+ Đ nh xung dòng đi nỉ ệ :Ipik=900A
+ Dòng đi n xung đi u khi nệ ề ể :Iđk=0,11A
+ Đi n áp xung đi u khi nệ ề ể :Uđk=3V
+ Dòng đi n ròệ :Ir=6mA
+ S t áp l n nh t c a thyristor tr ng thái d nụ ớ ấ ủ ở ạ ẫ :
+ T c đ bi n thiên đi n ápố ộ ế ệ :
+ Th i gian chuy n m chờ ể ạ :
+ Nhi t đ làm vi c c c đ i cho phép :ệ ộ ệ ự ạ
III) Tính toán máy bi n áp:ế
+ Công su t bi u ki n c a máy bi n áp:ấ ể ế ủ ế
+ Đi n áp pha s c p : Uệ ơ ấ p=380V
+ Ph ng trình cân b ng đi n áp khi có t i:ươ ằ ệ ả
Trong đó:
là góc d tr khi có s t áp đi n l iự ữ ụ ệ ướ
=1,.8V s t áp trên Thyristorụ
là s t áp trên dây n iụ ố
=6%.Uđm=6%.400=24(V) là s t áp trên đi n tr và đi n kháng máy bi n ápụ ệ ở ệ ế
Đi n áp pha th c p c a máy bi n áp:ệ ứ ấ ủ ế
Bài t p l n đi n t công su tậ ớ ệ ử ấ 2

C đi n t 2. K5. Nhóm 5ơ ệ ử
+ Dòng hi u d ng th c p máy bi n áp:ệ ụ ứ ấ ế
+ Dòng đi n hi u d ng s c p máy bi n áp:ệ ệ ụ ơ ấ ế
*Tính s b m ch t :ơ ộ ạ ừ
+ Ti t di n s b trế ệ ơ ộ ụ
(cm2)
Trong đó:
kQ=6 là h s ph thu c ph ng th c làm mátệ ố ụ ộ ươ ứ
m=3 là s tr c a máy bi n ápố ụ ủ ế
f=50(Hz) là t n s c a dòng đi nầ ố ủ ệ
+ Đ ng kính tr :ườ ụ
+ Chu n đoán đ ng kính tr theo tiêu chu n d=7 cmẩ ườ ụ ẩ
+ Ch n lo i thép các lá thép có đ dày 0,5 mmọ ạ ộ
+ M t đ t c m Bậ ộ ừ ả t=1 T
+ Ch n t s m=h/d=2,3 => h=2,3.d=2,3.7=16,1 (cm)ọ ỉ ố
+Ch n chi u cao tr là 16 cmọ ề ụ
*Tính toán dây qu nấ
+ S vòng dây m i pha s c p máy bi n ápố ỗ ơ ấ ế :
L y Wấ1=485 vòng
+ S vòng dây m i pha th c p máy bi n ápố ỗ ứ ấ ế :
L y Wấ2=237 vòng
+ Ch n s b m t đ dòng trong máy bi n ápọ ơ ộ ậ ộ ế :
+ Dây b ng đ ng, máy khô, ch n Jằ ồ ọ 1=J2=2,75(A/mm2)
+ Ti t di n dây s c pế ệ ơ ấ :
+ Ch n dây d n ti t diên hình vuông, cách đi n c p B.ọ ẫ ế ệ ấ
+ Chu n hóa ti t di nẩ ế ệ :S1=2(mm2)
+ Kích th c dây d n có k cách đi nướ ẫ ể ệ
Slcđ=a1.b1=1,5.1,5=2,25(mmxmm)
+ Tính l i m t đ dòng trong cu n s c p:ạ ậ ộ ộ ơ ấ
Ti t di n dây th c p:ế ệ ứ ấ
+ Ch n dây d n ti t diên hình vuông, cách đi n c p B.ọ ẫ ế ệ ấ
+ Chu n hóa ti t di nẩ ế ệ : S2=4(mm2)
+ Kích th c dây d n có k cách đi nướ ẫ ể ệ
Slcđ=a2.b2=2.2=4(mmxmm)
Bài t p l n đi n t công su tậ ớ ệ ử ấ 3

C đi n t 2. K5. Nhóm 5ơ ệ ử
+ Tính l i m t đ dòng trong cu n s c p:ạ ậ ộ ộ ơ ấ
* k t c u dây d n s c pế ấ ẫ ơ ấ :
Th c hi n qu n dây ki u đ ng tâm b trí theo chi u d c tr c ự ệ ấ ể ồ ố ề ọ ụ
+ Tính s b s vòng dây trên 1 l p c a cu n s c pơ ộ ố ớ ủ ộ ơ ấ :
w11 = .Kc = 82 (vòng).
Trong đó:
Kc = 0,95 là h s ép ch t.ệ ố ặ
h : chi u cao trề ụ
hg : kho ng cách t gông đ n cu n dây s c p.ả ừ ế ộ ơ ấ
+ Ch n s b kho ng cách đi n gông là 1,5 cm.ọ ơ ộ ả ệ
+ Tính s b s l p dây cu n cu n s c p:ơ ộ ố ớ ố ở ộ ơ ấ
n11 = = = 5,91(l p).ớ
+ Ch n s l p nọ ố ớ 11 = 6 l p. nh v y có 485 vòng chia thành 6 l p, ch n 5 l p đ uớ ư ậ ớ ọ ớ ầ
có 81 vòng, l p th 6 có 80 vòng.ớ ứ
+ Chi u cao th c t c a cu n s c p:ề ự ế ủ ộ ơ ấ
h1 = = =12,95 (cm)
+ Ch n ng qu n dây cách đi n là b ng v t li u cách đi n có b dày Sọ ố ấ ệ ằ ậ ệ ệ ề 01 = 0,1
(cm)
+ Kho ng cách t tr t i cu n dây s c pả ừ ụ ớ ộ ơ ấ : cd01 = 1 (cm)
+ Đ ng kính trong c a ng cách đi nườ ủ ố ệ
Dt = dFe + 2.cd01 – 2.S01 = 7 + 2.1 – 2.0,1 = 8,8(cm)
+ Đ ng kính trong c a cu n s c pườ ủ ộ ơ ấ
Dtl = Dt + 2.S01 = 8,8+ 2.0,1= 9 (cm)
+ Ch n b dày cách đi n gi a các l p dây cu n s c p cdọ ề ệ ữ ớ ở ộ ơ ấ 11=0,1 (mm)
+B dày cu n s c p:ề ộ ơ ấ
Bd1 = (a1 + cd11)n11 = (0,15+0,01).6=0,96 (cm)
+ Đ ng kính ngoài c a cu n s c p:ườ ủ ộ ơ ấ
Dn1 = Dtl + 2.Bdl = 9+2.0,96=10,92 (cm)
+ Đ ng kính trung bình c a cu n s c p:ườ ủ ộ ơ ấ
Dtb1 = = =9,96 (cm)
+ Chi u dài dây qu n s c p:ề ấ ơ ấ
l1 = W1. .Dtb =485.π.9,96= 15175,78 (cm) =151,76 (m)
Ch n b dày cách đi n gi a cu n s c p và cu n th c p : cdọ ề ệ ữ ộ ơ ấ ộ ứ ấ 12 = 1 (cm)
* K t c u dây cu n th c p:ế ấ ố ứ ấ
+Ch n s b chi u cao cu n th c p:ọ ơ ộ ề ộ ứ ấ
h2 = h1 = 12,95 (cm)
+Tính s b s vòng dây trên 1 l p:ơ ộ ố ớ
w12 = kc = .0,95 62 (vòng)
+ Tính s b l p dây cu n th c pơ ộ ớ ố ứ ấ
n12 = = =3,82 (l p)ớ
+ Ch n s l p dây qu n th c p nọ ố ớ ấ ứ ấ 12 = 4 l p. ch n 3 l p đ u có 59 vòng, l p th 4ớ ọ ớ ầ ớ ứ
có 60 vòng.
+ Chi u cao th c t c a cu n th c pề ự ế ủ ộ ứ ấ
h2 = .b2 = .0,2= 13,05 (cm)
Bài t p l n đi n t công su tậ ớ ệ ử ấ 4

C đi n t 2. K5. Nhóm 5ơ ệ ử
+ Đ ng kính trong c a cu n th c pườ ủ ộ ứ ấ
Dt2 = Dn1 + 2.cd12 = 10,92+2. 1=12,92 (cm)
+ Ch n b dày cách đi n gi a các l p dây cu n th c p cdọ ề ệ ữ ớ ở ộ ứ ấ 21 = 0,1 (mm)
+ B dày cu n th c p:ề ộ ứ ấ
Bd2 = (a2 + cd21).n12 = (0,2+0,01).3,82=0,802 (cm)
+Đ ng kính ngoài cu n th c p.ườ ộ ứ ấ
Dn2 = Dt2 + 2Bd2 = 12,92+2.0,802=14,52 (cm)
+Đ ng kính trung bình c a cu n th c p:ườ ủ ộ ứ ấ
Dtb2 = = = 13,72 (cm)
+ Chi u dài dây cu n th c pề ố ứ ấ
l2 = .W2.Dtb2 = .237.13,72=10215,33 (cm) = 102,15 (m)
+ Đ ng kính trung bình c a các cu n dâyườ ủ ộ
D12 = = =11,76 (cm)
r12 = = = 5,88 (cm.)
* Tính các thông s c a máy bi n ápố ủ ế
+ Đi n tr c a cu n th c p máy bi n áp 75ệ ở ủ ộ ứ ấ ế ở 0C
R1 = . = 0,02133. = 1,62 ()
Trong đó 75 = 0,02133 ()
+ Đi n tr c a máy bi n áp 75ệ ở ủ ế ở 0C
R2 = . = 0,02133. = 0,55 ()
+Đi n tr c a máy bi n áp quy đ i v th c p:ệ ở ủ ế ổ ề ứ ấ
RBA = R2 + R1.( =0,55 + 1,62.()2 = 0,94 ()
+ S t áp trên đi n tr máy bi n áp ụ ệ ở ế
Ur = RBA.Id = 0,94.12,353 = 11,61 ()
+ Đi n kháng máy bi n áp qui đ i v th c pệ ế ổ ề ứ ấ
XBA = 8.2(W22).. (a12 + ). .10-7. =
= 8.2(2372).. (0,001 + ). .10-7 = 0,43 ().
+ Đi n c m máy bi n áp quy đ i v th c pệ ả ế ổ ề ứ ấ
LBA = = 0,00138 (H)
+S t áp trên đi n kháng máy bi n áp:ụ ệ ế
Ux = .XBA Id = .0,43.12.353 = 5,07 ().
Rdt = . XBA = . 0,43= 0,41 ()
S t áp trên máy bi n áp:ụ ế
UBA= = 12,67(V)
+ Đi n áp trên đ ng c khi có góc m ệ ộ ơ ở min=100
U= Ud0 .cos min – 2.Uv – UBA = 433,89.cos 100 -2.1,8 -12,67= 411,03 (V)
+ T ng tr ng n m ch quy đ i v th c pổ ở ắ ạ ổ ề ứ ấ
ZBA = = 1,03 (Ω)
+ T n hao ng n m ch trong máy bi n áp:ổ ắ ạ ế
Pn = 3.RBA.I 2 = 3.0,94.10,092 = 287,1W
Pn % = .100 = = 5,53 %
+ T n hao khi có t i có k đ n 15% t n hao ph ổ ả ể ế ổ ụ
P0 = 1,3.nf (MT.BT2 + Mg.Bg2 )= 96,5 W
P% = .100 = 1,86 %
+ Đi n áp ng n m ch tác d ng ệ ắ ạ ụ
Unr = .100 = = 5,11%
+Đi n áp ng n m ch ph n kháng:ệ ắ ạ ả
Bài t p l n đi n t công su tậ ớ ệ ử ấ 5

