
-52-
CHƯƠNG 5
ĐO CÔNG SUẤT – ĐIỆN NĂNG
Công suất và năng lượng là các đại lượng cơ bản của phần lớn các đối tượng quá
trình và hiện tượng vật lý. Vì vậy, việc xác định công suất và năng lượng là một phép đo
rất phổ biến.
Khoảng đo của công suất điện từ 10-20 W đến 1010 W.( Ví dụ: công suất tín hiệu 10-
10 W- công suất của cả đài phát thanh 1010 W).
Công suất cũng cần được đo trong dải tần rộng từ 0 đến 109 Hz.
- Công suất mạch 1 chiều:
RIUIP2
==
- Công suất tác dụng trong mạch xoay chiều 1 pha:
== TT
uidt
T
pdt
T
P
00
11
Dạng sin:
cosUIP=
(cos : hệ số công suất).
sinUIQ=
(Q: công suất phản kháng)
UIS=
(S : công suất toàn phần)
Trong đó P: đặc trưng cho sự tiêu tán năng lượng trong 1 đơn vị thời gian dưới dạng
nhiệt năng toả ra trên mạch điện.
Q: đặc trưng cho phần năng lượng điện từ trao đổi giữa nguồn phát và phụ
tải.
- Trong trường hợp chung nếu 1 quá trình có chu kỳ với dạng đường cong bất kỳ thì
công suất tác dụng là tổng các công suất của các thành phần sóng hài:
=
=
==
11
cos
k
kkk
k
kIUPP
)(cos
k
k
kS
P
=
- Trường hợp quá trình có dạng xung.
Công suất xung là giá trị trung bình trong thời gian 1 xung .
=
0
1uidtPx
Công suất tác dụng là công suất trung bình trong 1 chu kỳ lặp lại T của xung:
xx P
T
uidt
T
P
==
0
1
- Trong mạch 3 pha thì:
CBA PPPP ++=
CBA QQQQ ++=
5.1. Đo công suất tác dụng
5.1.1. Đo công suất một chiều DC
Công suất trong mạch một chiều tiêu thụ trên một phụ tải được tính theo biểu thức:
P = UI (5.1)
Có thể dùng phương pháp gián tiếp, bằng cách đo điện áp đặt vào phụ tải U và dòng
điện I đi qua phụ tải đó. Kết quả của phép đo là tích của hai đại lượng đó.
1. Phương pháp dùng Vônkế và Ampe kế

-53-
A
V
UL
UA
IL
+
-
A
V
UL
IV
IL
+
-
Caùch maéc Volt keá tröôùc-Ampe keá sau:
U=UA+UL
PL=ILUL=IL(U-UA)
PL=UIL-RAIL2 (5.2)
Hình 5.1: Ño coâng suaát baèng caùch maéc V-A
Nhaän xeùt: theo caùch maéc naøy vieäc xaùc ñònh coâng suaát PL coù sai soá do ñieän trôû noäi
cuûa ampe keá.
Caùch maéc Ampe keá tröôùc-Volt keá sau:
I=IV+IL
PL=ILU=U(I –IV) (5.3)
PL=UI-IVU
Hình 5.2: Ño coâng suaát baèng caùch maéc A-V
Nhaän xeùt: theo caùch maéc naøy vieäc xaùc ñònh coâng suaát PL coù sai soá do ñieän trôû noäi
cuûa volt keá.
2. Phương pháp dùng Woat kế
Trong thực tế người ta đo trực tiếp công suất bằng Watmét điện động và sắt điện
động. Những dụng cụ đo này có thể đo công suất trong mạch một chiều và xoay chiều một
pha tần số công nghiệp cũng như tần số siêu âm đến 15KHz.
Ở Watmét điện động có thể đạt tới cấp chính xác 0,01 0, 1 với tần số dưới 200Hz
và trong mạch một chiều. Còn ở tần số từ 200Hz 400Hz thì sai số đo là 0,1% và hơn nữa.
Ở Watmét sắt điện động với tần số dưới 200Hz sai số đo là 0,10,5% còn với tần số
từ 200Hz 400Hz sai số đo là 0,2% và hơn nữa.
Để đo công suất tiêu thụ trên phụ tải RL ta mắc Watmét điện động như hình 5.3.
Trong đó ở mạch nối tiếp cuộn tĩnh a được nối tiếp với phụ tải, ở mạch song song cuộn
dây b được nối tiếp với một điện trở phụ Rp. Cuộn tĩnh và cuộn động được nối với nhau ở
hai đầu có đánh dấu *.
b
a
RU
RP
U
RL
*
*
Hình 5.3. Sơ đồ mắc Watmet

-54-
1
L
Z
U
Z
U
A
V
A
B
C
D
ZL
R
~
S1
S2
Ta có góc lệch của kim chỉ của Watmét được tính theo biểu thức sau:
d
dM
RR
UI
Dpu
12
..
1
+
=
(5.4)
Để cho thang đo của Watmét đều, nhất thiết
d
dM12
phải không đổi. Điều này phụ
thuộc vào hình dáng, kích thước và vị trí ban đầu của cuộn dây. Nếu
d
dM12
= const thì
= SUI = S.P.
Ở đây S =
d
dM12
.
)(
1
Pu RRD +
là độ nhạy của Watmét theo dòng một chiều.
5.1.2. Đo công suất xoay chiều 1 pha AC
1. Phương pháp dùng Vônkế và Ampekế
Hình 5.4: Ño coâng suaát xoay chieàu moät pha baèng Volt keá vaø Ampe keá.
Khi khoùa S1, S2 ôû vò trí A vaø C thì volt keá cho giaù trò UR.
Khi khoùa S1, S2 ôû vò trí B vaø D thì volt keá cho giaù trò UZL, ñieän aùp naøy leäch pha vôùi
doøng ñieän taûi moät goùc .
Khi khoùa S1, S2 ôû vò trí A vaø D thì volt keá cho giaù trò UZ, ñieän aùp naøy leäch pha so vôùi
doøng ñieän laø .
Theo giaûn ñoà vector, ta coù:
1
222 cos2
ZRRZZ UUUUU L−+=
RZZ UUU L−= 1
coscos
L
Z
RZ
U
UU −
=
1
cos
cos
Hình 5.5: Giaûn ñoà vector
Coâng suaát cuûa taûi ñöôïc xaùc ñònh bôûi:
R
RZZ
L
ZZR
RZRZ
ZZL
U
UUU
IP
UUU
UUUU
UIUP
L
L
L
L
2
]
2
2)(
[
222
2222
−−
=
−−+
=
(5.5)
1

-55-
2. Phương pháp dùng Woat kế
Trong trường hợp khi dòng và áp có dạng hình sin thì công suất tác dụng được tính
là: P = UI.cos
Hệ số cos được gọi là hệ số công suất.
Ta có:
d
dM
II
Du
12
cos.
1
=
(5.6)
Ở đây theo biểu đồ véctơ hình 4.1b ta thấy góc lệch pha giữa dòng điện I trong
mạch nối tiếp và dòng Iu trong mạch song song là = - .
( - góc lệch pha giữa U và Iu).
Dòng điện trong mạch song song sẽ là:
cos
pu
uRR
U
I+
=
Nếu
d
dM12
= const thì:
= S.U.I cos ( - ).cos (5.7)
Từ biểu thức trên đây ta thấy số chỉ của Watmét tỉ lệ với công suất, khi mà = 0
hay = .
Điều kiện thứ nhất = 0 có thể đạt được bằng cách tạo ra cộng hưởng điện áp trong
mạch song song. Ví dụ bằng cách mắc tụ C song song với điện trở Rp. Nhưng cộng hưởng
chỉ giữ được khi tần số không đổi, còn nếu tần số thay đổi thì điều kiện = 0 bị phá vỡ.
Khi 0 thì Watmét đo công suất với một sai số gọi là sai số góc. Điều kiện thứ
hai là = không thực hiện được vì dòng trong cuộn áp Iu không bao giờ trùng pha với
dòng I trong cuộn dòng.
Sai số của phép đo còn do sự tiêu thụ công suất trên các cuộn dây của Watmét.
* Chú ý:
1. Trên Watmét bao giờ cũng có những ký hiệu ngôi sao (*) ở đầu các cuộn dây, gọi
là đầu phát, khi mắc Watmét ta phải chú ý nối các đầu có ký hiệu dấu * với nhau.
2. Watmét điện động thường có nhiều thang đo theo dòng và áp. Theo dòng thường
có hai giới hạn đo là 5A và 10A và theo áp có ba giới hạn đo là 30V; 150V; 300V. Những
giá trị này là dòng và áp định mức, IN và UN.
Để đọc được số chỉ của Watmét trước tiên ta tính hằng số Watmet C:
b
a
RU
RP
U
RL
U
IU
I
I
*
*
Hình 5.6. Sơ đồ mắc Watmet và biểu đồ vectơ

-56-
m
NN IU
C
=
(5.8 )
Trong đó: m – là giá trị cực đại của độ chia trên thang đo của Watmét.
Sau khi tính được C ta chỉ việc nhân số chỉ của Watmét thì biết được giá trị của
công suất cần đo.
3. Dùng phối hợp biến dòng, biến áp với Woat kế điện động
Trường hợp công suất của tải có điện áp thấp, khi đo dòng tải có trị số lớn, cần phải
dùng biến dòng để cho dòng điện đi qua cuộn dòng không được vượt quá giới hạn của
Watmét như hình vẽ 5.7
Kết quả là công suất của tải được xác định bằng cách nhân trị số đọc được của
Watmét với tỉ số biến dòng.
* Dùng biến dòng và biến áp phối hợp với Watmét
Dùng biến dòng và biến áp phối hợp với Watmét mắc mạch như hình 5.8. Công suất của
tải bằng trị số đọc bởi Watmét nhân với tỉ số biến áp và biến dòng.
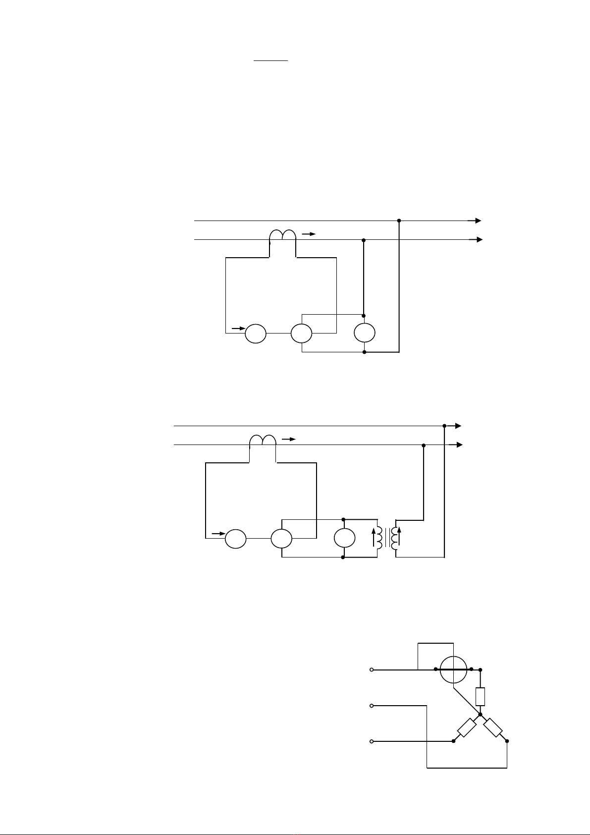
5.1.3. Đo công suất tải 3 pha
a) Đo công suất bằng một Watmét
- Mạch 3 pha có phụ tải hình sao đối xứng,
ta chỉ cần đo công suất ở một pha của phụ tải sau
đó nhân ba ta nhận được công suất tổng (H.5.9).
P = 3PA (5.9)
A
V
*
i2
i1
W
*
Tải
Hình 5.7 Dùng Biến dòng với Watmét
A
V
*
i2
i1
W
*
Tải
Hình 5.8. Dùng biến dòng và biến áp phối hợp với Watmét
a
x
A
X
A
B
C
*
*
PA
ZA
ZC
ZB
N
Hình 5.9

