
109
Chương 9
TRANG BỊ ĐIỆN MÁY KÉO SỢI
Đặc điểm của quá trình tạo sợi dệt là gia công xơ như bông, len, đay, tơ
tằm… thành các loại sợi để phục vụ cho quá trình dệt vải.
Các loại xơ qua quá trình đập xé và chải để loại bỏ các tạp chất và làm
thành con cúi. Cúi được kéo thành sợi thô và sợi con. Đó là sản phẩm của
công nghệ kéo sợi.
Sợi được đánh thành ống và được hồ để đưa đến máy dệt. Sản phẩm cuối
cùng của công nghệ dệt là vải. Sau đó vải được chuyển sang quá trình xử lý
hoá học như tẩy, nhuộm, sấy, in hoa.
Sản phẩm của quá trình kéo sợi là sợi con. Xơ (bông, len, đay, tơ tằm…)
thường được xé tơi và trộn để thu được xơ có thành phần định trước và loại
bỏ tạp chất, xếp thành lớp, sau đó qua quá trình chải để làm sạch, tạo thành
cúi. Để có độ đồng đều về bề dày và thành phần, cúi được đưa qua máy
ghép, sau đó mới được kéo thành sợi thô rồi sợi con.
Tuỳ theo quá trình công nghệ và đặc điểm của xơ, các máy kéo sợi được
chia thành nhiều loại.
- Theo đặc điểm công nghệ có máy xé - đập, máy ghép, máy chải, máy sợi
thô, máy sợi con.
- Theo đặc điểm của xơ, có quá trình kéo sợi bông, sợi tơ tằm, sợi đay
gai… Các quá trình này có những đặc điểm công nghệ khác nhau.
9-1 Trang bị điện máy kéo sợi thô
1. Đặc điểm công nghệ
Trên máy kéo sợi thô, cúi được bộ phận kéo dài làm nhỏ tới một độ mảnh
nhất định, sau đó được xe lại thành sợi thô. Sợi thô được quấn lại thành ống
để tiện cho việc chuyển chở và đặt lên giá máy kéo sợi con.
Máy sợi thô có những bộ phận chính thực hiện quá trình công nghệ kéo
nhỏ cúi thành sợi thô như trên hình 9-1:
1. Các bộ phận dẫn cúi hay sợi thô vào máy
2. Bộ phận kéo dài
3. Cơ cấu xe, quấn ống
Cúi từ thùng 1 đi lên, vòng qua trục dẫn cúi 2 vào bộ phận dịch đầu mối 3
rồi qua bộ phận kéo dài bốn trục 4. Bộ phận kéo dài làm nhỏ cúi đến một độ
mảnh yêu cầu. Ra khỏi bộ phận kéo dài, lớp xơ luồn vào lỗ trên 5 của gàng
6. Gàng cắm chặt trên cọc 7 quay nhanh. Do một đầu xơ được trục thứ nhất
của bộ phận kéo dài giữ chặt, còn đầu kia luồn vào lỗ đầu gàng cho nên cứ
mỗi vòng quay của cọc và gàng, sợi thô nhận được một vòng xoắn, sau đó
luồn vào nhánh gàng rỗng, uốn quanh tay gàng 8 rồi quấn lên ống 9. Ống sợi

110
có kích thước, kết cấu và hình dáng nhất định (dạng hình trụ ở giữa, hai đầu
hình nón cụt)
Để đảm bảo độ săn của sợi không đổi, phải giữ tốc độ của gàng và tốc độ
ra của sợi là không đổi.
Yêu cầu độ căng của sợi trong quá trình quấn ống và các lớp sợi phải đều
nhau nên tốc độ của ống sợi phải giảm dần theo sự tăng đường kính của ống
sợi.
I
IIIII
IV
1111
2
34
6
5
7
8
910
I
IIIII
IV
1111
2
34
6
5
7
8
910
Hình 9-1. Sơ đồ máy sợi thô
2.Đặc tính phụ tải và yêu cầu truyền động của máy sợi
a) Đặc tính phụ tải của máy kéo sợi thô
Trong quá trình sợi chuyển động quấn vào
ống khi khởi động, sẽ có ba thành phần lực
ma sát: ma sát giữa sợi - trục quấn, ma sát
trong máy và ma sát giữa sợi - không khí. Vì
vậy, người ta đưa ra dạng đặc tính phụ tải như
hình 9-2.
ω
M
a
b
c
M
Đ
M
C
ω
M
a
b
c
M
Đ
M
C
Tại điểm a, khi bắt đầu mở máy, momen phụ
tải Mc lớn vì ma sát của máy trong các ổ trục
lớn. Khi tốc độ tăng dần, Mc giảm vì ma sát
giảm dần (đoạn ab). Trong giai đoạn này, ma
sát giữa sợi - không khí không đáng kể. Từ
điểm b trở đi, khi tốc độ động cơ là đáng kể,
lực ma sát giữa sợi - không khí cũng tăng dần
Hình 9-2 Đặc tính phụ tải
và động cơ của máy sợi

111
lên. Khi tốc độ quấn sợi càng tăng thì lực cản của không khí tác dụng lên sợi
càng tăng và kết quả là Mc có dạng như đoạn bc.
b) Yêu cầu truyền động của máy sợi
Yêu cầu cơ bản của truyền động của máy sợi là khởi động êm. Nếu quá
trình khởi động xảy ra đột ngột, sẽ gây ra xung lực lớn, gây lực căng đột
ngột và gây đứt sợi. Mặt khác, số lần khởi động, dừng của máy sợi thô
thường lớn. Vì vậy, động cơ được sử dụng phải đơn giản, vận hành tin cậy,
có độ bền cao.
Để đảm bảo quá trình khởi động êm, phải đảm bảo gia tốc của hệ là hằng
số, nghĩa là momen động là không đổi.
const
dt
d
JMMM CĐđ ==−=
ω
Do đó, dạng đặc tính cơ lúc khởi động phải giống dạng đặc tính phụ tải
như hình 9-2. Để tạo được đặc tính động đó, người ta sử dụng động cơ điện
không đồng bộ roto lồng sóc có thêm một điện trở hoặc điện kháng phụ trên
mạch stato. Khi khởi động, điện trở hoặc điện kháng được đưa vào nối trong
mạch stato và khi đạt đến tốc độ gần định mức thì loại điện trở hoặc điện
kháng đó ra khỏi mạch stator.
3. Sơ đồ điều khiển máy sợi thô P-168-3
Động cơ truyền động cho máy là đông cơ không đồng bộ roto lồng sóc Đ
loại AOT công suất 1,7kW; 2,8kW; 4,5kW tuỳ thuộc số cọc sợi (hình 9-3)
RTr1
CD1
Đ
K
RN1 RN2
CC1
CD2 CC2
CD3
CC3
RQ1 RQ2 RQ3 RQ4 RQ5 RQ6
RTr2
Đ0
Đ1Đ2Đ3Đ4Đ5Đ6
CT1 CT2 CT3 CT4 CT5 CT6
Đ7
CT7
D1 D20 RTr2 K
KRN2RN1
M1
RTr1
RTh
RTh
RTr1
M20 RTh
RTr1 RQ1RQ2 RQ3 RQ4 RQ5 RQ6
Đ8Đ9Đ10 Đ11 Đ12 Đ13 Đ14 Đ15 Đ16
RQ1 RQ2 RQ3 RQ4 RQ5 RQ6
CC4
CL1 CL2
RTr1
CD1
Đ
K
RN1 RN2
CC1
CD2 CC2
CD3
CC3
RQ1 RQ2 RQ3 RQ4 RQ5 RQ6
RTr2
Đ0
Đ1Đ2Đ3Đ4Đ5Đ6
CT1 CT2 CT3 CT4 CT5 CT6
Đ7
CT7
D1 D20 RTr2 K
KRN2RN1
M1
RTr1
RTh
RTh
RTr1
M20 RTh
RTr1 RQ1RQ2 RQ3 RQ4 RQ5 RQ6
Đ8Đ9Đ10 Đ11 Đ12 Đ13 Đ14 Đ15 Đ16
RQ1 RQ2 RQ3 RQ4 RQ5 RQ6
CC4
CL1 CL2
XF
Hình 9-3 Sơ đồ điều khiển máy sợi thô

112
Để chuẩn bị khởi động, đóng cầu dao CD1 ở mạch động lực và các cầu dao
CD2, CD3 ở mạch điều khiển. Sau khi tất cả các nắp máy, cửa ngăn ở tủ
điện đã đóng thì các công tắc hành trình CT1 - CT7 sẽ bật xuống dưới (ở vị
trí 2), các đèn tín hiệu Đ0-Đ7 sẽ tắt, báo hiệu có thể khởi động được
Trên máy có bố trí 20 bộ nút ấn: M1…M20, D1…D20 dọc theo băng máy
để thuận tiện cho việc điều khiển. Để khởi động máy sợi thô, có thể ấn một
trong các nút M1…M20; rơle thời gian RTh có điện, công tắc tơ K có điện.
Động cơ K được khởi động với điện kháng XF nối vào mạch stato. Sau thời
gian duy trì, XF được loại ra khỏi mạch stato bằng RTr.
Bảo vệ đứt sợi nhờ các tiếp điểm RQ1...RQ6. Khi đứt sợi các rơle quang
RQ1…RQ6 tác động, các tiếp điểm của nó mở ra, ngắt mạch RTr2, cắt điện
công tắc tơ K để động cơ dừng.
Bảo vệ ngắn mạch bằng cầu chì CC1, CC2, CC3, CC4. Bảo vệ quá tải cho
động cơ bằng rơle nhiệt RN1, RN2.
9-2 Trang bị điện máy kéo sợi len
1. Đặc điểm
Kéo sợi len là khâu tương đối quan trọng trong công nghiệp dệt. Các mặt
hàng qua quá trình dệt thường là nỉ, dạ, chăn, bít tất, mũ, vòng đệm, đai
truyền.
Quá trình kéo sợi len chủ yếu thực hiện trên hai hệ: hệ chải liên hợp và hệ
chải kỉ. Hệ chải liên hợp phân ra: hệ chải liên hợp len mảnh, hệ chải liên hợp
len thô. Hệ chải kỉ gồm có hệ chải len mảnh, hệ chải kỉ len thô và hệ chải kỉ
rút gọn.
Trong cả hai hệ chải, quá trình kéo sợi từ len đều có giai đoạn cơ bản sau:
- Chuẩn bị nguyên liệu để trộn: ở giai đoạn này len đã giặt sạch và đóng
thành kiện được xé tơi và làm sạch các tạp chất rồi trộn để tạo một nguyên
liệu thống nhất.
- Tẩm nhủ tương, chải để hình thành sợi. Tẩm nhủ tương có tác dụng giảm
bớt hiện tượng phát sinh tĩnh điện, làm tăng đàn tính cho len và giữ cho len
không bị hao hụt độ ẩm trong các quá trình gia công tiếp theo.
Cúi len cũng được kéo thành sợi trên các máy kéo sợi thô và máy kéo sợi
con
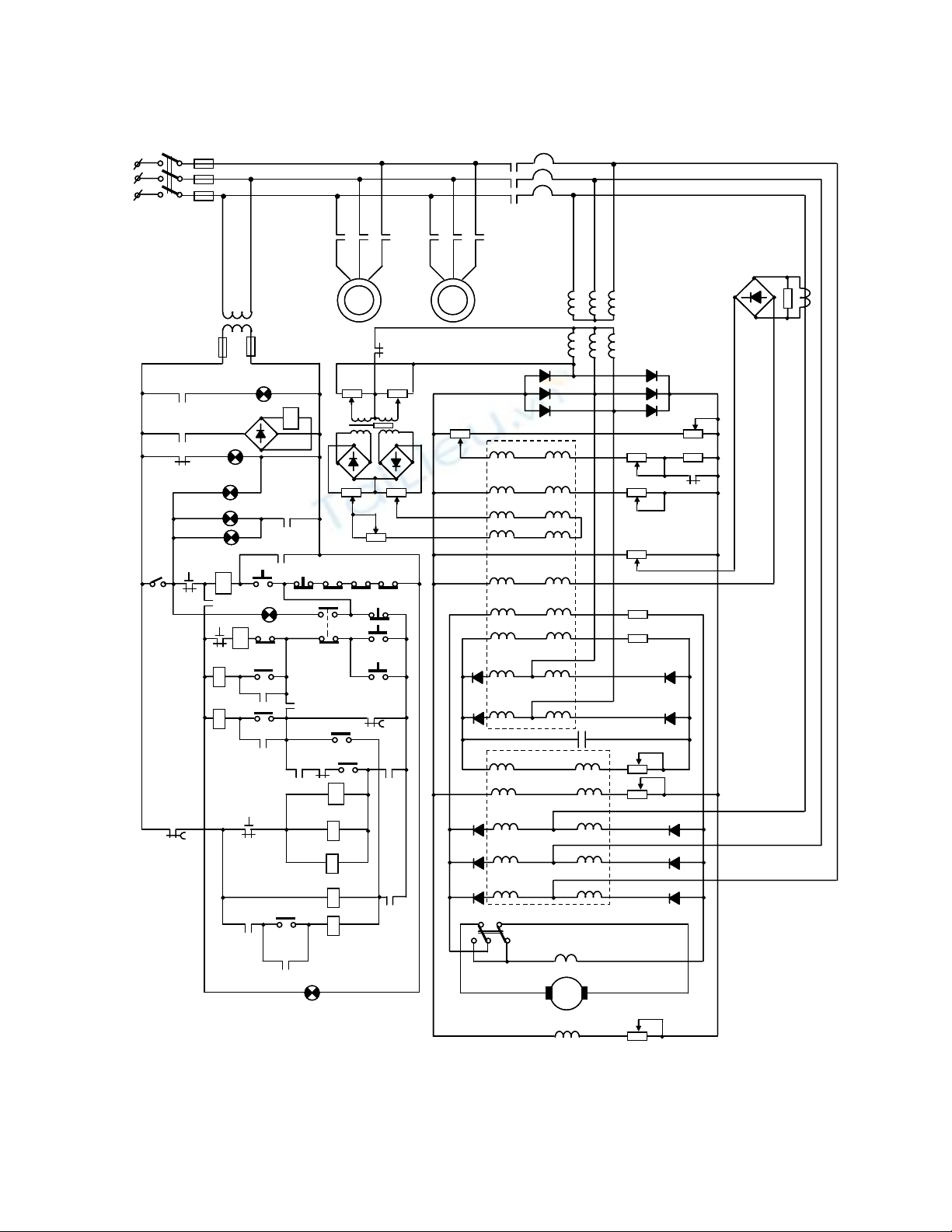
2. Tự đông hóa máy kéo sợi len
Xét sơ đồ máy sợi của hãng Carnitti-Morelli với truyền động dùng động cơ
một chiều.
Truyền động chính nhờ động cơ điện 1 chiều Đ1, phần ứng được cung cấp
cấp điện áp từ khuếch đại từ MA2. Nó có 6 cuộn làm việc, mỗi cuộn được
nối tiếp với một điốt để thực hiện phản hồi trong dương, nhằm nâng cao hệ
số khuếch đại.

113
Đ2
K2
RTr2
K2
RN
RN
RTr1
Đ3
K3
K1
Po5
W1 R2
R1
R3
RTr1
R4
W2
R5
W3
W4
R6
W5
R12
CL4
W6 R7
W7 R8
W8
W9
W10 R9
W11 R10
W~
W~
W~
R11
CKĐ
CB
CL2 CL3
CL1
CC2
CC1
1
1
2
2
3
3
4
4
5
5
6
6
7
7
8
8
9
9
10
10
11
11
12
12
13
13
14
14
17
17
18
18
19
19
20
20
21
21
22
22
23
23
16
16
ĐT
RTr4
NC
K1
K1
K2
K2
St1 K0 K0 K0
St2
K1
K0 KB1
RTr1
RTr1
RTr2
RTr2
KB2 K1 RTh1
TK
KB3
RTr4 K3 KB4 K3
RTh2
RT
RT
K3
RTh1
RTh2
RTr3
RTr3
RTr3 KB RTr4
RTr4
KL V
M1
M2
ĐH4
ĐH3
ĐK1
ĐK2
ĐH2
ĐH1
MA1
MA2
Đ1
P1 P2
P3 P4
C
CD2
CD1
Đ2
K2
RTr2
K2
RN
RN
RTr1
Đ3
K3
K1
Po5
W1 R2
R1
R3
RTr1
R4
W2
R5
W3
W4
R6
W5
R12
CL4
W6 R7
W7 R8
W8
W9
W10 R9
W11 R10
W~
W~
W~
R11
CKĐ
CB
CL2 CL3
CL1
CC2
CC1
1
1
2
2
3
3
4
4
5
5
6
6
7
7
8
8
9
9
10
10
11
11
12
12
13
13
14
14
17
17
18
18
19
19
20
20
21
21
22
22
23
23
16
16
ĐT
RTr4
NC
K1
K1
K2
K2
St1 K0 K0 K0
St2
K1
K0 KB1
RTr1
RTr1
RTr2
RTr2
KB2 K1 RTh1
TK
KB3
RTr4 K3 KB4 K3
RTh2
RT
RT
K3
RTh1
RTh2
RTr3
RTr3
RTr3 KB RTr4
RTr4
KL V
M1
M2
ĐH4
ĐH3
ĐK1
ĐK2
ĐH2
ĐH1
MA1
MA2
Đ1
P1 P2
P3 P4
C
CD2
CD1
Hình 9-4.Sơ đồ điều khiển máy kéo sợi len

