
Sơ đồ 1 : Điều khiển động cơ KĐB rôto lồng sóc quay một
chiều, mở máy trực tiếp.

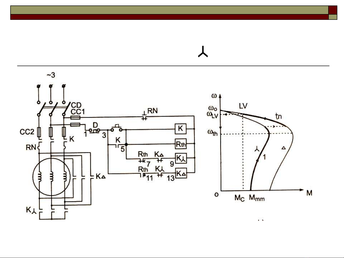
Sơ đồ 2 : Điều khiển động cơ KĐB rôto lồng sóc quay một
chiều, mở máy giảm áp nhờ đổi nối
Dong co 3 pha, 6 dau day ra
Edited by Foxit Reader
Copyright(C) by Foxit Software Company,2005-2006
For Evaluation Only.
Edited by Foxit Reader
Copyright(C) by Foxit Software Company,2005-2006
For Evaluation Only.

Sơ đồ 3 : Điều khiển động cơ KĐB rôto lồng sóc quay hai
chiều, mở máy trực tiếp

Sơ đồ 4 : Điều khiển động cơ KĐB rôto lồng sóc hai cấp tốc
độ , quay một chiều
Dong co 3 pha, 12 dau day ra
Edited by Foxit Reader
Copyright(C) by Foxit Software Company,2005-2006
For Evaluation Only.

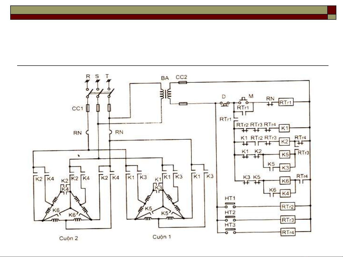
Sơ đồ 5 : Điều khiển động cơ KĐB rôto lồng sóc bốn cấp tốc
độ , quay một chiều.

