
464
tiên đoán là trong tương lai màn hình TV sẽ được mua một cách riêng lẻ. Các
thiết bị điều khiển như phần vừa được mô tả trên sẽ được cung cấp bởi các nhà
cung cấp nhỏ thứ ba. Vì thế, toàn bộ thị trường mới sẽ được mở và một số việc

465
làm được tăng lên trong lĩnh vực này. Trong tương lai truyền hình sẽ có khả
năng hiện thị menu có khả năng lập trình được.
Hình 16.50 Cải tiến hệ NTSC.

466
Hình 16.51 Kiến trúc nội suy ảnh thời gian thực sử dụng lấy mẫu nhanh dọc
theo hướng quét ngang và 1-D LPF có đặc tính dọc theo hướng dọc.

467
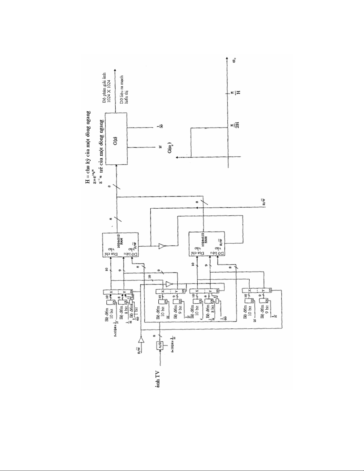
16.12 Biến đổi ảnh thời gian thực
Có khả năng để phát triển mảng tâm thu tuyến tính mà cần bộ xử lý log2N
đưa ra các biến đổi như 1-D FFT và DCT. Choi và Boriakoff đã phát triển một
hệ thống tâm thu tuyến tính cho 1-D FFT. Phương pháp khéo léo này có thể
dùng để phát triển cấu trúc cho DCT 1-D. Tôi sẽ không đi vào chi tiết cho các
phát triển này, và để nó như là một bài tập cho các độc giả. Chúng ta sẽ giới
thiệu cách làm thế nào chúng ta có thể dùng phần cứng cho biến đổi 1-D DCT
để phát triển cho 2-D DCT. Các ứng dụng chính cho cấu trúc này là các khối
mã hoá và phóng đại ảnh hoặc thu nhỏ ảnh.
Bài tập 16.9
1. Nghiên cứu trang “Một mảng tâm thu tuyến tính mới cho tính FFT” bởi
Choi và Boriakoff trong IEEE Transaction on Circuit and Systems_II:
Analog and Digital Signal Processing, cuốn 39, số 4, tháng 4 năm 1992.
2. Dùng phương pháp trong trang này để phát triển một kỹ thuật tâm thu
tuyến tính cho DCT mà yêu cầu chỉ log2N khối xử lý.
3. Thực hiện 2-D DCT trước khi đọc tiếp phần tiếp theo.
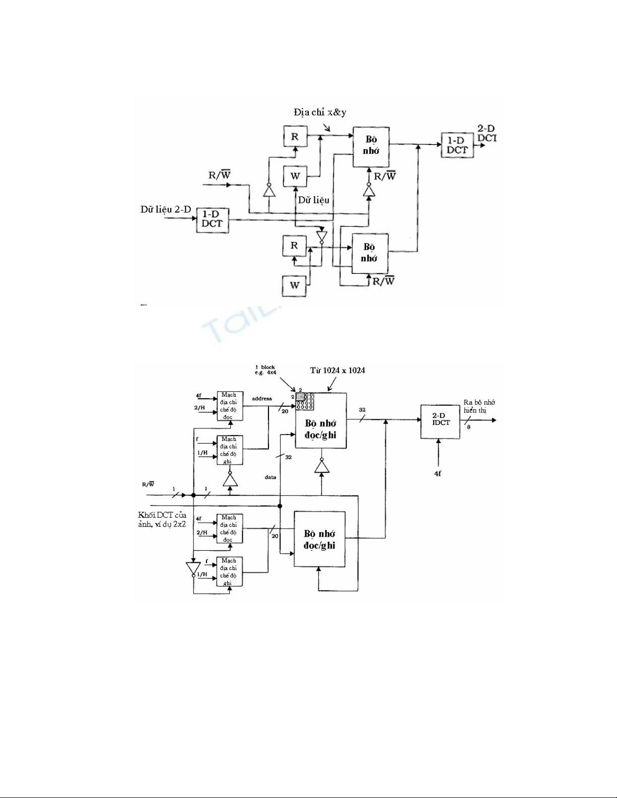
Các kỹ thuật cho biến đổi 1-D có thể dùng để đưa ra các kỹ thuật cho biến
đổi 2-D như trong hình 16.52. Các khối R và W trong hình và các thanh ghi
điều khiển địa chỉ đọc viết. Thanh ghi địa chỉ chế độ viết tạo ra địa chỉ để viết
trong bộ nhớ trong một hàng trong kiểu viết theo hàng, và thanh ghi địa chỉ
đọc tạo ra địa chỉ đọc từ bộ nhớ viết theo cột. Hai mảng bộ nhớ đọc/viết được
cần để cho phép liên tục dòng dữ liệu, như giải thích trong phần 16.9. Đầu ra
của khối DCT thứ hai là đầu vào dữ liệu của 2-D DCT. Rất dễ dàng để phát
triển mạch điện cho các khối R và W.
Để phóng đại ảnh vào dùng khối DCT chúng ta có thể dùng cấu trúc trong
hình 16.53. Một lần nữa nhắc lại, thiết kế các thanh ghi chế độ đọc và viết
được để lại cho độc giả. Giá trị không được thêm vào tất cả các khối DCT và
một 2-D IDCT cng cấp nhân đôi ảnh nhập vào. Đầu ra được gửi đến một mạch
khác để hiển thị, và tất nhiên, trở nên khác so với trong trường hợp này.

468
Hình 16.52 2-D DCT.
Hình 16.53 Sự phóng đại ảnh trong thời gian thực sử dụng DCT.
Một thiết kế thiết kế cho hình 16.53 được giới thiệu trong hình 16.54 và
16.55. Thiết kế này không yêu cầu dùng các bộ lọc 2-D và có thể trở nên hấp
dẫn hơn phương pháp nội suy không gian đề cập trước đây. Thiết kế các thanh
ghi địa chỉ được để lại như một bài tập cho độc giả. Phần cứng hoạt động theo:
Dữ liệu được đọc từ bộ nhớ đọc được 512 512 bộ nhớ R/W trong các khối 4

