
Người soạn: NGUYỄN NGỌC MAI KHANH Bộ Môn Kỹ Thuật Điện Tử
Trang 5.1
Chương 5: CÁC MẠCH KHUẾCH ĐẠI BJT TÍN HIỆU NHỎ
5.1 Các nguyên tắc cơ bản về khuếch đại AC
Ở phần trước chúng ta đã biết về tín hiệu DC, điểm tĩnh, và đặc điểm transistor cũng
như cách xác định các điện áp, dòng DC ngõ ra ứng với ngõ vào là tín hiệu DC. Phần
này, chúng ta sẽ nghiên cứu đáp ứng ngõ ra trong trường hợp dòng hoặc điện áp ngõ
vào có sự thay đổi nhỏ. Ví dụ như nếu tăng điện áp ngõ vào VBE của một transitor
NPN được mắc CE sẽ làm tăng dòng IB dẫn đến dòng IC tăng theo vì IC = βIB. Cũng
như vậy, việc tăng điện áp ngõ vào làm tăng điện áp ngõ ra. Khi sự biến thiên ngõ vào
đủ nhỏ để tạo sự thay đổi vể dòng và áp ngõ ra nằm trong giới hạn của đặc tính
transitor, chúng ta nói rằng transitor đang hoạt động dưới điều kiện tín hiệu nhỏ.
Chính xác hơn, hoạt động tín hiệu nhỏ xuất hiện khi các sự biến thiên ngõ ra quá nhỏ
đến nỗi các thông số linh kiện thay đổi không đáng kể( như α, β,...). Chúng ta nghiên
cứu hoạt động tín hiệu nhỏ trên quan điểm xem transitor như một bộ khuếch đại ac.
Độ lợi bộ khuếch đại:
Khi 1 thiết bị có lượng thay đổi điện áp ngõ ra lớn hơn lượng thay đổi điện áp ngõ
vào, ta gọi thiết bị đó là bộ khuếch đại áp AC. Độ lợi áp AC, ký hiệu là Av, là tỉ số
giữa độ thay đổi áp ngõ ra và độ thay đổi áp ngõ vào:
in
vV
V
A∆
∆
=0 (5-1)
Vì vậy, một bộ khuếc đại AC sẽ có Av>1. Hình 5.1 minh họa khái niệm này. Chú ý
rằng trong hình 5.1, chỉ có các thành phần AC của ngõ vào và của ngõ ra được sử
dụng để tính độ lợi áp AC.
Hình 5.1: Một bộ khuếch đại áp AC, tổng lượng biến thiên áp
ngõ ra, o
V
∆
, lớn hơn tổng lượng biến thiên áp ngõ vào, in
V∆.

Người soạn: NGUYỄN NGỌC MAI KHANH Bộ Môn Kỹ Thuật Điện Tử
Trang 5.2
Cả hai tín hiệu ngõ ra và ngõ vào được đặt lên trên các mức DC, nhưng các giá trị DC
này không được tính trong độ lợi áp AC. Các giá trị rms (hiệu dụng) của các thành
phần ngõ vào và ngõ ra AC có thể được tính như sau:
)(
)(
rmsv
rmsv
A
in
o
v= (5-2)
Nếu không cần thiết đề cập đến giá trị rms thì sau này, chúng ta sẽ bỏ kí hiệu rms, và
tự hiểu vo và vin là các giá trị rms.
Độ lợi dòng AC, Ai, được xác định là tỉ số của tổng lượng biến thiên dòng ngõ ra
và tổng lượng biến thiên dòng ngõ vào:
)(
)(
rmsi
rmsi
I
I
A
in
o
in
o
i=
∆
∆
= (5-3)
Thiết bị có Ai>1 gọi là bộ khuếch đại dòng. Tổng quát, một bộ khuếch đại AC có thể
có Av>1, hoặc Ai>1, hoặc cả hai; nói cách khác, có thể khuếch đại cả dòng hoặc áp
hoặc cả hai. Độ lợi công suất, Ap, được định nghĩa là tỉ số công suất ngõ ra trên công
suất ngõ vào, và có thể được tính bằng tích của độ lợi áp và độ lợi dòng:
ivinop AAPPA
=
=
/ (5-4)
Mặc dù từ “độ lợi” ngầm chỉ rằng có sự gia tăng mức tín hiệu, nhưng giá trị độ lợi
vẫn có thể bé hơn 1. Ví dụ, nếu một bộ khuếch đại có độ lợi áp là 0.5, thì có nghĩa là
sự biến thiên áp ngõ ra bằng một nửa của áp ngõ vào. Trong trường hợp này, chúng ta
nói rằng bộ khuếch đại làm suy giảm tín hiệu điện áp cung cấp cho nó.
Điện trỏ ngõ vào và ngõ ra
Điện trở ngõ vào một bộ khuếch đại là tổng trở tương đương tại các đầu ngõ vào của
nó. Điện trở ngõ vào DC, Rin, là điện trở mà nguồn DC “nhìn vào” khi được kết nối
với các đầu ngõ vào, và điện trở AC, rin, là điện trở mà nguồn ngõ vào AC nhìn các
đầu vào. Trong cả hai trường hợp, điện trở ngõ vào được tính là tỉ số của điện áp ngõ
vào và dòng điện ngõ vào:
)()( ac
i
v
rDC
I
V
R
in
in
in
in
in
in == (5-5)
Công suất ngõ vào AC được tính bằng cách sử dụng mối quan hệ công suất thông
thường sau:
inin
in
in
ininin rrmsi
r
rmsv
rmsirmsvP )]([
)(
)]()][([ 2
2
=== (5-6)

Người soạn: NGUYỄN NGỌC MAI KHANH Bộ Môn Kỹ Thuật Điện Tử
Trang 5.3
Điện trở ngõ ra của một bộ khuếch đại là tổng trở tương đương tại các đầu ngõ ra.
Điện trở ngõ ra tương tự với điện trở tương đương Thevenin mắc nối tiếp với ngõ ra
nếu bộ khuếch đại được thay thế bằng mạch tương đương Thevenin. Giống như điện
trở ngõ vào, điện trở ngõ ra có thể được xác định là điện trở DC Ro, hoặc điện trở ac,
ro. Công suất ngõ ra được tính bằng phương trình 5-6, với thay thế o(out) cho in trong
mỗi số hạng.
Thí dụ 5-1
Hình 5-2 biểu diễn biểu tượng thông thường của một bộ khuếch đại: một khối tam
giác với ngõ ra tại một đỉnh. Theo hình vẽ, áp ngõ vào bộ khuếch đại là vin = 0.7 +
0.008sin3t (V). Bộ khuếch đại có độ lợi dòng AC là 80. Nếu dòng ngõ vào là iin(t) =
2.8x10-5+4x10-6sin103t A, và thành phần AC của áp ngõ ra là 0.4 Vrms, tính:
(1) Av, (2) Rin, (3) rin, (4)io (rms), (5)ro, và (6) Ap?
Hình 5-2: thí dụ 5-1
Giải
1. vin(rms) = 0.707(0.008 A-pk) = 5.66x10-3 V rms
7.70
1066.5
4.0
)(
)(
3=== −Vx
V
rmsv
rmsv
A
in
o
v
2. Điện trở DC ngõ vào là tỉ số thành phần DC của điện áp ngõ vào và thành phần
DC của dòng ngõ vào
Ω=== −k
Ax
V
I
V
R
in
in
in 25
108.2
7.0
5
3. Điện trở AC ngõ vào là tỉ số các thành phần AC của áp ngõ vào và dòng ngõ vào:
Ω=
−
−
== −k
pkAx
pkV
i
v
r
in
in
in 2
104
008.0
6
4. io(rms) = Aiiin (rms)= 80(0.707)(4x10-6 A-pk) = 0.226 mA rms

Người soạn: NGUYỄN NGỌC MAI KHANH Bộ Môn Kỹ Thuật Điện Tử
Trang 5.4
5. 1770
10226.0
4.0
)(
)(
3=== −Ax
V
rmsi
rmsv
r
o
o
o
Wx
x
Vx
r
rmsv
P
in
in
in
8
3
23
2
106.1
102
)1066.5(
)( −
−
=
Ω
==
6. Wx
V
r
rmsv
P
o
o
o
5
2
2
1004.9
1770
)4.0(
)( −
=
Ω
==
5650
106.1
1004.9
8
5
=== −
−
Wx
Wx
p
p
A
in
o
p
Chú ý rằng độ lợi công suất cũng có thể được tính ở thí dụ này là tích của độ lợi
áp và độ lợi dòng như sau: Ap = AvAi = (70.7)80 = 5656. Sự sai khác nhỏ giữa hai
kết quả này do lỗi làm tròn mà thôi.
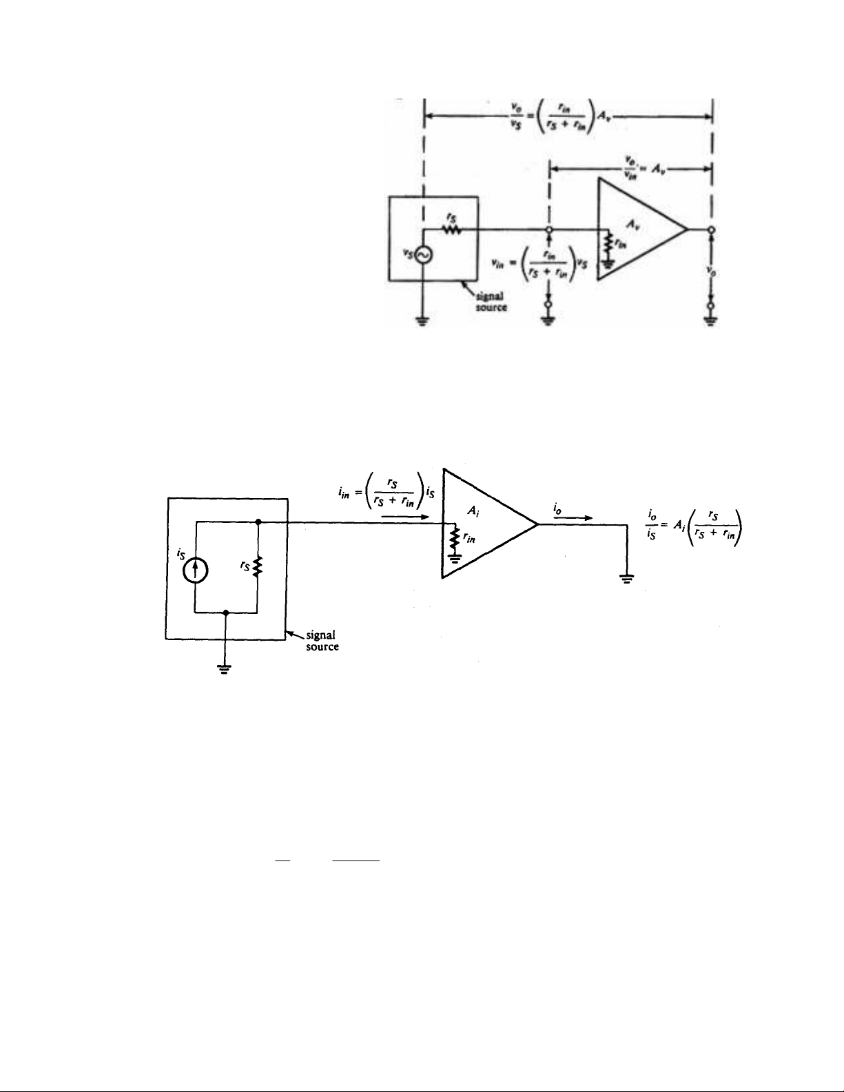
Điện trở nguồn
Mỗi nguồn tín hiệu đều có điện trở nội (điện trở tương đương Thevenin của nó), mà
chúng ta xem như là điện trở nguồn, rs. Khi nguồn tín hiệu được nối với ngõ vào bộ
khuếch đại, điện trở nguồn là nối tiếp với điện trở ngõ vào, rin, của bộ khuếch đại.
Chú ý trong hình 5-3 rằng rs và rin hình thành mạch phân áp ớ ngõ vào bộ khuếch đại.
Áp ngõ vào tại bộ khuếch đại là
+
=
inS
in
Sin rr
r
vv (5-7)
và,
Cho nên
+
==
inS
in
Svinvo rr
r
vAvAv (5-8)
Phương trình 5-8 cho thấy độ lợi áp tổng giữa áp nguồn và ngõ ra bộ khuếch đại,
vo/vs, bằng với độ lợi áp bộ khuếch đại giảm đi 1 hệ số là rin/(rs+rin).
Nếu rin lớn hơn rs thì rin/(rs+rin)
≈
1, vì vậy độ lợi áp tổng bị giảm một lượng là do
ảnh hưởng của mạch phân áp. Cho nên, tổng quát cho bộ khuếch đại cần có điện trở
ngõ vào càng lớn càng tốt.

Người soạn: NGUYỄN NGỌC MAI KHANH Bộ Môn Kỹ Thuật Điện Tử
Trang 5.5
Mặt khác, nếu muốn khuếch đại dòng, thì bộ khuếch đại phải có điện trở ngõ vào
càng nhỏ càng tốt. Khi rin nhỏ, phần lớn dòng được nguồn phát ra sẽ được phân phối
tới ngõ vào bộ khuếch đại. Điều này được minh họa ở hình 5-4, với nguồn là nguồn
dòng tương đương (Norton), (để tính độ lợi, ngõ ra được nối xuống đất; điều này bảo
đảm rằng tất cả dòng khuếch đại được đổ tới ngõ ra).
Hình 5-4: Bộ khuếch đại dòng có điện trở ngõ vào nhỏ để tỉ số
rs/(rs+rin) đạt gần bằng 1.
Ở hình 5-4, dòng đổ vào ngõ vào vào bộ khuếch đại là dòng nguồn is được
giảm 1 lượng rs/(rs+rin). Vì vậy, rin cần phải nhỏ hơn rs để cho rs/(rs+rin) gần bằng 1.
Độ lợi dòng tổng từ nguồn tới ngõ ra là:
+
=
inS
S
i
S
o
rr
r
A
i
i (5-9)
Thí dụ 5-2
Một bộ khuếch đại được cho như hình 5-5 với: Av = 10 và Ai = 10, được lái bởi một
nguồn có điện trở nguồn 1000
Ω
. Tính độ lợi áp tổng và độ lợi dòng, từ nguồn đến
ngõ ra, với:
Hình 5 – 3: rS và rin phân
chia điện áp ở ngõ vào bộ
khuếch đại. Độ lợi áp từ
nguồn tới ngõ ra bị giảm 1
lượng rin/(rS+rin).

