
Tài li u h ng d n th c t p ệ ướ ẫ ự ậ Đi n Công Nghi pệ ệ
BÀI 7
Đ U N I VÀ V N HÀNH M CH ĐI N MÁY BÀO NGANGẤ Ố Ậ Ạ Ệ
7M37
I. M C ĐÍCH THÍ NGHI MỤ Ệ
-Tìm hi u các khí c đi n trang b cho m ch đi n.ể ụ ệ ị ạ ệ
-Kh năng đ u n i m ch đi n c th trên máy công nghi pả ấ ố ạ ệ ụ ể ệ
- Kh năng đ c nguyên lý m t m ch đi n trang b trên máy công nghi p.ả ọ ộ ạ ệ ị ệ
- Kh năng v n hành m t m ch đi n trang b trên máy công nghi p ả ậ ộ ạ ệ ị ệ
- Kh năng x lý m t s s c c a m ch đi nả ử ộ ố ự ố ủ ạ ệ
- Kh năng đo đ t các thông s làm vi c c a m ch đi nả ạ ố ệ ủ ạ ệ
II. Đ C ĐI M LÀM VI C C A MÁY BÀOẶ Ể Ệ Ủ
-Máy ti n là máy dùng đ gia công các b m t chi ti t có biên d ng ph cệ ể ề ặ ế ạ ứ
t p, x rãnh. ạ ẻ
- Máy bào có hai lo i là máy bào ngang và máy bào gi ng. Trong máy bàoạ ườ
gi ng, chuy n đ ng chính là chuy n đ ng di chuy n c a bàn. Trong đó,ườ ể ộ ể ộ ể ủ
hành trình thu n là hành trình c t g t, còn hành trình ng c là bàn ch yậ ắ ọ ượ ạ
không t i. Trong máy bào ngang, chuy n đ ng chính là chuy n đ ng diả ể ộ ể ộ
chuy n c a dao vuông góc v i chi ti t gia công, còn chuy n đ ng ăn dao làể ủ ớ ế ể ộ
chuy n đ ng c a bàn mang chi ti t gia công.ể ộ ủ ế
- Trong máy bào c nh và trung bình, chuy n đ ng chính th ng đ c th cỡ ỏ ể ộ ườ ượ ự
hi n b i h truy n đ ng xoay chi u v i đ ng c không đ ng b roto l ngệ ở ệ ề ộ ề ớ ộ ơ ồ ộ ồ
sóc. Đ i v i máy c l n thì đ c truy n đ ng b i h truy n đ ng m tố ớ ở ớ ượ ề ộ ở ệ ề ộ ộ
chi u v i đ ng c m t chi u đ c c p ngu n t b bi n đ i.ề ớ ộ ơ ộ ề ượ ấ ồ ừ ộ ế ổ
-H truy n đ ng ăn dao máy c nh và trung bình thì th ng đ c th cệ ề ộ ở ở ỏ ườ ượ ự
hi n thông qua h th ng truy n đ ng chính và h p t c đ . các máy cệ ệ ố ề ộ ộ ố ộ Ở ỡ
n ng thì đ c th c hi n b i đ ng c không đ ng b roto l ng sóc.ặ ượ ự ệ ở ộ ơ ồ ộ ồ
- T t c các truy n đ ng ph nh chuy n đ ng nhanh xà, chuy n đ ngấ ả ề ộ ụ ư ể ộ ể ộ
nhanh bàn máy, chuy n đ ng nâng đ u dao, nâng – h xà ngang, n i – xi tể ộ ầ ạ ớ ế
xà ngang, b m d u , b m n c, … đ c th c hi n b i đ ng c khôngơ ầ ơ ướ ượ ự ệ ở ộ ơ
đ ng b và nam châm đi n.ồ ộ ệ
III. TRANG B ĐI N C A M CHỊ Ệ Ủ Ạ
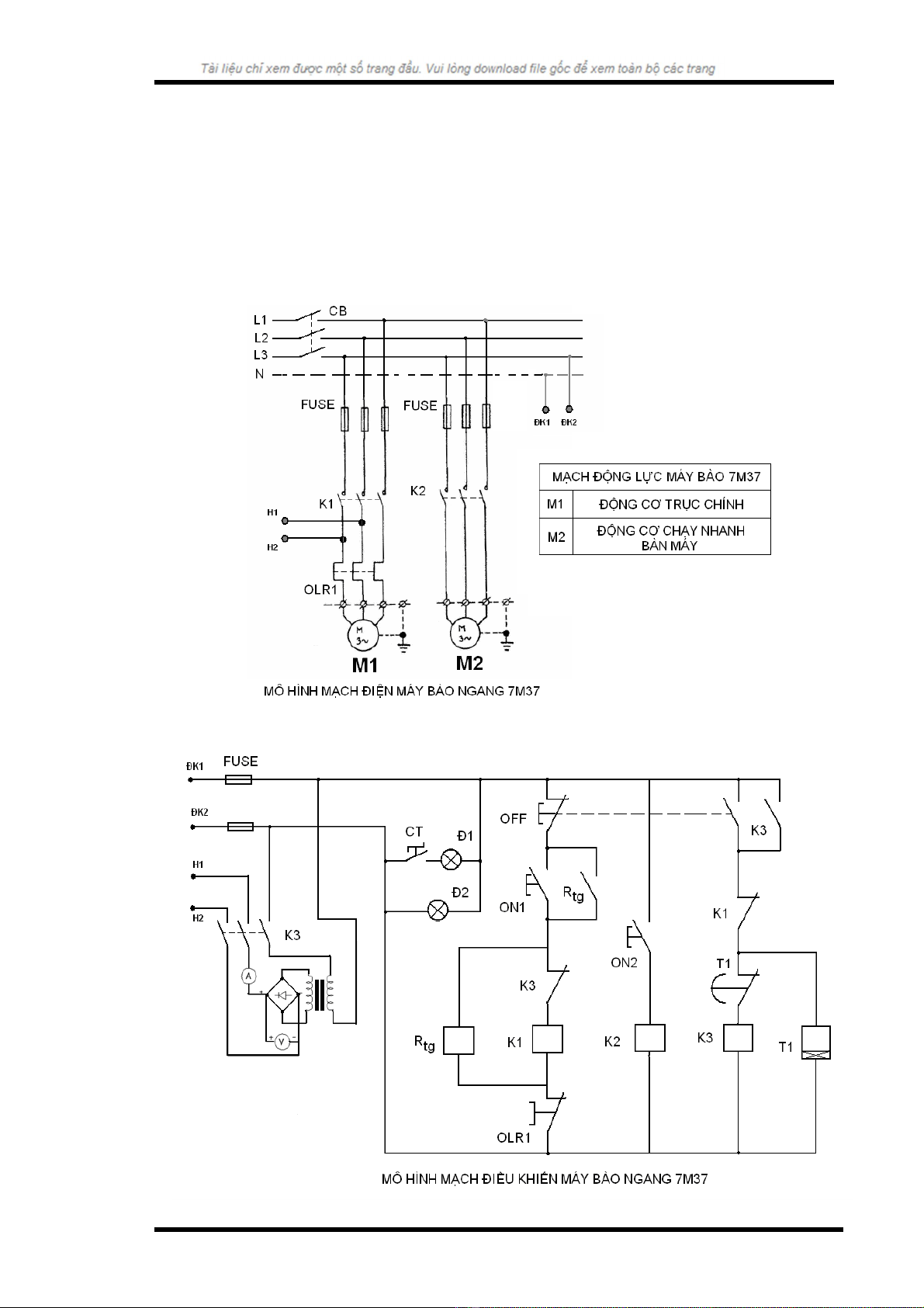
1. Trang b m ch đ ng l c:ị ạ ộ ự
-Đ ng c không đ ng b 3 pha truy n đ ng chính M1.ộ ơ ồ ộ ề ộ
-Đ ng c không đ ng b 3 pha ch y nhanh bàn máy M2.ộ ơ ồ ộ ạ
2. Trang b m ch đi u khi n:ị ạ ề ể
- K1: công t c t đ ng c tr c chínhắ ơ ộ ơ ụ
-K2: công t c t đ ng c ch y nhanh bàn máyắ ơ ộ ơ ạ
-K3: công t c t hãm đ ng năng đ ng c tr c chínhắ ơ ộ ộ ơ ụ
-Rtg: r le trung gianờ
- T1: r le th i gianờ ờ
-OLR1: r le nhi t b o v quá t iờ ệ ả ệ ả
-Đ1: đèn chi u sáng khi làm vi c ế ệ
B môn K thu t Đi n – Đ i h c C n Thộ ỹ ậ ệ ạ ọ ầ ơ
51
Trang

Tài li u h ng d n th c t p ệ ướ ẫ ự ậ Đi n Công Nghi pệ ệ
-Đ2: đèn báo ngu n ồ
- ON1, ON2: nút n đ n th ng mấ ơ ườ ở
-OFF1: nút n hai t ng ti p đi mấ ầ ế ể
- CB: áptômát t ngổ
- FUSE: c u chìầ
- CT: công t cắ
3. S đ m ch đi n máy bào ngang 7M37ơ ồ ạ ệ
a) S đ m ch đ ng l cơ ồ ạ ộ ự
b) S đ m ch đi u khi nơ ồ ạ ề ể
B môn K thu t Đi n – Đ i h c C n Thộ ỹ ậ ệ ạ ọ ầ ơ
52
Trang

Tài li u h ng d n th c t p ệ ướ ẫ ự ậ Đi n Công Nghi pệ ệ
IV. N I DUNG TH C HÀNHỘ Ự
1. Đ u n i m ch đi n máy bào ngang 7M37ấ ố ạ ệ
-Sinh viên đ u n i m ch đi u khi n và m ch đ ng l c máy bào ngang 7M37ấ ố ạ ề ể ạ ộ ự
theo s đ hình v trên d a trên nh ng khí c đi n đã đ c l p đ t trênơ ồ ẽ ự ữ ụ ệ ượ ắ ặ
b ng đi n.ả ệ
-M ch đi u khi n s d ng ngu n xoay chi u 220V thông qua CB 3 pha ạ ề ể ử ụ ồ ề ở
m ch đ ng l c.ạ ộ ự
-Đ ng c trang b cho m ch đ c đ u ch đ sao.ộ ơ ị ạ ượ ấ ở ế ộ
-Đ u n i máy bi n áp và b ch nh l u m t chi u vào ngu n xoay chi uấ ố ế ộ ỉ ư ộ ề ồ ề
220V và c p ngu n m t chi u 24VDC đ hãm đ ng c M1.ấ ồ ộ ề ể ộ ơ
-Ki m tra l i m ch b ng Ohm k .ể ạ ạ ằ ế
2. V n hành m ch đi n máy bào ngang 7M37ậ ạ ệ
-Đ u n i m ch đ ng đi u khi n, m ch đ ng l c (đ ng c ch y nhanh bànấ ố ạ ộ ề ể ạ ộ ự ộ ơ ạ
máy, đ ng c tr c chính ho t đ ng ch đ sao)ộ ơ ụ ạ ộ ở ế ộ
-N i ngu n m t chi u vào đ ng c M1 qua công t c t K3 (ố ồ ộ ề ộ ơ ắ ơ H1-H1, H2-H2).
-B t áptômát ngu n chính CB lên v trí ON ậ ồ ị → đèn Đ2 sáng.
- Ch nh th i gian tác đ ng trên r le th i gian T1 (kho n 3 giây)ỉ ờ ộ ờ ờ ả
-n nút n ON1 Ấ ấ → đ ng c M1 ho t đ ng.ộ ơ ạ ộ
-n nút n ON2 Ấ ấ → đ ng c M2 ho t đ ng, th tay n ộ ơ ạ ộ ả ấ → đ ng c M2 ng ngộ ơ ừ
ho t đ ng.ạ ộ
-B t công t c CT v v trí ON (n u c n) ậ ắ ề ị ế ầ → Đ1 sáng.
- Dùng VOM (đo áp) và ampe ki m (đo dòng) c a các đ ng c khi làm vi c,ề ủ ộ ơ ệ
ghi vào b ng sau:ả
Giá tr đoịĐ ng c M1ộ ơ Đ ng c M2ộ ơ
Up (V)
Ilv (A)
-n nút n OFF Ấ ấ → đ ng c M1 ng ng ho t đ ng và đ c hãm đ ng năng.ộ ơ ừ ạ ộ ượ ộ
Sau th i gian 3 giây ch nh đ nh, quá trình hãm đ ng c M1 k t thúc.ờ ỉ ị ộ ơ ế
-Đ k t thúc bài thí nghi m, ph i d ng máy, ng t ngu n b ng áptômát t ngể ế ệ ả ừ ắ ồ ằ ổ
CB và tháo các dây n i.ố
2. Đ c nguyên lý m ch đi n máy bào ngang 7M37ọ ạ ệ
-D a vào s đ m ch đi n và quá trình v n hành m ch đ c l i nguyên lýự ơ ồ ạ ệ ậ ạ ọ ạ
chính xác m ch đi n máy bào ngang 7M37ạ ệ
V. BÁO CÁO TH C HÀNH Ự
-Trang b đi n m ch đi n máy bào ngang 7M37ị ệ ạ ệ
-Báo cáo tr ng thái tác đ ng khi v n hành m ch đi n máy bào 7M37ạ ộ ậ ạ ệ
Tác đ ngộTr ng thái làm vi c c a khí cạ ệ ủ ụ Tr ng thái làm vi c c a đ ngạ ệ ủ ộ
c và đ n báoơ ề
K1 K2 K3 Rtg T1 M1 M2 Đ1 Đ2
B t CBậ
TG v trí Yở ị
n ON1Ấ
n ON2Ấ
B môn K thu t Đi n – Đ i h c C n Thộ ỹ ậ ệ ạ ọ ầ ơ
53
Trang

