
12/17/2017
1
NỘI DUNG
1. Khái niệm chung
2. Tải trọng và hiệu suất
3. Tính toán truyền động trục vít
4. Vật liệu và ứng suất cho phép
1
6.1 Khái niệm chung
•
Truyền động trục vít dùng để truyền chuyển
động giữa hai trục chéo nhau
•
Trục vít là trục có ren, bánh vít là bánh răng
2
6.1 Khái niệm chung
Trục vít
-
Trục vít hình trụ:
•
Trục vít Acsimet
•
Trục vít Konvolut
•
Trục vít thân khai
3
6.1 Khái niệm chung
Bánh vít
•
Được chế tạo bằng dao phay lăn trục vít, có
hình dạng và kích thước giống trục vít sẽ ăn
khớp với bánh vít
4

12/17/2017
2
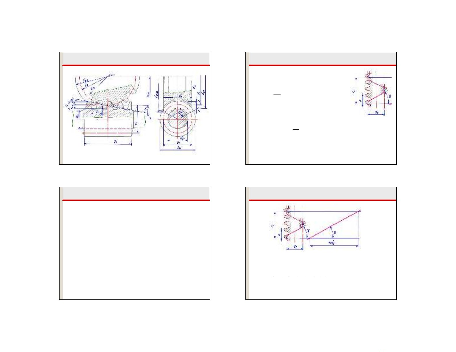
6.1.2 Các thông số hình học
5
6.1.2 Các thông số hình học
d
1
: đường kính chia trục vít
Mođun m
được tiêu chuẩn hóa
Hệ số đường kính q
q tiêu chuẩn theo m
6
p
m
m
d
q1
6.1.2 Các thông số hình học
Số ren trục vít và số răng bánh vít
- Số ren trục vít z
1
= 1, 2, 4
- Số răng bánh vít z
2
= uz
1
z
2
≥ 26 (tránh cắt lẹm chân răng)
z
2
≤ 80 (tránh gây nên biến dạng trục vít)
7
6.1.2 Các thông số hình học
Góc vít
8
q
z
d
mz
d
pz
d
p
tg z1
1
1
1
1
1

12/17/2017
3
6.1.2 Các thông số hình học
Dịch chỉnh và hệ số dịch chỉnh
Dịch chỉnh nhằm đảm bảo khoảng cách trục
x : hệ số dịch chỉnh
x.m : khoảng dịch chỉnh
Khi cắt BV phải dùng dao có kích thước giống
TV sẽ ăn khớp với BV -> dịch chỉnh chỉ tiến
hành đối với BV
•
Khoảng cách trục
9
)2(
2
2xZq
m
a
6.1.2 Các thông số hình học
Độ chính xác chế tạo
o
Trục vít rất nhạy với sai số về lắp ghép do đó
dung sai khoảng cách trục và vị trí mặt trung
bình bánh vít đòi hỏi chặt chẽ
o
Có 12 cấp chính xác
10
6.1.3 Các thông số động học
a.
Vận tốc vòng và tỷ số truyền
TV quay 1 vòng -> BV quay vòng
TV quay n1 vòng -> BV quay n
2= n1
. vòng
Tỷ số truyền
11
2
d
pz
2
d
pz
1
2
1
22
2
1..
Z
Z
pZ
Zm
p
d
n
n
u
z
6.1.3 Các thông số động học
Nhận xét
z
1
= 1,2,4, z
2min
= 26 => u khá lớn
=> vectơ vận tốc
v
1
≠ v
2
12
1
2
1
2
1
22
d
d
tgd
d
tgd
d
p
d
u
z

12/17/2017
4
6.1.3 Các thông số động học
b. Vận tốc trượt
v
t
: vận tốc trượt
13
1
1
v
1
v
2
v
t
v
2
2
cos.1000.60cos
111 ndv
vt
22
1
1
22
1
2
12
11
22
1
2
19100
.
1
1
cos
qZ
nm
v
qZ
q
tg
q
Z
mqu
mZ
nd
nd
v
v
tg
t
6.1.3 Các thông số động học
Nhận xét
o
v
t
có trị số khá lớn
o
Làm tăng tổn thất do ma sát -> nguy cơ bị
dính và mòn rất lớn
o
Dùng giá trị vt để chọn vật liệu
v
t
lớn -> chọn vật liệu có f nhỏ
14
6.1.4 Kết cấu trục vít và bánh vít
Trục vít được chế tạo liền trục
Bánh vít chế tạo rời rồi lắp lên trục
15
6.1.4 Kết cấu trục vít và bánh vít
•
Khi đường kính bánh vít lớn, để tích kiệm kim
loại màu =>
o
Làm vành răng BV bằng vật liệu đắt tiền
o
Làm mayơ bằng vật liệu khác
16

12/17/2017
5
6.2 Tải trọng và hiệu suất
6.2.1 Lực tác dụng khi ăn khớp
17
F
t2
F
a1
F
t1
F
r1
n
1
n
1
n
2
F
r2
F
a1
F
t1
F
a2
6.2.1 Lực tác dụng khi ăn khớp
18
6.2.1 Lực tác dụng khi ăn khớp
19
1
1
21
2
d
T
FF at
2
2
12
2
d
T
FF at
)(
11
tgFF at
)cos(
cos
'1
an FF
)cos(
cos
11
n
ar
tg
FF
6.2.1 Lực tác dụng khi ăn khớp
20
1
1
21
2
d
T
FF at
2
2
12
2
d
T
FF at
tgFF at 11
cos
221
n
trr
tg
FFF
coscos
2
n
t
n
F
F