
CATIA Part Design & Sketcher CATIA® V5R6
Problems, Page 287
© Wichita State University
Problems
Problem #1.0

CATIA Part Design & Sketcher CATIA® V5R6
Problems, Page 288 ©Wichita State University
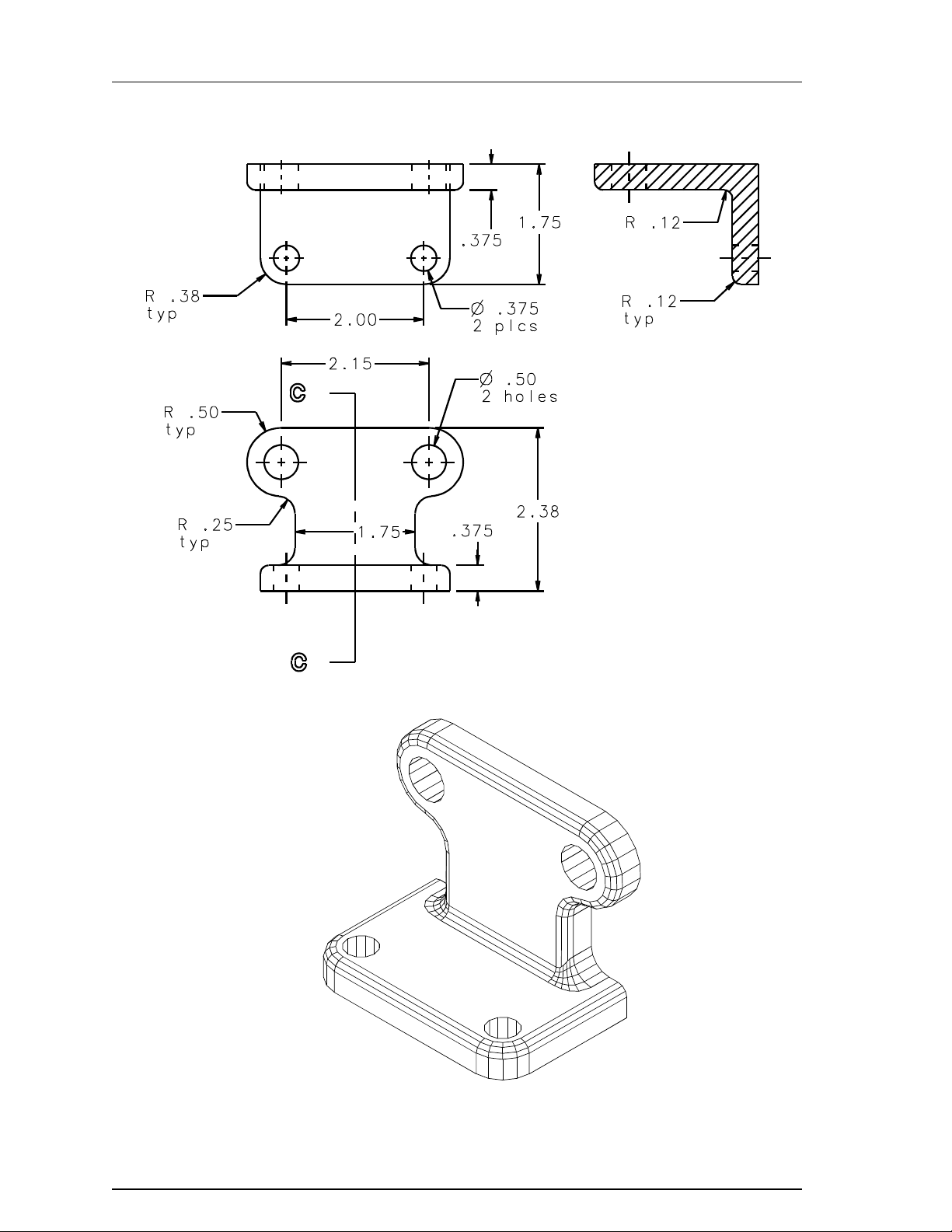
Problem #2.0

CATIA Part Design & Sketcher CATIA® V5R6
Problems, Page 289
© Wichita State University
Problem #3.0

CATIA Part Design & Sketcher CATIA® V5R6
Problems, Page 290 ©Wichita State University
Problem #4.0

CATIA Part Design & Sketcher CATIA® V5R6
Problems, Page 291
© Wichita State University
Problem #5.0

