
BÀI T P TH C HÀNH ĐI N KHÍ NÉNẬ Ự Ệ
BÀI 1:
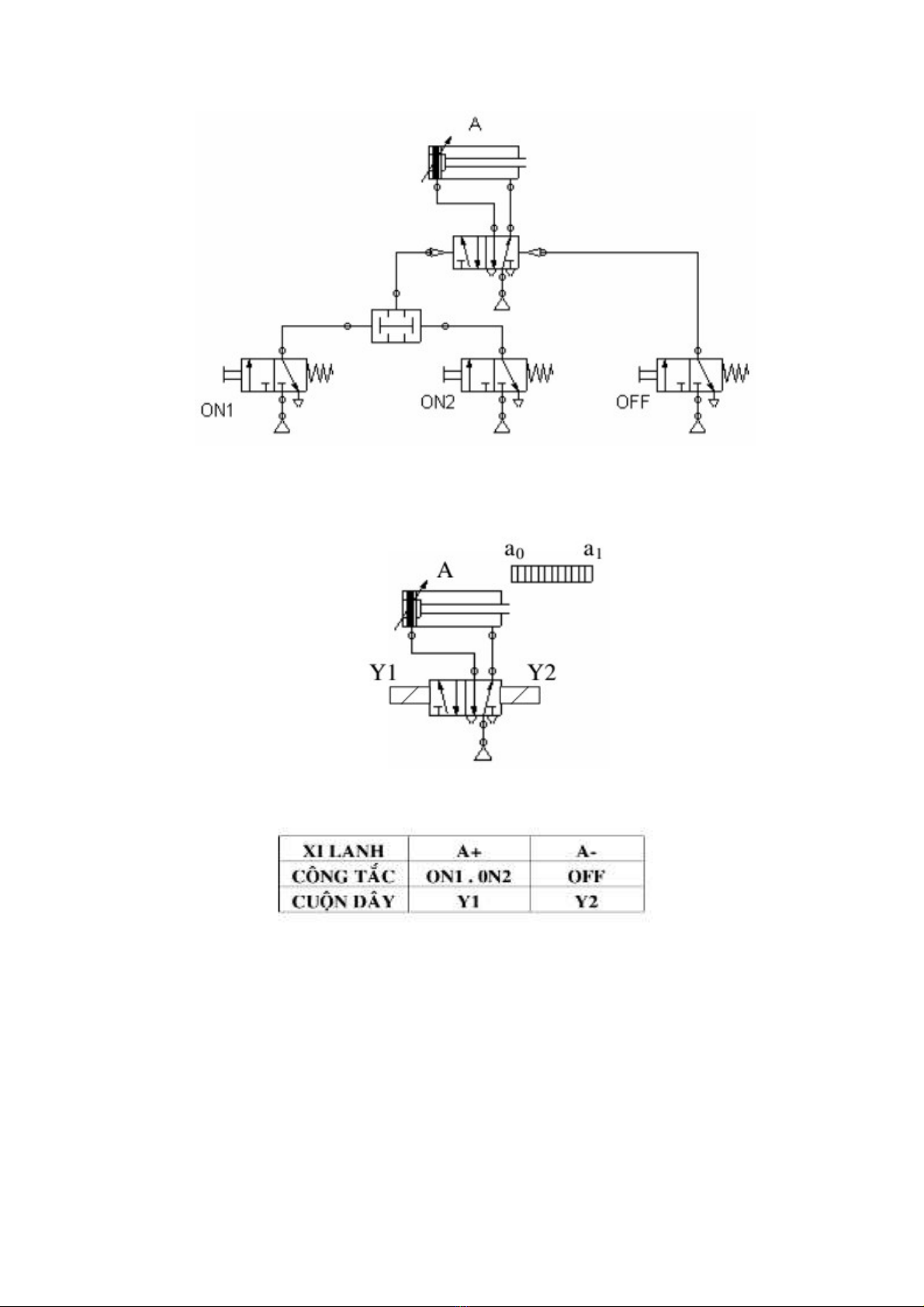
Thi t k m ch đi n khí nén, đi n-khí nén đi u khi n cho m t thi t b đóngế ế ạ ệ ệ ề ể ộ ế ị
m c a v i yêu c u sau: ở ử ớ ầ
-Khi nh n đ ng th i nút ON1 và ON2, piston đ y ra, c a m .ấ ồ ờ ẩ ử ở
-Khi nh n nút OFF, piston h i v , k t thúc m t chu trình ho t đ ng.ấ ồ ề ế ộ ạ ộ
1. M c tiêu.ụ
Sau khi th c hành xong bài này ng i h c có năng l c :ự ườ ọ ự
-Thi t l p đ c s đ h th ng đi u khi n đi n khí nén theo yêu c u choế ậ ượ ơ ồ ệ ố ề ể ệ ầ
nh ng thi t b công ngh đ n gi n, đi n hình.ữ ế ị ệ ơ ả ể
- L a ch n, đo ki m tra ch c năng, l p ráp và hi u ch nh đ c các ph n t khíự ọ ể ứ ắ ệ ỉ ượ ầ ử
nén, đi n – khí nén trong s đ h th ng khí nén c b n.ệ ơ ồ ệ ố ơ ả
-Ch y th , v n hành và ki m tra các h th ng đi u khi n đi n - khí nén.ạ ử ậ ể ệ ố ề ể ệ
- Phát hi n và kh c ph c đ c các l i c b n trong h th ng.ệ ắ ụ ượ ỗ ơ ả ệ ố
-Th c hi n đúng các quy t c an toàn trong v n hành, b o d ng các thi t b c aự ệ ắ ậ ả ưỡ ế ị ủ
h th ng truy n đ ng khí nén.ệ ố ề ộ
-Ch đ ng, sáng t o và an toàn trong th c hành.ủ ộ ạ ự
2. Yêu c u k thu t.ầ ỹ ậ
-Khi nh n đ ng th i nút ON1 và ON2, piston đ y ra, c a m .ấ ồ ờ ẩ ử ở
-Khi nh n nút OFF, piston h i v , k t thúc m t chu trình ho t đ ng.ấ ồ ề ế ộ ạ ộ
3. Thi t k m ch khí nén, đi n-khí nén.ế ế ạ ệ
a. Thi t k m ch khí nén.ế ế ạ
-Bi u đ tr ng thái.ể ồ ạ
-S đ m ch khí nén.ơ ồ ạ

b. Thi t k m ch đi n - khí nén.ế ế ạ ệ
-S đ k t n i đi n khí nén.ơ ồ ế ố ệ
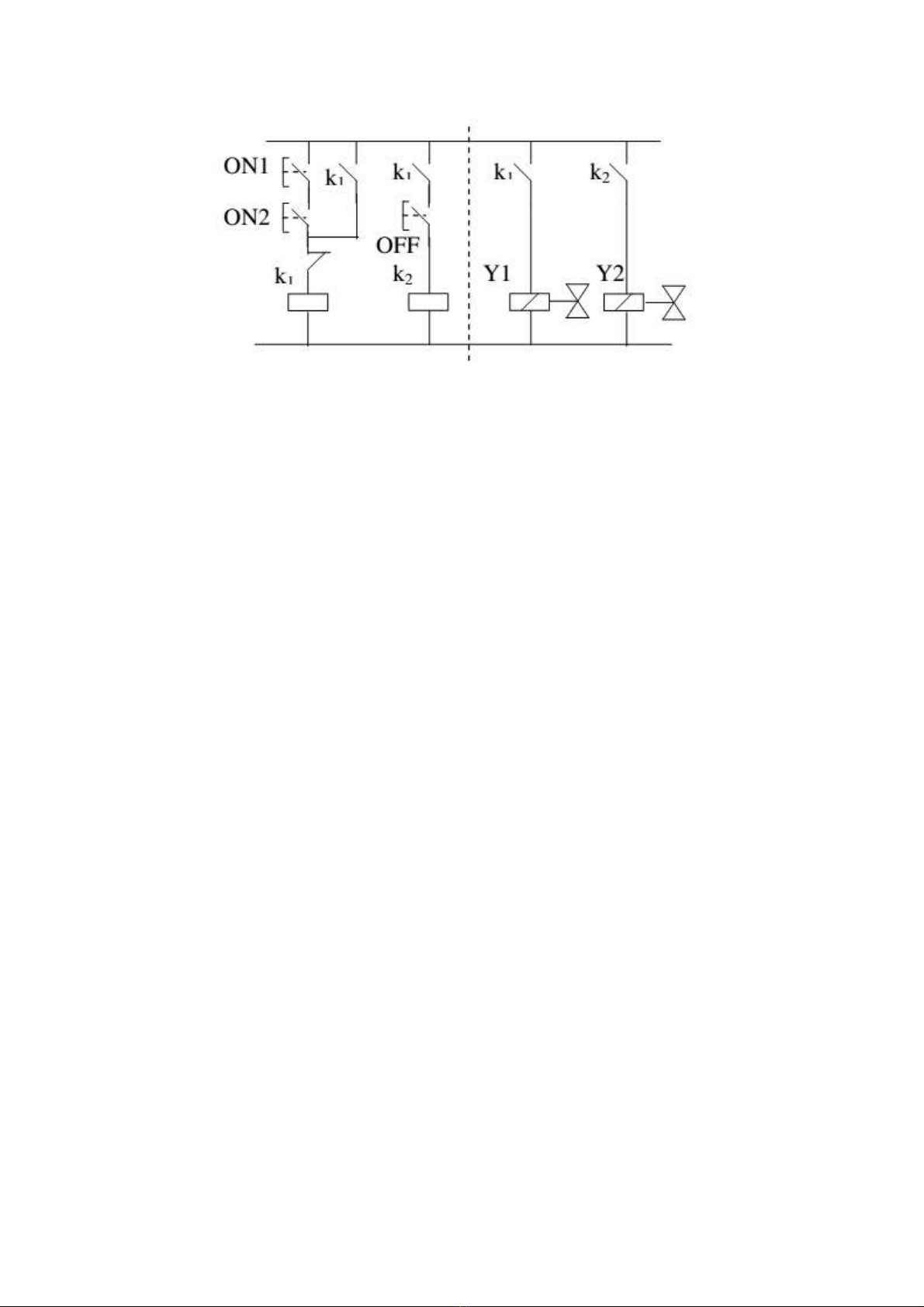
-S đ m ch đi u khi n.ơ ồ ạ ề ể
•Quy trình đi u khi nề ể :
•S đ m ch đi u khi n.ơ ồ ạ ề ể

4. N i dung luy n t p.ộ ệ ậ
a. Công tác chu n b .ẩ ị
-B ngu n khí nén.ộ ồ
-Xy lanh tác đ ng kép: 01 cái.ộ
-Van đi n t 5/2 tác đ ng kép.ệ ừ ộ
-Van khí nén 3/2.
-Nút nh n th ng m .ấ ườ ở
-R le.ơ
b. Trình t th c hi n.ự ự ệ
-Đ c k và tìm hi u s b nguyên lý ho t đ ng c a m ch đi u khi n.ọ ỹ ể ơ ộ ạ ộ ủ ạ ề ể
-K t n i m ch đi n đi u khi n nh hình v , ki m tra th k m ch tr c khiế ố ạ ệ ề ể ư ẽ ể ậ ỹ ạ ướ
c p ngu n.ấ ồ
-K t n i các c c u ch p hành v i các van đi n t .ế ố ơ ấ ấ ớ ệ ừ
-Quan sát ho t đ ng c a m ch.ạ ộ ủ ạ
-V bi u đ tr ng thái, so sánh v i bi u đ tr ng thái đ c l p b i yêu c uẽ ể ồ ạ ớ ể ồ ạ ượ ạ ở ầ
đi u khi n.ề ể
-T t ngu n khí nén, tháo thi t b tr v v trí ban đ u, v sinh bàn th c t p.ắ ồ ế ị ả ề ị ầ ệ ự ậ
c. Các d ng sai h ng th ng g p.ạ ỏ ườ ặ
-Van không ho t đ ng.ạ ộ
-M ch ho t đ ng không đúng yêu c u.ạ ạ ộ ầ
d. Luy n t p.ệ ậ
BÀI 2:
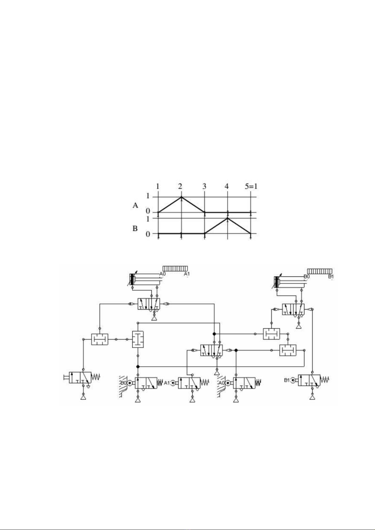
Thi t k m ch khí nén, đi n khí nén đi u khi n cho m t tr m đóng h pế ế ạ ệ ề ể ộ ạ ộ
s n ph m v i yêu c u ho t đ ng nh sau:ả ẩ ớ ầ ạ ộ ư
-Khi nh n nút ON, xy lanh A đi ra, đ y s n ph m ra kh i thùng ch a r iấ ẩ ả ẩ ỏ ứ ồ
h i v .ồ ề
-Khi xy lanh A h i v xong, xy lanh B đi ra đ y s n ph m vào h p r i h iồ ề ẩ ả ẩ ộ ồ ồ
v , k t thúc m t chu trình đóng h p s n ph m.ề ế ộ ộ ả ẩ
1. M c tiêu.ụ
Sau khi th c hành xong bài này ng i h c có năng l c :ự ườ ọ ự

-Thi t l p đ c s đ h th ng đi u khi n đi n khí nén theo yêu c u choế ậ ượ ơ ồ ệ ố ề ể ệ ầ
nh ng thi t b công ngh đ n gi n, đi n hình.ữ ế ị ệ ơ ả ể
- L a ch n, đo ki m tra ch c năng, l p ráp và hi u ch nh đ c các ph n t khíự ọ ể ứ ắ ệ ỉ ượ ầ ử
nén, đi n – khí nén trong s đ h th ng khí nén c b n.ệ ơ ồ ệ ố ơ ả
-Ch y th , v n hành và ki m tra các h th ng đi u khi n đi n - khí nén.ạ ử ậ ể ệ ố ề ể ệ
- Phát hi n và kh c ph c đ c các l i c b n trong h th ng.ệ ắ ụ ượ ỗ ơ ả ệ ố
-Th c hi n đúng các quy t c an toàn trong v n hành, b o d ng các thi t b c aự ệ ắ ậ ả ưỡ ế ị ủ
h th ng truy n đ ng khí nén.ệ ố ề ộ
-Ch đ ng, sáng t o và an toàn trong th c hành.ủ ộ ạ ự
2. Yêu c u k thu t.ầ ỹ ậ
-Khi nh n nút ON, ấxy lanh A đ y raẩ
3. Thi t k m ch khí nén, đi n-khí nén.ế ế ạ ệ
a. Thi t k m ch khí nén.ế ế ạ
-Bi u đ tr ng thái.ể ồ ạ
-S đ m ch khí nén.ơ ồ ạ
b. Thi t k m ch đi n - khí nén.ế ế ạ ệ
-S đ k t n i đi n khí nén.ơ ồ ế ố ệ

-S đ m ch đi u khi n.ơ ồ ạ ề ể
•Quy trình đi u khi nề ể :
•S đ m ch đi u khi n.ơ ồ ạ ề ể
4. N i dung luy n t p.ộ ệ ậ
a. Công tác chu n b .ẩ ị
-B ngu n khí nén.ộ ồ
-Xy lanh tác đ ng kép: 01 cái.ộ
-Van đi n t 5/2 tác đ ng kép.ệ ừ ộ
-Van khí nén 3/2.
-Van AND
-Nút nh n th ng m .ấ ườ ở
-R le.ơ
b. Trình t th c hi n.ự ự ệ
-Đ c k và tìm hi u s b nguyên lý ho t đ ng c a m ch đi u khi n.ọ ỹ ể ơ ộ ạ ộ ủ ạ ề ể
-K t n i m ch đi n đi u khi n nh hình v , ki m tra th k m ch tr c khiế ố ạ ệ ề ể ư ẽ ể ậ ỹ ạ ướ
c p ngu n.ấ ồ
-K t n i các c c u ch p hành v i các van đi n t .ế ố ơ ấ ấ ớ ệ ừ
-Quan sát ho t đ ng c a m ch.ạ ộ ủ ạ
-V bi u đ tr ng thái, so sánh v i bi u đ tr ng thái đ c l p b i yêu c uẽ ể ồ ạ ớ ể ồ ạ ượ ạ ở ầ
đi u khi n.ề ể
-T t ngu n khí nén, tháo thi t b tr v v trí ban đ u, v sinh bàn th c t p.ắ ồ ế ị ả ề ị ầ ệ ự ậ
c. Các d ng sai h ng th ng g p.ạ ỏ ườ ặ

