
CH NG 7: CÁC BI N PHÁP GI M THI U Ô NHI M MÔI ƯƠ Ệ Ả Ể Ễ
TR NG C A Đ NG C Đ T TRONGƯỜ Ủ Ộ Ơ Ố
7.1. Gi m m c đ phát sinh ô nhi m ngay t ả ứ ộ ễ ừ
ngu nồ .
7.1.2- Đ ng c Diezelộ ơ
Ph i cân nh c gi a n ng đ c a các ch t HC, NOx và b hóng ả ắ ữ ồ ộ ủ ấ ồ
trong khí x .ả
Nh chúng ta đã bi t, vi c thay đ i góc phun s m có nh ư ế ệ ổ ớ ả
h ng trái ng c nhau đ n n ng đ HC và NOx ,ưở ượ ế ồ ộ

CH NG 7: CÁC BI N PHÁP GI M THI U Ô NHI M MÔI ƯƠ Ệ Ả Ể Ễ
TR NG C A Đ NG C Đ T TRONGƯỜ Ủ Ộ Ơ Ố
7.1. Gi m m c đ phát sinh ô nhi m ngay t ả ứ ộ ễ ừ
ngu nồ .
7.1.2- Đ ng c Diezelộ ơ
G
qtk
-2 -4 -6
+2
+4 0
100
200
100
200
HC
NOX
Gãc b¾t ®Çu phun
tèi - u
Sí m TrÔ
Hình 7.1: nh h ng Ả ưở
c a góc phun s mủ ớ
đ n s hình thành HC ế ự
và NOx trong khí xả
đ ng c Diesel.ộ ơ

CH NG 7: CÁC BI N PHÁP GI M THI U Ô NHI M MÔI ƯƠ Ệ Ả Ể Ễ
TR NG C A Đ NG C Đ T TRONGƯỜ Ủ Ộ Ơ Ố
7.1. Gi m m c đ phát sinh ô nhi m ngay t ả ứ ộ ễ ừ
ngu nồ .
7.1.2- Đ ng c Diezelộ ơ
Các bi n pháp v kĩ thu t phun và t ch c quá trình cháy nh m ệ ề ậ ổ ứ ằ
gi i h n n ng đ hai ch t ô nhi m này.ớ ạ ồ ộ ấ ễ
Tăng t c đ phun đ làm gi m n ng đ b hóng do tăng t c ố ộ ể ả ồ ộ ồ ố
đ hòa tr n nhiên li u-không khí.ộ ộ ệ
Tăng áp su t phun, đ c bi t là đ i v i đ ng c phun tr c ấ ặ ệ ố ớ ộ ơ ự
ti p.ế
Đi u ch nh d ng quy lu t phun (quan h l u l ng-th i ề ỉ ạ ậ ệ ư ượ ờ
gian) theo khuynh h ng k t thúc nhanh quá trình phun đ làm ướ ế ể
gi m HC. ả

CH NG 7: CÁC BI N PHÁP GI M THI U Ô NHI M MÔI ƯƠ Ệ Ả Ể Ễ
TR NG C A Đ NG C Đ T TRONGƯỜ Ủ Ộ Ơ Ố
7.1. Gi m m c đ phát sinh ô nhi m ngay t ả ứ ộ ễ ừ
ngu nồ .
7.1.2- Đ ng c Diezelộ ơ
Cũng nh đ ng c xăng, h i l u khí x là m t trong nh ng ư ộ ơ ồ ư ả ộ ữ
bi n pháp hi u qu nh t đ gi m m c đ phát sinh NOx trong ệ ệ ả ấ ể ả ứ ộ
đ ng c Diesel.ộ ơ
Tuy nhiên, v m t k t c u, h th ng h i l u khí x trên đ ng ề ặ ế ấ ệ ố ồ ư ả ộ
c Diesel ph c t p h n vì đ chân không trên đ ng n p quá bé ơ ứ ạ ơ ộ ườ ạ
không đ s c m van h i l u.ủ ứ ở ồ ư
Vì v y, ngoài b vi x lí chuyên d ng, van đi n t tr l c khí ậ ộ ử ụ ệ ừ ợ ự
nén và van h i l u, h th ng còn có m t b m t o chân không. ồ ư ệ ố ộ ơ ạ

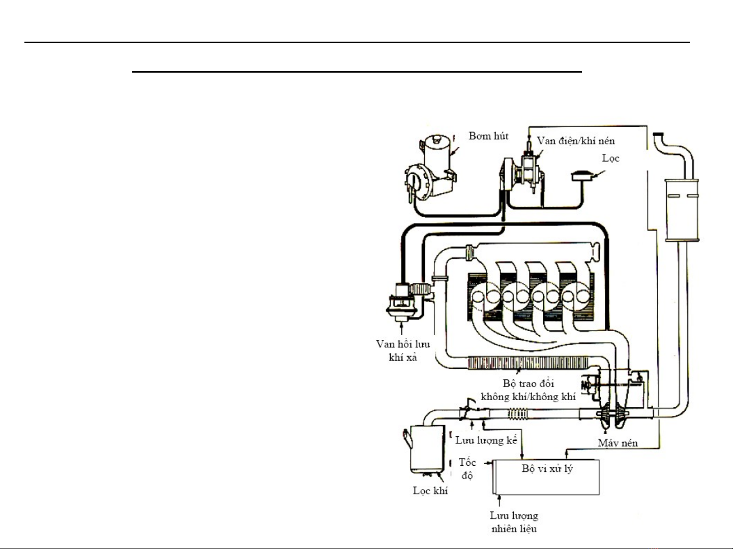
CH NG 7: CÁC BI N PHÁP GI M THI U Ô NHI M MÔI ƯƠ Ệ Ả Ể Ễ
TR NG C A Đ NG C Đ T TRONGƯỜ Ủ Ộ Ơ Ố
7.1. Gi m m c đ phát sinh ô nhi m ngay t ả ứ ộ ễ ừ
ngu nồ .
7.1.2- Đ ng c Diezelộ ơ
Hình 7.2:Sơ đ nguyên lí ồ
c a h th ng h i l u khí ủ ệ ố ồ ư
xả đ ng c Diesel.ộ ơ

