
CỘNG HOÀ XÃ HỘI CHỦ NGHĨA VIỆT NAM
Độc lập - Tự do - Hạnh phúc
ĐỀ THI TỐT NGHIỆP CAO ĐẲNG NGHỀ KHOÁ 3 (2009 - 2012)
NGHỀ: ĐIỆN CÔNG NGHIỆP
MÔN THI: THỰC HÀNH NGHỀ
Mã đề thi: ĐCN - TH 30
Thời gian: ….. phút
Nội dung đề thi
A. MÔ TẢ KỸ THUẬT.
B. CÁC BẢN VẼ KỸ THUẬT
C. DANH MỤC THIẾT BỊ, DỤNG CỤ, VẬT TƯ.
D. TIÊU CHÍ ĐÁNH GIÁ
Điểm đạt
Phần A: Chuẩn bị 05
Phần B: Chức năng 30
Phần C: Lắp đặt thiết bị 05
Phần D: Đi dây và đấu nối mạch điện 15
Phần E: An toàn 05
Phần F: Thời gian 10
Tổng cộng:
70
I. PHẦN BẮT BUỘC (70 điểm - Thời gian thực hiện : 240 phút)
A. MÔ TẢ KỸ THUẬT.
1. Mô tả kỹ thuật đề thi
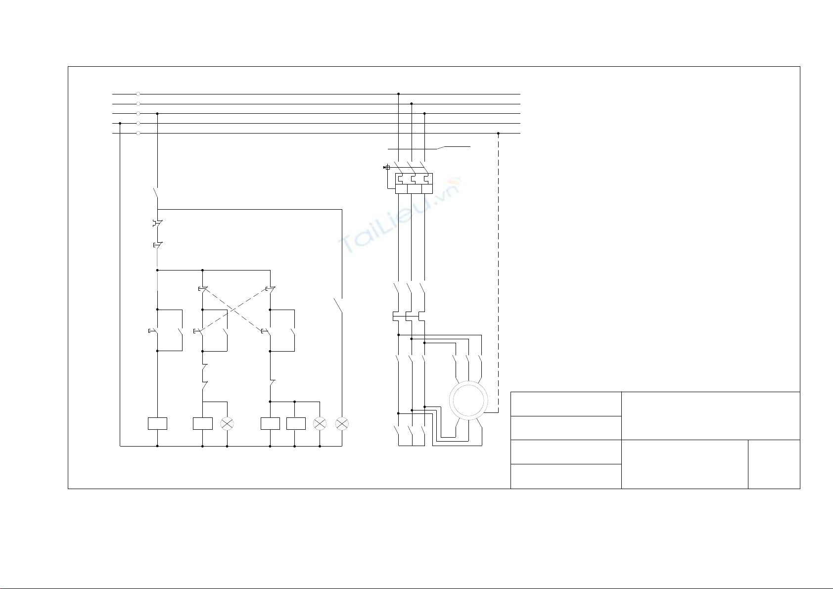
Vẽ và lắp mạch điện tự động khống chế dùng rơ le điều khiển động cơ
điện không đồng bộ ba pha rô to lồng sóc mở máy bằng cách đổi nối Y/ khi
dừng có hãm động năng.
- Ấn nút M động cơ khởi động ở chế độ Y, sau 15 giây động cơ chuyển sang
làm việc ở chế độ
- Động cơ được bảo vệ quá tải bằng rơ le nhiệt RN.
- Đèn tín hiệu Đ1 hiển thị động cơ làm việc ở trạng thái bình thường và đèn
tín hiệu Đ2 hiển thị chế độ quá tải .
2. Yêu cầu kỹ thuật
- Các thiết bị được gá lắp trên panel,bảng gỗ.
- Dây dẫn phải sóng, gọn và đẹp.
- Thiết bị phải được lắp đặt ở vị trí hợp lý

2
- Các đầu dây được bấm đầu cốt .
- Dây dẫn được sử dụng đúng kích thước theo yêu cầu của bản vẽ
3. Quy trình thực hiện bài thi:
- Đọc sơ đồ và lắp ráp mạch
- Vận hành, quan sát và ghi nhận hiện tượng.
B. CÁC BẢN VẼ KỸ THUẬT

I >
I > I >
MC
1
MC
2H2H3
H1
MC
1
PB3PB4
2A 2B
L1
L2
L3
N
PE
1 x 2,5 màu d?
1 x 2,5 màu xanh
1 x 2,5 màu vàng
1 x 2,5 màu den
1 x 2,5 màu vàng xanh
Nguoi duyet:
Ngay thang nam 2011
Nghe: ®iÖn C«ng nghiÖp
Nguoi ve:
BV: 01
S¬ ®å nguyªn lý
MCB0
®Ò thi tèt nghiÖp cao ®¼ng nghÒ
MC
1
MC
3
THR
THR
MC
2
PB
1
PB2
THR
1 x 1,5 màu d?
1 x 1,5 màu den
MCB1
MC
MC
MC
3
MC
2
M
2C
4A 4B 4C
MC
1
MC
2
MC
3
MC
PE
1 x 2,5 vàng xanh
2,5 mm2

3/7
C. TRANG THIẾT BỊ, DỤNG CỤ, VẬT TƯ DÙNG CHO KỲ THI
Số thí sinh dự thi: ...........
1. Thiết bị, Vật tư
TT Tên thiết bị, vật tư ĐV SL Hãng SX Ghi chú
1
Áp tô mát ba pha
-
32A
Chi
ế
c
1
2
Rơle nhi
ệ
t
GTH
-
22
Chi
ế
c
1
3
Công t
ắ
c tơ
-
32A
Chi
ế
c
4
4
Đèn báo
22
-
220
V; màu xanh, đ
ỏ
, vàng
Chi
ế
c
3
5
Nút
ấ
n
22 màu xanh và đ
ỏ
Chi
ế
c
4
6
Áp tô mát
m
ộ
t pha
-
10A
Chi
ế
c
1
7
Đ
ộ
ng cơ KĐB 3 pha
Chi
ế
c
1
8
C
ầ
u đ
ấ
u dây 12 c
ự
c
–
10A
Chi
ế
c
2
9
C
ầ
u đ
ấ
u dây 6 c
ự
c
–
20A
Chi
ế
c
2
10
C
ầ
u đ
ấ
u dây 4 c
ự
c
–
20A
Chi
ế
c
1
11
C
ầ
u n
ố
i đ
ấ
t
Chi
ế
c
1
12
Thanh cài thi
ế
t b
ị
m
0,5
13
Đ
ầ
u c
ố
t (cho dây 1.5)
Ch
i
ế
c
100
14
Đ
ầ
u c
ố
t (cho dây 2.5)
Chi
ế
c
100
15
Dây đơn m
ề
m
1 x 1,5mm
2
m
4
0
16
Dây đơn m
ề
m
1 x 1,5mm
2
m
30
17
Dây đơn m
ề
m xanh/
vàng
1 x
2,5mm
2
m
10
18
Băng keo cách đi
ệ
n
Cu
ộ
n
1
19
V
í
t b
ắ
t g
ỗ
2
Chi
ế
c
30
20
Bu lông + Ê cu M4x10
Chi
ế
c
10
21
Dây thít dài 150 + đ
ế
dán thít
Chi
ế
c
10
22
T
ủ
đi
ề
u khi
ể
n (600 x 400
x
180)
Chi
ế
c
01
2. Dụng cụ
TT Tên dụng cụ ĐV SL
Ghi chú
1 Máy khoan điện cầm tay Cái 1
2 Máy vặn vít dùng pin Cái 1
3 Đồng hồ VOM Cái 1
4 Kìm điện các loại Bộ 1
5 Đồng hồ mê ga ôm ( M
) Cái 1
6 Kìm bấm đầu cốt Cái 1
7 Kìm tuốt dây điện Cái 1
8 Tuốc nơ vit các loại Bộ 1
11 Cưa sắt Cái 1
12 Bút thử điện Cái 1
13 Thước ni vô , thước các loại Bộ 1
14 Mũi khoét sắt
65,
22, mũi khoan Bộ 1
3 Trang bị bảo hộ lao động
Giầy cách điện
Bao tay cách điện
Quần áo bảo hộ lao động

4/7
D. TIÊU CHÍ ĐÁNH GIÁ
1. Chuẩn bị Yêu cầu - Kỹ thuật Thang
điểm
Điểm
đánh giá
1 Thiết bị Đúng chủng loại, đầy
đủ, tốt
2
2 Vật tư Đầy đủ, tốt 2
3 Dụng cụ Đầy đủ, tốt 1
Tổng điểm 5
2. Chức năng Yêu cầu - Kỹ thuật Thang
điểm
Điểm
đánh giá
1 Đóng MCB0,MCB1
Mạch chưa tác động 6
2 Ấn nút M Động cơ làm việc ở
chế độ Y, sau 15
giây chuyển sang
chế độ . Đèn Đ1
sáng
8
3 Ấn nút dừng Trục động cơ dừng ngay
8
4 Tác động RN Động cơ dừng làm
việc, đèn Đ
2
sáng
8
Tổng điểm 30
3. Lắp đặt Yêu cầu - Kỹ thuật Thang
điểm
Điểm
đánh giá
1 Thanh cài, máng
nhựa
Chắc chắn, song
song với các phương
của Panel.
2
2 Thiết bị lắp đặt trên
Panel và cánh tủ
Chắc chắn
Đúng theo bản vẽ 3
Tổng điểm 5
4. Đi dây và đấu nối Yêu cầu - Kỹ thuật Thang
điểm
Điểm
đánh giá
1 Mạch động lực
và mạch điều
khiển
Đúng màu dây, kích
cỡ dây, đúng sơ đồ
5
2 Ép cốt Chắc chắn, đúng loại
đầu cốt, không bị hở
phần dây đồng
5
3 Từ Panel đến các
thiết bị trên cánh
tủ
Sóng, gọn, chắc
chắn, tiếp xúc tốt. 5
Tổng điểm 15
5. An toàn Yêu cầu - Kỹ thuật Thang
điểm
Điểm
đánh giá
1 Dụng cụ và đồ
nghề
Sử dụng đúng 1
2 Nơi làm việc Gọn gàng ngăn nắp 1

