
BÀI 2: HỆ TỔ HỢP – TỔNG QUAN + GIẢI MÃ
1. Thiết kế mạch tổ hợp:
Ví dụ 1: Thiết kế mạch tổ hợp nhân một số 2 bit với số 3.
a. Xác định số biến: 2 biến (B, A); số hàm ngõ ra: 4 hàm (Y3, Y2, Y1, Y0)
b. Lập bảng trạng thái:
Biến Hàm
Số B A Y3Y2Y1Y0
Kq
0 0 0 0 0 0 0 0
1 0 1 0 0 1 1 3
2 1 0 0 1 1 0 6
3 1 1 1 0 0 1 9
c. Rút gọn các hàm ngõ ra:
Y3 = B.A; Y2 = A.B ; Y1 = BAA.BA.B ⊕=+ ; Y0 = A
d. Vẽ mạch thực hiện:
1
23
4
56
1
23
12
R1
100K
B
R2
100K
A(LSB)
+5V
A
7QA 13
B
1QB 12
C
2QC 11
D
6QD 10
BI/RBO
4QE 9
RBI
5QF 15
LT
3QG 14
U4
74LS247
Switch ñoùng, möùc 0
Switch môû, möùc 1
Ví dụ 2: Thiết kế mạch tổ hợp cộng một số 2 bit với số 3.
a. Xác định số biến: 2 biến (B, A); số hàm ngõ ra: 3 hàm (Y2, Y1, Y0)
b. Lập bảng trạng thái:
Biến Hàm
Số B A Y2Y1Y0
Kq
0 0 0 0 1 1 3
1 0 1 1 0 0 4
2 1 0 1 0 1 5
3 1 1 1 1 0 6
c. Rút gọn các hàm ngõ ra:
Y2 = ; Y
AB+1 = BAA.BA.B ⊕=+ ; Y0 = AA.BA.B =+
d. Vẽ mạch:
1 2
1
23
1
23
3 4
A
7QA 13
B
1QB 12
C
2QC 11
D
6QD 10
BI/RBO
4QE 9
RBI
5QF 15
LT
3QG 14
U4
74LS247
R1
10K
+5V
R2
10K
Switch ñoùng: Möùc 0
Switch môû: Möùc 1
B A

2. Khảo sát mạch cộng nhị phân:
Mạch cộng phân nửa:
1
23
1
23
BS
A
C
Boä coäng phaân nöûa
Mạch cộng đầy đủ:
4
56
4
56
B
9
10 8
9
10 8
A S
C-1
1
23
C
Boä coäng ñaày ñuû
Mạch cộng hai số nhị phân 2 bit: A = A1A0 và số B = B1B0
S = A+B = S2S1S0
12
13 11
12
13 11
1
23
1
23
4
56
4
56
4
56
A
7QA 13
B
1QB 12
C
2QC 11
D
6QD 10
BI/RBO
4QE 9
RBI
5QF 15
LT
3QG 14
U6
74LS247
R1
100K
A1
+5V
R2
100K
R3
100K
R4
100K
A0 B1 B0
S2
S1
S0
Switch ñoùng: Möùc 0
Switch môû: Möùc 1
Soá A: A1A0
Soá B: B1B0
Mạch cộng hai số nhị phân 3 bit: S=A+B = S3S2S1S0. Với A=A2A1A0; B=B2BB1B0
1
23A
7QA 13
B
1QB 12
C
2QC 11
D
6QD 10
BI/RBO
4QE 9
RBI
5QF 15
LT
3QG 14
74LS247
R1
10K
+5V
R2
10K
B2 B1
Switch ñoùng: Möùc 0
Switch môû: Möùc 1
R3
10K
R4
10K
B0 A2
R5
10K
R6
10K
A1 A0
1
23
4
56
4
56
9
10 8
9
10 81
23
12
13 11
12
13 11
1
23
1
234
56
S0
S1
S2
C2=S3
C0
C1
A0
B0
A1
B1
A2
B2

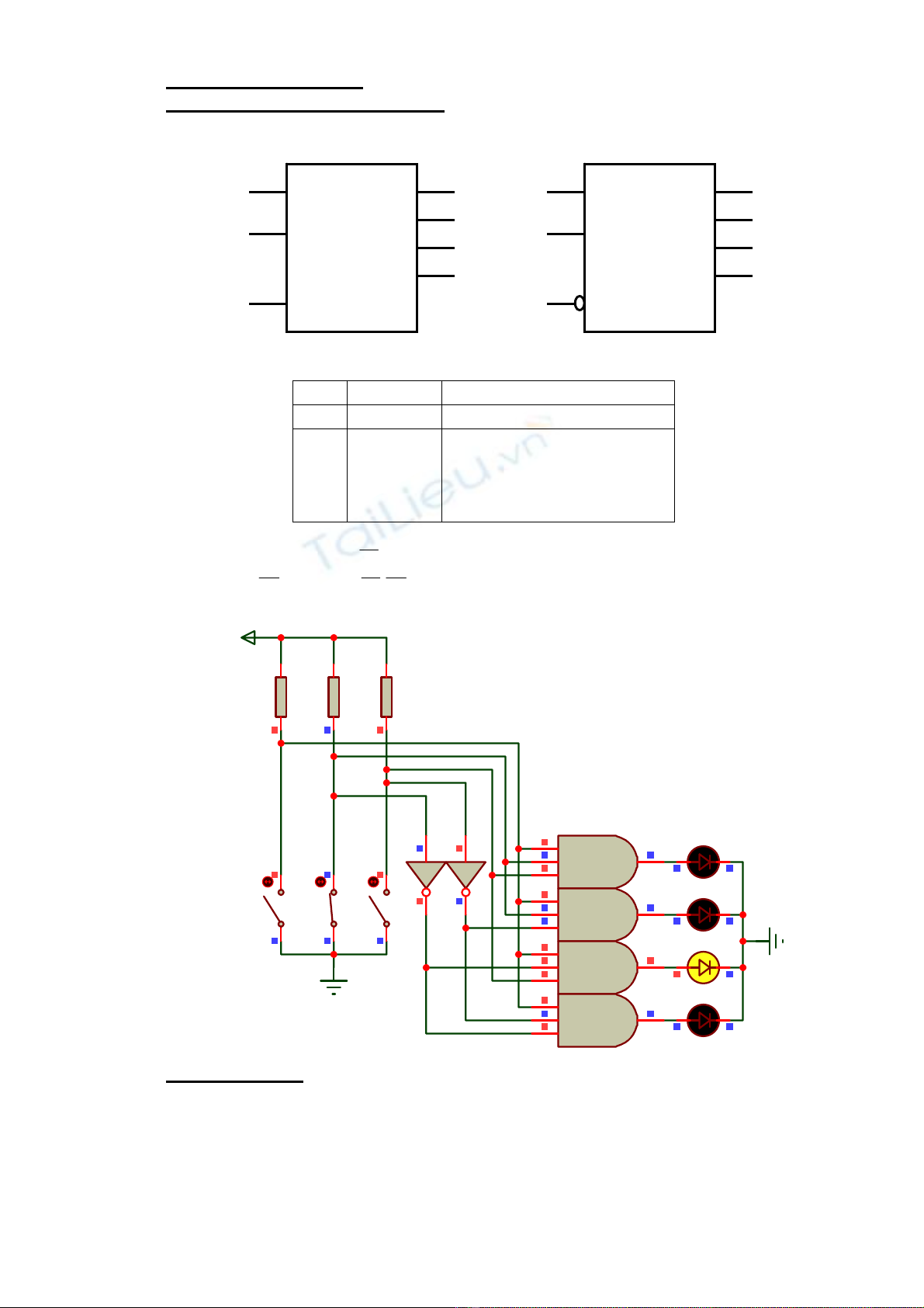
3. Khảo sát mạch giải mã:
Mạch giải mã sử dụng cổng logic:
Giải mã 2 sang 4, chân cho phép mức cao, ngõ ra tích cực mức cao (Hình a)
Bảng trạng thái:
S0
S1(MSB)
E
Y0
Y1
Y2
Y3
S0
S1(MSB)
E
Y0
Y1
Y2
Y3
Hình a Hình b
E S1 S0 Y3 Y2 Y1 Y0
0 X X 0 0 0 0
1 0 0 0 0 0 1
1 0 1 0 0 1 0
1 1 0 0 1 0 0
1 1 1 1 0 0 0
Rút gọn:
0S.1S.E3Y =; 0S.1S.E1Y =
0S.1S.E2Y =; 0S.1S.E0Y =
Vẽ hình:
+5V
R2
100K
E
R3
100K
S1(MSB)
R4
100K
S0
Switch ñoùng: Möùc 0
Switch môû: Möùc 1
Y3
Y2
Y1
Y0
LED taét: Möùc 0
LED saùng: Möùc 1
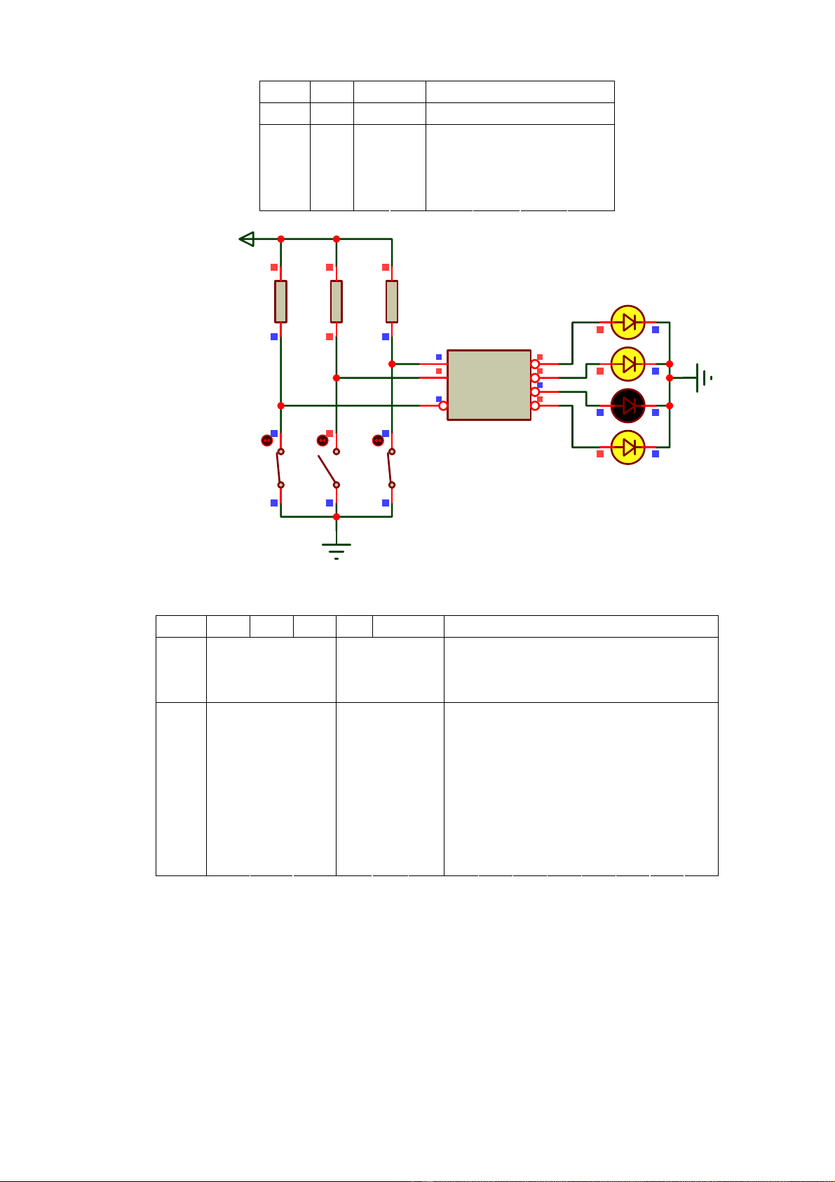
Vi mạch giải mã:
• 74LS139:
Chạy mô phỏng mạch, lập bảng trạng thái:

E B A Y3Y2Y1Y0
Cấm 1 ? ? ? ? ? ?
0 0 0 ? ? ? ?
0 0 1 ? ? ? ?
0 1 0 ? ? ? ?
Cho
phép
0 1 1 ? ? ? ?
+5V R1
100K
E
R5
100K
B
R6
100K
A
Switch ñoùng: Möùc 0
Switch môû: Möùc 1
D0
D1
D2
D3
LED taét: Möùc 0
LED saùng: Möùc 1
A
2Y0 4
B
3Y1 5
Y2 6
E
1Y3 7
74LS139
• 74LS138:
E1 E2 E3 C B A Y7Y6Y5Y4Y3Y2Y1Y0
0 ? ? ? ? ? ? ? ? ? ? ? ? ?
? 1 ? ? ? ? ? ? ? ? ? ? ? ?
Cấm
? ? 1 ? ? ? ? ? ? ? ? ? ? ?
1 0 0 0 0 0 ? ? ? ? ? ? ? ?
1 0 0 0 0 1 ? ? ? ? ? ? ? ?
1 0 0 0 1 0 ? ? ? ? ? ? ? ?
1 0 0 0 1 1 ? ? ? ? ? ? ? ?
1 0 0 1 0 0 ? ? ? ? ? ? ? ?
1 0 0 1 0 1 ? ? ? ? ? ? ? ?
1 0 0 1 1 0 ? ? ? ? ? ? ? ?
Cho
phép
1 0 0 1 1 1 ? ? ? ? ? ? ? ?

+5V
R7
100K
E3
R8
100K
E2
R9
100K
E1
Switch ñoùng: Möùc 0
Switch môû: Möùc 1
L0
L1
L2
L3
LED taét: Möùc 0
LED saùng: Möùc 1
L4
L5
L6
L7
R10
100K
C1
R11
100K
B1
R12
100K
A1
A
1
B
2
C
3
E1
6
E2
4
E3
5
Y0 15
Y1 14
Y2 13
Y3 12
Y4 11
Y5 10
Y6 9
Y7 7
74LS138
• 74HC154:
A
23
B
22
C
21
D
20
E1
18
E2
19
01
12
23
34
45
56
67
78
89
910
10 11
11 13
12 14
13 15
14 16
15 17
74HC154
0
1
2
3
4
5
6
7
8
9
10
11
12
13
14
15
+5V
R14
100K
E1A
R15
100K
X
R16
100K
Y
R17
100K
Z
R18
100K
T
R13
100K
E2A
LED taét: Möùc 0
LED saùng: Möùc 1
Switch ñoùng: Möùc 0
Switch môû: Möùc 1
Ghép mạch giải mã:
• Ghép 2 bộ 74LS139 thành bộ giải mã 3 sang 8:

