
KHOA KỸ THUẬT – BỘ MÔN KỸ THUẬT Ô TÔ
Chương 7 Kỹ thuật lập trình (theo hệ
FANUC)

KHOA KỸ THUẬT – BỘ MÔN KỸ THUẬT Ô TÔ
7.1 .Các lệnh lập trình trên
máy CNC.
7.1.1.Mô tả các chức năng lệnh G
trên máy tiện.
Lệnh G00: Lệnh vị trí - dich
chuyển nhanh bàn xe dao
Cú pháp:
N... G00 X(U)..... ........ Z(W) ;
bàn dao dịch chuyển nhanh đến điểm
đích có toạ độ X.... Z... (U...W). →
X,Z theo tọa độ tuyệt đối, U,W theo
tọa độ tương đối Lệnh G00 sẽ bỏ
qua các giá trị lượng chạy dao xác định bởi lệnh F.

KHOA KỸ THUẬT – BỘ MÔN KỸ THUẬT Ô TÔ
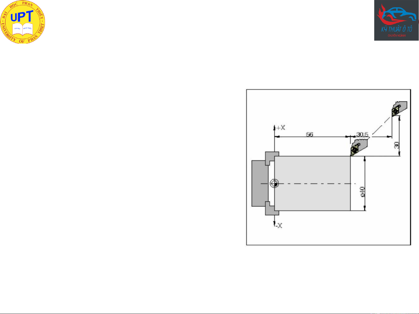
Ví dụ:
▪ Với toạ độ tuyệt đối
N50 G00 X40 Z56 ;
•
Với toạ độ tương đối
N50 G00 U-30 W-30.5 ;

KHOA KỸ THUẬT – BỘ MÔN KỸ THUẬT Ô TÔ
Lệnh G01: Nội suy đường thẳng.
Lệnh này sử dụng để dịch chuyển dụng cụ ở chế độ cắt gọt đến vị
trí điểm đích theo đường thẳng.
Cú pháp:
N... G01 X(U)... Z(W).... F...;
Ví dụ: Dao chạy từ S đến E
▪ Theo tọa độ tuyệt đối G90
N...G95 (đơn vị là mm/vòng) N20 G01
X40 Z20.1 F0.1 ;
▪ Hoặc theo tọa độ tương đối G91
N… G95 F0.1;
N20 G01 U10 W-25.9;

KHOA KỸ THUẬT – BỘ MÔN KỸ THUẬT Ô TÔ
* Chèn thêm vát mép hoặc vê tròn góc.
➢
Các lệnh vát mép và vê góc chỉ có tác dụng đối với lệnh G01/G00.
➢
Lệnh dịch chuyển sau đó phải được bắt đầu từ điểm b trên bản vẽ. Khi
lập trình theo toạ độ tương đối thì cũng có thể sử dụng điểm b. Với chế độ
chạy từng câu lệnh thì dụng cụ sẽ dừng lại ở điểm c sau đó là
d. Nếu dịch chuyển ở trong một khối lệnh mà quá ngắn thì máy sẽ
không gia công vát cạnh hoặc vê góc hoặc sẽ báo lỗi No.055
Ví dụ:
N95 G01 X26 Z53;
N100 G01 X26 Z27 R6; (điểm b )
N105 G01 X86 Z27 C3; (điểm e )
N110 G01 X86 Z0;
e

