
B
à
i
3
HÀN
M
Ạ
CH
NỔ
I
XUYÊ
N
LỖ
I.
MỤC
ĐÍCH
YÊU
CẦ
U
S
a
u
k
h
i
sinh
v
iê
n
đ
ã
t
h
ự
c
t
ậ
p
h
à
n
ch
ì
v
à
nh
ậ
n
dạ
n
g
li
nh
k
i
ệ
n
, b
à
i
n
à
y
g
i
ú
p
sinh
vi
ê
n
kế
t
nối
li
nh
k
i
ệ
n
đ
ả
m
bả
o
ch
ấ
t
lư
ợ
ng
mối
h
à
n
,
th
á
o
th
ử
m
ạ
c
h
nh
a
nh
k
hôn
g
l
à
m
h
ư
li
nh
ki
ệ
n
và
h
à
n
đ
ú
n
g
sơ
đồ
m
ạ
c
h
.
II.
PHẦN
MẢNG
K
I
Ế
N
T
HỨC
1. Sơ
đồ
nguyê
n
l
ý
Sơ
đồ
n
guy
ê
n
l
ý
m
ạ
c
h
d
ao
độn
g
đ
a
hà
i
(
as
t
able) d
ù
n
g
BJ
T
rờ
i
đ
ượ
c
m
ô
tả
nh
ư
t
ron
g
h
ì
nh
3.1.
4
%).

Hình
3.1: S
ơ
đ
ồ
n
g
uyên
l
ý
mạch
dao
đ
ộn
g
đ
a
hài
C
ác
p
h
ần
t
ử
sử
d
ụn
g
t
ron
g
m
ạ
c
h
g
ồ
m
:
- 02
L
e
d
(l
i
ght
em
i
tt
ion
d
i
o
de)
.
- 02
B
JT
2
SC
828
(np
n
,
E
C
B
tra
n
sis
t
or
).
- 02
t
ụ
phâ
n
c
ự
c
10
µ
F/16W
V
.
- 02 đ
iện
t
rở
t
ha
n
1
50K
Ω
/0,5W.
- 02 đ
iện
t
rở
t
ha
n
470
Ω
/0,5W.
-
N
gu
ồn
đ
iệ
n
D
C
c
u
n
g
c
ấ
p
c
ó
m
ứ
c
gi
á
trị
t
ừ
9
-
12
V
(
dù
n
g
n
g
uồ
n
c
ó
ổ
n
á
p DC ho
ặ
c
n
g
uồ
n
DC
t
h
ôn
g
t
h
ườ
n
g
c
ó
b
ộ
l
ọ
c
v
ớ
i
đ
ộ
nh
ấ
p
nh
ô
kh
ô
ng
l
ớ
n
hơn 4%.
2.
Nguy
ê
n
l
ý
h
o
ạt
độn
g
Kh
i
mới
cấp
điện
v
à
o
cho
m
ạch,
gi
ả
sử
trong
hai
transistor
Q
1
hay
Q
2
sẽ
có
m
ộ
t
transistor
dẫ
n
trước,
ta
g
iả
sư
Q
1
dẫn
trư
ớ
c,
m
ức
điện
á
p
trên
ng
õ
ra
V
out1 =
V
C
E
sat =
0,2
V.
V
ì
đ
i
ệ
n
á
p
tr
ên
hai
đầ
u
t
ụ
đ
iệ
n
C
1
k
h
ôn
g
t
h
ể
t
h
a
y
đổi
đ
ộ
t
b
iến
tứ
c
t
h
ì
,
do
đ
ó
đ
i
ện
á
p
ph
â
n
c
ự
c
V
B
E2
c
ó
g
i
á
t
rị
â
m
l
à
m
Q
2
n
g
ư
n
g
d
ẫ
n
,
m
ứ
c
đi
ệ
n
á
p
t
rê
n
n
gõ
ra
V
o
ut2
V
CC.
Q
u
á
t
rình
t
rê
n
x
ả
y
r
a
đồ
n
g
th
ờ
i
v
ớ
i
q
uá
t
rình
nạp đ
i
ệ
n
t
íc
h
c
ủ
a
t
ụ
C
1 (
V
CC
RC2
C
1
V
B
E1)
v
à
q
uá
t
rìn
h
xả đ
iệ
n
tích
c
ủ
a
C
2 (
V
CC Rb2
C
2
V
CE1).
C
2
n
ạ
p đ
i
ệ
n
t
ừ
V
cc
khi
đạ
t
đế
n
k
h
o
ả
n
g
0,6
V
th
ì
Q
2 d
ẫ
n
và đ
ạ
t
đế
n
t
r
ạ
n
g
t
h
á
i
b
ã
o
h
ò
a
,
l
ú
c
đ
ó
V
o
ut2
0,2
V.
V
ì
đ
iệ
n
á
p
t
r
ê
n
t
ụ
C
1
k
h
ôn
g
b
ị
đ
ộ
t
b
iế
n
n
ê
n
c
ự
c
n
ề
n
c
ủ
a
Q
1
sụ
t
x
uố
n
g
h
i
ệ
u
điệ
n
t
h
ế
-
V
cc
là
m
ch
o
Q
1
n
g
ư
n
g
d
ẫ
n
n
ga
y
,
V
o
ut1
V
cc
,
l
ú
c
n
à
y
C
2
n
ạ
p đ
iệ
n
t
íc
h
,
C
1
x
ả
đi
ệ
n
t
í
c
h
,
m
ạ
ch
l
ặ
p
l
ạ
i
qu
y
t
r
ì
nh
t
r
ên
.
Cá
c
t
í
n
h
iệ
u
V
ou
t1
,
V
o
ut2
tr
ê
n
c
á
c
n
gõ
ra
có
dạ
n
g
xu
n
g
v
u
ôn
g
c
ù
n
g
tần
số
d
ao
đ
ộn
g
,
nh
ư
n
g
biên
độ
t
ứ
c
th
ờ
i
ng
ượ
c
nh
a
u
(một
t
í
n
h
i
ệu
ở
m
ứ
c
c
a
o,
tí
n
hi
ệu
c
ò
n
l
ạ
i
ở
m
ứ
c
t
h
ấ
p
v
à
n
g
ượ
c
l
ạ
i).
Đư
ờ
n
g
b
iể
u
d
i
ễ
n
củ
a
c
á
c
t
í
n
hiệ
u
V
o
ut1
,
V
o
ut2
,
t
heo
t
h
ờ
i
g
i
a
n,
đượ
c
mô
tả
nh
ư
s
a
u
:
C
h
u
k
ỳ
x
u
n
g
p
h
ụ
t
h
uộ
c
v
à
o
t
h
ờ
i
g
i
a
n
d
ẫ
n
tắ
t
c
ủ
a
tr
an
sist
o
r
; ch
u
k
ỳ
n
à
y
cũ
n
g
p
h
ụ
t
h
u
ộc
v
à
o
g
i
á
t
rị
điện
d
u
n
g
v
à
đi
ệ
n
tr
ở
Rb.

Q
2
H
ì
nh3.
2
K
hi
c
á
c
g
i
á
tr
ị
C
1,
C
2
v
à
Rb1, Rb2
khô
n
g
g
i
ốn
g
nh
au,
t
a
có
:
T
=
T
1 +
T
2 = 0,69.(Rb1
.C
1 + Rb2
.C
2)
K
hi
m
ạ
ch
có
t
ính
đ
ối
x
ứ
n
g,
ta
có
:
Rb1 = Rb2 = R,
C
1 =
C
2 =
C;
T
= 1,38.R
.C
N
g
o
à
i
ra
tầ
n
số
dao
đ
ộ
ng
cò
n
p
h
ụ
t
h
uộ
c
v
à
o
g
iá
t
rị
đ
iệ
n
á
p
D
C
c
ủ
a
n
g
u
ồn
V
CC
c
u
n
g
c
ấ
p
,
tron
g
tr
ườ
n
g
h
ợ
p
th
ay
v
ì
đấ
u
c
á
c
đ
iện
t
r
ở
Rb1
v
à
Rb2
v
ề
n
g
u
ồ
n
V
CC,
ta
l
ạ
i
đ
ấ
u
c
h
ú
n
g
v
à
o
mộ
t
n
gu
ồ
n
kh
á
c
có
gi
á
t
r
ị
l
à
V
(so
v
ớ
i
đ
i
ể
m
m
a
ss
c
h
uẩ
n),
l
ú
c
đó
n
ế
u
m
ạ
ch
đ
ối
x
ứ
ng,
t
ầ
n
s
ố
d
a
o
đ
ộ
n
g
có
t
h
ể
t
ính
th
eo
q
ua
n
h
ệ
s
a
u
:
T=2.RC.ln[1+
V
VCC
]
T
ầ
n
số
d
a
o
đ
ộn
g
đ
ượ
c
xá
c
đ
ịnh
t
h
eo
q
u
a
n
hệ
f
= 1/
T
3.
Giới
thiệ
u
linh
kiện
và
d
ụng
cụ
thực
hà
nh
Cá
c
li
nh
k
iệ
n
sử
d
ụ
n
g
v
à
t
ấ
m
b
o
a
r
d
n
ổi
c
ó
hình
dạ
n
g
nh
ư
hình
3.3
dư
ớ
i
đâ
y
.
D
ụ
ng
c
ụ
d
ù
n
g
l
ắ
p
đặ
t,
s
ắ
p
x
ế
p
v
à
c
ố
đ
ị
nh
c
á
c
lin
h
k
i
ệ
n
tron
g
quá
t
rình
t
h
ự
c
tậ
p
đượ
c
g
ọ
i
l
à
“boa
r
d
nổi
”
.
B
o
a
r
d
n
ổi
là
tấ
m
b
a
k
e
li
t
e

k
h
ô
ng
t
r
á
ng
đ
ồ
n
g
c
ả
ha
i
m
ặ
t
,
t
rê
n
t
o
à
n
di
ện
t
í
c
h
bề
m
ặ
t
đ
ượ
c
k
h
o
a
n
lỗ
p
h
â
n
đ
ề
u
, đ
ườ
n
g
kính
lỗ
k
hoa
n
l
à
0,8mm,
k
ho
ả
ng
c
á
ch
g
i
ữ
a
h
a
i
l
ỗ
k
ho
a
n
kế
c
ậ
n
nh
a
u
liê
n
ti
ế
p
k
ho
ả
n
g
4mm (0.15
i
n
c
h
).
H
ì
nh
3.3
:
Hì
nh
d
ạn
g
v
ài
linh
k
iện
d
ùn
g
t
ro
n
g
m
ạ
c
h
Tron
g
quá
t
r
ình
t
h
ự
c
t
ậ
p,
sinh
v
i
ê
n
tự
x
ếp
li
nh
k
iện
ở
m
ộ
t
p
h
í
a
c
ủ
a
boa
r
d
n
ổi,
c
hâ
n
li
nh
kiện
đư
ợ
c
c
ắ
m
x
u
y
ê
n
q
u
a
c
á
c
l
ỗ
củ
a
boa
r
d.
V
ớ
i
c
á
c
linh
k
iệ
n
m
ớ
i
, đ
ộ
d
à
i
c
ủ
a
c
hâ
n
c
ắ
m
ló
q
ua
lỗ
k
h
o
ả
n
g
5mm.
S
au
đó
s
i
nh
v
iê
n
d
ù
n
g
d
â
y
đ
ồ
n
g
r
ờ
i
hà
n
n
ố
i
c
á
c
c
h
â
n
t
he
o
m
ạ
c
h
n
g
uyê
n
l
ý
, d
â
y
đồ
ng hà
n
n
ố
i
đ
ặ
t
kh
á
c
p
hí
a
vớ
i
li
nh
k
iệ
n
.
K
hi
h
à
n
li
ê
n
k
ế
t
c
á
c
li
nh
k
i
ệ
n,
s
i
nh
v
iê
n
k
h
ô
n
g
đ
ượ
c
d
ù
n
g
b
ấ
t
c
ứ
d
ụ
n
g
c
ụ
g
ì
đ
ể
c
ắ
t
n
gắ
n
ch
â
n
li
nh
k
iện
(p
h
ầ
n
ch
â
n
ló
ra
k
h
ỏi
l
ỗ
ở
p
h
í
a
có
dâ
y
đồ
n
g
h
à
n
n
ối)
.
S
a
u
kh
i
th
ự
c
h
à
nh
x
o
ng
sinh
v
iê
n
ph
ả
i
rã
tấ
t
cả
cá
c
m
ố
i
h
à
n
và
h
o
à
n
tr
ả
c
h
o
x
ưở
n
g
to
à
n
bộ
linh
ki
ện
nh
ư
b
a
n
đ
ầ
u
t
rư
ớ
c
k
h
i
l
ắ
p
rá
p.

III
.
PHẦN
THỰ
C
T
Ậ
P
CỤ
THỂ
s
au
:
T
r
ì
nh
t
ự
t
hực
h
iện
c
ác
b
ướ
c
t
r
o
ng q
uá
t
rìn
h
th
ự
c
tậ
p
đ
ược
t
iế
n
h
àn
h
nh
ư
-
L
à
m
s
ạ
ch
d
â
y
n
ối:
c
ạ
o
s
ạ
c
h
d
â
y
đ
ồ
n
g
b
ằ
n
g
d
ao
h
a
y
g
i
ấ
y
nh
á
m
.
-
Trán
g
c
h
ì
đề
u
t
rên
bề
m
ặ
t
n
g
o
à
i
củ
a
d
â
y
đ
ồn
g
vừ
a
đ
ượ
c
cạ
o
s
ạ
ch
.
-
B
ố
t
rí
lin
h
k
iện
trê
n
b
o
a
r
d
n
ổ
i.
-
Cắ
t
dâ
y
đồn
g
v
ừ
a
t
rá
n
g
c
h
ì
n
ối
cá
c
c
hâ
n
l
inh
ki
ện
t
h
eo
sơ
đ
ồ
m
ạ
ch
n
g
u
y
ê
n
lý
.
-
K
i
ểm
t
r
a
đ
ộ
bề
n
v
à
b
á
m
dí
nh
đ
ú
ng quy
c
á
ch
c
ủ
a
c
ác
m
ối
hà
n,
k
i
ể
m
t
r
a
x
e
m
c
á
c
m
ố
i
h
à
n
c
ó
n
ối
c
á
c
li
nh
k
i
ệ
n
vớ
i
nh
a
u
đ
ú
n
g
m
ạ
ch
n
guy
ê
n
l
ý
h
a
y
k
h
ô
ng.
-
Nế
u
k
h
ô
n
g
c
ó
g
ì
sai
só
t
,
sinh
v
i
ên
tiến
h
à
n
h
s
an
g
b
ướ
c
kế
t
iế
p.
-
Cấ
p
ng
u
ồn
v
à
o
m
ạ
ch
, vậ
n
h
à
nh
t
h
ử
.
-
Khi
m
ạ
c
h
vậ
n
h
à
n
h
đú
n
g
n
g
u
y
ê
n
l
ý
,
h
a
i
đèn
L
ED
t
r
o
n
g
m
ạ
c
h
sẽ
l
uâ
n
ph
iê
n
ch
ớ
p
t
ắ
t
.
-
Kh
i
m
ạ
ch
đ
ã
v
ậ
n
h
à
n
h
tốt
,
s
i
nh
v
iê
n
s
uy
n
g
hĩ
v
à
tìm
cá
ch
đ
o
dòn
g
đ
i
ệ
n
I
b,
I
c
c
ủ
a
BJ
T
đ
ể
s
uy
r
a
hệ
số
kh
u
ếc
h
đạ
i
h
fe.
C
ác
s
ơ
đồ
ng
u
y
ê
n
lý
t
ha
m
kh
ảo
đ
ể
h
à
n
m
ạch
in
x
uyê
n
l
ỗ
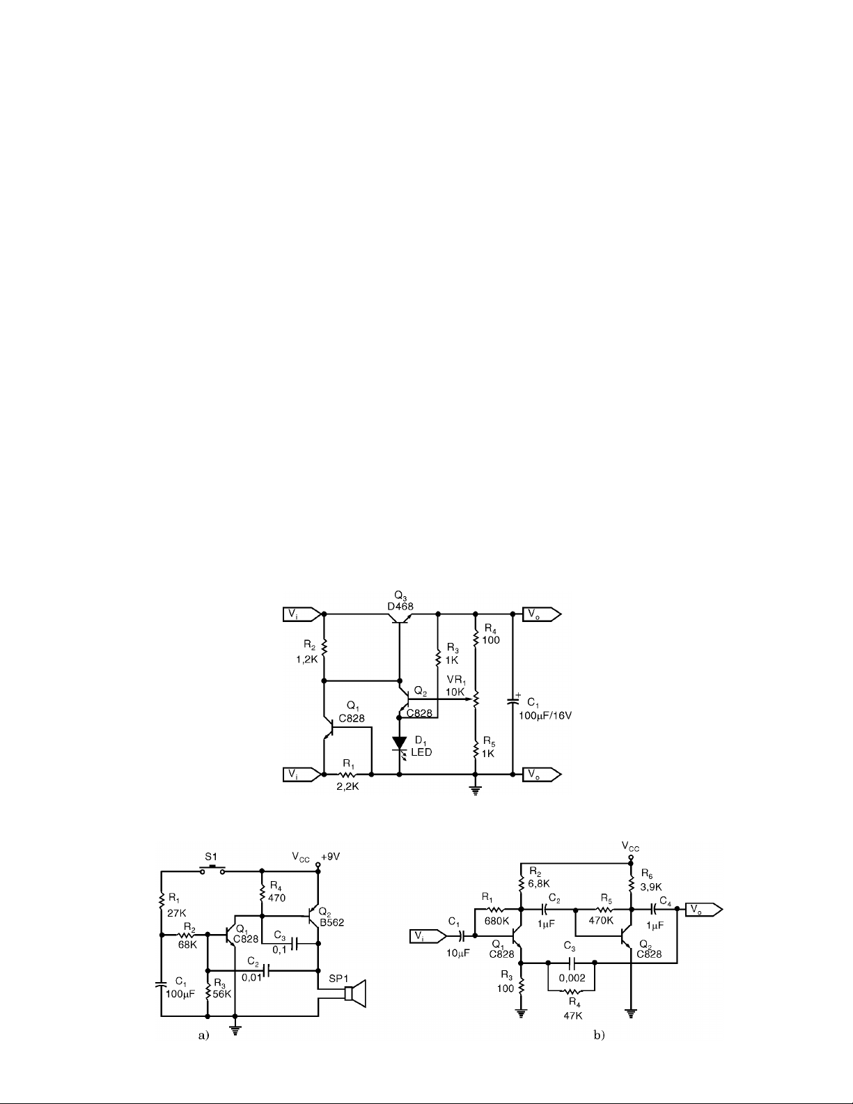
Hình
3.4:
M
ạch
ổ
n
áp
dù
ng
tr
a
n
s
i
s
t
or
H
ì
nh
3.
5:
a)
M
ạc
h
c
ò
i
h
ụ
; b)
Mạch
p
r
e
-amp
li

