
104
Chương 8
TRANG BỊ ĐIỆN MÁY NÉN KHÍ
8.1 Khái niệm chung và phân loại
Máy nén khí là một thiết bị dùng để nén khí và cấp khí nén theo đường ống
dẫn khí đến các hộ tiêu thụ khí nén. Khí nén được sử dụng rộng rãi trong
ngành xây dựng, trong các xí nghiệp công nghiệp như máy khoan dùng khí
nén, bủa khí nén, thiết bị phun cát v.v…
Theo nguyên lý hoạt động, máy nén khí được phân thành ba loại: máy nén
khí kiểu pittông, máy nén khí kiểu rôto và máy nén khí kiểu ly tâm (máy nén
khí kiểu tua bin). Sơ đồ cấu tạo máy nén khí kể trên được thể hiện trên hình
8.1
Hình 8.1 Sơ đồ cấu tạo của máy nén khí
a) kiểu pittông; b) kiểu rôto; c) kiểu ly tâm
1. Máy nén kiểu pittông (hình 4.1a)
Nguyên lý làm việc của máy nén khí kiểu pittông như sau: Khi pittông di
chuyển sang bên phải, van hút 1 mở ra, van nén 2 đóng lại. Pittông di
chuyển tịnh tiến qua lại bằng cơ cấu trục khuỷu - tay biên. Khi trục khuỷu
quay một vòng, pittông thực hiện được hai hành trình, một hành trình thực
hiện hút khí, một hành trình thực hiện nén khí và đẩy khí vào đường ống
dẫn. Loại máy nén khí này có tên gọi là máy nén khí một cấp (tác dụng đơn).
Nếu pittông chia xi lanh thành hai khoang, có tên gọi là máy nén khí tác
dụng kép. Với một hành trình của pittông, trong một nửa khoang của xi lanh
xảy ra quá trình hút khí, nửa khoang thứ hai xảy ra quá trình nén khí. Loại
máy nén khí kiểu tác dụng kép thường chế tạo có hai xi lanh với năng suất
Q = (10 ÷ 25)m3/h, áp suất p = 8at. Trong trường hợp cần khí nén áp suất

105
cao thường dùng máy nén khí nhiều cấp gồm nhiều xi lanh, áp suất của khí
nén có thể đạt tới 220at.
2. Máy nén khí kiểu rôto (hình 4.1b).
Bộ phận công tác của máy nén khí là rôto 1 có cánh phân bổ hướng tâm có
thể trượt trong rãnh của rôto. Rôto lắp lệch tâm so với xi lanh và tạo thành
khoảng không gian công tác hình lưỡi liềm. Khi rôto quay, dưới tác dụng
của lực ly tâm, các cánh sẽ văng ra ép vào thành xilanh tạo thành các khoang
nhỏ riêng biệt có thể tích thay đổi khi rôto quay. Không khí từ khí quyển
được hút vào các khoang nhỏ đó và sẽ được nén khi di chuyển từ vị trí 2
sang vị trí 3 đẩy vào đường ống cấp cho các hộ tiêu thụ. Khi không dùng khí
nén (không tải) có đường hồi tiếp 4 cần bằng áp suất.
So với máy nén kiểu pittông, máy nén khí kiểu rôto có những ưu điểm sau:
- Động cơ truyền động có thể nối trực tiếp với trục rôto của máy nên so đồ
động học đơn giản hơn, chiếm diện tích lắp đặt bơm bé hơn.
- Phụ tải đặt lên trục đông cơ và lượng khí cấp cho phụ tải đồng đều hơn.
Những nhược điểm của máy nén rôto so với máy nén kiểu pittông là:
- Chế tạo phức tạp hơn.
- Hiệu suất thấp hơn.
- Lượng dầu bôi trơn cần nhiều hơn.
Bởi vậy máy nén kiểu rôto ít được sử dụng trong công nghiệp.
3. Máy nén kiểu tuabin (hình 4,1c)
Hình 8.2 Biểu đồ chu trình làm việc
của máy nén khí kiểu pittông
Thường dùng đối với những máy nén
khí yêu cầu năng suất cao. Nguyên lý
làm việc của máy nén khí kiểu tuabin
cùng một nguyên lý như tất cả các máy
ly tâm. Bộ phận chính trong máy nén khí
kiểu tuabin gồm có một hoặc nhiều bánh
xe với các cánh tuabin lắp trên cùng một
trục. So với máy nén khí kiểu pittông,
máy nén khí kiểu tuabin có kích thước và
khối lượng bé hơn (với cùng một công
suất)
Công suất động cơ truyền động máy
nén khí kiểu pittông được tính theo biểu
thức sau:
P =
ηη
.1000 m
kAQ [kW] (8.1)
Trong đó: A - công cần thiết để nén
1m3 khí từ áp suất p1 lên áp suất p2.
Đại lượng A được tính theo biểu thức:

106
A = 2,3.103p1lg(
1
2
p
p) [J/m3] (8.2)
Trong đó:
Q - năng suất của máy nén khí, m3;
ηm- hiệu suất của máy nén khí thường lấy bằng (0,6 ÷ 0,8);
η - hiệu suất của cơ cấu truyền lực thường lấy bằng (0,9 ÷ 0,95);
k - hệ số dự trữ (k = 1,1 ÷ 1,2)
8.2 Điều chỉnh năng suất và áp suất máy nén khí
Biểu đồ tiêu thụ khí nén của một xí nghiệp thay đổi theo thời gian. Áp suất
trong hệ thống cung cấp khí nén phụ thuộc vào hai đại lượng: lượng tiêu thụ
khí nén của phụ tải và năng suất của máy nén. Khi lượng tiêu thụ khí nén
bằng năng suất của máy, áp suất bằng trị số định mức. Khi lượng tiêu thụ khí
nén lớn hơn năng suất của máy thì áp suất giảm và ngược lại.
Để đảm bảo chế độ làm việc cho các thiết bị tiêu thụ khí nén, cần phải
khống chế áp suất khí nén trong hệ thống cung cấp bằng hằng số, đó là một
trong những yêu cầu chính đối với hệ thống tự động khống chế máy nén khí.
Hệ truyền động máy nén khí thường dùng động cơ đồng bộ hoặc động cơ
không đồng bộ rôto lồng sóc với tốc độ quay không đổi, cho nên điều chỉnh
áp suất của máy nén khí thực hiện bằng cách đóng mở van xả.
Trên hình 8.3 là sơ đồ điều chỉnh áp suất bằng cách đóng mở van xả.
Nguyên lý hoạt động của hệ thống tự động điều chỉnh áp suất như sau:
Bộ điều chỉnh áp suất gồm: xi lanh 1, van trượt 2 nối với đối trọng 4 bằng
thanh nối 3. Bộ điều chỉnh áp suất được nối với hệ thống cấp khí bằng
đường ống 5, và nối với cơ cấu ép bằng đường ống 6. Cơ cấu ép (đóng mở
van) gồm có xi lanh 7, pittông 8, lò xo 9 và thanh nối 10.
Khi áp suất trong đường ống
của hệ thống cấp khí nén bằng
trị số định mức, van trượt 2 sẽ
che kín đường ống 6, không cho
khí nén từ hệ thống cấp đi vào cơ
cấu ép. Khi lượng tiêu thụ khí
nén giảm, áp suất trong hệ thống
cấp khí tăng, van trượt 2 nâng
lên, đường ống 5 được nối với
đường ống 6, pittông 8 hạ xuống
(áp suất của khí nén thắng lực
cản của lò xo 9), mở van xả 11,
buồng xi lanh 12 của máy nén
khí nối với khí quyển, máy nén
khí làm việc không tải. Khi áp
Hình 8.3 Sơ đồ điều chỉnh áp suất của
máy nén khí

107
suất trong trong hệ thống máy nén khí giảm, van trượt 12 hạ xuống, không
khí từ buồng xi lanh 7 của cơ cấu ép đi ra ngoài theo đường ống 6 và van 13,
dưới tác dụng của lò xo 9, van 11 đóng lại, buồng xi lanh 12 kín, máy nén
cấp nguồn vào hệ thống cấp khí.
8.3. Sơ đồ tự động khống chế máy nén khí
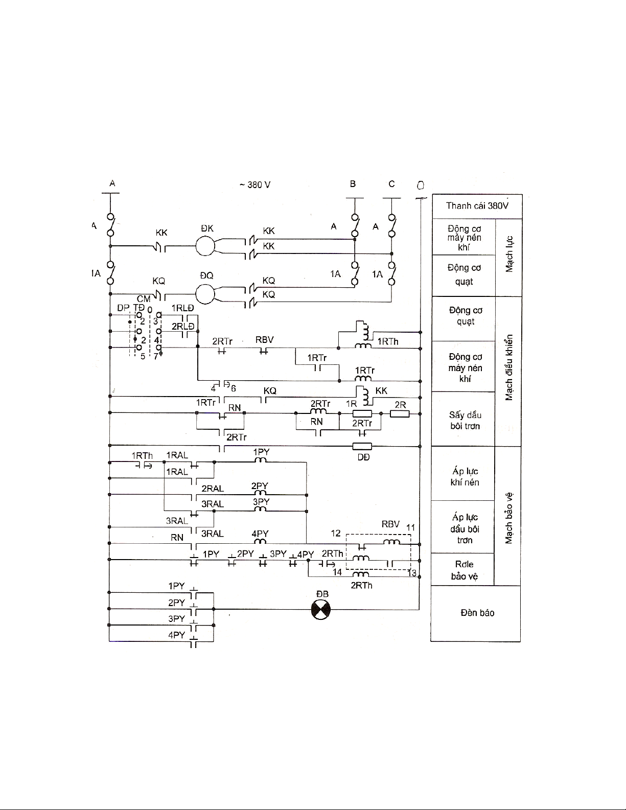
Hình 8.4 là sơ đồ nguyên lý điện khống chế máy nén khí.
1RTh
KQ
Hình 8.4. Sơ đồ khống chế tự động máy nén khí
Sơ đồ được thiết kế có ba chế độ làm việc: làm việc tự động (TĐ), làm việc
bằng tay (BT) và chế độ dự phòng (DP). Chọn chế độ làm việc bằng khoá
chuyển mạch.

108
1. Mở máy nén khí (chế độ bằng tay)
Chuyển mạch CM chuyển từ “0” sang vị trí BT, tiếp điểm (5-7) kín, cuộn
dây công tắc tơ KQ có điện, đóng điện cấp nguồn cho động cơ ĐQ truyền
động quạt gió làm mát máy nén khí. Đồng thời cuộn dây rơle thời gian RTh
có điện; sau một thời gian tiếp điểm RTh(4-6) đóng, rơle trung gian 1RTr có
điện sẽ đóng tiếp điểm cấp nguồn cho cuộn dây công tắc tơ KK, động cơ ĐK
truyền động máy nén khí được cấp điện.
2. Cắt máy nén khí (ở chế độ bằng tay)
Chuyển mạch CM từ vị trí BT sang vị trí “0”. Tiếp điểm (5-7) hở, các
nguồn cấp cho các cuộn dây KQ, rơle thời gian 1RTh và rơle trung gian
1RTr, các tiếp điểm của chúng cắt nguồn cấp cho động cơ ĐQ và ĐK.
3. Chế độ tự động
Điều khiển đóng - cắt máy nén khí tự động khi khoá chuyển mạch CM
chuyển sang vị trí TĐ (2-4) kín hoặc vị trí dự phòng DP(2-3) kín. Việc đóng
cắt tự động máy nén khí tuỳ thuộc vào trạng thái làm việc của hai rơle liên
động 1RLĐ và 2RLĐ. Thứ tự khởi động các động cơ ĐK và ĐQ tương tự
như chế độ bằng tay.
4. Sấy dầu trong hệ thống bôi trơn máy nén khí
Khi nhiệt độ dầu bôi trơn trong hộp cacte của máy nén khí gỉam, rơle nhiệt
không tác động, tiếp điểm thường kín RN đóng nguồn cấp nguồn cấp cuộn
dây rơle trung gian 2RTr, đóng nguồn cấp cho dây điên trở DĐ để sấy dầu.
Đồng thời tiếp điểm thường đóng 2RTr mở ra cắt nguồn cấp cho cuộn dây
RTh và KQ, cắt điện động cơ ĐQ và ĐK. Khi nhiệt độ của dầu bôi trơn lớn
hơn 100C, rơle nhiệt tác động, cắt nguồn cấp của 2RTr và cắt nguồn cấp của
dây điện trở DĐ.
5. Mạch bảo vệ
Trong máy nén khí có ba khâu bảo vệ sau:
a) Bảo vệ khi áp suất trong hệ thống cấp khí cao hơn trị số định mức
bằng cảm biến áp lực 3RAL.
b) Bảo vệ áp suất thấp khi khởi động máy nén khí bằng cảm biến áp lực
thấp 1RAL.
c) Bảo vệ áp lực dầu bôi trơn thấp bằng cảm biến 2RAL.
Khi một trong ba khâu bảo vệ trên tác động sẽ cấp điện cuộn dây rơle bảo
vệ RBV; tiếp điểm của nó sẽ cắt điện các cuộn dây KQ, 1RTh.

