
SỞ GD&ĐT ĐIỆN BIÊN
TRƯỜNG THCS-THPT QUÀI TỞ
ĐỀ KIỂM TRA HỌC KỲ I
MÔN: CÔNG NGHỆ LỚP 12
NĂM HỌC 2022 - 2023
Thời gian làm bài : 45 Phút; (Đề có 30
câu)
ĐỀ CHÍNH THỨC
(Đề có 3 trang)
Họ tên : ............................................................... Lớp : ...................
Mã đề 121
I. PHẦN TRẮC NGHIỆM(7Đ).
Câu 1: Có thể điều khiển tốc độ động cơ xoay chiều một pha bằng cách nào ?
A. Cả 2 đều sai
B. Cả 2 đều đúng
C. Điều khiển tốc độ bằng cách thay đổi điện áp
D. Điều khiển tốc độ bằng cách thay đổi tần số nguồn điện đưa vào động cơ
Câu 2: Để thay đổi tốc độ động cơ một pha, người ta có thể:
A. Điều khiển điện áp đưa vào động cơ B. Thay đổi số vòng dây stato
D. Điều khiển tần số nguồn điện đưa vào động cơ C. Cả 3 đáp án đều đúng
Câu 3: Công dụng của mạch điều khiển tín hiệu:
A. Thông báo những thông tin cần thiết cho con người thực hiện theo lệnh.
B. Thông báo tình trạng thiết bị khi gặp sự cố.
C. Làm các thiết bị trang trí bằng bảng điện tử.
D. Cả 3 đáp án trên.
Câu 4: Tranzito là linh kiện bán dẫn có.
A. Ba lớp tiếp giáp P - N, có ba cực là: anôt (A), catôt (K) và điều khiển (G).
B. Hai lớp tiếp giáp P - N, có ba cực là: bazơ (B), colectơ (C) và emitơ (E).
C. Ba lớp tiếp giáp P - N, có ba cực là: bazơ (B), colectơ (C) và emitơ (E).
D. Một lớp tiếp giáp P - N, có hai cực là: anôt (A) và catôt (K).
Câu 5: Công dụng của mạch điều khiển tốc độ động cơ điện xoay chiều một pha:
A. Thay đổi tốc độ động cơ điện xoay chiều ba pha
B. Thay đổi tốc độ động cơ điện xoay chiều một pha
C. Giữ nguyên tốc độ động cơ điện xoay chiều một pha
D. Thay đổi tốc độ động cơ điện một chiều
Câu 6: Để thay đổi tốc độ động cơ một pha, người ta có thể:
A. Cả 3 đáp án đều đúng C. Điều khiển tần số nguồn điện đưa vào động cơ
B. Thay đổi số vòng dây stato D. Điều khiển điện áp đưa vào động cơ
Câu 7: Trong mạch khuếch đại thuật toán (OA) để tín hiệu đầu ra cùng dấu với tín
hiệu đầu vào thì tín hiệu vào được đưa vào đầu nào?
A. UVĐ B. UVK C. –E D. +E
Câu 8: Mạch nào không phải là mạch điện tử điều khiển?
A. Báo hiệu và bảo vệ điện áp B. Tín hiệu giao thông.
C. Mạch tạo xung D. Điều khiển bảng điện tử
Câu 9: Người ta có thể làm gì để thay đổi hệ số khuếch đại của mạch khuếch đại điện
áp dùng OA?
A. Chỉ cần thay đổi giá trị của điện trở hồi tiếp (Rht).
B. Thay đổi biên độ của điện áp vào.
Trang 1/3 - Mã đề 121

C. Đồng thời tăng giá trị của điện trở R1 và Rht lên gấp đôi.
D. Thay đổi tần số của điện áp vào.
Câu 10: Nguồn điện một chiều không có khối chức năng nào sau đây?
A. Mạch khuếch đại B. Mạch chỉnh lưu C. Mạch bảo vệ D. Mạch lọc nguồn
Câu 11: Khối khuếch đại trong mạch điều khiển tín hiệu có chức năng:
A. nhận tín hiệu từ một cảm biến B. khuếch đại công suất
C. điều chế tín hiệu D. phát lệnh báo hiệu
Câu 12: Phất biểu nào sau đây đúng.
A. Mạch điện tử điều khiển là mạch điện tử thực hiện chức năng điều khiển.
B. Mạch điều khiển tốc độ động cơ điện xoay chiều một pha là mạch điện tử điều khiển.
C. Mạch điều khiển tín hiệu là mạch điện tử điều khiển.
D. Cả ba đáp án đều đúng.
Câu 13: Chức năng của mạch khuếch đại là khuếch đại
A. điện áp, dòng điện , tần số B. dòng điện và côngsuất.
C. điện áp, dòngđiện, côngsuất. D. điện áp và công suất.
Câu 14: Mạch nào sau đây không phải mạch điều khiển tín hiệu?
A. Điều khiển bảng điện tử. d B. Điều khiển tốc độ động cơ điện.
C. Điều khiển tín hiệu giao thông. D. Báo hiệu và bảo vệ điện áp.
Câu 15: Tirixto chỉ dẫn điện khi.
A. UAK > 0 và UGK > 0. B. UAK > 0 và UGK < 0.
C. UAK < 0 và UGK < 0. D. UAK < 0 và UGK > 0.
Câu 16: Khối xử lí trong mạch điều khiển tín hiệu có chức năng:
A. điều chế tín hiệu B. khuếch đại công suất
C. nhận tín hiệu từ một cảm biến D. phát lệnh báo hiệu
Câu 17: Ý nghĩa của trị số điện trở là:
A. Cho biết khả năng hạn chế điện áp trong mạch điện.
B. Cho biết khả năng phân chia điện áp của điện trở.
C. Cho biết mức độ cản trở dòng điện của điện trở.
D. Cho biết mức độ chịu đựng của điện trở.
Câu 18: Mạch điều khiển tín hiệu đơn giản thường có sơ đồ nguyên lí dạng:
A. Nhận lệnh - Xử lí - Khuếch đại - Chấp hành
B. Nhận lệnh - Xử lí - Điều chỉnh - Thực hành.
C. Nhận lệnh - Xử lí - Tạo xung - Chấp hành
D. Đặt lệnh - Xử lí - Khuếch đại - Ra tải
Câu 19: Công dụng của mạch điện tử điều khiển là:
A. ổn định điện áp một chiều.
B. biến đổi năng lượng dao động điện thành năng lượng có dạng xung và tần số theo yêu cầu
C. điều khiển các thiết bị dân dụng
D. biến đổi dòng điện xoay chiều thành dòng điện một chiều
Câu 20: Trong mạch chỉnh lưu cầu, nếu có một trong các điôt bị đánh thủng hoặc mắc
ngược chiều thì hiện tượng gì sẽ xảy ra?
A. Biến áp nguồn vẫn hoạt động tốt, nhưng không có dòng điện chạy qua tải tiêu thụ
B. Cuộn thứ cấp của biến áp nguồn bị ngắn mạch, làm cháy biến áp nguồn.
C. Dòng điện sẽ chạy qua tải tiêu thụ theo chiều ngược lại.
D. Không có dòng điện chạy qua cuộn thứ cấp của biến áp nguồn.
Câu 21: Tirixto thường được dùng...
A. Để điều khiển câc thiết bị điện trong mạch điên xoay chiều
B. Để khuếch đại tín hiệu, tạo sóng, tạo xung...
C. Để ổn định điện áp một chiều.
D. Trong mạch chỉnh lưu có điều khiển.
Câu 22: Động cơ nào có thiết bị điều chỉnh tốc độ, trong các động cơ sau :
Trang 2/3 - Mã đề 121

A. Máy mài B. Máy bơm nước C. Tủ lạnh D. Quạt bàn
Câu 23: Để phân loại tụ điện người ta căn cứ vào:
A. Vật liệu làm lớp điện môi. C. Vật liệu làm hai bản cực của tụ điện
B. Vật liệu làm chân của tụ điện. D. Vật liệu làm vỏ của tụ điện.
Câu 24: Khối nhận lệnh trong mạch điều khiển tín hiệu có chức năng:
A. khuếch đại công suất B. nhận tín hiệu từ một cảm biến
C. phát lệnh báo hiệu D. điều chế tín hiệu
Câu 25: IC khuếch đại thuật toán có bao nhiêu đầu vào và bao nhiêu đầu ra?
A. Một đầu vào và hai đầu ra. B. Hai đầu vào và một đầu ra.
C. Một đầu vào và một đầu ra. D. Hai đầu vào và hai đầu ra.
Câu 26: Biến trở VR có liên hệ gì với Triac?
A. Khi VR giảm, Triac dẫn nhiều B. Khi VR tăng, Triac dẫn nhiều
C. Cả 3 đáp án đều sai D. Khi VR giảm, Triac dẫn ít
Câu 27: Trong các đặc điểm sau đây, đặc điểm nào không liên quan đến IC khuếch đại
thuật toán?
A. Tín hiệu ở đầu ra luôn ngược dấu với tín hiệu ở đầu vào đảo.
B. Tín hiệu ở đầu ra luôn cùng dấu với tín hiệu ở đầu vào không đảo.
C. Tín hiệu ở đầu ra luôn có chu kì và tần số lớn hơn tín hiệu ở đầu vào.
D. Tín hiệu ở đầu ra và đầu vào luôn có cùng chu kì và tần số.
Câu 28: Ý nghĩa của trị số điện cảm là:
A. Cho biết khả năng tích lũy năng lượng từ trường của cuộn cảm
B. Cho biết khả năng tích lũy nhiệt lượng của cuộn cảm khi dòng điện chạy qua.
C. Cho biết mức độ tổn hao năng lượng trong cuộn cảm khi dòng điện chạy qua.
D. Cho biết khả năng tích lũy năng lượng điện trường của cuộn cảm.
II. PHẦN TỰ LUẬN(3Đ).
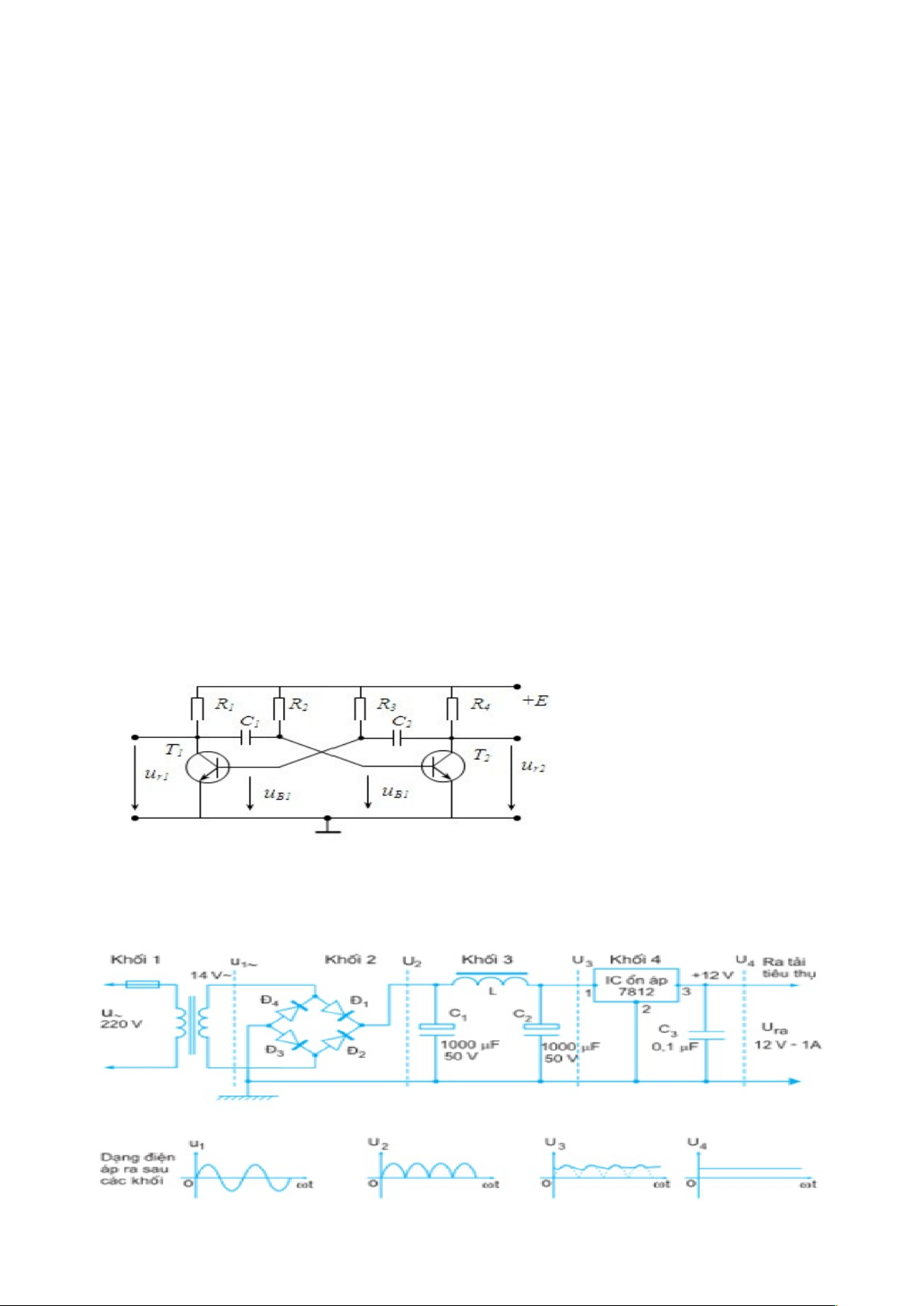
Câu 29: (3đ) Trình bày nguyên lí làm việc của mạch tạo xung đa hài dùng Tranzito
Câu 30: Quan sát sơ đồ Nêu nhiệm vụ của từng khối mạch nguồn một chiều
Trang 3/3 - Mã đề 121

------ HẾT ------
Trang 4/3 - Mã đề 121

