
Đ án môn h c: Thi t k ĐCĐT GVHD: PGS.TS TR N THANH H Iồ ọ ế ế Ầ Ả
TÙNG
DESCRIPTION 1.1D(D3FA) 1.5D(D4FA)
DISPLACEMENT(cc) 1,120 1,493
BORE X STROKE(mm) 75X84.5 75X84.5
MAX. POWER (ps/rpm) 75/4,000 110/4,000
MAX. TORQUE (kg.m/rpm) 15.5/2,000 24/2,000
DIMENSION (mm)
LENGTH 394 479
WIDTH 587 587
HEIGHT 644 634
WEIGHT IN DRY(kg) 140.4 157
CYCLE 4 4
NO. OF CYLINDER 3 4
CYLINDER ARRANGEMENT IN-LINE IN-LINE
FIRING ORDER 1-3-4-2 1-3-4-2
COMPRESSION RATIO 17.8 17.8
ASPIRATION VGT VGT
ALTERNATOR(V-A) 12-90 12-90
STARTER MOTOR(V-kw) 12-2.0 12-2.0
BSM(balance shaft module) IN OIL PAN Non
ETC(electronic throttle control) ECU ECU
TIMING TRAIN CHAIN CHAIN
Trang 1

Đ án môn h c: Thi t k ĐCĐT GVHD: PGS.TS TR N THANH H Iồ ọ ế ế Ầ Ả
TÙNG
2. PHÂN TÍCH Đ C ĐI M CHUNG C A Đ NG C CHON THAM KH O. Ặ Ể Ủ Ộ Ơ Ả
D a vào thông s k thu t c a đ ng c đ choự ố ỹ ậ ủ ộ ơ ề , qua th i gian ờtìm ki m và traế
c u ứthông s k thu t c a nhi u đ ng cố ỹ ậ ủ ề ộ ơ, em tìm đ c đ ng c ượ ộ ơ HYUNDAI D4FA có
thông s k thu t ố ỹ ậ g n gi ng v i đ ng c đ yêu c u.ầ ố ớ ộ ơ ề ầ Các thông s k thu t c a đ ngố ỹ ậ ủ ộ
c ơHYUNDAI D4FA đ c th hi n trong b ng d i đây.ượ ể ệ ả ướ
2.1. THÔNG S Đ NG C CH N T NG Đ NG.Ố Ộ Ơ Ọ ƯƠ ƯƠ
THÔNG SỐ
K THU T Ỹ Ậ KÝ HI UỆYÊU C UẦCH N HYUNDAI D4FAỌ
Nhiên li uệDiesel Diesel
S xilanh/ Số ố
kỳ/ Cách b trí ối/ τ / 4/ 4/ In-line
4/ 4/ In-line
Th t làm vi c ứ ự ệ 1-3-4-2 1-3-4-2
T s nénỷ ố 17.5 17.8
Đ ng kính xườ
hành trình piston
(mm x mm) D x S 84 x 89.5
75x 84.5
Công su t c cấ ư
đ i/ S vòngạ ố
quay (kW/vg/ph) Ne / n 80/ 4400
81/4000
Góc ph i khíố
(đ )ộ
M s m xupapở ớ
n pạα1 12 6
Đóng mu nộ
xupap n pạα2 53 34
M s m xupapở ớ
th iảα3 42 46
Đóng mu nộ
xupap th iảα4 10 4
H th ng nhiên li u ệ ố ệ CRDI CRDI
H th ng bôi tr n ệ ố ơ C ng b c cácteưỡ ứ
tướ C ng b c cácteưỡ ứ
tướ
H th ng làm mátệ ố C ng b c, sưỡ ứ ử
d ng môi ch tụ ấ
l ngỏ
C ng b c, sưỡ ứ ử
d ng môi ch tụ ấ
l ngỏ
H th ng n p ệ ố ạ Turbo Charger
Intercooler
Turbo Charger
Intercooler
H th ng ph i khí ệ ố ố 16valve -,DOHC 16valve -,DOHC
Đ ng c ộ ơ HYUNDAI D4FA l p trên xeắ Hyundai Getz, Hyundai Accent, đây là
các lo i xe c a Hyundai, m t hãng s n xu t xe c a Hàn Qu c. ạ ủ ộ ả ấ ủ ố Đ ng c ộ ơ HYUNDAI
D4FA là đ ng c 4 xi lanh đ c b trí th ng hàng, c c u phân ph i khí s d ng tr cộ ơ ượ ố ẳ ơ ấ ố ử ụ ụ
Trang 2

Đ án môn h c: Thi t k ĐCĐT GVHD: PGS.TS TR N THANH H Iồ ọ ế ế Ầ Ả
TÙNG
cam kép đ t trên n p máy (DOHC) v i 16 xupap, ặ ắ ớ g m b n xupap cho m i xylanhồ ố ỗ , hai
xupap n p và hai xupap th iạ ả . Đây là lo i đ ng c điesel tăng áp s d ng h th ngạ ộ ơ ử ụ ệ ố
phun nhiên li u tr c ti p dùng ng d n chung ệ ự ế ố ẫ Commonrail đi u khi n b i ECUề ể ở . Đ ngộ
c có t ng dung tích xilanh 1.5l, công su t c c đ i là 81kw vòng tua máy 4000v/ph.ơ ổ ấ ự ạ ở
Hình 2.1. C u t o chung đ ng c ấ ạ ộ ơ HYUNDAI D4FA
1-Vòi phun; 2-Giá k p vòi phun; 3-N p đ y; 4-Roan làm kín; 5-Máy phát đi n; ẹ ắ ậ ệ
6-Puly b m n c; 7-Giá đ đ ng c ; 8-Căng đai; 9-Puly tr c khu u ; 10-Then puly;ơ ướ ở ộ ơ ụ ỷ
11-Cátte; 12-L c d u bôi tr n; 13-B m n c làm mát; ọ ầ ơ ơ ướ
14-B m cao áp; 15-V đ y xích camơ ỏ ậ
Trang 3

Đ án môn h c: Thi t k ĐCĐT GVHD: PGS.TS TR N THANH H Iồ ọ ế ế Ầ Ả
TÙNG
2.2. CÁC C C U C A Đ NG C Ơ Ấ Ủ Ộ Ơ HYUNDAI D4FA.
2.2.1. C C U PHÂN PH I KHÍ.Ơ Ấ Ố
C c u phân ph i khí dùng đ th c hi n quá trình thay đ i khí. Th i s ch khíơ ấ ố ể ự ệ ổ ả ạ
th i kh i xilanh và n p đ y khí h n h p ho c không khí m i vào xilanh đ đ ng cả ỏ ạ ầ ỗ ợ ặ ớ ể ộ ơ
làm vi c liên t c. Đ đ m b o công su t c c đ i c a đ ng c , c n ph i hút càngệ ụ ể ả ả ấ ự ạ ủ ộ ơ ầ ả
nhi u h n h p không khí - nhiên li u vào xilanh và th i ra càng s ch khí cháy càng t t.ề ỗ ợ ệ ả ạ ố
Vì th , h n h p không khí - nhiên li u và quán tính khí cháy đ c tính đ n trong quáế ỗ ợ ệ ượ ế
trình thi t k tăng t i đa th i gian m xupap.ế ế ố ờ ở
Đ ng c D4FA s d ng c c u phân ph i khi ki u DOHC g m có 2 tr c camộ ơ ử ụ ơ ấ ố ể ồ ụ
n m trên n p máy và đ c d n đ ng t tr c khu u thông qua xích và bánh răng đằ ắ ượ ẫ ộ ừ ụ ỷ ể
đi u khi n vi c đóng m xu páp n p và xu páp x .ề ể ệ ở ạ ả
Trang 4

Đ án môn h c: Thi t k ĐCĐT GVHD: PGS.TS TR N THANH H Iồ ọ ế ế Ầ Ả
TÙNG
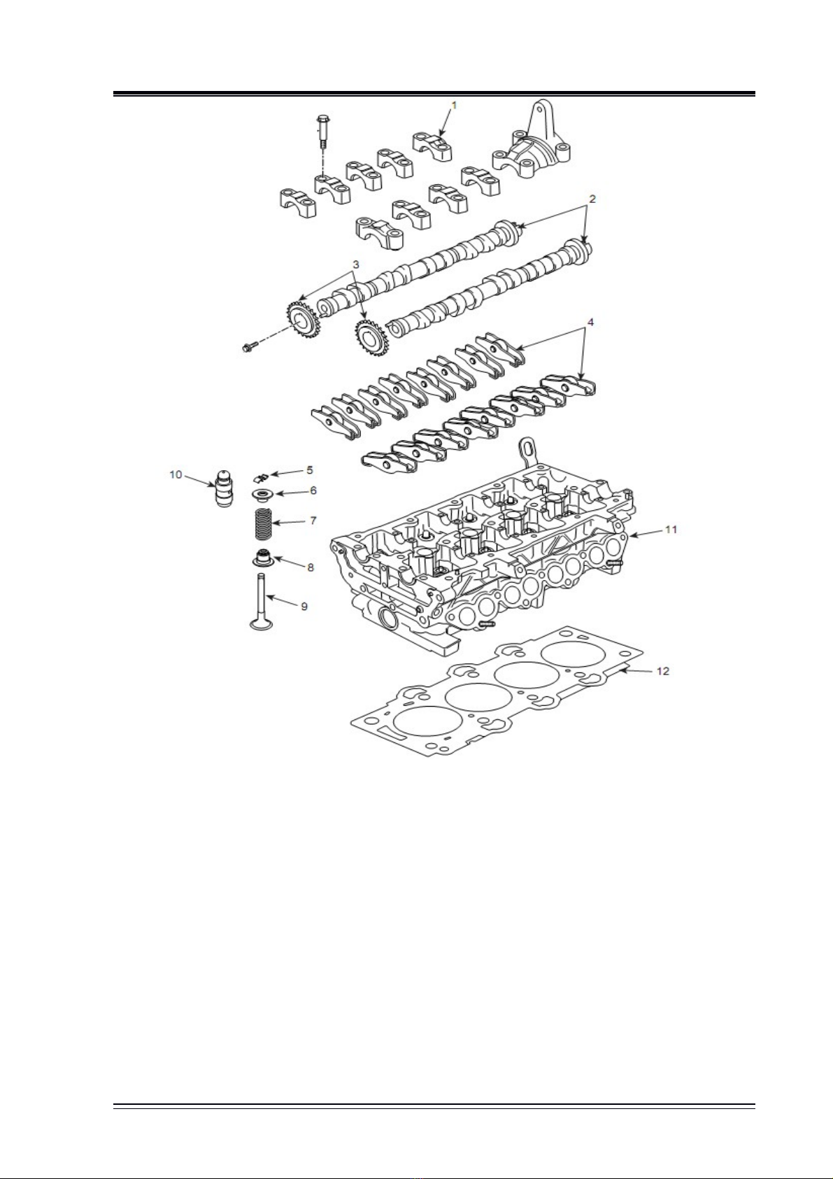
Hình 2.2. C c u phân ph i khí ơ ấ ố
1-N p c tr c cam; 2-Truc cam; 3-Bánh răng tr c cam; 4-Cò m ; 5-Móng ng a;ắ ổ ụ ụ ổ ự
6-Chén ch n trên; 7-Lò xo xupap; 8- Chén ch n d i; 9-Xupap;ặ ặ ướ
10-Con đ i; 11-Đ ng n p; 12- Roan làm kínộ ườ ạ
2.2.2. PISTON - THANH TRUY N.Ề
Trang 5

