
BỘ GIÁO DỤC & ĐÀO TẠO
TRƯỜNG ĐẠI HỌC SƯ PHẠM KỸ THUẬT
THÀNH PHỐ HỒ CHÍ MINH
KHOA CHẾ TẠO MÁY
ĐỀ THI CUỐI KỲ
KỲ THI CUỐI KỲ
MÔN: HH - VẼ KỸ THUẬT
MÃ MH: EDDG230120
ĐÁP ÁN – THANG ĐIỂM
(Đáp án – Thang điểm gồm 2 trang)
TT LOẠI NỘI DUNG ĐIỂM
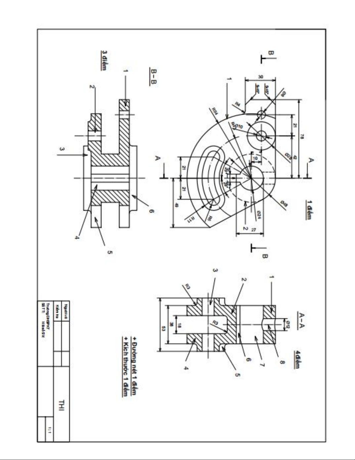
1 CÂU HỎI Vẽ một hình chiếu đứng có đầy đủ nét khuất : 1,0
ĐÁP ÁN Vẽ hình chiếu: 1,0
- Vùng 1 0,5
- Vùng 2 0,5
2 CÂU HỎI Vẽ một hình cắt bậc bằng: 3,0
ĐÁP ÁN - Vùng 1 0,5
- Vùng 2 0,5
- Vùng 3 0,5
- Vùng 4 0,5
- Vùng 5 0,5
- Vùng 6 0,5
3 CÂU HỎI
Vẽ một hình cắt cạnh: 4,0
- Vùng 1 0,5
- Vùng 2 0,5
- Vùng 3 0,5
- Vùng 4 0,5
- Vùng 5 0,5
- Vùng 6 0,5
- Vùng 7 0,5
- Vùng 8 0,5
4 CÂU HỎI
Ghi kích thước và vẽ đường nét theo TCVN.
2,0
ĐÁP ÁN Ghi kích thước theo TCVN 5705 - 93 1,0
Đường nét theo TCVN 8 - 93 1,0


