
78
CHÆÅNG 6
CHUYÃØN ÂÄØI TÆÅNG TÆÛ - SÄÚ
CHUYÃØN ÂÄØI SÄÚ - TÆÅNG TÆÛ
6.1. Cå såí lyï thuyãút
Âãø phäúi gheïp giæîa nguäön tên hiãûu coï daûng tæång tæû våïi caïc hãû thäúng xæí lyï säú ngæåìi
ta duìng caïc maûch chuyãøn âäøi ttæång tæû - säú (ADC : Analog-Digial Converter) vaì caïc
maûch chuyãøn âäøi säú - tæång tæû (DAC : Digial- Analog Converter).
Hçnh veî (6.1) biãøu diãùn quaï trçnh biãún âäøi
tên hiãûu daûng tæång tæû sang daûng säú.
Tên hiãûu tæång tæû VA âæåüc chuyãøn thaình
daûng báûc thang âãöu. Våïi 1 phaûm vi cuía
giaï trë VA âæåüc biãøu diãùn båíi 1 giaï trë âaûi
diãûn thêch håüp.
Chàóng haûn giaï trë VA âæåüc chuyãøn thaình
daûng báûc thang 7 báûc vaì åí mäùi báûc, ta gaïn
cho VA mäüt giaï trë råìi raûc. Vê duû khi VA
biãún thiãn trong mäüt khoaíng nhoí 3,5 →
4,5 ta gaïn cho noï mäüt giaï trë laì 100.
Mäüt caïch täøng quaï, goüi tên hiãûu tæång tæû laì SA (VA), tên hiãûu säú laì SD (VD). SD âæåüc
biãøu diãùn dæåïi daûng maî nhë phán nhæ sau :
S
D = bn-1.2n-1 + bn-2.2n-2 + ... + bo.2o
Trong âoï : bk = 0 hoàûc bk = 1 (våïi k = 0 → k = n - 1) vaì âæåüc goüi laì bit.
+ bn-1 : bit coï nghéa låïn nháút (MSB : Most significant bit). Mäùi biãún âäøi cuía MSB
tæång æïng våïi sæû biãún âäøi næía daíi laìm viãûc.
+ bo : bit coï nghéa nhoí nháút (LSB : Least significant bit). Mäùi biãún cuía LSB tæång
æïng våïi sæû biãún âäøi mäüt mæïc læåüng tæí. Mäüt mæïc læåüng tæí bàòng mäüt náúc cuía hçnh báûc thang
Vê duû : våïi mäüt maûch biãún âäøi N bit våïi laì N säú haûng trong daîy maî nhë phán. (Trong
vê duû trãn hçnh veî 6.1 : N = 3) thç mäùi náúc trãn hçnh báûc thang chiãúm mäüt giaï trë.
111
110
101
100
011
010
001
000 1 2 3 4 5 6 7 VA
VD
Q
∆Q
Hçnh 6.1. Biãøu diãùn quaï trçnh chuyãøn
âäøi tæång tæû sang säú

79
Q = V
LSB = 12
V
N
AM
−
V
AM : laì giaï trë cæûc âaûi cho pheïp cuía âiãûn aïp tæång tæû.
V
LSB = Q : goüi laì mæïc læåüng tæí.
Sai säú læåüng tæí hoïa âæåüc xaïc âënh nhæ sau :
∆VQ = 2
Q
Khi chuyãøn âäøi AD phaíi thæûc hiãûn viãûc láúy máùu tên hiãûu tæång tæû. Âãø âaím baío khäi
phuûc laûi tên hiãûu mäüt caïch trung thæûc, táön säú láúy máùu fM phaíi thoía maîn âiãöu kiãûn :
f
M ≥ 2 fth max ≅ 2B
f
th max : táön säú cæûc âaûi cuía tên hiãûu
B : daíi táön säú cuía tên hiãûu.
6.2. Caïc tham säú cå baín
6.2.1. Giaíi biãún âäøi cuía âiãûn aïp tæång tæû åí âáöu vaìo laì khoaíng âiãûn aïp maì bäü chuyãøn âäøi
AD coï thãø thæûc hiãûn chuyãøn âäøi âæåüc.
6.2.2. Âäü chênh xaïc cuía bäü chuyãøn âäøi AD
gäöm âäü phán biãût, meïo phi tuyãún, sai säú khuãúch âaûi, sai säú lãûch khäng vaì sai säú âån âiãûu.
111
110
101
100
011
010
001
000 VA
VD Lyï tæåíng
Thæûc
Sai säú lãûch khäng
Sai säú âån âiãûu
Sai säúkhuãúch âaûi
Meïo phi tuyãún
Hçnh 6.2. Âäü chênh xaïc cuía chuyãøn âäøi AD

80
+ Âäü phán biãût âæåüc âàûc træng båíi säú bit N. Giaí sæí mäüt ADC coï säú bit åí âáöu ra laì N
→ coï thãø phán biãût âæåüc 2N mæïc trong daíi âiãûn aïp vaìo cuía noï. Chàóng haûn N = 12 → coï
212 = 4096 mæïc.
Âäü phán biãût cuía mäüt ADC âæåüc kyï hiãûu laì Q vaì âæåüc xaïc âënh theo biãøu thæïc :
Q = V
LSB = 12
V
N
AM
−
+ Dæûa vaìo âæåìng âàûc tuyãún truyãön âaût lyï tæåíng vaì thæûc cuía ADC (hçnh 6.2) ta tháúy :
- Âàûc tuyãún lyï tæåíng laì mäüt âæåìng báûc thang âãöu vaì coï âäü däúc trung bçnh laì 1.
- Âàûc tuyãún thæûc laì mäüt âæåìng báûc thang khäng âãöu do aính hæåíng cuía sai säú
khuãúch âaûi, cuía meïo phi tuyãún, vaì cuía sai säú âån âiãûu.
6.2.3. Täúc âäü chuyãøn âäøi
Cho biãút kãút quaí chuyãøn âäøi trong 1s, âæåüc goüi laì táön säú chuyãøn âäøi fc.
Mäüt ADC coï täúc âäü chuyãøn âäøi cao thç âäü chênh xaïc giaím vaì ngæåüc laûi. Nghéa laì yãu
cáöu vãö âäü chênh xaïc vaì täúc âäü chuyãøn âäøi máu thuáùn våïi nhau. Tuìy theo yãu cáöu sæí
duûng, phaíi tçm caïch dung hoìa caïc yãu cáöu âoï mäüt caïch håüp lyï nháút.
6.3. Nguyãn tàõc laìm viãûc cuía ADC
Nguyãn tàõc laìm viãûc cuía ADC âæåüc minh hoüa theo så âäö :
Hçnh 6.3 Âäö thë thåìi gian cuía âiãûn aïp vaìo vaì ra maûch láúy máùu
Maûch láúy
máùu
ADC
Læåüng
tæí hoïa Maî hoïa VD

81
Træåïc hãút tên hiãûu tæång tæû VA âæåüc âæa âãún maûch láúy máùu. Maûch naìy coï 2 nhiãûm
vuû:
- Láúy máùu tên hiãûu tæång tæû taûi nhæîng thåìi âiãøm khaïc nhau vaì caïch âãöu nhau (råìi raûc
hoïa tên hiãûu vãö màût thåìi gian).
- Giæî cho biãn âäü âiãûn aïp taûi caïc thåìi âiãøm láúy máùu khäng âäøi trong quaï trçnh
chuyãøn âäøi tiãúp theo (tæïc laì trong quaï trçnh læåüng tæí hoïa vaì maî hoïa).
Tên hiãûu ra cuía maûch láúy máùu âæåüc âæa âãún maûch læåüng tæí hoïa âãø thæûc hiãûn laìm troìn
våïi âäü chênh xaïc bàòng ± Q⁄ 2.
Váûy quaï trçnh læåüng tæí hoïa thæûc cháút laì quaï trçnh laìm troìn säú. Læåüng tæí hoïa âæåüc
thæûc hiãûn theo nguyãn tàõc so saïnh, tên hiãûu cáön chuyãøn âäøi âæåüc so saïnh våïi mäüt loaût
caïc âån vë chuáøn Q.
Sau maûch læåüng tæí hoïa laì maûch maî hoïa. Trong maûch maî hoïa, kãút quaí læåüng tæí hoïa
âæåüc sàõp xãúp laûi theo mäüt tráût tæû nháút âënh phuû thuäüc vaìo loaûi maî yãu cáöu trãn âáöu ra
bäü chuyãøn âäøi .
Pheïp læåüng tæí hoïa vaì maî hoïa goüi chung laì pheïp biãún âäøi AD.
6.4. Caïc phæång phaïp chuyãøn âäøi tæång tæû -säú
Phán loaûi : coï nhiãöu caïch phán loaûi ADC. Caïch phán loaûi hay duìng hån caí laì phán
loaûi theo quaï trçnh chuyãøn âäøi vãö màût thåìi gian. Noï cho pheïp phaïn âoaïn mäüt caïch täøng
quaït täúc âäü chuyãøn âäøi. Coï 3 phæång phaïp chuyãøn âäøi sau :
+ Chuyãøn âäøi song song : Tên hiãûu tæång tæû âæåüc so saïnh cuìng mäüt luïc våïi nhiãöu giaï
trë chuáøn. Do âoï táút caí caïc bit âæåüc xaïc âënh âäöng thåìi vaì âæa âãún âáöu ra.
+ Chuyãøn âäøi näúi tiãúp theo maî âãúm : Quaï trçnh so saïnh âæåüc thæûc hiãûn tæìng bæåïc
theo quy luáût maî âãúm. Kãút quaí chuyãøn âäøi âæåüc xaïc âënh bàòng caïch âãúm säú læåüng giaï
trë chuáøn coï thãø chæïa âæåüc trong giaï trë tên hiãûu tæång tæû cáön chuyãøn âäøi.
+ Chuyãøn âäøi song song- näúi tiãúp kãút håüp : Qua mäùi bæåïc so saïnh coï thãø xaïc âënh
âæåüc täúi thiãøu 2 bit âäöng thåìi.
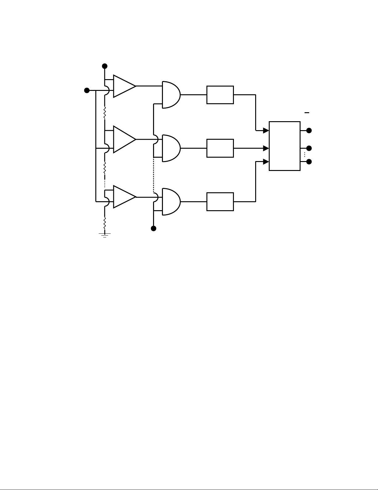
6.4.1. Chuyãøn âäøi AD theo phæång phaïp song song

82
Hçnh 6.4: Så âäö nguyãn lyï bäü chuyãøn âäøi AD theo phæång phaïp song song
Tên hiãûu tæång tæû VA âæåüc âæa âäöng thåìi âãún caïc bäü so saïnh tæì S1 âãún Sm. åí âáöu vaìo
thæï hai, âiãûn aïp chuáøn Uch âæa vaìo qua thang âiãûn tråí R (hçnh 12). Do âoï, âiãûn aïp
chuáøn âàût vaìo caïc bäü so saïnh kãö nhau seî khaïc nhau mäüt læåüng khäng âäøi tæì S1 âãún Sm.
âáöu ra cuía caïc bäü so saïnh coï âiãûn aïp vaìo låïn hån âiãûn aïp chuáøn láúy trãn thang âiãûn tråí
coï mæïc logic 1, caïc âáöu coìn laûi åí mæïc logic 0. Táút caí caïc âáöu ra âæåüc näúi våïi mäüt âáöu
vaìo cuía caïc cäøng AND. Âáöu kia cuía cäøng AND näúi våïi maûch taûo xung nhëp. Chè khi coï
xung nhëp thç caïc xung trãn âáöu ra bäü so saïnh måïi âæåüc âæa vaìo maûch Flip-flop. Nhæ
váûy cæï sau mäüt khoaíng thåìi gian bàòng mäüt chu kyì xung nhëp laûi coï mäüt tên hiãûu âæåüc
biãún âäøi âæa âãún âáöu ra. Xung nhëp âaím baío cho quaï trçnh so saïnh kãút thuïc måïi âæa tên
hiãûu vaìo bäü nhåï.
Âãø âaím baío maûch hoaût âäüng äøn âënh, quaï trçnh maî hoïa åí bäü maî hoïa phaíi kãút thuïc
træåïc khi coï mäüt chu kyì xung nhëp måïi.
Maûch naìy coï æu âiãøm laì täúc däü chuyãøn âäøi nhanh (caïc bit taûo ra âäöng thåìi), sai säú
biãún âäøi tháúp, coï thãø taûo ra daûng maî theo yï muäún. Tuy nhiãn, noï coï kãút cáúu phæïc taûp do
-
S1
+
R
R
R
FF
FF
FF
MAÎ
HOÏA
Xung nhëp
UD
+ Vchuáøn
VA
-
S2
+
-
Sm
+

